部品手册2N7203A389B03 - 第165页
PART No. イラスト No. REF No. PAR T NAME REMARKS Q'TY 8 挿入部(チャ ック部(4 P)) INSERT SECT.(CHUCK S ECT.(4P)) 部 品 名 品 番 個数 備 考 R 1 R 2 1 N610131482AA INSERTION U NIT ソウニュウユニット 1 001 N210154869AA SPRING バネ 1 002 X02G41002 SPR…

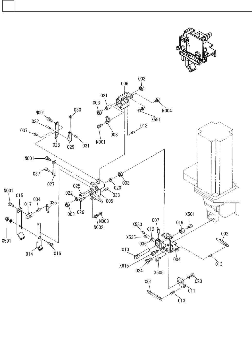
挿入部(チャック部(4P))
INSERT SECT.(CHUCK SECT.(4P))
8
FN610131482AA_03
M133

PART No.
イラスト
No.
REF
No.
PART NAME
REMARKS
Q'TY
8
挿入部(チャック部(4P))
INSERT SECT.(CHUCK SECT.(4P))
部 品 名 品 番 個数
備 考
R
1
R
2
1 N610131482AA
INSERTION UNIT ソウニュウユニット
1
001 N210154869AA
SPRING バネ
1
002 X02G41002
SPRING バネ
4003 X02G41003
BEARING ヘ
゙アリング
1004 X02G41101
BODY ボ
ディ
1
005 N210156569AA
HOLDER ホルダ
1
006 N210156568AA
LEVER レバー
1007 X02G41104
PIN ヒ
゚ン
1008 X02G41107
COVER フタ
1
010 X02G41109
SHAFT シャフト
1011 X02G41110
PLATE(STOPPER) プレート(ストッパ)
1012 X02G41111
SET PIECE セットヒ
゚ース
3
013 N210089453AA
PIN ピン(バネカケ)
1
014 N210140533AC
CHUCK チャック
1015 N210140534AB
CHUCK チャック
1016 N210161188AA
PIN ヒ
゚ン
1
017 X01A4120401
STOPPER ストッパ
1
019 X01A41313
COLLAR カラー
1020 X01A41315
COLLAR カラー
1021 N210156567AA
COLLAR カラー
1
022 X01A41317
COLLAR カラー
1
023 X01A41319
NUT ナット
1024 X01A41321
PIN ヒ
゚ン
1025 N210089452AA
PIN ピ
ン(バネカケ)
1
026 X01A41324
PIN ピン
1027 X01A4132702
PLATE(A) プレート(A)
1028 X01A4132802
PLATE(B) プ
レート(B)
1
029 X01A4132901
LEVER レバー
1
030 X01A4133001
ROLLER ローラ
1031 X01A4133101
PIN ピン
1032 X01A41332
PIN ヒ
゚ン
1
033 X01A41337
PIN ピン(バネカケ)
1
034 X01A41338
PIN ピン(バネカケ)
1035 X01A41340
SPRING バネ
1036 X01A41342
SET PIECE セットヒ
゚ース
2
037 X01A41343
SCREW ネジ
87BCB3-5
4
N001
N510023214AA
BOLT ボルト
5167
1
N002
N9865167
SPRING アッシュクハ
゙ネ
2,STEEL,P.C
1
N003
XUC2FP
RETAINING RING E-TYPE E ガ
タトメワ
CFS3V
1
N004
KXF0C8LAA00
CAM FOLLOWER カムフォロア
M3X5-10.9 A2J (Trival
1
X501
N510017333AA
HEX. SOCKET HEAD CAP BOLT ロッカクアナツキボルト
M4X8-10.9 A2J (Trival
2
X615
N510017381AA
HEX. SOCKET HEAD CAP BOLT ロッカクアナツキホ
゙ルト
M4X10-10.9 A2J (Triva
1
X505
N510017344AA
HEX. SOCKET HEAD CAP BOLT ロッカクアナツキボルト
M3-6H-4T A2J (Trivale
2
X591
N510017849AA
HEXAGON NUT ロッカクナット
M4X4-45H A2J (Trivale
1
X533
N510018370AA
HEX. SOCKET SET SCREW ロッカクアナツキトメネジ
M5X5-45H A2J (Trivale
1
X535
N510018381AA
HEX. SOCKET SET SCREW ロッカクアナツキトメネシ
゙
M134
FN610131482AA_03

挿入部(移シ替エヘッド部1)
INSERT SECT.(TRANSFER HEAD SECT.-1)
8
FN610129110AA_02-1
M135