部品手册2N7203A389B03 - 第184页
下部アンビル部 (本体部 3) LOWER ANVIL SECT.(MA IN BODY SECT .-3) 10 FN610074515AA_10-3 M153

PART No.
イラスト
No.
REF
No.
PART NAME
REMARKS
Q'TY
10
下部アンビル部(本体部2)
LOWER ANVIL SECT.(MAIN BODY SECT.-2)
部 品 名 品 番 個数
備 考
R
1
R
2
1004 X02G52104
COVER カハ
゙ー
1
005 X02G52105
PLATE プレート
1
008 N210047291AA
PULLEY プーリー
8028 N210058870AA
BRACKET カナク
゙
1029 X01L52041
RETAINER オサエ
1
030 N210092130AA
BRACKET ブラケット
1
031 X01L52049
PLATE(JOINT) プレート(ジョイント)
1032 X01L52051
LEVER レハ
゙ー
87RFN6-30
1
N001
N510038147AA
PIN ヒ
゚ン
WR7
1
N002
N508WR7
CLIP クリップ
87FWSSM-D8.0-V6.0-T3.
1
N003
N510037885AA
WASHER ワッシャ
M4
1
N004
N510020099AA
WASHER ワッシャ
87PFXAB8-6-F23-MA4
1
N005
N510038144AA
PIN ピン
MMS4-10
1
N006
N986MMS410
PIN ピン
TM-08
1
N009
KXF0AEUAA00
HOLDER(TUBE) ホルダ(チューブ)
F-0 8WX1545
1
N010
N641F08W1545
BELT(FLAT) ベ
ルト(ヒラ)
F696ZZ
2
N011
KXF020RAA00
BEARING ベアリング
6734
1
N012
N9866734
SPRING バネ
87PAIPO8-40
1
N013
N510038143AA
POST ポスト
M2.6X6-4.8 A2J (Triva
2
N014
N510018131AA
FLUSH HEAD SCREW サラコネシ
゙
M5X25-10.9 A2J (Triva
2
N501
N510017399AA
HEX. SOCKET HEAD CAP BOLT ロッカクアナツキボルト
3 10H A2J (Trivalent)
4
N503
N510018494AA
ROUND PLAIN WASHER ミガキマルヒラザガネ
M3X5-10.9 A2J (Trival
16
N506
N510017333AA
HEX. SOCKET HEAD CAP BOLT ロッカクアナツキホ
゙ルト
M6X16-10.9 A2J (Triva
2
N511
N510017433AA
HEX. SOCKET HEAD CAP BOLT ロッカクアナツキホ
゙ルト
M4X6-10.9 A2J (Trival
2
N514
N510017376AA
HEX. SOCKET HEAD CAP BOLT ロッカクアナツキボルト
4 10H A2J (Trivalent)
2
N515
N510018479AA
ROUND PLAIN WASHER コガカマルヒラザガネ
M3-6H-4T A2J (Trivale
8
N516
N510017849AA
HEXAGON NUT ロッカクナット
M6-6H-4T A2J (Trivale
1
N517
N510017867AA
HEXAGON NUT ロッカクナット
6 10H A2J (Trivalent)
2
N518
N510018501AA
ROUND PLAIN WASHER ミガキマルヒラザガネ
M4X10-10.9 A2J (Triva
2
N519
N510017344AA
HEX. SOCKET HEAD CAP BOLT ロッカクアナツキボルト
M4-6H-4T A2J (Trivale
1
N520
N510017855AA
HEXAGON NUT ロッカクナット
M8-6H-4T A2J (Trivale
3
N521
N510017877AA
HEXAGON NUT ロッカクナット
M152
FN610074515AA_10-2

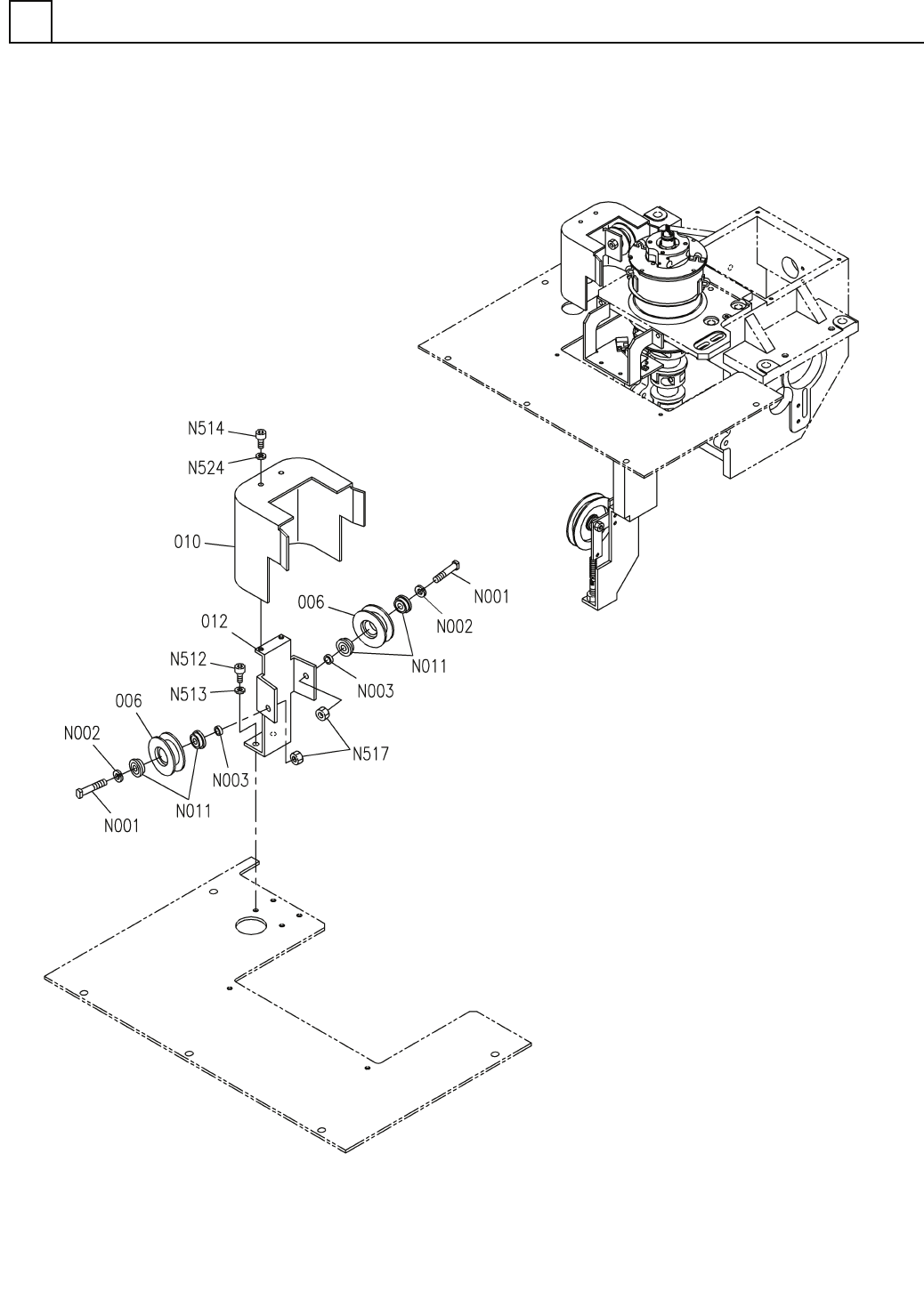
下部アンビル部(本体部3)
LOWER ANVIL SECT.(MAIN BODY SECT.-3)
10
FN610074515AA_10-3
M153

PART No.
イラスト
No.
REF
No.
PART NAME
REMARKS
Q'TY
10
下部アンビル部(本体部3)
LOWER ANVIL SECT.(MAIN BODY SECT.-3)
部 品 名 品 番 個数
備 考
R
1
R
2
2006 N210100289AA
PULLEY フ
゚ーリー
1
010 N210092119AA
COVER カバー
1
012 N210092123AA
BRACKET ブラケット
87RFN6-30
2
N001
N510038147AA
PIN ヒ
゚ン
WR7
2
N002
N508WR7
CLIP クリッフ
゚
87FWSSM-D8.0-V6.0-T3.
2
N003
N510037885AA
WASHER ワッシャ
F696ZZ
4
N011
KXF020RAA00
BEARING ベアリング
M5X10-10.9 A2J (Triva
2
N512
N510017386AA
HEX. SOCKET HEAD CAP BOLT ロッカクアナツキホ
゙ルト
5 10H A2J (Trivalent)
2
N513
N510018499AA
ROUND PLAIN WASHER ミガキマルヒラサ
゙ガネ
M4X6-10.9 A2J (Trival
2
N514
N510017376AA
HEX. SOCKET HEAD CAP BOLT ロッカクアナツキボルト
M6-6H-4T A2J (Trivale
2
N517
N510017867AA
HEXAGON NUT ロッカクナット
4 10H A2J (Trivalent)
2
N524
N510018497AA
ROUND PLAIN WASHER ミガ
キマルヒラザガネ
M154
FN610074515AA_10-3