FX-1_FX-1R-Rev07.pdf - 第122页
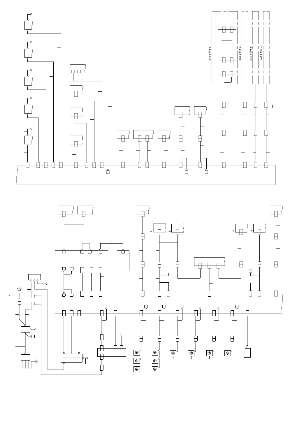
- 11 7 - 5 9 .SY S TE M DI AG RA M( 1) SYSTEM DIAGRAM(1) 5- 4C 5- 4B 5- 4B 5- 4C FD D CD -RO M 5- 2A 5- 2A CDPW R FDPWR P OWE R UN IT 1-2D 1-3A (RR) (RL) (FR) (FL) CN B RKT R R CN 0 47 P WR0 47 C N BR KT CN B RKT R L CN …

- 116 -
NOTE( 注記 ) #01....FOR EN EN 用
REF.NO NOTE PART NO D E S C R I P T I O N
品 名
Qty
1 400-73663 ANTENNA ARRAY 8.5MM PITCH / 40 POSITION
アンテナアレイ 8.5 MM ピッチ/40ポジション
1
2 400-81276 SHIELD BRACKET 40
シールドブラケット40
1
3 HX-0026800-00 CONDUCTIVE TAPE
導電性テープ
0.3
4 SM-3041052-TN SCREW M4 L=10
丸ねじ M 4 L =10
6
5 HX-0034400-00 HARNESS PARTS
束線パーツ
8
6 EA-9500B01-00 CABLE BAND
束線バンド
8
7 400-73996 CABLE SUPPORT BR
ケーブルサポートブラケット
1
8 HK-0651200-60 CONNECTOR
コネクタ
1
9
#01
400-73955 BANK COVER(EN-RFID)
バンクカバー(EN − RFID)
1
10
#01
400-73956 BANK FLAP(EN-RFID)
バンクフラップ(EN − RFID)
1
11 #01 SM-6030552-KS SCREW 平ねじ M 3 L =5 8
12
#01
NM-6030001-SC NUT M3
六角ナット M 3 X 0.5 1種
8
13
#01
SM-3041052-TN SCREW M4 L=10
丸ねじ M 4 L =10
4
14 400-01306 CABLE PROTECTOR SHEET プロテクトシート 2
15 HX-0031400-00 SPIRAL TABE
スパイラルチューブ
2
16 SL-4030891-SC SCREW M3X8
なべ小ねじセムス M 3 L =8
10

- 117 -
59.SYSTEM DIAGRAM(1)
SYSTEM DIAGRAM(1)
5- 4C
5- 4B
5- 4B
5- 4C
FD D
CD-ROM
5- 2A
5- 2A
CDPWR
FDPWR
POWER UNIT
1-2D
1-3A
(RR)
(RL)
(FR)
(FL)
CN BRKT RRCN047 PWR047 CN BRKT
CN BRKT RLCN043 PWR043 CN BRKT
CN BRKT FRCN046 PWR046 CN BRKT
CN BRKT FLCN042 PWR042 CN BRKT
FEEDER BANK PCBFEEDER I/F PCB
COVER
CN10
CN9
CN 751
C N75 0
C N670-1CN10-1
CN669-1CN9 -1
CN1CN6 61
CN 2CN662
5- 4D
LC D1 CN1
LCD(R)
FG
CN018CN072 PWR072
5- 3A
LC D1 CN1
LCD(F)
FG
CN017CN071 PWR 07 1
4-5B
OP11C N030 CN11PW R0 30
OP ER ATI ON P CB
CN033 PWR033 CV2CN2
4-3C
CV1CN018 CN1PWR 01 8
CONVEYOR PCB
2-2A
SI F2CN014 C N2PWR 01 4
SC AL E I /F P CB
2-4A
CENT3CN031 CN 3PWR 03 1
CENT DRV
2- 5A
AWCS3
C N020
CN 3
PW R0 20
AWCS DRV
2-5A
2-3A
STBL DRV
FG
FG FGFG FG
FG
FG
FG FG F G
2- 4A
YA DRV
PWR065C N06 5
2-2A
YBR DRV
PWR064C N06 4
2-1A
YBL DRV
PWR063C N06 3
2- 3A
XR DRV
PWR062C N06 2
2- 2A
2-4B
2-4B
3-4A
HEAD MAIN PCB L
CN814 HD L5
CN5
C N80 4PW R0 0 9C N009
3-4C
3- 2C
3- 2B
CN 42
CN41POS C41
PO SC 4 2
RS422R
RS 42 2L
HO UR ME TE R
HEAD MAIN PCB R
CN81 6
HD R5
CN5
CPCI BACK BOARD
CN04 1
FG
FG
FG
FG
FG
FG
FG
BAS E FA N(RL )
CN0 04 PW R0 06 C N006
BAS E FA N(RR )
B ASE FAN(F R)
CN0 05
CN0 03
PW R0 08
PW R0 07 C N007
C N008
PW R0 5 0CN 050 CN 020
PWR049CN0 49 CN019
5- 3B
CPU CO M1
CN 806
PWR01 0
B-C NP1
CN P1
A-C NP1
CN P1
AWCC3
CN019
B- CNP1
CN P1
A-C NP1
CN P1
2-2B
PO SIT IO N C NN PCB
P OSC1
CN1PWR024
CN3
PWR045CN0 45
RZ
34 DRV
PWR 01 9
PW R011
PW R0 4 0
PWR 02 1
CN0 08
C N007
3- 2A
3-2A
RZ
12 DR V
LZ
34 DRV
LZ 12 DRV
CN04 0
AWCC DRV
CN011
CN021
CN010
CN 024
TB1
FG
A C PW R I NP T UN IT
CAP ACI TOR
PWR069
PW R0 70
PWR068
C N06 9
C N070
CN0 21
PWR0 01
COVER TOP FAN
CN001
CN001
BA SE F AN(F L)
PE
C N03 7
UPSOUT
C N06 6PWR066
CN 067PWR067
UPS SW
CN0 06
CN0 02
VME3PWR039 CN3CN0 39
VME2PWR038 CN2CN0 38
PW R0 03
PWR 06 1CN061
FG
VME1PW R04 1
PW R0 02
C N06 8
FG
FG
PE
50A
C N003
CN1
CO NT ROL U NI T TO P FA N
C N002
VME BACK BOARD
TB 2
TB1
UP S
POWER UNIT
TF 1
XL DRV
MAIN SW
N OISE FIL TER
NFB01
IN PUT
L3
L2
L1
1
2
3
45
6
7
9
10
11 13
12
14
15 16 18
17 19
21 23 25 27
20 22 24 26 28 29
30
31 33
36
32
34 37
35
38 41
4239
40
43 45
44
47 48
49
50
46
51
52
53
54
55
56
60
59
58
57
61
62
63
64
65
66 67 68 69 70
71 73
72
74
75
82 83 85
77
76
84
78 80
8179
86
87
8

- 118 -
REF.NO NOTE PART NO D E S C R I P T I O N
品 名
Qty
1 L800E-121-0A0 NFB OUTPUT CABLE ASM
NFB 出力ケーブル組
1
2 L839E-021-0A0 POWER CAPACITOR ASM パワーコンデンサー組 1
3 L800E-521-0A0 NF FG CABLE ASM
NF FG 束線組
1
4 L800E-721-0A0 POWER ON LAMP RELAY CABLE ASM
パワーオンランプリレー束線組
1
5 L800E-221-0A0 NF OUTPUT CABLE ASM
NF 出力束線組
1
6 L800E-821-0A0 POWER ON LAMP 200V CABLE ASM
パワーオンランプ 200 V 束線組
1
7 L804E-921-0A0 POWER ON LAMP 400V CABLE ASM パワーオンランプ 400 V 束線組 1
8 400-31103 MAIN SW OUTPUT CABLE ASM
メインスイッチ出力ケーブル組
1
9 L800E-321-0A0 UPS SWITCH CABLE ASM
UPS スイッチ束線組
1
10 400-30688 AC POWER INPUT UNIT OUTPUT CABLE ASM
AC パワー入力ユニット出力ケーブル組
1
11 L822E-621-0A0 TF1 OUTPUT CABLE (200V) ASM
TF 1 出力束線(200 V)組
1
12 L822E-721-0A0 TF1 OUTPUT CABLE (34V) ASM TF 1 出力束線(34 V)組 1
13 L822E-821-0A0 TF1 OUTPUT CABLE (100V) ASM
TF 1 出力束線(100 V)組
1
14 L800E-621-0A0 TF1 FG CABLE ASM
TF 1 FG 束線組
1
15 L803E-721-0A0 UPS POWER INPUT CABLE ASM
UPS パワー入力束線組
1
16 L803E-821-0A0 UPS POWER OUTPUT CABLE ASM
UPS パワー出力束線組
1
17 L804E-821-0A0 COVER TOP FAN ASM カバートップファン組 1
18 L804E-721-0A0 COVER TOP FAN CABLE ASM
カバートップファン束線組
1
19 L801E-821-0A0 CONTROL UNIT TOP FAN CABLE ASM
コントロールユニットトップファン束線組
1
20 L801E-521-0A0 CONTROL UNIT TOP FAN RELAY CABLE ASM
コントロールユニットトップファンリレー束線組
1
21 L801E-621-0A0 BASE FAN (FL) ASM
ベースファン(FL)組
1
22 L838E-721-0A0 BASE FAN RELAY CABLE (FL) ASM ベースファンリレー束線(FL)組 1
23 L804E-421-0A0 BASE FAN (FR) ASM
ベースファン(FR)組
1
24 L804E-221-0A0 BASE FAN RELAY CABLE (FR) ASM
ベースファンリレー束線(FR)組
1
25 L801E-721-0A0 BASE FAN (RL) ASM
ベースファン(RL)組
1
26 L838E-821-0A0 BASE FAN RELAY CABLE (RL) ASM
ベースファンリレー束線(RL)組
1
27 L804E-521-0A0 BASE FAN (RR) ASM ベースファン(RR)組 1
28 L804E-321-0A0 BASE FAN RELAY CABLE (RR) ASM
ベースファンリレー束線(RR)組
1
29 L805E-021-0A0 HOUR METER CABLE ASM
アワーメーター束線組
1
30 400-30689 AC POWER INPUT UNIT FG CABLE ASM
AC パワー入力ユニット FG ケーブル組
1
31 L800E-921-0A0 VME BOARD POWER CABLE ASM
VME ボードパワー束線組
1
32 400-25313 CD FDD POWER CABLE ASM CD FDD パワーケーブル組 1
33 L801E-021-0A0 POWER MONITOR CABLE ASM
パワーモニターケーブル組
1
34 L803E-621-0A0 5-24V COMMON SHORT CABLE ASM
5−24 V COMMON SHORT 束線組
1
35 L801E-121-0A0 FEEDER BANK DATA CABLE (F) ASM
フィーダー バンクデータ束線(F)組
1
36 L801E-221-0A0 FEEDER BANK DATA CABLE (R) ASM
フィーダー バンクデータ束線(R)組
1
37 L801E-921-0A0 CPCI BOARD POWER ASM
CPCI ボードパワー組
1
38 L817E-721-0A0 L-HEAD POWER CABLE ASM L − HEAD パワー束線組 1
39 L835E-621-0A0 XYL-2 FLAT CABLE ASM
XYL −2 FLAT ケーブル組
1
40 L819E-321-0A0 L-HEAD POWER CABLE (2) ASM
L − HEAD パワー束線(2)組
1
41 L805E-421-0A0 LZT DRV POWER RELAY CABLE ASM
LZT ドライブパワーリレーケーブル組
1
42 L835E-521-0A0 XYL-1 FLAT CABLE ASM
XYL −1 FLAT ケーブル組
1
43 L815E-321-0A0 LZT RS422 CABLE ASM LZT RS 422ケーブル組 1
44 L811E-021-0A0 POSITION I/F PCB POWER CABLE ASM
ポジション I / F PCB パワー束線組
1
45 L815E-421-0A0 RZT RS422 CABLE ASM
RZT RS 422ケーブル組
1
46 L835E-721-0A0 XYR-1 FLAT CABLE ASM
XYR −1 FLAT ケーブル組
1
47 L805E-521-0A0 RZT DRV POWER RELAY CABLE ASM
RZT ドライブパワーリレーケーブル組
1
48 L819E-621-0A0 R-HEAD POWER CABLE ASM R − HEAD パワー束線組 1
49 L835E-821-0A0 XYR-2 FLAT CABLE ASM
XYR −2 FLAT ケーブル組
1
50 L819E-921-0A0 R-HEAD POWER CABLE (2) ASM
R − HEAD パワー束線(2)組
1
51 L803E-021-0A0 YA DRV POWER CABLE ASM
YA ドライブパワーケーブル組
1
52 L803E-521-0A0 YA DRV FG CABLE ASM
YA ドライブ FG ケーブル組
1
53 L803E-321-0A0 YBL DRV FG CABLE ASM YBL ドライブ FG ケーブル組 1
54 L803E-421-0A0 YBR DRV FG CABLE ASM
YBR ドライブ FG ケーブル組
1
55 L803E-121-0A0 XL DRV FG CABLE ASM
XL ドライブ FG ケーブル組
1
56 L803E-221-0A0 XR DRV FG CABLE ASM
XR ドライブ FG ケーブル組
1
57 L802E-821-0A0 YBL DRV POWER CABLE ASM
YBL ドライブパワーケーブル組
1
58 L802E-921-0A0 YBR DRV POWER CABLE ASM YBR ドライブパワーケーブル組 1
59 L802E-621-0A0 XL DRV POWER CABLE ASM
XL ドライブパワーケーブル組
1
60 L802E-721-0A0 XR DRV POWER CABLE ASM
XR ドライブパワーケーブル組
1
61 L809E-721-0A0 CENT-DRV PWR CABLE ASM
CENT-DRV パワーケーブル組
1
62 L805E-721-0A0 AWCC DRV POWER CABLE ASM
AWCC ドライブパワーケーブル組
1
63 L805E-821-0A0 AWCS DRV POWER CABLE ASM AWCS ドライブパワーケーブル組 1
64 L805E-621-0A0 SUPPORT TABLE DRV POWER CABLE ASM
サポートテーブルドライブパワーケーブル組
1
65 L805E-921-0A0 SUPPORT TABLE DRV FG CABLE ASM
サポートテーブルドライブ FG ケーブル組
1
66 L805E-121-0A0 SCALE I/F PCB POWER CABLE ASM
スケール I / F PCB パワー束線組
1
67 L822E-921-0A0 CONVEYOR MOTOR POWER CABLE ASM
コンベアモータパワー束線組
1
68 L823E-021-0A0 CONVEYOR PCB POWER CABLE ASM
コンベア PCB パワー束線組 1
69 L833E-321-0A0 OPERATION PCB POWER CABLE ASM
オペレーション PCB パワー束線組
1
70 L806E-621-0A0 LCD POWER CABLE (F) ASM
LCD パワー束線(F)組
1
71 L806E-021-0A0 F-LCD POWER CABLE ASM
F − LCD パワー束線組
1
72 L806E-721-0A0 LCD POWER CABLE (R) ASM
LCD パワー束線(R)組
1
73 L806E-121-0A0 R-LCD POWER CABLE ASM R − LCD パワー束線組 1
74 400-29828 CONNECTOR BRKT POWER CABLE (FL) ASM コネクタブラケット電源束線 FL 組 1
75 400-29833 BANK CNCT BRKT CABLE ASM
コネクタブラケット電源束線組
1
76 400-29829 CONNECTOR BRKT POWER CABLE (FR) ASM
コネクタブラケット電源束線 FR 組
1
77 400-29833 BANK CNCT BRKT CABLE ASM
コネクタブラケット電源束線組
1
78 400-29830 CONNECTOR BRKT POWER CABLE (RL) ASM
コネクタブラケット電源束線 RL 組
1
79 400-29833 BANK CNCT BRKT CABLE ASM コネクタブラケット電源束線組 1
80 400-29831 CONNECTOR BRKT POWER CABLE (RR) ASM
コネクタブラケット電源束線 RR 組
1
81 400-29833 BANK CNCT BRKT CABLE ASM
コネクタブラケット電源束線組
1
82 L822E-521-0A0 FEEDER CHANGE TROLLEY CABLE FL ASM
フィーダチェンジトロリー束線組
1
83 L822E-521-0A0 FEEDER CHANGE TROLLEY CABLE FL ASM
フィーダチェンジトロリー束線組
1
84 L822E-521-0A0 FEEDER CHANGE TROLLEY CABLE FL ASM フィーダチェンジトロリー束線組 1
85 L822E-521-0A0 FEEDER CHANGE TROLLEY CABLE FL ASM
フィーダチェンジトロリー束線組
1
86 E9378-721-0A0 FEEDER BANK CABLE 5 ASM
フィーダバンクケーブル5組
1
87 E9384-721-0A0 FEEDER BANK DC CABLE 5 ASM.
フィーダバンク DC ケーブル5組
1