FX-1_FX-1R-Rev07.pdf - 第125页
- 12 0 - R EF .N O N OT E PA RT NO D E S C R I P T I O N 品 名 Qt y 1 L8 06 E-82 1-0A 0 POSI TION BO AR D 1 OUT P UT CA BL E ( 1 ) ASM ポジションボード1出力ケーブル(1)組 1 2 L8 08 E-62 1-0A 0 POSI TION BO AR D 1 OUT P UT CA BL E ( 2 ) AS…

- 119 -
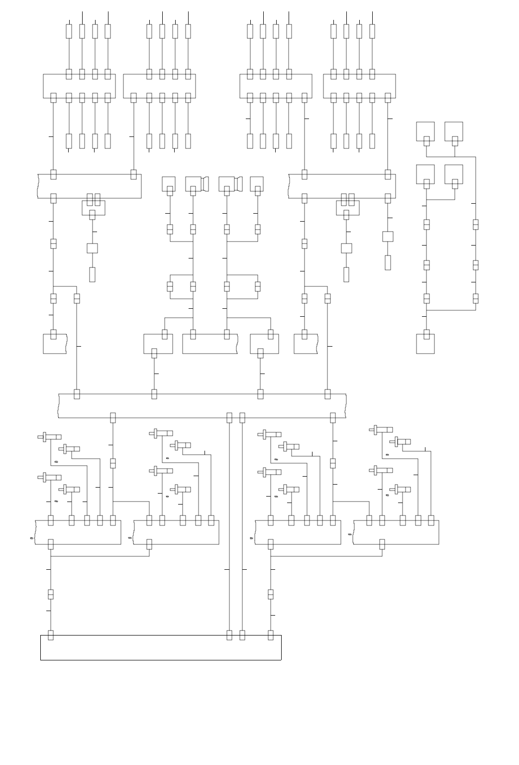
60.SYSTEM DIAGRAM(2)
SYSTEM DIAGRAM(2)
CENT DRV
AWCS DRV
AWCC DRV
STBL DRV
2-3A
2-4A
2-5A
2-5A
3- 2A
PO SIT ION CN N P CB
2-2D
AWCC MOTOR
AWCC MOTOR
CENT MOTOR
AWCS1 CN1 AWCS2CN2
POSC35CN 35
AWCS
POSC38CN38
CN130
AWCC2
POSC34
POSC37
CN 34
AWCC1CN 37 CN1
AWCC
C N12 5
CN 128C N12 7
CN2
CENT
STBL2 CN2
C ENT1CN131 C EN T 2
POSC33CN 33
POSC36CN 36
CN1 CN119
CN 122CN121
CN 124C N12 3
ENCODER
ST BL MO TO R
CN2
2-4A
YA DRV
MOTOR
YA2
CN118
CN117
YA
CN2
1-2 D
1-2 C
2-1A
2-3A
2-2A2-2A
XR MOTOR
XR DRV
CN020
CN103CN 2 XR2 X R2 C N2 CN104
I/F U NIT PE
FG
CN01 9
CN102CN101
XL MOTOR
XL DRV
XL2CN 2 XL 2 CN 2
I/F U NIT PE
FG
YBR DRV
YBR 1B CN1B
MOTOR
YBR
CN 11 1
CN112
I/F UNIT PE
FG
YBL1B
CN110
CN1B
MO TO R
YBL
CN109
PE I/F U NIT PE
YBL DRV
YBR2 CN2YBL2CN2YBL2CN 2 Y BL 2 CN 2
FG
IFYR1A CN 1A
CN7 SIF7
IFYL1A CN1ACN6 SIF6
I/F UNI T YRI/F UNIT YL
IFXR1A CN1ACN5 SIF5
IFXL1A CN1ACN4 SIF4
I/FUNITXR
I/FUNITXL
YR
YL
XR
XL
YR
YL
XR
XL
YR SCALE HEAD
Y R YR(CN17)
YL SCALE HEAD
Y L YL(CN16)
XR SCALE HEAD
X R XR(CN15)
XL SCALE HEAD
X L XL(CN14)
CN 8
CN 9
SIF9
SIF8
CN1 60
YBR ORG SENSOR
C N159
YBL ORG SENSOR
SCA LE I /F P CB
1- 4B
POSC22 CN22
P OSC1 5 CN 15
POSC25CN150AWCS NEAR SENSOR CN25
CN13 4 P OSC1 6 CN 16YBL +L IM IT SEN SOR
CN141
CN 149
CN 148 CN 147 P OS C2 4 CN 2 4
AWCC NEAR SENSOR
STBL NEAR SENSOR
CN14 5
CN13 9
POSC23CN14 6
CN14 4 P OSC2 1
P OSC1 9
CN140
CN13 5
CN13 3
P OSC1 7
CN23
CN 21
CN 19
CN 17
YBL -L IM IT SEN SOR
YA -LI MI T S ENS OR
YA +LI MI T S ENS OR
YA NE AR S E NS OR
X C L IMI T SEN SOR
YB L N EA R S EN SO R
POS1DI PO SC 2 CN2DI /EMG CN29 POSC29 SIF10 CN10
POS ITI ON CN N P CB
S IF1 1 C N1 1
XS2 CN2XL NEAR SENSOR
XS4 CN4C N142XR NEAR SENSOR
XS1
XS5
XS3
CN 5
CN 3
CN1
SENSOR RELAY PCB
C N143
CN 136
XR +LI MIT S ENS OR
XL -LI MIT S ENS OR
1- 2C
2-3C
CENT DRV AWCS DRVAWCC DRV
TN
1-4A
2- 3D
1-4A
2-3C
1-4A
2- 3C
YA DRV
1-4A
2- 5B
STBL DRV
1-5A
2- 3C
N2N1AW CS N 1AWCCN2N2N1STB L1B AWCCN1CN1BCN1A CENTN2N2N1CENT N1YA1BYA 1A
P OS12
STB L1A CN1BCN1A
CH 2
1 -5A
2-3B
1 -5A
2- 3B
1 -4A
2-5A
1 -4A
2- 3A
TN
XR1A
XR DRV
CN1BC N1AXL2A
XL DRV
CN1BC N1AYBR 1AY BL1B XL1 APOS11CH1 YBL 1A Y BR1B
YBL DRV
CN1BC N1A
YBR DRV
CN1BC N1A
P OSITION PCB 1
1
2
3
4
5
6
7
8
9
10
11
12
13
14
15
16
17
18
19
20
21
22
23
24
25
26 27 29 31 32 35
34 37
28 30 33 36
38
39
40
42
41
43
51
50
49
48
44 45
46
47
52
53
56
54
55
57
58
59
60
61
64
62
63
65
66
67
74
75
76
68
69
70
71
72
73
77
78
79
80
81
82
83
84
85
86
87
88
89
90
91
92
93
94
95
96
97
98

- 120 -
REF.NO NOTE PART NO D E S C R I P T I O N
品 名
Qty
1 L806E-821-0A0 POSITION BOARD1 OUTPUT CABLE(1) ASM ポジションボード1出力ケーブル(1)組 1
2 L808E-621-0A0 POSITION BOARD1 OUTPUT CABLE(2) ASM ポジションボード1出力ケーブル(2)組 1
3 L807E-721-0A0 YBL DRV OUTPUT CABLE ASM YBL ドライブ出力ケーブル組 1
4 L807E-021-0A0 YBR DRV OUTPUT CABLE ASM YBR ドライブ出力ケーブル組 1
5 L806E-921-0A0 XL DRV OUTPUT CABLE ASM
XL ドライブ出力ケーブル組
1
6 400-44418 SENSOR_UNIT_PSLH017
センサユニット
1
7 400-24265 YL P-P LINEAR SENS CABLE ASM
YL P − P リニアセンサケーブル組
1
8 400-24261 YL P-S LINEAR SENS CABLE ASM
YL P − S リニアセンサケーブル組
1
9 L814E-121-0A0 YBL ORG SENSOR ASM
YBL ORG センサ組
1
10 L814E-221-0A0 YBL ORG SENSOR CABLE ASM
YBL ORG センサ束線組
1
11 L814E-321-0A0 YBR ORG SENSOR ASM
YBR ORG センサ組
1
12 L814E-421-0A0 YBR ORG SENSOR CABLE ASM
YBR ORG センサ束線組
1
13 400-44418 SENSOR_UNIT_PSLH017
センサユニット
1
14 400-24266 YR P-P LINEAR SENS CABLE ASM YR P − P リニアセンサケーブル組 1
15 400-24262 YR P-S LINEAR SENS CABLE ASM YR P − S リニアセンサケーブル組 1
16 400-44417 SENSOR_UNIT_PSLH016 センサユニット 1
17 400-24263 XL P-P LINEAR SENS CABLE ASM XL P − P リニアセンサケーブル組 1
18 400-24259 XL P-S LINEAR SENS CABLE ASM XL P − S リニアセンサケーブル組 1
19 400-44416 SENSOR_UNIT_PSLH015
センサユニット
1
20 400-24264 XR P-P LINEAR SENS CABLE ASM
XR P − P リニアセンサケーブル組
1
21 400-24260 XR P-S LINEAR SENS CABLE ASM
XR P − S リニアセンサケーブル組
1
22 L813E-221-0A0 POSITION BOARD1 DI INPUT CABLE ASM
ポジションボード1 DI 入力ケーブル組
1
23 L814E-021-0A0 X SENSORS CABLE (2) ASM
X センサ束線(2)組
1
24 L811E-521-0A0 YBL NEAR SENSOR ASM
YBL ニアセンサ組
1
25 L811E-421-0A0 YB NEAR SENSOR CABLE ASM
YB ニアセンサ束線組
1
26 L811E-121-0A0 YBL -LIMIT SENSOR ASM
YBL マイナスリミットセンサ組
1
27 L811E-321-0A0 YBL PLUS LIMIT SENSOR ASM
YBL プラスリミットセンサ組
1
28 L811E-221-0A0 YBL PLUS LIMIT SENSOR CABLE ASM YBL プラスリミットセンサ束線組 1
29 L812E-321-0A0 YA NEAR SENSOR ASM YA ニアセンサ組 1
30 L812E-221-0A0 YA NEAR SENSOR CABLE ASM YA ニアセンサ束線組 1
31 L812E-421-0A0 YA -LIMIT SENSOR ASM YA マイナスリミットセンサ組 1
32 L812E-621-0A0 YA PLUS LIMIT SENSOR ASM YA プラスリミットセンサ組 1
33 L812E-521-0A0 YA PLUS LIMIT SENSOR CABLE ASM
YA プラスリミットセンサ束線組
1
34 L812E-821-0A0 SUPPORT TABLE NEAR SENSOR ASM
サポートテーブルニアセンサ組
1
35 L835E-921-0A0 YA-1 FLAT CABLE ASM
YA −1 FLAT ケーブル組
1
36 L812E-721-0A0 STBL/AWCC SENSOR CABLE ASM
STBL / AWCC センサケーブル組
1
37 L812E-921-0A0 AWCC NEAR SENSOR ASM
AWCC ニアセンサ組
1
38 L813E-121-0A0 AWCS NEAR SENSOR ASM
AWCS ニアセンサ組
1
39 L813E-021-0A0 AWCS NEAR SENSOR CABLE ASM
AWCS ニアセンサ組
1
40 L811E-921-0A0 XC LIMIT SENSOR ASM
XC リミットセンサ組
1
41 L813E-521-0A0 XC LIMIT SENSOR CABLE (2) ASM
XC リミットセンサ束線(2)組
1
42 L835E-621-0A0 XYL-2 FLAT CABLE ASM
XYL −2 FLAT ケーブル組
1
43 L811E-621-0A0 XC LIMIT SENSOR CABLE (1) ASM XC リミットセンサ束線(1)組 1
44 L811E-721-0A0 XL NEAR SENSOR ASM XL ニアセンサ組 1
45 L811E-821-0A0 XL -LIMIT SENSOR ASM XL マイナスリミットセンサ組 1
46 L812E-021-0A0 XR NEAR SENSOR ASM XR ニアセンサ組 1
47 L813E-321-0A0 XR NEAR SENSOR CABLE ASM
XR ニアセンサ束線組
1
48 L812E-121-0A0 XR PLUS LIMIT SENSOR ASM
XR プラスリミットセンサ組
1
49 L813E-421-0A0 XR PLUS LIMIT SENSOR CABLE ASM
XR プラスリミットセンサ束線組
1
50 L836E-121-0A0 YL-2 CABLE ASM
YL −2束線組
1
51 L813E-921-0A0 X SENSORS CABLE (1) ASM
X センサ束線(1)組
1
52 L814E-721-0A0 SCALE PCB YBL OUTPUT CABLE ASM
スケール基板 YBL 出力ケーブル組
1
53 L808E-521-0A0 I/F UNIT YBL OUTPUT CABLE ASM
I / F ユニット YBL 出力ケーブル組
1
54 L805E-321-0A0 I/F UNIT FG CABLE ASM
I / F ユニット FG ケーブル組
1
55 L807E-921-0A0 YBL ENCODER CABLE ASM
YBL エンコーダケーブル組
1
56 L807E-821-0A0 YBL MOTOR POWER RELAY CABLE ASM
YBL モータパワーリレーケーブル組
1
57 L808E-321-0A0 YBL MOTOR ASM YBL モータ組 1
58 L810E-121-0A0 STBL DRV OUTPUT CABLE ASM STBL ドライブ出力ケーブル組 1
59 L808E-721-0A0 YA DRV OUTPUT CABLE ASM YA ドライブ出力ケーブル組 1
60 L808E-821-0A0 CENT MTR DRV OUTPUT CENT MTR ドライブ出力束線組 1
61 L810E-221-0A0 AWCC DRV OUTPUT CABLE ASM
AWCC ドライブ出力ケーブル組
1
62 L808E-421-0A0 I/F UNIT YBR OUTPUT CABLE ASM
I / F ユニット YBR 出力ケーブル組
1
63 L805E-321-0A0 I/F UNIT FG CABLE ASM
I / F ユニット FG ケーブル組
1
64 L808E-021-0A0 YBR MOTOR POWER RELAY CABLE ASM
YBR モータパワーリレーケーブル組
1
65 L808E-121-0A0 YBR ENCODER CABLE ASM
YBR エンコーダケーブル組
1
66 L808E-221-0A0 YBR MOTOR ASM
YBR モータ組
1
67 L814E-921-0A0 POSITION BOARD2 OUTPUT CABLE(1) ASM
ポジションボード2出力ケーブル(1)組
1
68 L814E-521-0A0 SCALE PCB XL OUTPUT CABLE ASM
スケール基板 XL 出力ケーブル組
1
69 L807E-521-0A0 I/F UNIT XL OUTPUT CABLE ASM
I / F ユニット XL 出力ケーブル組
1
70 L805E-321-0A0 I/F UNIT FG CABLE ASM
I / F ユニット FG ケーブル組
1
71 L807E-121-0A0 XL MOTOR POWER RELAY CABLE ASM XL モータパワーリレーケーブル組 1
72 L835E-521-0A0 XYL-1 FLAT CABLE ASM XYL −1 FLAT ケーブル組 1
73 L807E-221-0A0 XL LINEAR MOTOR ASM XL リニアモータ組 1
74 L809E-121-0A0 YA MOTOR POWER RELAY CABLE ASM YA モータパワーリレーケーブル組 1
75 L808E-921-0A0 YA ENCODER RELAY CABLE ASM
YA エンコーダリレーケーブル組
1
76 L809E-021-0A0 YA MOTOR ASM
YA モータ組
1
77 L814E-621-0A0 SCALE PCB XR OUTPUT CABLE ASM
スケール基板 XR 出力ケーブル組
1
78 L807E-621-0A0 I/F UNIT XR OUTPUT CABLE ASM
I / F ユニット XR 出力ケーブル組
1
79 L805E-321-0A0 I/F UNIT FG CABLE ASM
I / F ユニット FG ケーブル組
1
80 L807E-321-0A0 XR MOTOR POWER RELAY CABLE ASM
XR モータパワーリレーケーブル組
1
81 L835E-721-0A0 XYR-1 FLAT CABLE ASM
XYR −1 FLAT ケーブル組
1
82 L807E-421-0A0 XR LINEAR MOTOR ASM
XR リニアモータ組
1
83 L809E-621-0A0 STBL_DRV I/F CABLE ASM
STBL ドライブ I / F ケーブル組
1
84 L809E-321-0A0 STBL-MTR CABLE ASM
STBL − MTR ケーブル組
1
85 L835E-921-0A0 YA-1 FLAT CABLE ASM YA −1 FLAT ケーブル組 1
86 L900E-421-000 2 PHASE STEPPING MOTOR 2相ステッピングモータ 1
87 L809E-921-0A0 STBL-ENC CABLE ASM STBL − ENC ケーブル組 1
88 L809E-521-0A0 STBL ENC ASM STBL ENC 組 1
89 L809E-821-0A0 CENT-DRV I/F CABLE ASM
CENT − DRV I / F ケーブル組
1
90 L809E-221-0A0 CENT-MTR CABLE ASM
CENT − MTR ケーブル組
1
91 L810E-421-0A0 AWCC_DRV I/F CABLE ASM
AWCC ドライブ I / F ケーブル組
1
92 L810E-021-0A0 AWCC-MTR CABLE ASM
AWCC − MTR ケーブル組
1
93 L810E-521-0A0 AWCC ENC CABLE ASM
AWCC ENC ケーブル組
1
94 L900E-321-000 2 PHASE STEPPING MOTOR(ENCODER)
2相ステッピングモータ(エンコーダ付き)
1
95 L810E-721-0A0 AWCS_DRV I/F CABLE ASM
AWCS ドライブ I / F ケーブル組
1
96 L810E-321-0A0 AWCS-MTR CABLE ASM
AWCS − MTR ケーブル組
1
97 L810E-821-0A0 AWCS ENC CABLE ASM
AWCS ENC ケーブル組
1
98 L900E-321-000 2 PHASE STEPPING MOTOR(ENCODER)
2相ステッピングモータ(エンコーダ付き)
1

- 121 -
61.SYSTEM DIAGRAM(3)
SYSTEM DIAGRAM(3)
4-2D
SENSOR
SENSOR
MN LA(R)
OCC-R
CN824CN823
C N82 0
MCM_R
LA_R
IPX 5 CN8 12
OCC(R)
CN5
OCC(L)
MN LA(L)
CN822C N821
MCM_L
LA_L
CN 819IPX 4 CN811 OCC -LCN4
5-2A
I P-X P CB
ENCODERS
ENCODERS
MC MRCN8 POSC8
MC MR P CB(R )
MCM R PC B(L)
MC MLC N 7 PO SC 7
SENSOR HEAD
AM P
BAD MARK SENSOR
HEI GH T SE NS OR
CN 9HDR9
CN6 POSC6
HDSB4
HDSB5
HDSB3
HDSB2
HDSB8
HDSB9
HDSB7
HDSB6Z3 ORG SENSOR
Z4 ORG SENSOR
Z4 BLW SOLV
Z4 VAC SOLV
Z4 PRESSURE SENSOR
Z3 BLW SOLV
Z3 VAC SOLV
Z3 PRESSURE SENSOR
HDL3 HDSB1CN 3
CN2
CN3
CN 5
CN 4
CN6
CN7
CN 9
CN 8
CN1
SENSOR RELAY PCB
HDSA4
HDSA5
HDSA3
HDSA2 CN2
CN3
CN 5Z2 OR G SE NS OR
Z2 BLW SOLV
Z2 VAC SOLV
CN 4
Z2 PRESSURE SENSOR
SENSOR RELAY PCB
HDSA8
HDSA9CN6
CN7
CN 9
CN 8HDSA7
HDSA6Z1 OR G SE NS OR
Z1 BLW SOLV
Z1 VAC SOLV
Z 1 PR ES SUR E SE NS OR
H DSA1HDL2 CN1CN 2
CN 2CN852SENSOR HEAD
AM P
HE IGH T
SE NSO R PC B
1 -3D
4- 1A
C N815
CN 80 2
BS 5 CN 80 5 HDR 1CN1
HE AD M AIN P CB(R )
CN5
BASE-FEEDER PCB
HDSB4
HDSB5
HDSB3
HDSB2
HDSB8
HDSB9
HDSB7
HDSB6Z3 OR G SE NS OR
Z4 OR G SE NS OR
Z4 BLW SOLV
Z4 VAC SOLV
Z4 PRESSURE SENSOR
Z3 BLW SOLV
Z3 VAC SOLV
Z3 PRESSURE SENSOR
HDL3 HDSB1CN 3
CN2
CN3
CN5
CN4
CN6
CN7
CN9
CN8
CN1
SENSOR RELAY PCB
HDSA4
HDSA5
HDSA3
HDSA2 CN2
CN3
CN 5
Z2 ORG SENSOR
Z2 BLW SOLV
Z2 VAC SOLV
CN 4
Z2 PRESSURE SENSOR
SENSOR RELAY PCB
HDSA8
HDSA9CN6
CN7
CN 9
CN 8HDSA7
HDSA6Z1 OR G SE NS OR
Z1 BLW SOLV
Z1 VAC SOLV
Z 1 PR ES SU RE SE NS OR
HD SA1HDL2 CN1CN 2
CN2CN852SE NS OR H E AD
AM P
HEIGHT
SENSOR PCB
1 -3B
4- 1A
CN5
C N813
CN801POSC5
IO5 C N80 3 HD L1 CN1
HEAD MAI N PC B(L)
CN5
I /O C ON TR OL PC B
CN 1
CN1
CN1
CN1
OCC LI GHT A(R )
OC C L IGH T V (R )
CN8 18
CN8 17LC1CN1
CN 81 0
OCCLA
OCCLV
OC CL A
OCCLVC N80 8
C N80 9
OCC LIGHT A( L)
O CC LIG HT V(L )
C N80 7
LI GHT C NT L PC B
CN 3 RZ B3
CN 3 RZ A3 CN4 0C N2 3 7 PO SC 40
2- 3D
CN 39C N 23 5 PO SC 39
CN 3 LZ B3
CN 3 LZ A3
4 MOTOR
Z4 MO TO R
3 MOTOR
Z3 MOTOR
1-3D
CNP2D
CNP2C
CNP2B
CN2PA
CNP2D
CNP2C
CNP2B
CN2PA
2 MOTOR
Z 2 MO TO R
1 MOT OR
Z1 MOT OR
1-3D
CN1
CN1
4 MOTOR
Z 4 MO TO R
3 MOTOR
Z3 MOTOR
1-3C
LZBD
LZBC
LZBB
LZBA
LZAD
LZAC
LZAB
LZ AA
CNP2D
CNP2C
CNP2B
CN2PA
CNP2D
CNP2C
CNP2B
CN2PA
2 MOTOR
Z2 MOTOR
1 MOTOR
RZBD
RZBC
RZBB
RZBA
RZAD
RZAC
RZAB
RZ AA
Z1 MOT OR
1-3CPO SI TIO N P CB 2
POSC4POS 2DI 34
POS2DI12
CN4DI/ EM G 3 4
POSC3 CN3
P OS ITI ON CNN PC B
DI/EMG 12
R ZB1
R ZA1
RZ
34 DRV
RZ
12 DRV
L ZB1
L ZA1
C N20 2
CN201 CN1
CN1
POS234
PO S21 2
LZ
34 DRV
LZ
12 DRV
CH3/CH4
CH1/CH2
1
2
345
67
8
9
10
11
12
13 14
15
16
17
18
19
20
21
22
23
24
25
26
27
28
29
30
31
32 40
45
33 37
34 38
35 36 39 41
42
43
44
48
49
50
51
52
53
54
47
46
55
56 59
57
58
60
61
64
65
67
68
70
71
73
74
77
78
79
81
8269
62
75
63 66 72 76 80