RS-1-Rev01 - 第106页
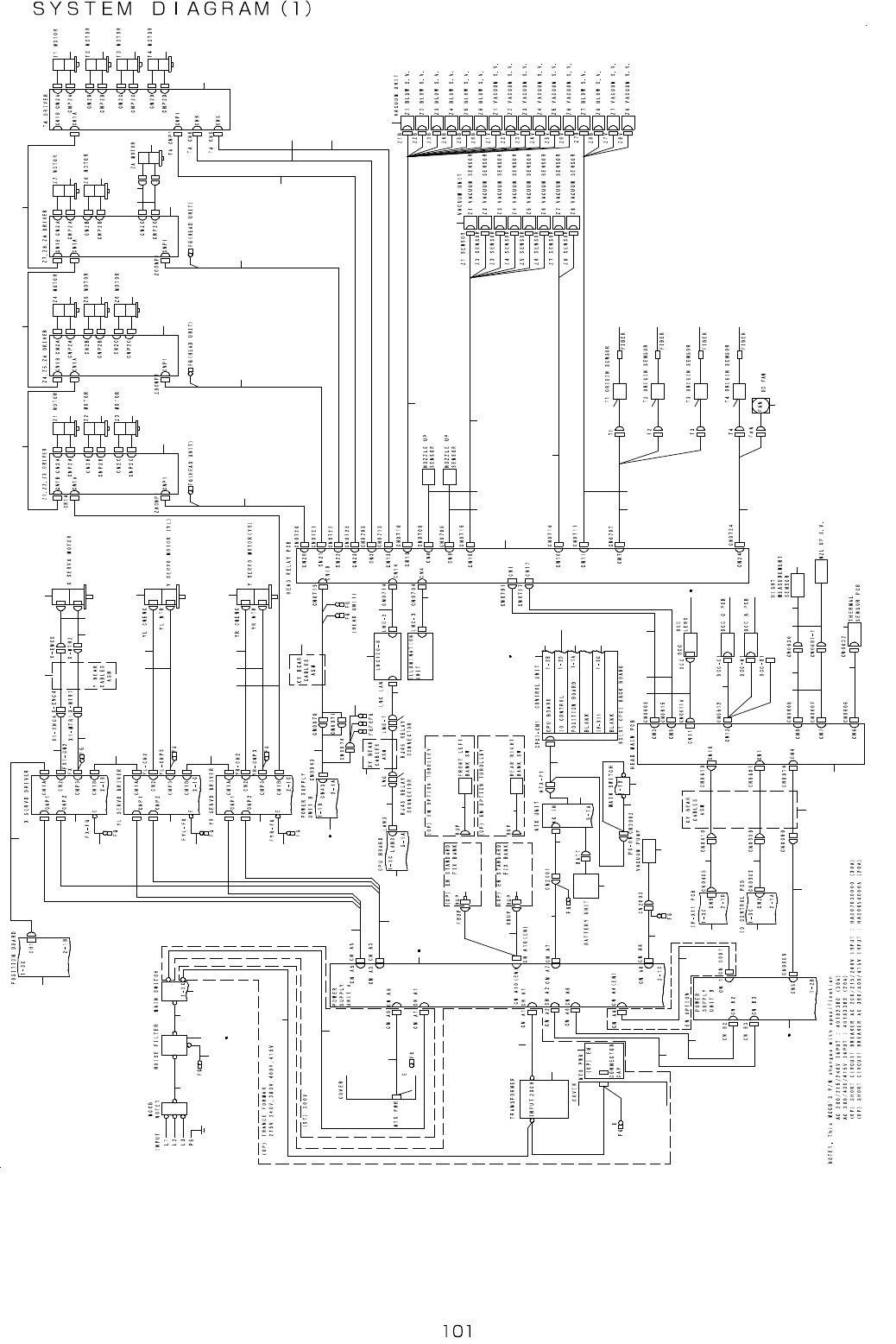
- - 51. S YSTE M DI AGR AM ( 1) 1 2 3 5 6 7 8 9 1 0 1 1 1 6 1 1 2 0 1 2 1 2 1 3 1 4 1 5 1 5 1 7 1 8 1 9 2 1 2 2 2 6 2 3 2 4 2 5 2 7 3 4 2 9 3 0 3 1 3 3 3 5 3 6 3 7 4 1 4 2 4 3 4 4 5 0 4 8 4 9 7 1 7 2 2 3 4 7 6 8 6 9 3 …

- -
REF.NO NOTE PART NO D E S C R I P T I O N Qty
1 EZ-1458644-11 READER BAR CODE 2
2 401-73414 BARCODE_READER_BR 2
3 401-73415 BARCODE_READER_HOOK 2
4 401-73482 USB BARCORD READER CABLE(4M) 2
5 401-58914 BRB_MAGNET 2
6 401-86831 ETF_POSITION_BARCODE_SEAL 2
7 401-73416 USB_BR_A 1
8 401-73417 USB_BR_B 1
9 401-73481 USB REPEATER CABLE 1
10 SL-4030891-SC SCREW M3X8 4
11 HX-0066900-00 GROMMET 0.05
12 401-75871 DUMMY_USB_BR 1

- -
51. SYSTEM DIAGRAM (1)
1
2
3
5
6
7
8
9
1 0
1 1
1 6
1 1
2 0
1 2 1 2
1 3
1 4
1 5 1 5
1 7
1 8
1 9
2 1 2 2
2 6
2 3
2 4
2 5
2 7
3 4
2 9 3 0
3 1
3 3
3 5
3 6
3 7
4 1
4 2
4 3
4 4
5 0
4 8 4 9
7 1 7 2
2 3
4 7
6 8
6 9
3 3
4 6
5 9
5 1
5 3
5 5
5 6
5 7
5 8
6 2 6 7
5 1
4 9
1 4 8
7 5
7 4
7 6
7 7
7 8 7 9 8 0 8 1
8 2
8 4
8 6
8 3
8 5
8 8
8 7
7 3
1 2
1 2
1 2
9 1
9 0 9 0 9 0
9 09 09 0
9 1
9 1
9 0 9 0
9 4
9 2
9 3
9 69 69 69 6
9 5
9 7
9 8
9 9
1 0 0
1 0 1 1 0 2
1 0 3
1 0 4
1 0 5
1 0 6
6 3
6 4
5 4
7 0
6 5 6 5 6 5 6 5
6 6 6 6 6 6 6 6
8 9
1 0 7
1 0 7
6 1
6 0
2 8
5 3
5 2
2 3
1 1 1
4 0
3 8 3 9
2 1 2 2
4
3 2
1 0 8
1 1 0
1 1 0
1 0 9 1 0 9
4 5

- -
REF.NO NOTE PART NO D E S C R I P T I O N Qty
1 401-29648 POSITION BOARD 1
2 401-29627 OPTICAL FIBER CABLE 1M 1
3 401-29652 X AXIS DRIVER 1
4 401-82237 FX AMP-XY BEAR ENC CABLE ASM 1
5 401-82234 FX AMP-Y BEAR PWR CABLE ASM 1
6 401-82273 Y BEAR CABLE 1
7 401-29148 X-MOTOR ENC CABLE ASM 1
8 400-44546 X MTR PWR CABLE 1
9 401-29653 X AXIS MOTOR 1
10 401-82256 FX AMP-FG WIRE ASM 1
11 401-29654 Y AXIS DRIVER 1
12 401-29628 OPTICAL FIBER CABLE 0.15M 1
13 400-45401 YL ENC CABLE ASM 1
14 401-82269 YL MOTOR CABLE ASM 1
15 401-46348 Y AXIS SERVO MOTOR 1
16 401-82257 FYL AMP-FG WIRE ASM 1
17 400-45403 YR ENC CABLE ASM 1
18 401-82270 YR MOTOR CABLE ASM 1
19 400-48070 OPTICAL FIBER CABLE 7M 1
20 401-82258 FYR AMP-FG WIRE ASM 1
21 401-83536 POWER SUPPLY UNIT B ASM 1
22
#01
401-87824 POWER SUPPLY UNIT B ASM_EN 1
23 401-82272 XY BEAR CABLE 1
24 401-33060 XY BEAR AMP PWR-FG WIRE ASM 1
25 401-28874 HEAD RELAY PCB ASM 1
26 401-82243 EU TOP-F XY BEAR AMP PWR CABLE ASM 1
27 401-86992 BREAKER-NF WIRE ASM 1
28
#01
HK-0429900-7A CAP 1
29 401-91282 NOISE FILTER 1
30
#01
401-91283 NOISE FILTER 1
31 401-86994 NF-SW WIRE ASM 1
32
#01
401-88159 EU CN A4- CN0001 CABLE ASM(EN) 1
33 401-88712 SWITCH 1
34 401-28954 NF-FG WIRE ASM 1
35 401-86995 SW-TF/MTS WIRE ASM2 1
36 401-82231 MS-ELECTRICAL UNIT CABLE ASM 1
37 401-83500 MTS PWR CABLE ASM 1
38 401-83535 POWER SUPPLY UNIT A ASM 1
39
#01
401-87823 POWER SUPPLY UNIT A ASM_EN 1
40 401-82230 CN A3-AMP CNP2 CABLE ASM 1
41 401-91280 TRANSFORMER
1
42 401-83414 TRANS-EU CABLE ASM 1
43 401-82214 ELE UNIT CN A2-CN B3 CABLE ASM 1
44 401-82232 EU CN A6-EU CN B2 CABLE ASM 1
45 401-82255 EU TOP-ATX RELAY CABLE ASM 1
46 EZ-1756647-11 BATTERY PACK (BS06A-H24/2.5L) 1
47 401-82264 VACUUM PUMP RELAY WIRE ASM 1
48 401-90921 IP-X11 SET GEN ASM(RS-1) 1
49 401-28871 IO CONTROL PCB ASM 1
50 401-82240 EU TOP-F XY BEAR HDM PWR CABLE ASM 1
51 401-23242 CPU BOARD 1
52 401-36338 LAN CABLE 5M 1
53 HK-0849200-80 CONNECTOR 1
54 401-89336 HDR-Z VAC SENSOR CABLE ASM 1
55 401-82216 LNC LAN CABLE ASM 1
56 401-82791 LNC120-8 1
57 401-82217 LNC ENCODER CABLE ASM 1
58 401-82218 HDR-LNC LED CABLE ASM 1
59 401-86497 ATX RELAY-ATX 250V CABLE ASM 1
60 EZ-1468979-11 POWER (ENSP-300P-S20-11S) 1
61 401-72724 ATX-CPCI WIRE ASM3 1
62 401-83537 CTRL_UNIT_ASM 1
63 401-82220 HDR-SV CABLE ASM2 1
64 401-82558 CN0707 - T1/T2/T3 ORIGIN CABLE ASM 1
65 401-82560 T1/T2/T3/T4 ORIGIN SENSOR ASM 1
66 401-83385 FIBER UNIT 2M 1
67 401-72512 CPCI BACK BOARD 6SLOT 1
68 401-29244 VACUUM PUMP ASM 1
69 401-82233 ATX-SW CABLE ASM 1
70 401-82559 CN0724 - T4 ORIGIN CABLE ASM 1
71 401-82238 IPX-F XY BEAR CAMERA CABLE ASM 1
72 401-82239 IO-F XY BEAR SERIAL CABLE ASM 1
73 401-28873 HEAD MAIN PCB ASM 1
74 401-82241 HDM-HDR SERIAL CABLE ASM 1
75 401-29105 HDM-HDR PWR CABLE ASM 1
76 401-29102 HDM-OCC L CABLE ASM 1
77 401-29273 HDM-OCC LIGHT L CABLE ASM 1
78 401-29639 OCC 1
79 401-29640 OCC LENS 1
80 401-28879 OCC C PCB ASM 1
81 401-28878 OCC A PCB ASM 1
82 401-29106 HDM-HMS L RELAY CABLE ASM 1
83 401-29108 HMS CABLE ASM 1
84 401-85429 NZL-UP SV EXTENSION CABLE ASM 1
85 401-83349 NZL-UP SV CABLE ASM 1
86 401-86318 HDM-TMP SENSOR CABLE ASM 1
87 401-28883 THERMAL SENSOR PCB ASM 1
88 HD-0030600-00 SENSOR 1
89 401-19461 HEAD FAN MOTOR A ASSY 1
90 401-36334 SERVO MOTOR 30W 1
91 EZ-1492148-11 AMPLIFIER SERVO 1
92 401-82565 ZC CN2A CABLE ASM 1
93 401-82563 ZC CNP2A CABLE ASM 1
94 401-87431 SERVO MOTOR 30W 1
95 401-29650 4AXIS INTEGRAL TYPE T AXIS DRIVER 1
96 401-36335 SERVO MOTOR 30W 1
97 401-82252 HDR-ZA AMP PWR CABLE ASM 1
98 401-82253 HDR-ZB AMP PWR CABLE ASM 1
99 401-82254 HDR-ZC AMP PWR CABLE ASM 1
100 401-82222 HDR-TA AMP PWR CABLE ASM 1
101 401-82250 TAMP-HDR SERIAL CABLE ASM 1
102 401-82215 TA CN5-CN0713 CABLE ASM 1
103 401-82251 HDR-SV CABLE ASM 1
104 401-33002 NZL UP SENSOR 6T L CABLE ASM 1
105 401-33003 NZL UP SENSOR 6T R CABLE ASM 1
106 401-89336 HDR-Z VAC SENSOR CABLE ASM 1
107 401-82489 VACCUM_UNIT 1
108
#01
401-88158 EU BTM-BANK UP CABLE ASM(EN) 1
109
#01
400-02344 BUP SHORT WIRE(EN) ASM 1
110
#01
400-02287 B SW CABLE ASM(EN) 1
111 401-82229 CN A5-X/YL/YR CNP1 CABLE ASM 1