RS-1-Rev01 - 第109页
- - REF.NO NOTE P ART N O D E S C R I P T I O N Qty 1 401-28871 IO CONTROL PC B ASM 1 2 401-82247 IO-F BKR SER IAL CABLE ASM 1 3 401-29320 IO-SF SERIAL CABLE ASM 1 4 401-83536 POWER SUPP LY UNIT B ASM 1 5 #01 401-878 2…

- -
52. SYSTEM DIAGRAM (2)
9 7
9 8
9 9
1 0 0
1 0 1
1 0 2
1 0 3
1 0 4
1 0 5
1 0 6
1 0 7
1 0 8
1 0 9
1 1 0
1 1 1
1 2
9 6
8 3
8 4
9 3
9 4
9 5
9 2
9 1
9 0
8 9
8 8
8 7
8 6
8 5
7 4
7 6
7 5
7 7
8 07 97 8
8 1
4 7
4 9
5 9
5 8
6 1
4 5
6 0
6 3
6 2
6 4 6 6
7 0
6 7
6 8 6 9 6 8 6 9 6 9 6 8
7 1 7 2
5 7
1 4 5
2 3 1 1 5 7
9
1 1
6 8 1 0 1 0
1 3
1 6
1 5
1 4
1 7
1 8
1 9
2 0
2 2
2 3 2 5 2 6 2 8
2 1
2 9 3 4
3 0 3 3 3 5 3 7
3 8
3 9 4 0 4 1 4 2 4 3
1 1 2
4 5
4 6
3 9
4 8
3 9
4 0
5 2
5 6
5 3 5 5
8 2
4 4
1 1 4
1 1 3
5 0 5 1
1 1 6
1 1 7
7 3
1 1 9
1 2 0
1 1 8

- -
REF.NO NOTE PART NO D E S C R I P T I O N Qty
1 401-28871 IO CONTROL PCB ASM 1
2 401-82247 IO-F BKR SERIAL CABLE ASM 1
3 401-29320 IO-SF SERIAL CABLE ASM 1
4 401-83536 POWER SUPPLY UNIT B ASM 1
5
#01
401-87824 POWER SUPPLY UNIT B ASM_EN 1
6 401-83413 POSITION BOARD 1
7 401-82224 SF-XY AMP RELAY CABLE ASM 1
8 401-29652 X AXIS DRIVER 1
9 401-33006 SF RELAY-FX AMP CABLE ASM 1
10 401-29654 Y AXIS DRIVER 1
11 401-82823 SF RELAY-FYL AMP CABLE ASM 1
12 401-82197 BANK CABLE (31_32-EB1 CN18) ASM 1
13 401-82225 IPX X ENC RELAY CABLE ASM 1
14 401-90921 IP-X11 SET GEN ASM(RS-1) 1
15 401-32991 LIGHT CONTROL PCB ASM 1
16 401-90013 CAMERA TRIG CABLE ASM 1
17 401-28872 SAFETY PCB ASM 1
18 401-86309 F BKR-SF CABLE ASM 1
19 401-29020 SF-OPSW RELAY WIRE ASM 1
20 401-29025 EMG SW CABLE ASM 1
21 401-29021 START SW CABLE ASM 1
22 401-29022 STOP SW CABLE ASM 1
23 HA-0055200-40 SWITCH 1
24 HA-0055200-30 SWITCH 1
25 HA-0055200-1B SWITCH 1
26 HA-0055200-40 SWITCH 1
27 HA-0055200-30 SWITCH 1
28 HA-0055200-10 SWITCH 1
29 401-29023 CONSOLE SW CABLE ASM 1
30 HA-0055200-40 SWITCH 1
31 HA-0055200-30 SWITCH 1
32 HA-0055200-1C SWITCH 1
33 HA-0053400-70 SWITCH 1
34 401-29024 KEY SW CABLE ASM 1
35 HA-0063800-10 SWITCH 1
36 HA-0055200-20 SWITCH 1
37 HA-0053500-3A SWITCH 1
38 401-82244 SF-YF TOP SENSOR RELAY CABLE ASM 1
39 401-65028 XY LMT SENSOR ASM 1
40 401-29002 NEAR SENSOR CABLE ASM 1
41 400-02254 COVER OPEN SW CABLE ASM 1
42 401-46405 COVER LOCK SV ASM 1
43 401-29009 SIGNAL TOWER CABLE ASM 1
44 401-29010 MINI SIGNAL TOWER CABLE ASM(OP) 1
45 401-82249 SF-FXY BEAR CABLE ASM 1
46 401-82273 Y BEAR CABLE 1
47 401-86335 FEEDER AIR BLOW CABLE ASM 1
48 401-29001 X LMT RELAY CABLE ASM 1
49 401-83349 NZL-UP SV CABLE ASM 1
50 401-83535 POWER SUPPLY UNIT A ASM 1
51
#01
401-87823 POWER SUPPLY UNIT A ASM_EN 1
52 401-82223 CN1202 SHORT WIRE ASM 1
53 HB-0018100-00 RELAY 1
54 HB-0004800-10 RELAY 1
55 HB-0002100-10 RELAY HOLOER PYC-A1 1
56 401-86333 CUTTER SAFETY CABLE ASM 1
57 401-28876 E BANK RELAY PCB ASM 1
58 401-29247 F EBKR FG CABLE ASM 1
59 401-82227 EBKR-OUT LOADER SERIAL CABLE ASM 1
60 401-29073 F BKR-EU TOP PWR CABLE ASM 1
61 401-82226 CN B4/B5-CN1341/1441 CABLE ASM 1
62 401-84380 CN1307/1407 - CN1344/1444 CABLE ASM 1
63 401-84106 CN1343/1344 - RL4_5/9 CABLE ASM 1
64 HB-0018100-00 RELAY 1
65 HB-0004800-10 RELAY 1
66 HB-0002100-10 RELAY HOLOER PYC-A1 1
67 401-85779 BKR-FD FLOAT E CABLE ASM 1
68 401-81501 SEPARATE SENSOR RECEIVER ASM 1
69 401-81502 SEPARATE SENSOR EMISSION ASM 1
70 401-82265 BKR-FD FLOATLEFT E CABLE ASM 1
71 401-82818 BKR-BANK AIR SW RELAY CABLE ASM 1
72 401-82260 F BKR-AIR(P) RELAY CABLE ASM 1
73 401-29071 AIR(P) SENSOR CABLE ASM 1
74 401-82228 E BANK SERIAL CABLE ASM 1
75 401-69473 BANK ID PCB (RF) ASM 1
76 401-82213 BANK CABLE (IFS-NX) ASM 1
77 401-82211 BANK CABLE (EXT-POW) ASM 1
78 400-84835 CUT OPEN SENS ASM 1
79 400-84839 CUT CLOSE SENS ASM 1
80 400-84836 CUT SV CABLE ASM 1
81 401-82212 E BANK PCB-E CUTTER IF CABLE ASM 1
82 401-83784 ELEC BANK R-SIDE PCB ASM 1
83 401-82198 BANK CABLE (33_34-EB2 CN3) ASM 1
84 401-82199 BANK CABLE (35_36-EB2 CN4) ASM 1
85 401-82200 BANK CABLE (37_38-EB2 CN5) ASM 1
86 401-82201 BANK CABLE (39_40-EB2 CN6) ASM 1
87 401-82202 BANK CABLE (41_42-EB2 CN7) ASM 1
88 401-82203 BANK CABLE (43_44-EB2 CN8) ASM 1
89 401-82204 BANK CABLE (45_46-EB2 CN9) ASM 1
90 401-82205 BANK CABLE (47_48-EB2 CN10) ASM 1
91 401-82206 BANK CABLE (49_50-EB2 CN11) ASM 1
92 401-82207 BANK CABLE (51_52-EB2 CN12) ASM 1
93 401-82208 BANK CABLE (53_54-EB2 CN13) ASM
1
94 401-82209 BANK CABLE (55_56-EB2 CN14) ASM 1
95 401-82210 CAN JAMPER CABLE ASM 1
96 401-83783 ELEC BANK L-SIDE PCB ASM 1
97 401-82182 BANK CABLE (1_2-EB1 CN3) ASM 1
98 401-82183 BANK CABLE (3_4-EB1 CN4) ASM 1
99 401-82184 BANK CABLE (5_6-EB1 CN5) ASM 1
100 401-82185 BANK CABLE (7_8-EB1 CN6) ASM 1
101 401-82186 BANK CABLE (9_10-EB1 CN7) ASM 1
102 401-82187 BANK CABLE (11_12-EB1 CN8) ASM 1
103 401-82188 BANK CABLE (13_14-EB1 CN9) ASM 1
104 401-82189 BANK CABLE (15_16-EB1 CN10) ASM 1
105 401-82190 BANK CABLE (17_18-EB1 CN11) ASM 1
106 401-82191 BANK CABLE (19_20-EB1 CN12) ASM 1
107 401-82192 BANK CABLE (21_22-EB1 CN13) ASM 1
108 401-82193 BANK CABLE (23_24-EB1 CN14) ASM 1
109 401-82194 BANK CABLE (25_26-EB1 CN15) ASM 1
110 401-82195 BANK CABLE (27_28-EB1 CN16) ASM 1
111 401-82196 BANK CABLE (29_30-EB1 CN17) ASM 1
112 HE-0005700-00 INDICATOR LAMP 1
113 401-69048 MPC-CAN 1
114 401-87771 MPC CABLE ASM(RS-1) 1
115 401-29011 EU TOP-SF PWR CABLE ASM 1
116
#01
401-88157 EU BOTTOM-SF EN CABLE ASM 1
117 401-90012 IPX X-ENC RELAY CABLE ASM 1
118 401-29070 BANK UP SENSOR CABLE ASM 1
119 401-29069 BKR-BANK AIR SW CABLE ASM 1
120 PV-0151250-00 MANUAL VALVE 1

- -
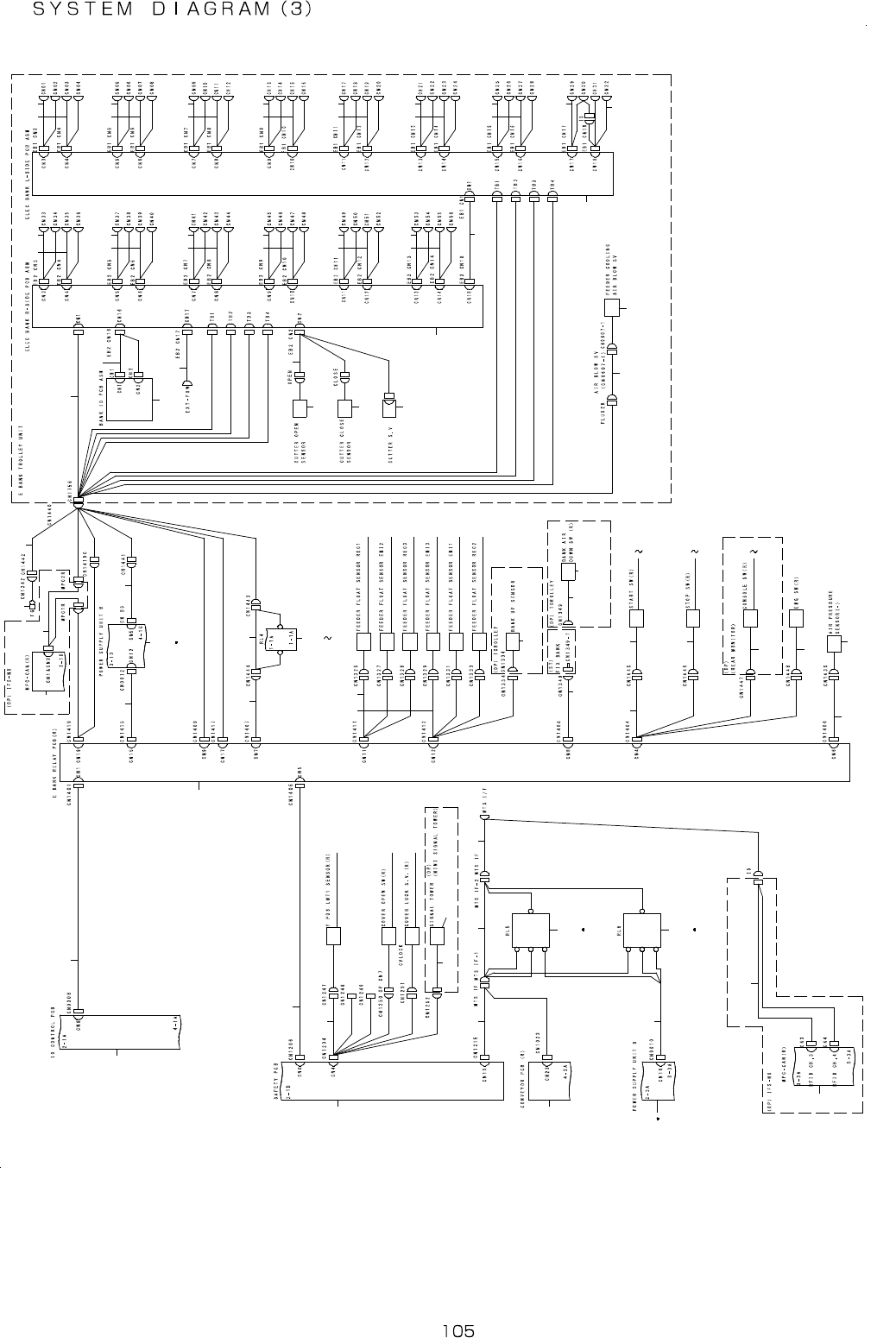
53. SYSTEM DIAGRAM (3)
3 4
3 1
3 2
2 0
1
2
6 0
2 4
9 1
5 9
5 6 5 7 5 8
5 5
5 3
5 4
5 2
6 3
6 4
6 5
6 6
6 7
6 8
6 9
7 0
7 3
7 2
7 1
6 2
6 1
7 4
9 0
8 9
8 8
8 7
8 6
8 5
8 4
8 3
8 2
8 1
8 0
7 9
7 8
7 7
7 6
7 5
S V
2 2
2 1
2 7
1 6 1 7
2 5
2 6
2 3
2 8 3 0
3 5
3 33 33 23 33 2
3 6
3 7 4 1
3 8 4 0 4 2 4 4
4 5
4 6 4 9
9 6
5 0
5 1
3
4
5
6 7 8
9 2
1 0
1 1
1 2
1 3
1 6 1 7
9 7
1 8 1 91 4 1 5
9 5
9 3
9
9 4
9 3
9 9
1 0 0
9 8