RS-1-Rev01 - 第112页
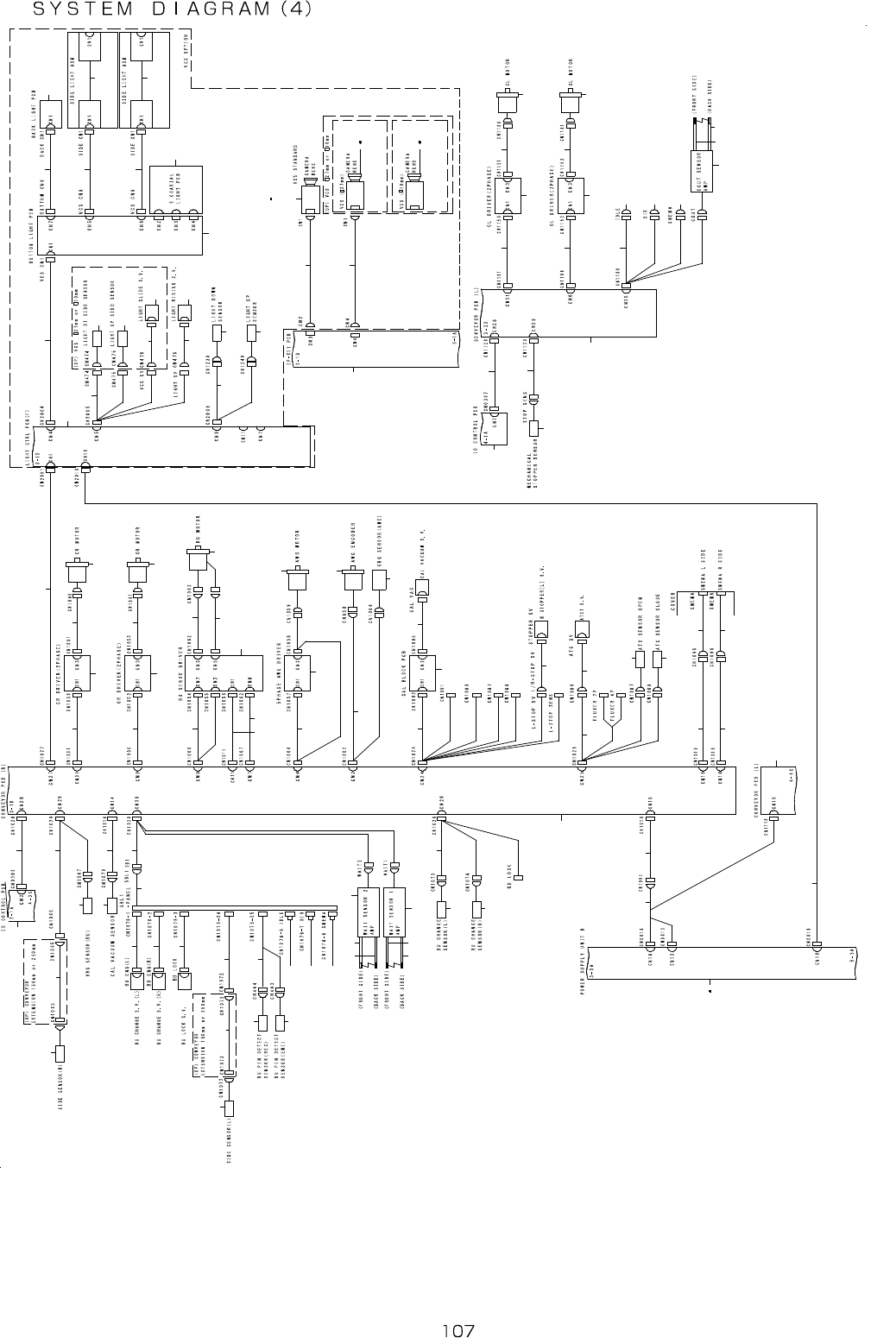
- - 54. S YSTE M DI AGR AM ( 4) 1 2 3 4 5 6 7 1 2 1 1 8 9 1 6 1 7 3 1 4 1 5 1 8 1 9 2 0 2 1 2 2 2 1 2 2 2 5 2 5 2 7 2 6 3 0 3 1 3 2 8 1 3 3 3 4 3 5 3 4 3 6 3 8 3 8 3 6 3 7 3 7 3 9 3 9 4 3 4 0 4 6 4 5 4 2 4 4 4 1 4 9 5 …

- -
REF.NO NOTE PART NO D E S C R I P T I O N Qty
1 401-28871 IO CONTROL PCB ASM 1
2 401-29323 IO-R BKR SERIAL CABLE ASM 1
3 401-28872 SAFETY PCB ASM 1
4 401-82246 R BKR-SF CABLE ASM 1
5 401-82245 SF-YR TOP SENSOR RELAY CABLE ASM 1
6 401-65028 XY LMT SENSOR ASM 1
7 400-02254 COVER OPEN SW CABLE ASM 1
8 401-46405 COVER LOCK SV ASM 1
9 401-29010 MINI SIGNAL TOWER CABLE ASM(OP) 1
10 401-82268 MTS I/F CABLE ASM 1
11 401-84212 MTS I/F CABLE2 ASM 1
12 401-29336 MTS I/F BR CABLE ASM 1
13 401-28875 CONVEYOR PCB ASM 1
14 EZ-1755690-11 RELAY POWER (RJ1S-CLD-D24) 1
15 EZ-1755691-11 SOCKET RELAY (SJ1S-05B) 1
16 401-83536 POWER SUPP LY UNIT B ASM 1
17
#01
401-87824 POWER SUPPLY UNIT B ASM_EN 1
18 EZ-1755690-11 RELAY POWER (RJ1S-CLD-D24) 1
19 EZ-1755691-11 SOCKET RELAY (SJ1S-05B) 1
20 401-28876 E BANK RELAY PCB ASM 1
21 401-29247 F EBKR FG CABLE ASM 1
22 401-82296 EBKR-OUT LOADER SERIAL CABLE ASM2 1
23 401-82248 R BKR EU TOP PWR CABLE ASM 1
24 401-83349 NZL-UP SV CABLE ASM 1
25 401-82226 CN B4/B5-CN1 341/1441 CABLE ASM 1
26 401-84380 CN1307/1407 - CN1344/1444 CABLE ASM 1
27 401-84107 CN1443/1444 - RL4_6/10 CABLE ASM 1
28 HB-0018100-00 RELAY 1
29 HB-0004800-10 RELAY 1
30 HB-0002100-10 RELAY HOLOER PYC-A1 1
31 401-85779 BKR-FD FLOAT E CABLE ASM 1
32 401-81501 SEPARATE SENSOR RECEIVER ASM 1
33 401-81502 SEPARATE SENSOR EMISSION ASM 1
34 401-82265 BKR-FD FLOATL EFT E CABLE ASM 1
35 401-82818 BKR-BANK AIR SW RELAY CABLE ASM 1
36 401-29082 R BKR-OPSW RELAY CABLE ASM 1
37 401-29021 START SW CA BLE ASM 1
38 HA-0055200-40 SWITCH 1
39 HA-0055200-30 SWITCH 1
40 HA-0055200-1B SWITCH 1
41 401-29022 STOP SW CABLE ASM 1
42 HA-0055200-40 SWITCH 1
43 HA-0055200-30 SWITCH 1
44 HA-0055200-10 SWITCH 1
45 401-29023 CONSOLE SW CABLE ASM 1
46 HA-0055200-40 SWITCH 1
47 HA-0055200-30 SWITCH 1
48 HA-0055200-1C SWITCH 1
49 HA-0053400-70 SWITCH 1
50 401-29151 R BKR-AIR(N) RELAY CABLE ASM 1
51 401-29080 AIR(N) SENSOR CABLE ASM 1
52 401-82228 E BANK SERIAL CABLE ASM 1
53 401-69473 BANK ID PCB (RF) ASM 1
54 401-82213 BANK CABLE (IF S-NX) ASM 1
55 401-82211 BANK CABLE (EXT-POW) ASM 1
56 400-84835 CUT OPEN SE NS ASM 1
57 400-84839 CUT CLOSE SENS ASM 1
58 400-84836 CUT SV CABLE ASM 1
59 401-82212 E BANK PCB-E CUTTER IF CABLE ASM 1
60 401-83784 ELEC BANK R-SIDE PCB ASM 1
61 401-82198 BANK CABLE (33_34-EB2 CN3) ASM 1
62 401-82199 BANK CABLE (35_36-EB2 CN4) ASM 1
63 401-82200 BANK CABLE (37_38-EB2 CN5) ASM 1
64 401-82201 BANK CABLE (39_40-EB2 CN6) ASM 1
65 401-82202 BANK CABLE (41_42-EB2 CN7) ASM 1
66 401-82203 BANK CABLE (43_44-EB2 CN8) ASM 1
67 401-82204 BANK CABLE (45_46-EB2 CN9) ASM 1
68 401-82205 BANK CABLE (47_48-EB2 CN10) ASM 1
69 401-82206 BANK CABLE (49_50-EB2 CN11) ASM 1
70 401-82207 BANK CABLE (51_52-EB2 CN12) ASM 1
71 401-82208 BANK CABLE (53_54-EB2 CN13) ASM 1
72 401-82209 BANK CABLE (55_56-EB2 CN14) ASM 1
73 401-82210 CAN JAMPER CABLE ASM 1
74 401-83783 ELEC BANK L-SIDE PCB ASM 1
75 401-82182 BANK CABLE (1_2-EB1 CN3) ASM 1
76 401-82183 BANK CABLE (3_4-EB1 CN4) ASM 1
77 401-82184 BANK CABLE (5_6-EB1 CN5) ASM 1
78 401-82185 BANK CABLE (7_8-EB1 CN6) ASM 1
79 401-82186 BANK CABLE (9_10-EB1 CN7) ASM 1
80 401-82187 BANK CABLE (11_12-EB1 CN8) ASM 1
81 401-82188 BANK CABLE (13_14-EB1 CN9) ASM 1
82 401-82189 BANK CABLE (15_16-EB1 CN10) ASM 1
83 401-82190 BANK CABLE (17_18-EB1 CN11) ASM 1
84 401-82191 BANK CABLE (19_20-EB1 CN12) ASM 1
85 401-82192 BANK CABLE (21_22-EB1 CN13) ASM 1
86 401-82193 BANK CABLE (23_24-EB1 CN14) ASM 1
87 401-82194 BANK CABLE (25_26-EB1 CN15) ASM 1
88 401-82195 BANK CABLE (27_28-EB1 CN16) ASM 1
89 401-82196 BANK CABLE (29_30-EB1 CN17) ASM 1
90 401-82197 BANK CABLE (31_32-EB1 CN18) ASM 1
91 401-86335 FEEDER AIR BLOW CABLE ASM 1
92 HE-0005700-00 INDICATOR LAMP 1
93 401-69048 MPC-CAN 1
94 401-29126 HUB-MTS SERIAL WIRE ASM(IS) 1
95 401-87771 MPC CABLE ASM(RS-1) 1
96 401-29025 EMG SW CABLE ASM 1
97 401-84213 MTS I/F CABLE3 ASM 1
98 401-29070 BANK UP SENSOR CABLE ASM 1
99 401-29069 BKR-BANK AIR SW CABLE ASM 1
100 PV-0151250-00 MANUAL VALVE 1

- -
54. SYSTEM DIAGRAM (4)
1
2
3
4 5
6 7 1 2
1 1
8 9
1 6 1 7
3
1 4 1 5
1 8 1 9 2 0
2 1
2 2
2 1
2 2
2 5
2 5
2 7
2 6
3 0 3 1
3 2
8 1
3 3
3 4
3 5
3 4
3 6
3 8 3 8
3 6
3 7 3 7
3 9 3 9
4 3
4 0
4 6
4 5
4 2
4 4
4 1
4 9 5 1
5 2
4 7
5 0
4 8
5 3
5 5
5 4
5 6 5 8
5 7
5 9 5 9
6 0 6 2
6 1 6 1
6 3
6 4
6 5
6 6
6 8 6 8
1 0
7 5
7 6 7 7
6 9
7 0 7 2 7 2
7 4
7 1
7 3 7 3
1
2 8
2 9
1 3
3 4
3 6 3 6 2 3
3 8 3 8
3 73 7
3 9 3 9
2 42 42 4
2 5
2 2
2 1
2 6
8 2
8 3
8 2
6 7
6 7
8 68 6
8 58 4
7 5
7 6 7 8 7 9 8 0

- -
REF.NO NOTE PART NO D E S C R I P T I O N Qty
1 401-28871 IO CONTROL PCB ASM 1
2 401-82259 IO-R CNV SERIAL CABLE ASM 1
3 401-29046 SIDE SENSOR CABLE ASM 1
4 401-29042 AWC/BU ORG SENSOR CABLE ASM 1
5 401-29080 AIR(N) SENSOR CABLE ASM 1
6 401-82336 SIDE(R)/BU-ORG CABLE ASM 1
7 401-29256 CONVEYOR(F)-CAL VAC(S/R) CABLE ASM 1
8 401-29051 BU CHANGE L SV CABLE ASM 1
9 401-29052 BU CHANGE R SV CABLE ASM 1
10 401-90921 IP-X11 SET GEN ASM(RS-1) 1
11 400-47908 SBL2 CABLE ASM 1
12 401-82337 CNV RELAY CABLE ASM 1
13 401-56968 STOPPER SENSOR ASM 1
14 401-61237 BU PIN RECEIVE SENS ASM 1
15 401-61236 BU PIN EMISSION SENS ASM 1
16 401-82338 SIDE SENSOR(L) CABLE ASM 1
17 401-82339 BU PIN DETECT SENSOR CABLE ASM 1
18 401-29056 CNV AUTO SET1 WIRE ASM 1
19 401-29059 CNV AUTO SET2 WIRE ASM 1
20 401-29060 CNV AUTO SET3 WIRE ASM 1
21 401-82350 FIBER SENSOR 1
22 HD-0010700-30 SENSOR 1
23 401-82334 CNV AUTO SET CABLE ASM 1
24 401-82335 SHORT CONNTCTOR ASM 1
25 401-29061 STOP SENSOR CABLE ASM 1
26 401-29048 BU CHANGE CABLE ASM 1
27 401-82341 BU UNIT SENSOR RELAY CABLE ASM 1
28 401-82333 IO-L CNV SERIAL CABLE ASM 1
29 401-82346 STOP SENS CABLE ASM 1
30 401-83536 POWER SUPPLY UNIT B ASM 1
31
#01
401-87824 POWER SUPPLY UNIT B ASM_EN 1
32 401-82329 CNV PWR RLY CABLE ASM 1
33 401-33013 LIGHT CONTROL F POWER ASM 1
34 401-28875 CONVEYOR PCB ASM 1
35 401-82343 LTCTL SERIAL CABLE ASM 1
36 401-82344 MOTOR DRIVER CABLE ASM 1
37 401-54209 2PHASE DRIVER PCB ASM 1
38 401-82330 MOTOR CABLE ASM 1
39 401-58136 2PHASE STEPPING MOTOR 1
40 401-29035 BU AXIS CONTROL CABLE ASM 1
41 401-29636 BU AXIS SERVO AMP 1
42 401-82332 BU MOTOR POWER CABLE ASM 1
43 401-29637 BU AXIS SERVO MOTOR 1
44 401-82327 BU MOTOR ENCODER CABLE ASM 1
45 401-29036 BU AXIS POWER CABLE ASM 1
46 401-82331 BU AXIS ENCODER CABLE ASM 1
47 401-29039 AWC MOTOR(S)CABLE ASM 1
48 HM-0013200-00 STEPPING MOTOR 1
49 401-29040 AWC MOTOR ASM 1
50 401-29041 AWC ENC/ORG RELAY(S)CABLE ASM 1
51 E9433-729-0A0 BU ENC ASM. 1
52 401-29002 NEAR SENSOR CABLE ASM 1
53 401-56965 L-STOPPER RELAY CABLE ASM 1
54 400-07376 CALBLOCK PCB ASM 1
55 401-29260 CAL-VACUUM SV CABLE ASM 1
56 401-56969 STOPPER SV CABLE ASM 1
57 401-82340 CNV-ATC(F) CABLE ASM 1
58 401-29261 ATC SV CABLE ASM 1
59 401-29062 PHOTOMICRO SENSOR ASM 1
60 401-82342 CNV-SMEMA L RELAY (F) CABLE ASM 1
61 401-29031 SMEMA CABLE ASM 1
62 401-29029 CNV-SMEMA R RELAY (F) CABLE ASM 1
63 401-32991 LIGHT CONTROL PCB ASM 1
64 401-83434 VCS LIGHT CABLE ASM 1
65 401-82347 VCS SENS CABLE ASM 1
66 401-82348 VCS UP-DOWN SENS CABLE ASM 1
67 400-02148 VCS SV CABLE ASM 1
68 401-65028 XY LMT SENSOR ASM 1
69 401-80852 BOTTOM LIGHT PCB ASM 1
70 401-09805 S_BACK LIGHT CABLE ASM 1
71 401-32986 BACK LIGHT PCB ASM 1
72 401-33015 SIDE LIGHT CABLE ASM 1
73 401-80854 SIDE LIGHT ASM 1
74 401-80857 COAXIAL LIGHT PCB ASM 1
75 401-33146 CAMERALINK CABLE SS 3M 1
76 401-33149 VCS CAMERA 1
77 401-09807 S_VCS LENS STD 1
78 401-09808 S_VCS LENS OPT 1
79 401-88244 VCS CAMERA 1
80 401-88312 VCS3 LENS 1
81 401-82328 CNV PWR CABLE ASM 1
82 401-50822 IN/OUT SENS RLY CABLE ASM 1
83 401-29053 BU LOCK SV CABLE ASM 1
84 400-02146 VCS ST SENS ASM 1
85 400-02147 VCS OP SENS ASM 1
86 PV-1502093-00 5 PORT ELECTROMAGNETIC VALVE 1