RS-1-Rev01 - 第113页
- - REF.NO NOTE PART NO D E S C R I P T I O N Qty 1 401-28871 IO CONTROL PCB ASM 1 2 401-82259 IO-R CNV SERIAL CABLE ASM 1 3 401-29046 SIDE SENSOR CABLE ASM 1 4 401-29042 AWC/BU ORG SENSOR CABLE ASM 1 5 401-29080 AIR(N…

- -
54. SYSTEM DIAGRAM (4)
1
2
3
4 5
6 7 1 2
1 1
8 9
1 6 1 7
3
1 4 1 5
1 8 1 9 2 0
2 1
2 2
2 1
2 2
2 5
2 5
2 7
2 6
3 0 3 1
3 2
8 1
3 3
3 4
3 5
3 4
3 6
3 8 3 8
3 6
3 7 3 7
3 9 3 9
4 3
4 0
4 6
4 5
4 2
4 4
4 1
4 9 5 1
5 2
4 7
5 0
4 8
5 3
5 5
5 4
5 6 5 8
5 7
5 9 5 9
6 0 6 2
6 1 6 1
6 3
6 4
6 5
6 6
6 8 6 8
1 0
7 5
7 6 7 7
6 9
7 0 7 2 7 2
7 4
7 1
7 3 7 3
1
2 8
2 9
1 3
3 4
3 6 3 6 2 3
3 8 3 8
3 73 7
3 9 3 9
2 42 42 4
2 5
2 2
2 1
2 6
8 2
8 3
8 2
6 7
6 7
8 68 6
8 58 4
7 5
7 6 7 8 7 9 8 0

- -
REF.NO NOTE PART NO D E S C R I P T I O N Qty
1 401-28871 IO CONTROL PCB ASM 1
2 401-82259 IO-R CNV SERIAL CABLE ASM 1
3 401-29046 SIDE SENSOR CABLE ASM 1
4 401-29042 AWC/BU ORG SENSOR CABLE ASM 1
5 401-29080 AIR(N) SENSOR CABLE ASM 1
6 401-82336 SIDE(R)/BU-ORG CABLE ASM 1
7 401-29256 CONVEYOR(F)-CAL VAC(S/R) CABLE ASM 1
8 401-29051 BU CHANGE L SV CABLE ASM 1
9 401-29052 BU CHANGE R SV CABLE ASM 1
10 401-90921 IP-X11 SET GEN ASM(RS-1) 1
11 400-47908 SBL2 CABLE ASM 1
12 401-82337 CNV RELAY CABLE ASM 1
13 401-56968 STOPPER SENSOR ASM 1
14 401-61237 BU PIN RECEIVE SENS ASM 1
15 401-61236 BU PIN EMISSION SENS ASM 1
16 401-82338 SIDE SENSOR(L) CABLE ASM 1
17 401-82339 BU PIN DETECT SENSOR CABLE ASM 1
18 401-29056 CNV AUTO SET1 WIRE ASM 1
19 401-29059 CNV AUTO SET2 WIRE ASM 1
20 401-29060 CNV AUTO SET3 WIRE ASM 1
21 401-82350 FIBER SENSOR 1
22 HD-0010700-30 SENSOR 1
23 401-82334 CNV AUTO SET CABLE ASM 1
24 401-82335 SHORT CONNTCTOR ASM 1
25 401-29061 STOP SENSOR CABLE ASM 1
26 401-29048 BU CHANGE CABLE ASM 1
27 401-82341 BU UNIT SENSOR RELAY CABLE ASM 1
28 401-82333 IO-L CNV SERIAL CABLE ASM 1
29 401-82346 STOP SENS CABLE ASM 1
30 401-83536 POWER SUPPLY UNIT B ASM 1
31
#01
401-87824 POWER SUPPLY UNIT B ASM_EN 1
32 401-82329 CNV PWR RLY CABLE ASM 1
33 401-33013 LIGHT CONTROL F POWER ASM 1
34 401-28875 CONVEYOR PCB ASM 1
35 401-82343 LTCTL SERIAL CABLE ASM 1
36 401-82344 MOTOR DRIVER CABLE ASM 1
37 401-54209 2PHASE DRIVER PCB ASM 1
38 401-82330 MOTOR CABLE ASM 1
39 401-58136 2PHASE STEPPING MOTOR 1
40 401-29035 BU AXIS CONTROL CABLE ASM 1
41 401-29636 BU AXIS SERVO AMP 1
42 401-82332 BU MOTOR POWER CABLE ASM 1
43 401-29637 BU AXIS SERVO MOTOR 1
44 401-82327 BU MOTOR ENCODER CABLE ASM 1
45 401-29036 BU AXIS POWER CABLE ASM 1
46 401-82331 BU AXIS ENCODER CABLE ASM 1
47 401-29039 AWC MOTOR(S)CABLE ASM 1
48 HM-0013200-00 STEPPING MOTOR 1
49 401-29040 AWC MOTOR ASM 1
50 401-29041 AWC ENC/ORG RELAY(S)CABLE ASM 1
51 E9433-729-0A0 BU ENC ASM. 1
52 401-29002 NEAR SENSOR CABLE ASM 1
53 401-56965 L-STOPPER RELAY CABLE ASM 1
54 400-07376 CALBLOCK PCB ASM 1
55 401-29260 CAL-VACUUM SV CABLE ASM 1
56 401-56969 STOPPER SV CABLE ASM 1
57 401-82340 CNV-ATC(F) CABLE ASM 1
58 401-29261 ATC SV CABLE ASM 1
59 401-29062 PHOTOMICRO SENSOR ASM 1
60 401-82342 CNV-SMEMA L RELAY (F) CABLE ASM 1
61 401-29031 SMEMA CABLE ASM 1
62 401-29029 CNV-SMEMA R RELAY (F) CABLE ASM 1
63 401-32991 LIGHT CONTROL PCB ASM 1
64 401-83434 VCS LIGHT CABLE ASM 1
65 401-82347 VCS SENS CABLE ASM 1
66 401-82348 VCS UP-DOWN SENS CABLE ASM 1
67 400-02148 VCS SV CABLE ASM 1
68 401-65028 XY LMT SENSOR ASM 1
69 401-80852 BOTTOM LIGHT PCB ASM 1
70 401-09805 S_BACK LIGHT CABLE ASM 1
71 401-32986 BACK LIGHT PCB ASM 1
72 401-33015 SIDE LIGHT CABLE ASM 1
73 401-80854 SIDE LIGHT ASM 1
74 401-80857 COAXIAL LIGHT PCB ASM 1
75 401-33146 CAMERALINK CABLE SS 3M 1
76 401-33149 VCS CAMERA 1
77 401-09807 S_VCS LENS STD 1
78 401-09808 S_VCS LENS OPT 1
79 401-88244 VCS CAMERA 1
80 401-88312 VCS3 LENS 1
81 401-82328 CNV PWR CABLE ASM 1
82 401-50822 IN/OUT SENS RLY CABLE ASM 1
83 401-29053 BU LOCK SV CABLE ASM 1
84 400-02146 VCS ST SENS ASM 1
85 400-02147 VCS OP SENS ASM 1
86 PV-1502093-00 5 PORT ELECTROMAGNETIC VALVE 1

- -
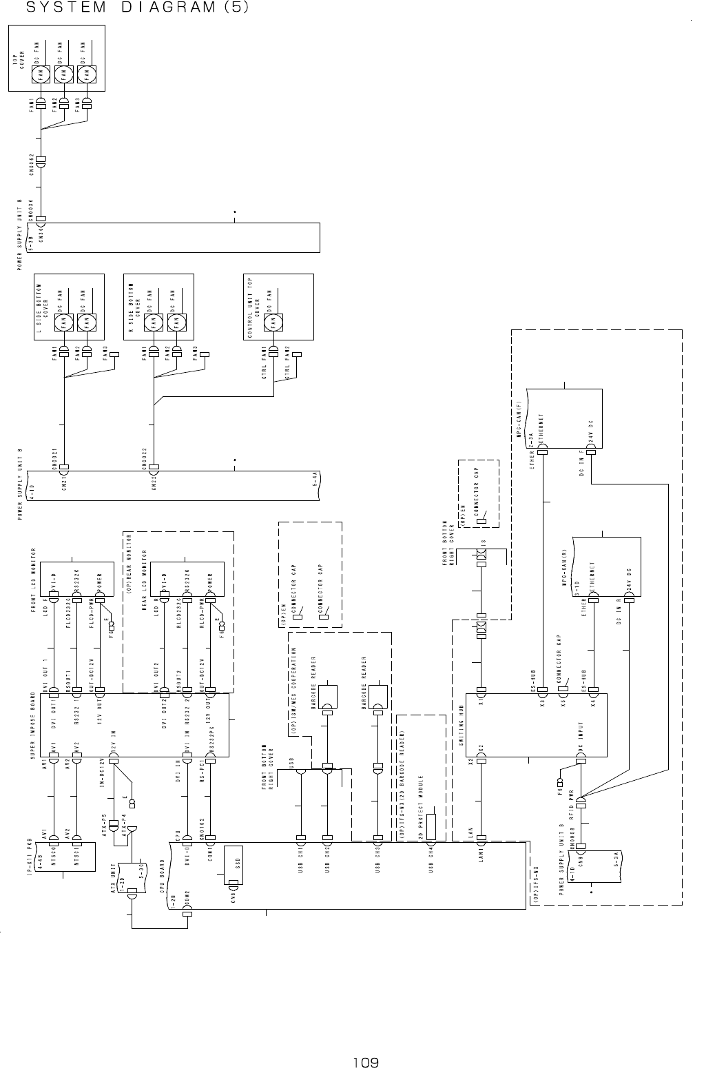
55. SYSTEM DIAGRAM (5)
1
2 2
1 0
8
9
1 1
1 2
1 3 1 4
1 5 1 5
3
4 5 6 1 8 1 9 2 0
7 7
2 1 2 2
3 9 2 4
2 3 2 3 2 3 2 3 2 3
2 1 2 2
2 5
2 6
2 3 2 3 2 3
2 8 2 8
2 9 2 9
2 7
3 0
3 1
3 2
2 1 2 2
3 4
3 53 6
3 3
1 6
1 7
1 7
3 7
3 7
3 8
4 0 4 0
4 2
4 1