00191161-01 - 第165页
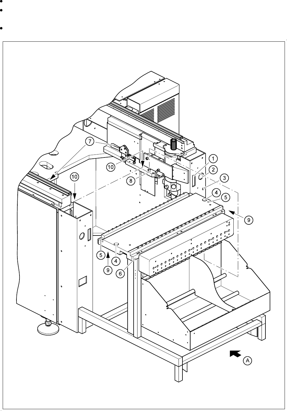
Skötselinstruktion SIPLACE 80S-20/F4/F4-6/F5 6 Komponentbehandling Utgåva 03/98 CE SWE fr.o.m. programversion SR.404.xx 6.3 Komponentbord 6 - 13 - Text till Bild 6.3. 1 6.3.2.3 Mon tering Akta di g rena beläggni ngsytor …

6 Komponentbehandling Skötselinstruktion SIPLACE 80S-20/F4/F4-6/F5
6.3 Komponentbord Utgåva 03/98 CE SWE fr.o.m. programversion SR.404.xx
6 - 12
Öppna horisontalspänningsanordningen (7).
Lyfta komponentväxelbordet försiktigt med lyftvagnen så högt upp tills centeringsbultarna befinner sig (8)
utanför borrningarna.
Dra ut nu komponentväxelbordet.
Bild 6.3.1 Demontering av komponentväxelbordet

Skötselinstruktion SIPLACE 80S-20/F4/F4-6/F5 6 Komponentbehandling
Utgåva 03/98 CE SWE fr.o.m. programversion SR.404.xx 6.3 Komponentbord
6 - 13
- Text till Bild 6.3.1
6.3.2.3 Montering
Akta dig rena
beläggningsytor av komponentbord och maskiner
(9 och 10).
Ta upp komponentbordet med lyftvagnen och lyft komponentbordet så långt, att det inte kan fastna i vid
inskjutning in i maskinen.
Skjut komponentbordet försiktigt så långt in maskinen, att centeringsstiftmottagnicksluckorna av kompo-
netbordet står över centeringsbultarna (4 och 8).
Lägg ner komponentbordet försiktigt, tills komponentbordet ligger på mottagningen av maskinunderlaget.
Lås spännhakarna (7).
Gör fast först den platta stickproppen för kommunikationssignaler.
Stick in bägge sexkantskruvarna och spänn dessa fast (5).
Koppla den runda stickproppen för strömförsörjningen.
Lås skyddsskåparna.
Frigör NÖDSTOPP-brytaren.
1) Anslutning för kommunikationsgränssnitt
2) Anslutning för strömförsörjningen av komponentväxelbordet
3) Tryckluftanslutning
4) Borrningarna för centeringsbultarna
5) Sexkansskruvarna för fästning av komponentväxelbordet
6) Ställytan av komponentväxelbordet
7) Horisontalspänningsanordning
8) Centeringsbultarna
9)
Beläggningsytorna
av komponentväxelbordet
10)Beläggningsytorna av maskinerna
A Inskjutning av växelbordlyftvagnen
6 Komponentbehandling Skötselinstruktion SIPLACE 80S-20/F4/F4-6/F5
6.3 Komponentbord Utgåva 03/98 CE SWE fr.o.m. programversion SR.404.xx
6 - 14