00191161-01 - 第34页
0 Inledning Skötselinstruktion SIPLACE 80S-20/F4/F4-6/F5 0.4 Maskinöversikt Utgåva 03/98 CE SWE fr.o. m. programversion SR.404.xx 0 - 30 0.4.6 Översikt 6-dys revolv erhuvud med standardkomp onentvisions- system Bild 0.4.…

Skötselinstruktion SIPLACE 80S-20/F4/F4-6/F5 0 Inledning
Utgåva 03/98 CE SWE fr.o.m. programversion SR.404.xx 0.4 Maskinöversikt
0 - 29
0.4.5 Översikt 12-dys-revolverhuvud
Bild 0.4.5 Översikt 12-dys-revolverhuvud
- Text till Bild 0.4.5
1) Kretskort för komponentbelysningsstyrningen 2) Dubbrör (1 till 12)
3) Inställningsenhet för avskjutningsposition 4) Stjärndrivning
5) Mellandelarekretskort 6) Z-axeldrivning
7) Komponentkamera 8) Komponentbelysningssystem
008
008
1
2
3
4
5
6
7
8

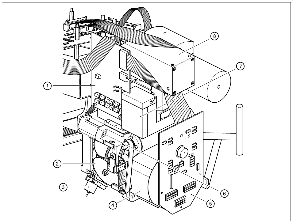
0 Inledning Skötselinstruktion SIPLACE 80S-20/F4/F4-6/F5
0.4 Maskinöversikt Utgåva 03/98 CE SWE fr.o.m. programversion SR.404.xx
0 - 30
0.4.6 Översikt 6-dys revolverhuvud med standardkomponentvisions-
system
Bild 0.4.6 Översikt 6-dys revolverhuvud med standardkomponentvisionssystem
- Text till Bild 0.4.6
1) Kretskort för komponentbelysningsstyrningen 2) Dubbrör (1 till 6)
3) Inställningsenhet för avskjutningsposition 4) Stjärndrivning
5) Mellandelarekretskort 6) Z-axeldrivning
7) Komponentkamera 8) Standardkomponentbelysningssystem
5
6
7
1
4
2
3
8

Skötselinstruktion SIPLACE 80S-20/F4/F4-6/F5 0 Inledning
Utgåva 03/98 CE SWE fr.o.m. programversion SR.404.xx 0.4 Maskinöversikt
0 - 31
0.4.7 Översikt 6-dys revolverhuvud med standardkomponentvisions-
system för Flip-Chip-komponenter, Bare Dies- och standardkom-
ponenter (DCA-Option)
Bild 0.4.7 Översikt 6-dys revolverhuvud med standardkomponentvisionssystem för Flip-Chip-komponenter, Bare Dies-
och standardkomponenter (DCA-Option)
- Text till Bild 0.4.7
1) Kretskort för komponentbelysningsstyrningen 2) Dubbrör (1 till 6)
3) Inställningsenhet för avskjutningsposition 4) Stjärndrivning
5) Mellandelarekretskort 6) Z-axeldrivning
7) Komponentkamera 8) Komponentbelysningssystem för Flip-Chip-
komponenter, Bare Dies- och standardkomponenter
(DCA-Option)