00191161-01 - 第37页
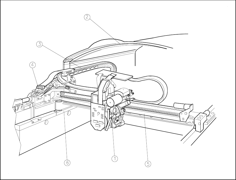
Skötselinstruktion SIPLACE 80S-20/F4/F4-6/F5 0 Inledning Utgåva 03/98 CE SWE fr.o.m. programversion SR.404.xx 0.4 Maskinöversikt 0 - 33 0.4.9 Översikt portal Bild 0.4.9 Översikt portal - Text till Bild 0.4. 9 1) Revolver…

0 Inledning Skötselinstruktion SIPLACE 80S-20/F4/F4-6/F5
0.4 Maskinöversikt Utgåva 03/98 CE SWE fr.o.m. programversion SR.404.xx
0 - 32
0.4.8 Översikt IC-huvud
Bild 0.4.8 Översikt IC-huvud
- Text till Bild 0.4.8
1) Dubbrör 2) Vakuummunstycke
3) Pipett 4) Komponentvisionssystem
5) Flip-chip-visionssystem
1
2
3
4
5

Skötselinstruktion SIPLACE 80S-20/F4/F4-6/F5 0 Inledning
Utgåva 03/98 CE SWE fr.o.m. programversion SR.404.xx 0.4 Maskinöversikt
0 - 33
0.4.9 Översikt portal
Bild 0.4.9 Översikt portal
- Text till Bild 0.4.9
1) Revolverhuvud 2) Skyddskåpor
3) Släpkabel 4) Flyttkort portalaxlar
5) X-axel 6) Y-axel

0 Inledning Skötselinstruktion SIPLACE 80S-20/F4/F4-6/F5
0.4 Maskinöversikt Utgåva 03/98 CE SWE fr.o.m. programversion SR.404.xx
0 - 34
0.4.10 Översikt kretskortstransport
Bild 0.4.10 Översikt kretskortstransport
- Text till Bild 0.4.10
1) Inmatningsband 2) Mitt-band
3) Utmatningsband 4) Styrning av kretskorthantering/lyftbord
5) Givare för övervakning av inmatningsband 6) Lyftbord
7) Givare för övervakning av mittelband 8) Kretskortstoppare
9) Givare för breddjustering 10) Givare för övervakning av utmatningsband
r