JM-20-Rev08PDF - 第107页
- - REF.NO NOT E PART NO DESCRIPTION Qty 1 PF -0154010-A0 AIRFILT ER 1 2 PF -9010070-00 FILTERELEME NT (1) 3 BT -1200801-EF TUBE 2 4 #01 SL-6061692-TN SCREWM6L=16 2 5 40 0-16815 DRAINTANK 1 6 BT -…

- -
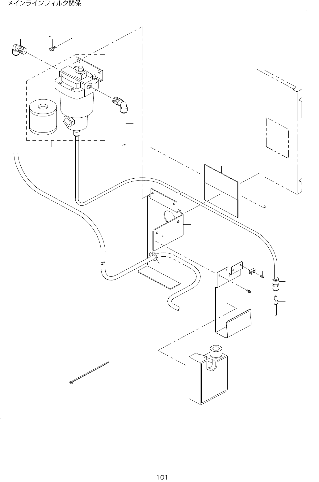
51.MAINLINEFILTERCOMPONENTS
1 5
1 4
1 6
1 7
7
8
1 3
1 1
9
6
1 8
5
1 2
1 9
3
2
1
4 1 0
1 9

- -
REF.NO NOTE PARTNO DESCRIPTION Qty
1 PF-0154010-A0 AIRFILTER 1
2 PF-9010070-00 FILTERELEMENT (1)
3 BT-1200801-EF TUBE 2
4
#01
SL-6061692-TN SCREWM6L=16 2
5 400-16815 DRAINTANK 1
6 BT-1000651-EB URETHANETUBEBLACK10X6.5 0.8
7 PJ-3031000-02 STRAIGHT 1
8 PJ-3090400-03 REDUCER4-10 1
9 BT-0400251-EA URETHANETUBEBLUE4X2.5 0.16
10 SL-6082092-TN SCREWM8L=20 2
11 400-55291 FILTERBRACKET 1
12
#01
HX-0005500-0J RUBBERBUSHING 1
13 E1387-700-000 HODMAGNET 2
14 400-55290 DRAINTANKSTAY 1
15
#01
SL-6040892-TN SCREWM4L=8 2
16 HX-0029400-00 FIXEDBASE 1
17 SM-4040601-SC SCREWM4X0.7L=6 1
18 EA-9500B01-00 CABLEBAND 1
19 PJ-3041254-01 ELBOWUNIOND=12 2

- -
52.ATCUNITCOMPONENTS
4 5
3 3
4 4
4 3
4 2
3 5
5 3
A
4 0
3 8
4 7
4 8
4 9
4 6
3 9
3 7
3 6
3 4
4 1
5 2
1 0
1
2 1
2 2
A
1 6
1 6
1 8
9
8
7
5 4
1 5
1 4
1 3
1 0
1 2
1 2
6
1 1
3 1
3 2
2 9
2 8
2 3
2 2
2 0
1 7
1 9
5
4
3
2
3 0
2 4
2 5
2 6
2 7
5 0
5 1