JM-20-Rev08PDF - 第139页
- - REF.NO NOTE PARTNO DESCRIPTION Qty 1 401-36345 IO-20PCBASM 1 2 401-36535 IOPCBRELAYCABLEASM 1 3 401-36536 CARRYMOTORCABLEASM 1 4 #02 401-36561 CARRYMOTORCABLEASM(EN) 1 5 HM-0013200-00 M…

- -
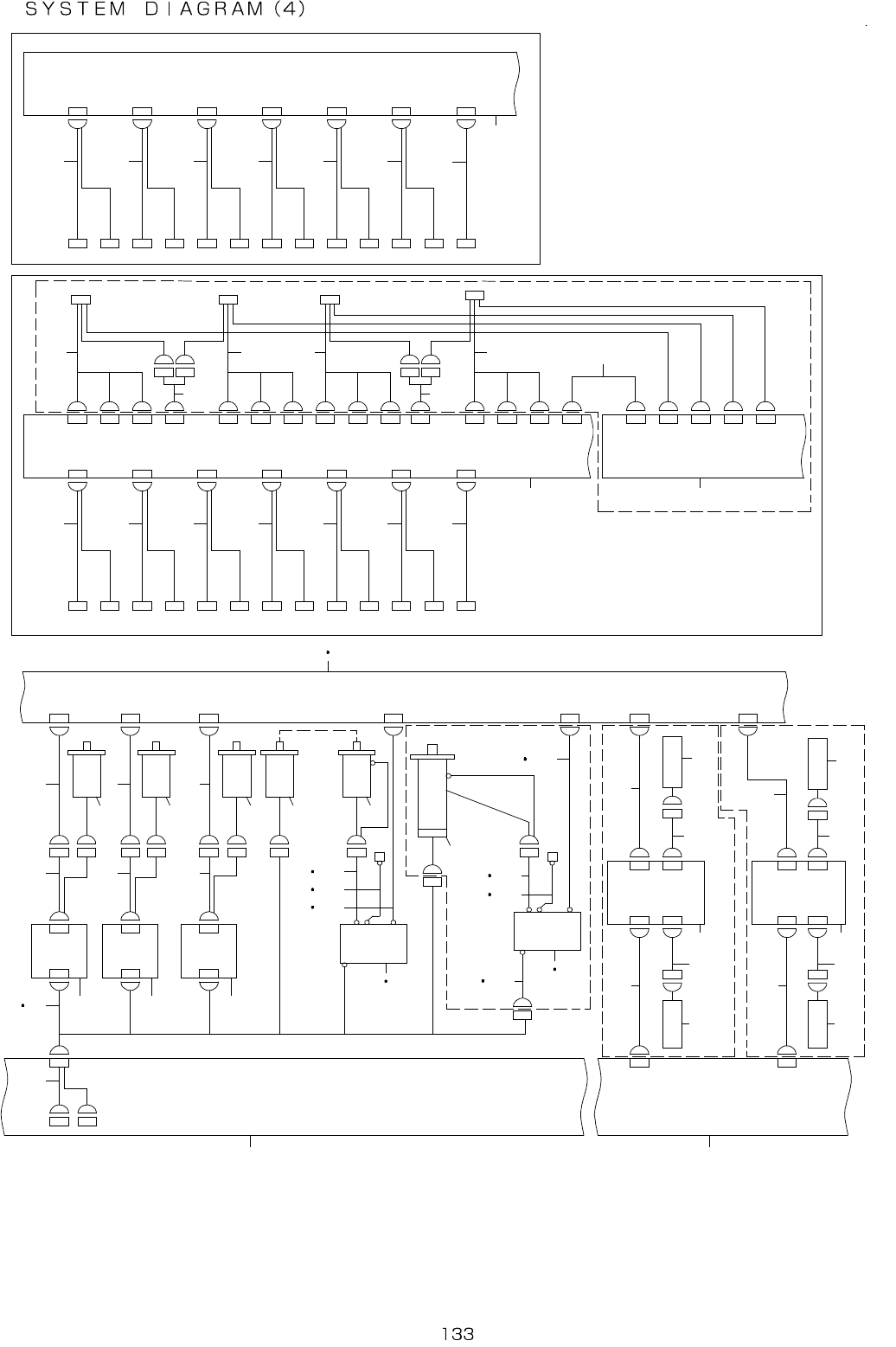
67.SYSTEMDIAGRAM(4)
7 - 5 B
C N 4
C N 0 2 9
C N 0 2 9
C N 0 2 8
C N 0 2 8
B A N K R 0 4
B A N K F 0 4C N 4
5 - 1 B
A W C O P T I O N
C N 6 5 8B U E
B U U P
E N C O D E R
C N 7 - 2 C N 7 - 2
C N 7 - 1 C N 7 - 1
C N 7
R I G H T M O T O R D R V
C N 6 5 6
R M - P
R M T
R M - 2R M - 1 C N 2C N 1
R I G H T
M O T O R
L E F T M O T O R D R V
C E N T O R M OT O R D R V
C N 6 5 6
C N 6 5 6
L M - P
L M T
L M - 2L M - 1 C N 2C N 1
C M - PC M - 2C M - 1 C N 2C N 1
L E F T
M O T O R
C E N T O R
M O T O R
C M T
I O - C N 7
C N 6 5 7
C N 6 5 9
A W C M
A W C E
B U M
B U U P
M O T O R
C N 7 0 5
C N 7 0 4
C N 7 0 3
C N 7 0 2
B K - F L
B K - F L
B K - R R
B K - F R
F R O N T C O N N E C T O R B R A C K E T ( 1 / 2 )
5 5 - 6 0
4 9 - 5 4
4 3 - 4 8
3 7 - 4 2
6 7 - 7 2
6 1 - 6 6
7 3 - 7 9
C N 6 1 8 C N 1 8
C N 6 2 0 C N 2 0
C N 6 2 1 C N 2 1
C N 6 2 2 C N 2 2
3 1 - 3 6
2 5 - 3 0
1 9 - 2 4
1 3 - 1 8
7 - 1 2
1 - 6
C N 6 2 3 C N 2 3
C N 6 2 4 C N 2 4
C N 6 2 5 C N 2 5
7 - 4 C
( R E A R )
F E E D E R I / F
P C B ( 1 / 2 )
5 - 1 C
1 - 4 C
5 5 - 6 0
4 9 - 5 4
4 3 - 4 8
3 7 - 4 2
6 7 - 7 2
6 1 - 6 6
7 3 - 7 9
C N 6 1 8 C N 1 8
C N 6 2 0 C N 2 0
C N 6 2 1 C N 2 1
C N 6 2 2
C N 2 2
3 1 - 3 6
2 5 - 3 0
1 9 - 2 4
1 3 - 18
7 - 1 2
1 - 6
C N 6 2 3
C N 2 3
C N 6 2 4
C N 2 4
C N 6 2 5
C N 2 5
C N 5
C N 4
B W R R
C N 1 3 C N 6 1 3
C N 9 C N 6 0 9
C N 5 C N 6 0 5
B W R L
C N 1 2 C N 6 1 2
C N 2 9 C N 6 2 9
C N 4 C N 6 0 4
C N 3
C N 6 C N 7 0 6
C N 3 2 C N 6 3 2
D R V
P C B ( 1 / 2 )
4 0 1 3 0 3 6 5
B W L R
C N 1 1 C N 6 1 1
C N 7 C N 6 0 7
C N 3 C N 6 0 3
7 - 4 A
B W L L
C N 1 0 C N 6 1 0
C N 2
C N 2 8 C N 6 2 8
C N 2 C N 6 0 2
( F R O N T )
F E E D E R I / F
P C B ( 1 / 2 )
F E E D E R
( R E A R _ R I G H T )
B A N K R 0 3
F E E D E R
( R E A R _ R I G H T )
F E E D E R
( R E A R _ L E F T )
B A N K R 0 2
F E E D E R
( R E A R _ L E F T )
C N 3
C N 2
C N 1
F E E D E R
( F R O N T _ R I G H T )
B A N K F 0 3C N 3
F E E D E R
( F R O N T _ R I G H T )
F E E D E R
( F R O N T _ L E F T )
B A N K F 0 2 C N 2
F E E D E R
( F R O N T _ L E F T )
D R I V E C Y L I N D E R ( R ) O P T I O N
D R I V E C Y L I N D E R ( F ) O P T I O N
B A N K R 0 1
C N 1B A N K F 0 1
C N 2 0 4
C N 4
5 - 4 A
B A N K P C B ( R )
B A N K P C B ( F )
M I F E E E D E R
P C B ( 2 / 5 )
C N 2 0 2C N 2
C N 4 5 5
R 1 4 E
R 1 3 E
1
2
3 4
5 5 5
6
7
8
9
1 1
5 4
1 0 1 0 1 0 1 2 1 7
C N 0 3 3
C N 0 3 4
C N 0 3 5
P W R 3 5
P W R 3 4
P W R 3 3
P W R 0 1 2
C N 0 1 2
C N 0 1 1
P W R 0 1 1
1 5 1 6
1 8 1 9
2 0 2 1
1 3 1 4
5 P H A S E
D R I V E R
I O - 2 0
P C B ( 5 / 6 )
3 - 3 C
P O W E R U N I T ( 4 / 9 )
3 - 3 C
2 2
A U T O W I D T H
A D J U S T M E N T M O T O R
2 9 3 0
C N 6 6 0
1 3 1 4
2 3 2 4
2 5 2 6
2 7 2 8
5 P H A S E
D R I V E R
3 1
3 2
3 3
5 5
5 6
3 5
5 9
3 7
3 3
5 7
5 8
3 4 3 4
3 6
3 6
3 8 3 9
4 2 4 3 4 4 4 5 4 6 4 7 4 8
4 0 4 1
5 3
5 2
6 1
5 15 0
6 0
4 9
C O N N E C T O R B R U N I T B F O P T I O N
4 2 4 3 4 4 4 5 4 6 4 7
4 8
R E A R C O N N E C T O R B R A C K E T ( 1 / 2 )
4 0

- -
REF.NO NOTE PARTNO DESCRIPTION Qty
1 401-36345 IO-20PCBASM 1
2 401-36535 IOPCBRELAYCABLEASM 1
3 401-36536 CARRYMOTORCABLEASM 1
4
#02
401-36561 CARRYMOTORCABLEASM(EN) 1
5 HM-0013200-00 MOTORDRIVER 1
6 401-36538 CENTORMOTORCABLEASM 1
7 401-36537 CENTORMOTORPWRCABLEASM 1
8 401-36540 LEFT-MOTORCABLEASM 1
9 401-36539 LEFTMOTORPWRCABLEASM 1
10 400-48075 JOINTMOTORASM 1
11 401-36542 RIGHT-MOTORCABLEASM 1
12 E9433-729-0A0 BUENCASM. 1
13 HX-0042000-00 5PHASESTEPDRIVER 1
14
#02
HX-0068900-00 5PHASESTEPDRIVER 1
15 401-36631 BUMOTORCABLEASM 1
16
#02
401-36632 BUMOTORCABLEASM(EN) 1
17 400-48076 BACKUPMOTORASM 1
18 401-36633 BUDRVFGCABLEASM 1
19
#02
401-36634 BUDRVFGCABLEASM(EN) 1
20 401-36627 BUDRVPWRCABLEASM 1
21
#02
401-36628 BUDRVPWRCABLEASM(EN) 1
22 400-48077 AWCMOTORASM 1
23 401-36639 AWCDRVRELAYCABLEASM 1
24
#02
401-36640 AWCDRVRELAYCABLEASM(EN) 1
25 401-36635 AWCMOTORCABLEASM 1
26
#02
401-36636 AWCMOTORCABLEASM(EN) 1
27 401-36637 AWCDRVFGCABLEASM 1
28
#02
401-36638 AWCDRVFGCABLEASM(EN) 1
29 401-36629 AWCDRVPWRCABLEASM 1
30
#02
401-36630 AWCDRVPWRCABLEASM(EN) 1
31 401-30370 MIFEEDERPCBASM 1
32 401-36530 BKFPI(F)RLYCABLEASM 1
33 400-00575 DRIVECYLINDERL 1
34 401-30379 BANKPCBASM 1
35 401-36532 BANKPWR(F)CABLEASM 1
36 400-00576 DRIVECYLINDERR 1
37 401-36531 BKFPI(R)RLYCABLEASM 1
38
#01
401-37036 POWER_UNIT(ST) 1
39
#02
401-37045 POWER_UNIT(EN) 1
40 401-30360 FEEDERI/FPCBASM 1
41 401-30365 DRVPCBASM 1
42 401-36620 RADIALCBCABLE1ASM 1
43 401-36621 RADIALCBCABLE2ASM 1
44 401-36622 RADIALCBCABLE3ASM 1
45 401-36623 RADIALCBCABLE4ASM 1
46 401-36624 RADIALCBCABLE5ASM 1
47 401-36625 RADIALCBCABLE6ASM 1
48 401-36626 RADIALCBCABLE7ASM 1
49 401-44972 LLBW-LCABLEASM 1
50 401-44973 LRBW-LCABLEASM 1
51 401-44974 RLBW-LCABLEASM 1
52 401-44975 RRBW-LCABLEASM 1
53 401-36601 FEEDERI/FCABLEASM 1
54 401-36541 RIGHTMOTORPWRCABLEASM 1
55 401-36520 BANKFLCABLEASM 1
56 401-36522 BANKFRCABLEASM 1
57 401-36521 BANKRLCABLEASM 1
58 401-36523 BANKRRCABLEASM 1
59 401-36533 BANKPWR(R)CABLEASM 1
60 401-44970 BW-LCABLERELAYLASM 1
61 401-44971 BW-LCABLERELAYRASM 1

- -
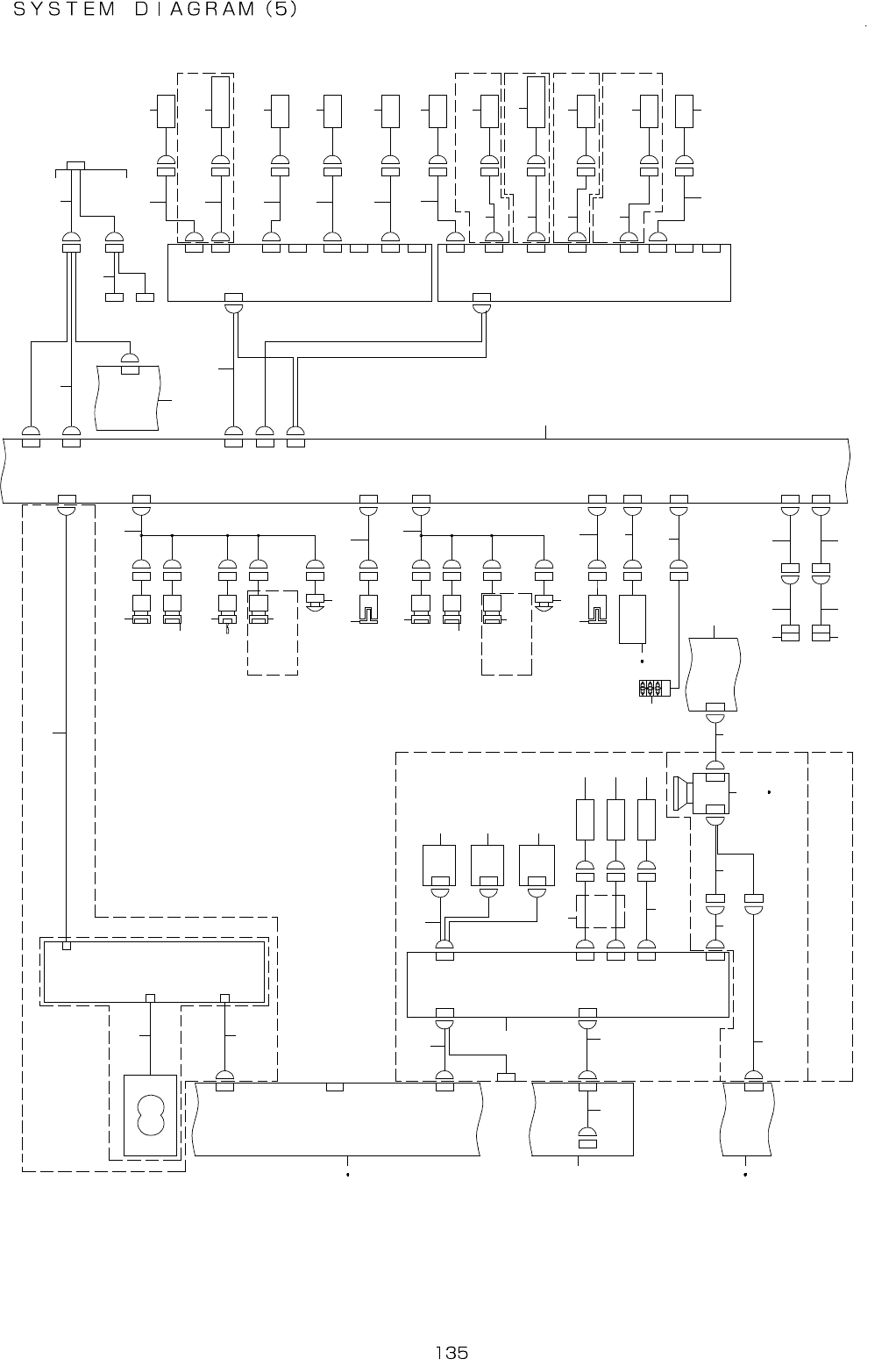
68.SYSTEMDIAGRAM(5)
6 - 1 A
C P U B O A R D ( 4 / 7 )
3 - 2 D
6 - 3 B
P O W E R U N I T
( 6 / 9 )
5 - 1 C
C N 3 0 5C N 5
L O A D C E L L A S M
C N 2 6 C N 5 2 6
C O V E R O P E N S W ( R )
C O V E R O P E N S W ( F )
M B F S E T S W ( F R )
C N 5 4 6 C N 4 6
M B F S E T S W ( F L )
C N 5 4 8 C N 4 8
E M G S W ( R )
E M G S W ( F )
L O A D C E L L O P T I O N
C N 5 0 7
L O A D C E L L
L O A D C E L L A M P
C N 5 3 8C N 3 8
C N 5 3 9C N 3 9
C N 5 1 6
C N 1 6
C O U T
S T O P
W A I T
S 8
S 7
S 6
S 5
S 4
S 3
S 2
S 1
S B 1
T . P I N O P T I O N
A W C O P T I O N
A W C O P T I O N
A W C O P T I O N
R I G H T
S E N S O R
S 8
S 7
S 6
S 5
S 4
S 3
S 2
S 1
R I G H T
E N O N L Y
A W C O R G
T . P I N
B U R C V
B U L O C K
B U O R G
B U E M I S
L E F T
S B 2
A W C O R G
S E N S O R
T . P I N
S E N S O R
B U P I N S E N S O R
( R E C E I V I N G )
B U L O C K
S E N S O R
B U O R G
S E N S O R
C O U T
S E N S O R
S T O P
S E N S O R
W A I T
S E N S O R
L E F T
S E N S O R
C N 3 0 7C N 7
C N 3 0 3C N 3
C N 3 0 4C N 4
V C S S . V . C A B L E A S M
V C S O P S E N S A S M
V C S S T S E N S A S M
C N 4 7 6
C N 4 7 4
C N 4 7 5
C O V E R B R
C N 0 3 2
7 - 2 A
B A S E
P C B ( 3 / 5 )
P O W E R U N I T ( 5 / 9 )
C N 7
C N 0 3 0
4 - 3 D
2 - 2 D
4 - 1 D
M I F E E D E R
P C B ( 3 / 5 )
C N 6 6 C N 5 6 6
( t o
R F I D )
5 - 5 A
( t o
R F I D )
5 - 5 A
M T S 2
M T S 1
C N 1 C N 2 0 1
I S L
I / F R
M T C I / F
7 - 2 A
L A N 4
L A N 4
D e p t h f r o m f o c u s p r o c e s s i n g [ ( D F F P )
C N 5
C N 3 0 5
D F F P V C S
V C S D F F P
C N 4 8 1 C N 4 8 1 R
M B F S W ( F R )
O P E N R O P
O P E N F O P
M B F S W ( F L )
C N 4 8 4
C N 4 8 3
C N 4 8 0
C N 4 8 4 R
C N 4 8 3 R
C N 4 8 0 R
C N 4 8 4
C N 4 8 3
C N 4 8 2
C N 4 8 1
C N 4 8 0
C N 5 4 7
C N 4 7
C N 5 4 9
C N 4 9
S T O P S W ( R )
S T A R T S W ( R )
C N 4 8 4 F
H O D
C N 5 6 1
C N 6 1
H O D B O X
C N 8 0 1
C N 5 3 7 C N 3 7
S I G N A L
T O W E R
R E A R M O N I T O R O P T I O N
C O N S O L E S W ( F )
R E A R M O N I T O R O P T I O N
C O N S O L E S W ( R )
M A I N T E N A N C E
K E Y S W
C N 4 8 3 F
S T A R T S W ( F )
C N 4 8 2 F
C N 4 8 1 F
C N 4 8 0 F
C N 5 4 3
C N 4 3
C N 5 4 2 C N 4 2
V C S O P T I O N
( 1 - 4 C )
5 - 1 D
C N 4 7 3
C N 4 7 3
C N 1 0C N 3 1 0
C N 0 3 6
C N 0 3 6
4 - 1 C
C N 9C N 9 C N 9
I O - 2 0
P C B ( 6 / 6 )
C N 3 1 3
C N 1 3
I O - C N 9
C N 2 C N 3 0 2
C O A X I A L
L I G H T P C B
C N 1V C S - C N 1
V C S - C N 2
C N 2
B O T T O M
L I G H T P C B
C N 3
V C S - C N 3
S I D E L I G H T
U N I T
L I G H T
C T R L P C B
B U P I N S E N S O R
( E M I S S I O N )
V C S P W R
V C S T R G
1 3 7 1 1 1 3
5
1 2
6 3
2 4 6 1 0
8 9
1 4
1 5
1 6
1 7 1 8 1 9
2 0 8 9
2 1
2 2
2 3
2 4
2 62 5 2 7
2 8
S T O P S W ( F )
2 9
3 0 3 1
3 2
3 3
2 8
2 9
3 1
3 2
3 4
3 3
3 5 3 6
3 7
3 8 3 8
3 9 3 9
4 0 4 1
4 2
4 3
4 4
4 5
4 7
4 8
4 9
5 0
5 1
5 2
5 4
5 3 5 5
5 6
5 7
5 8
5 9
6 0
6 1
6 2
6 4 6 5
6 6
6 7
6 8
6 9
7 0 7 1
7 2
7 3
4 6