松下NPM-D3配件手册partlist_0FB38 - 第199页
Ref No. Re m arks R 1 Q'ty 1-B PCデュアルコンベア:NPM-D2 PC Dual Conveyor:NPM-D2 イラスト No. Part No. 品名 品番 数量 R 2 パーツリスト Kit No. キット品番 Kit Name キット名称 N610154079AD Part Name 備考 セクションNo. PARTS LIS T Sect ion No. R 3 GUI…

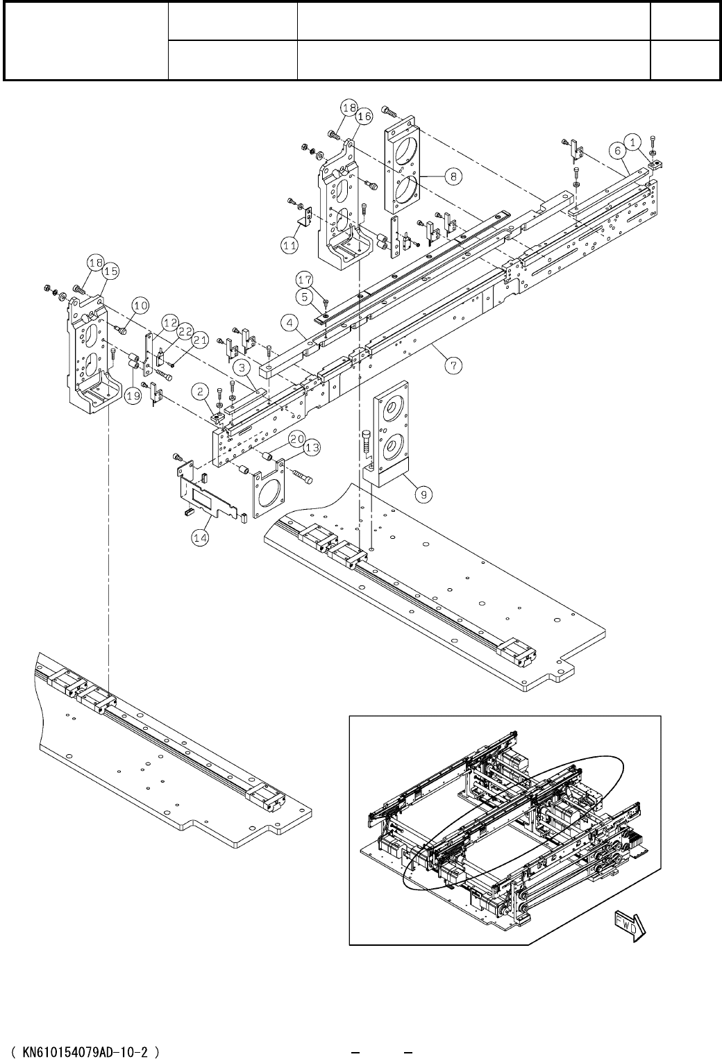
1-B
PCデュアルコンベア:NPM-D2
PC Dual Conveyor:NPM-D2
パーツレイアウト
Kit No.
キット品番
Kit Name
キット名称
N610154079AD
セクションNo.
PARTS LAYOUT
Section No.
O3

Ref
No.
Remarks R
1
Q'ty
1-B
PCデュアルコンベア:NPM-D2
PC Dual Conveyor:NPM-D2
イラスト
No.
Part No.
品名品番 数量
R
2
パーツリスト
Kit No.
キット品番
Kit Name
キット名称
N610154079AD
Part Name
備考
セクションNo.
PARTS LIST
Section No.
R
3
GUIDE
1
1 N210105097AC
GUIDE
1
2 N210105096AB
GUIDE
1
3 N210184601AB
GUIDE
1
4 N210184763AE
PLATE
1
5 N210173678AA
GUIDE
1
6 N210184604AB
FRAME
1
7 N210176836AG
HOLDER
1
8 N210173685AB
BRACKET
1
9 N210173694AB
PIN
2
10 KXFB0210A00
DOG
1
11 N210173720AA
PLATE
2
12 N210182115AB
PLATE
1
13 N210178038AA
BRACKET
1
14 N210182682AB
BRACKET
1
15 N610151386AC
BRACKET
1
16 N610151387AB
BOLT
6
17 N510056643AA Ultra bowlow Cap M3X6L(SCM435.Fe3O4)
BOLT
6
18 N510067779AA Low Head Cap Screw M5X12-8.8 A2J(Trivalent)
SPACER
4
19 N510030565AA CB-411E
SPACER
2
20 N510037036AA CF-510E
SCREW
4
21 N510018669AA
Cross recessed Pan head machine screw with Spring washer & Small round
SENSOR
1
22 N610098146AA
O4

1-C
PCデュアルコンベア:NPM-D2
PC Dual Conveyor:NPM-D2
パーツレイアウト
Kit No.
キット品番
Kit Name
キット名称
N610154079AD
セクションNo.
PARTS LAYOUT
Section No.
O5