松下NPM-D3配件手册partlist_0FB38 - 第257页
Re f No. Re m arks R 1 Q'ty 11-A 交換台車駆動部(前側):NPM-D3 Feeder ca rt drive unit(front si de):NPM-D3 イラスト No. Part No. 品名 品番 数量 R 2 パーツリスト Kit N o. キット品番 Kit N am e キット名称 N610160989AA Part Name 備考 セクションNo. PARTS L…

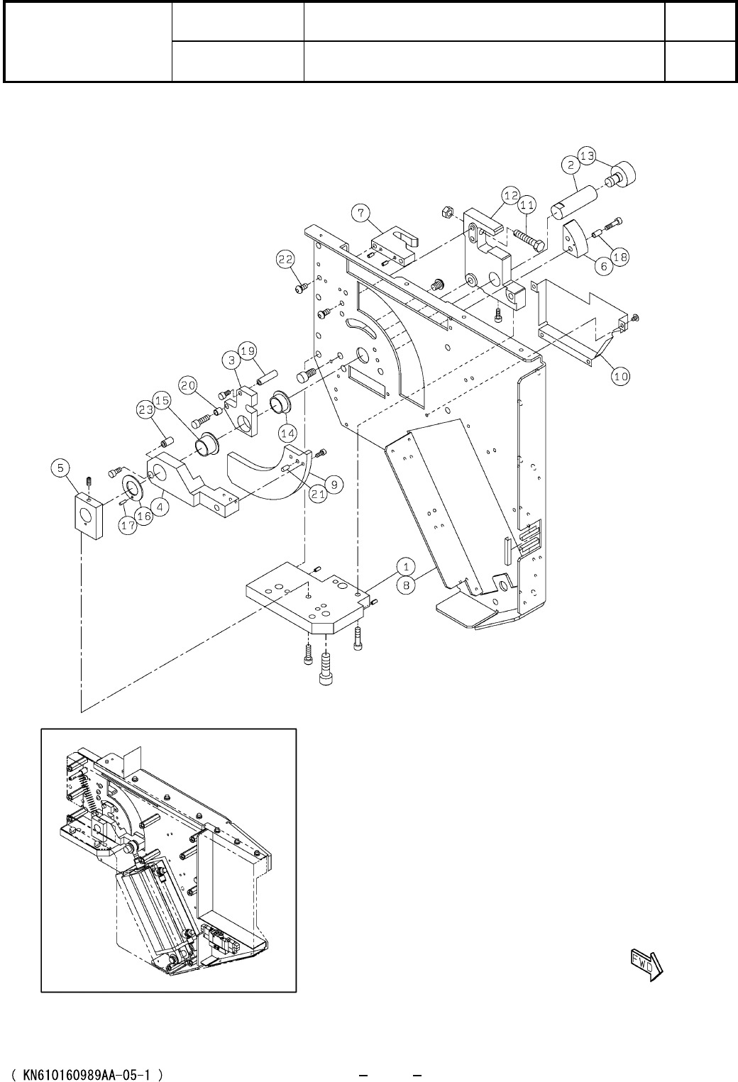
11-A
交換台車駆動部(前側):NPM-D3
Feeder cart drive unit(front side):NPM-D3
パーツレイアウト
Kit No.
キット品番
Kit Name
キット名称
N610160989AA
セクションNo.
PARTS LAYOUT
Section No.
O61

Ref
No.
Remarks R
1
Q'ty
11-A
交換台車駆動部(前側):NPM-D3
Feeder cart drive unit(front side):NPM-D3
イラスト
No.
Part No.
品名品番 数量
R
2
パーツリスト
Kit No.
キット品番
Kit Name
キット名称
N610160989AA
Part Name
備考
セクションNo.
PARTS LIST
Section No.
R
3
PLATE
1
1 N210091232AB
SHAFT
1
2 N210091107AA
LEVER
1
3 N210103082AE
LEVER
1
4 N210103083AB
PLATE
1
5 N210091110AA
GUIDE
1
6 N210094054AC
GUIDE
1
7 N210103087AC
PLATE
1
8 N210190529AC
GUIDE
1
9 N210103090AB
COVER
1
10 N210103091AD
STOPPER
1
11 N610160991AA
BRACKET
1
12 N610160572AA
CAM-FOLLOWER
1
13 N510036568AA CF-SFU-12B
BUSH
1
14 N510037242AA LFF-2010
BUSH
1
15 N510013369AA LFF-2015
WASHER
1
16 N510037241AA LFW-2015
PIN
1
17 N510020590AA MMS3-10
SPACER
2
18 N510038787AA 3382330-50120
DOWEL-PIN
1
19 N510038675AA MMST8-30
SPACER
1
20 N510042412AA 3382330-60080
PIN
1
21 N510020607AA MMS5-10
BOLT
4
22 N510017555AA
SSS 003 Hexagon socket button head screw M6X12-10.9 A2J (Trivalent)
PIN
1
23 N510027277AA MMST8-15
O62

11-B
交換台車駆動部(前側):NPM-D3
Feeder cart drive unit(front side):NPM-D3
パーツレイアウト
Kit No.
キット品番
Kit Name
キット名称
N610160989AA
セクションNo.
PARTS LAYOUT
Section No.
O63