松下NPM-D3配件手册partlist_0FB38 - 第292页
24 全体カバー(トレイフィーダ対 応品):NPM-D3 W hole Cover(For Tray feeder):NPM-D3 パーツレイアウト Kit N o. キット品番 Kit N am e キット名称 N610161790AA セクションNo. PARTS LA YOUT Section No. O97

Ref
No.
Remarks R
1
Q'ty
23
Y軸ストッパ(標準交換台車仕様):NPM
Y axis stopper for standard cart:NPM
イラスト
No.
Part No.
品名品番 数量
R
2
パーツリスト
Kit No.
キット品番
Kit Name
キット名称
N610085056AA
Part Name
備考
セクションNo.
PARTS LIST
Section No.
R
3
POST
2
1 N210149856AA
SCREW
2
2 XXF12C35FT
Hexagon socket set screw Flat point M12X35-45H SOB
O96

24
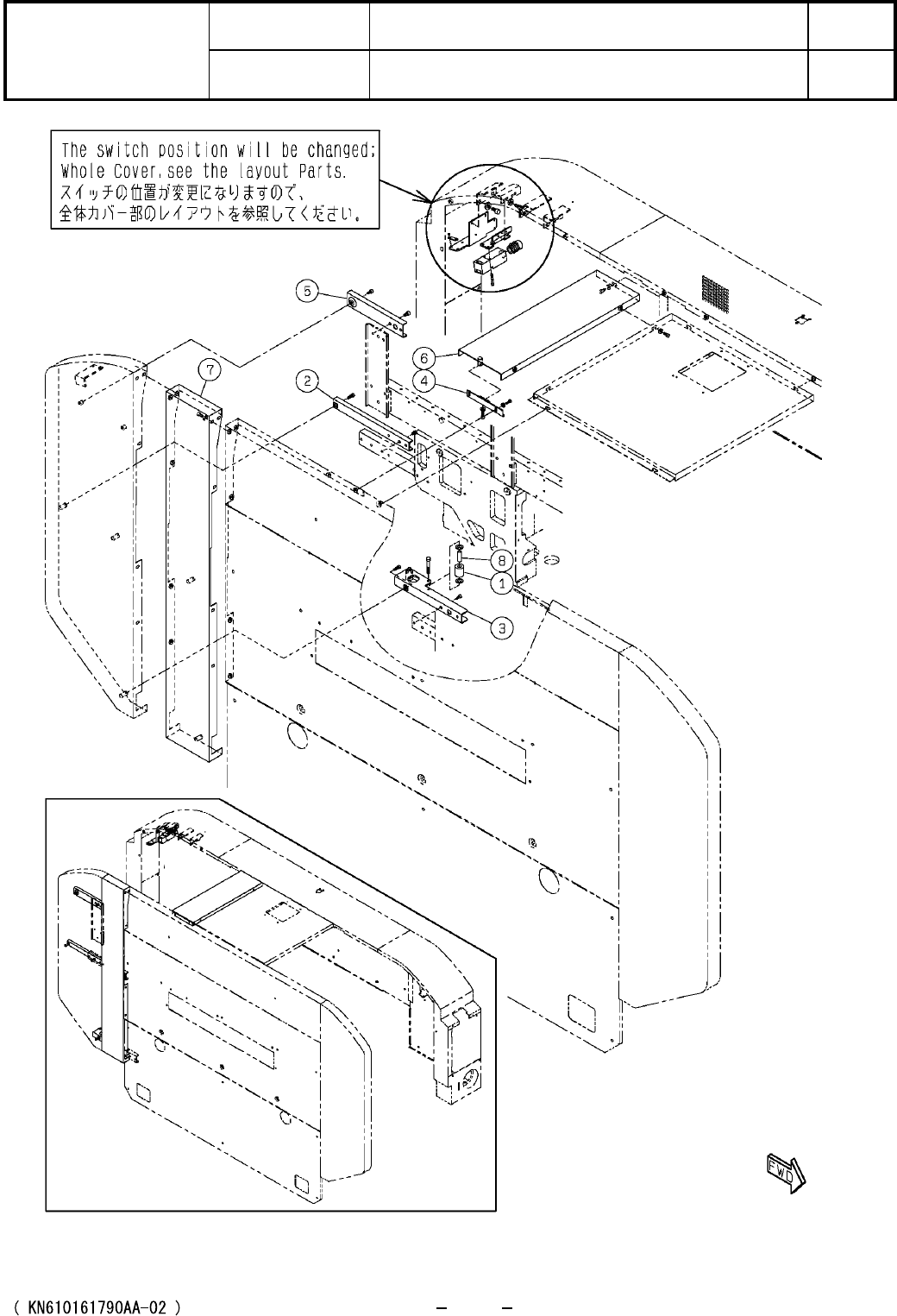
全体カバー(トレイフィーダ対応品):NPM-D3
Whole Cover(For Tray feeder):NPM-D3
パーツレイアウト
Kit No.
キット品番
Kit Name
キット名称
N610161790AA
セクションNo.
PARTS LAYOUT
Section No.
O97

Ref
No.
Remarks R
1
Q'ty
24
全体カバー(トレイフィーダ対応品):NPM-D3
Whole Cover(For Tray feeder):NPM-D3
イラスト
No.
Part No.
品名品番 数量
R
2
パーツリスト
Kit No.
キット品番
Kit Name
キット名称
N610161790AA
Part Name
備考
セクションNo.
PARTS LIST
Section No.
R
3
CUSHION
2
1 N210157698AB
BRACKET
1
2 N210157664AA
BRACKET
1
3 N210191767AA
BRACKET
1
4 N210164465AA
BRACKET
1
5 N210191843AA
COVER
1
6 N610133213AC
COVER
1
7 N610161824AB
SPACER
2
8 N510026208AA CB-525E
O98