松下NPM-D3配件手册partlist_0FB38 - 第53页
Ref No. Re m arks R 1 Q'ty 9-A X軸:NPM-D3 X-Ax is:NPM-D3 イラスト No. Part No. 品名 品番 数量 R 2 パーツリスト Kit No. キット品番 Kit Name キット名称 N610160756AA Part Name 備考 セクションNo. PARTS LIS T Sect ion No. R 3 STOP PER 4 1 N2101092…

9-A
X軸:NPM-D3
X-Axis:NPM-D3
パーツレイアウト
Kit No.
キット品番
Kit Name
キット名称
N610160756AA
セクションNo.
PARTS LAYOUT
Section No.
S31

Ref
No.
Remarks R
1
Q'ty
9-A
X軸:NPM-D3
X-Axis:NPM-D3
イラスト
No.
Part No.
品名品番 数量
R
2
パーツリスト
Kit No.
キット品番
Kit Name
キット名称
N610160756AA
Part Name
備考
セクションNo.
PARTS LIST
Section No.
R
3
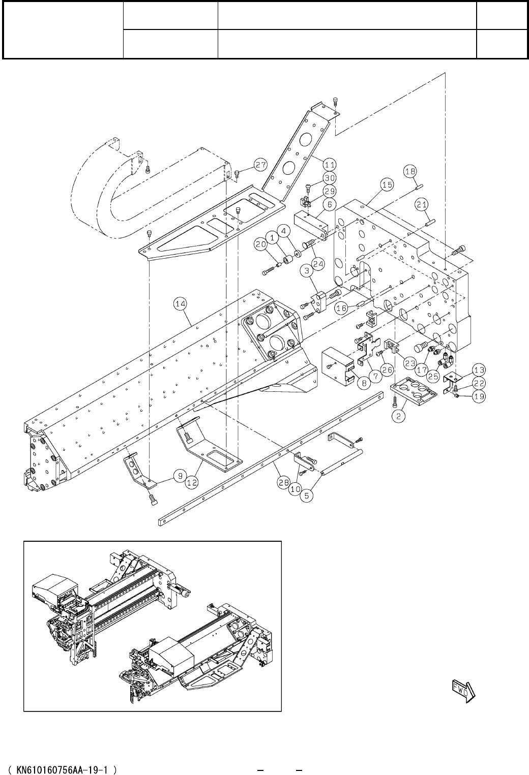
STOPPER
4
1 N210109236AB
PLATE
2
2 N210189794AA
BLOCK
2
3 N210135162AB
WASHER
4
4 N210189795AA
HANDLE
2
5 N210126371AA
SHAFT
1
6 N210189800AA
BRACKET
2
7 N210194639AA
COVER
2
8 N210189804AA
BRACKET
2
9 N210190916AB
BRACKET
4
10 N210190915AB
GUIDE
1
11 N210190917AC
BRACKET
2
12 N210190918AC
BRACKET
1
13 N210191349AA
X-BEAM(F)
1
14 N610160545AD
PLATE(F)
1
15 N610160626AB
PIN
4
16 N510020608AA MMS5-15
GREASE-NIPPLE
4
17 N560AMT6-130 A-MT6X1-Type(M6X1)
PIN
4
18 N510020598AA MMS4-15
SPACER
4
19 N510036999AA ASF-2605E
SPACER
4
20 N510044825AA 3382330-40075
PIN
4
21 N510020609AA MMS5-20
BOLT
4
22 N510067791AA Low Head Cap Screw M4X6-8.8 SOB
CABLE-SUPPORT
4
23 KXFP6J9XA00 KR7G5
BOLT
2
24 N510056821AA
Extra low head bolt M6X20L(SCM435 Trivalent chromeite)
JOINT
4
25 N510066662AA KQ2L04-M5A
BOLT
4
26 N510017516AA
SSS 003 Hexagon socket button head screw M4X10-10.9 A2J (Trivalent)
BOLT
8
27 MTNK000560AA
Hexagon socket head cap screw M4X8-10.9 A2J (Trivalent)(MEC process:T
PLATE
2
28 N510063203AA P057012-T05N
SENSOR
1
29 MTNS000239AA EE-SX951-C2J-R 0.5M
BOLT
2
30 N510000327AA
SSS 003 Hexagon socket button head screw M3X8-12.9 SOB
S32

9-B
X軸:NPM-D3
X-Axis:NPM-D3
パーツレイアウト
Kit No.
キット品番
Kit Name
キット名称
N610160756AA
セクションNo.
PARTS LAYOUT
Section No.
S33