20121120111955_KY8030_2_Maintenance_Manual_Eng_ver1 - 第57页
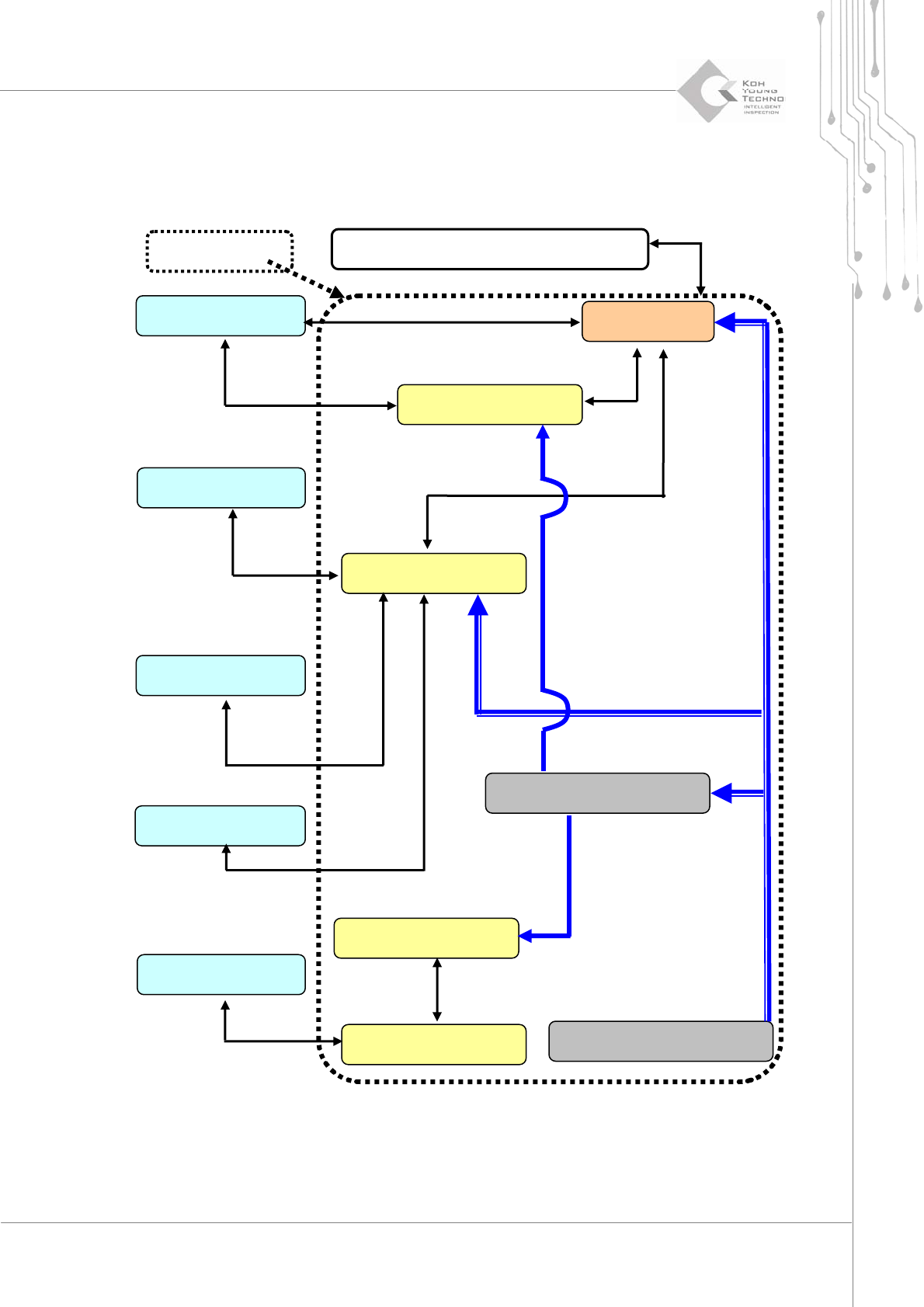
Maintenance Manual | 57 2.2. System Block Diagram SP-702(Probe) Z - Axis Y - Table Conveyor X - Gantry VPC Board STMC Board Vision - PC Main Power(DC 220V) Servo Motor Driver Step Motor Driver DC Power Supply Electrical …

56 | KY-8030 2
3DSolderPasteInspectionSystem
Version 1.0
KOH YOUNG TECHNOLOGY INC.
Input Unit Mouse & Keyboard
Monitor 17” LCD Panel
Operation
Condition
Operation Temperature 20-30°C
Operation Humidity 30~80% non-condensing
Option Barcode Reader
2.1.2. SIZE OF THE MACHINE
Model Dimensions
KY-8030 2 1000 x 1230 x 1369 mm
Figure 2-1. KY-8030 2 System Dimension

Maintenance Manual | 57
2.2. System Block Diagram
SP-702(Probe)
Z - Axis
Y - Table
Conveyor
X - Gantry
VPC Board
STMC Board
Vision - PC
Main Power(DC 220V)
Servo Motor Driver
Step Motor Driver
DC Power Supply
Electrical Box
Keyboard, Mouse, LCD monitor,

58 | KY-8030 2
3DSolderPasteInspectionSystem
Version 1.0
KOH YOUNG TECHNOLOGY INC.
2.3. Electric Drawing