SM451_TechnicalReference(Kor_Ver4[1].1) - 第122页
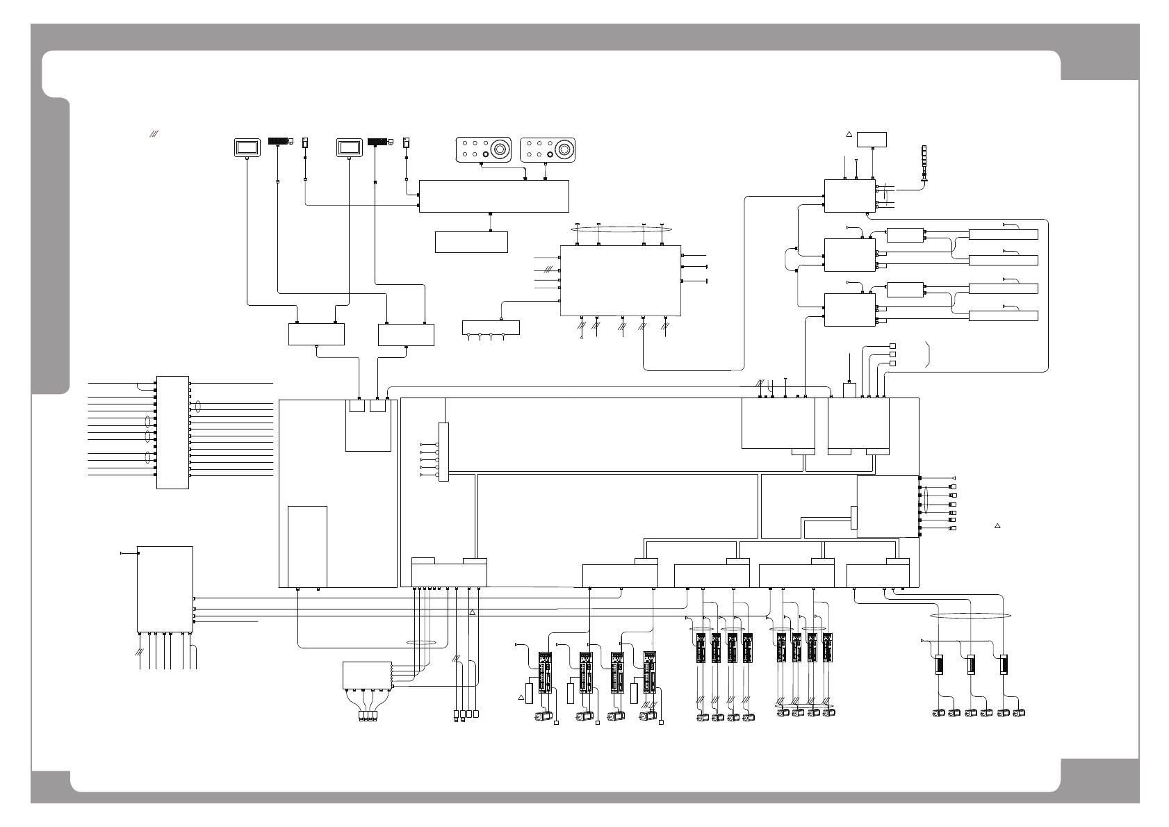
Page SAMSUNG TECHWIN 11 2 SM451 V ME IO Board Interface juX [w zt[YXwG}tlG pvGpssG ivhyk zt[YXwG}tlG pvGpssG ivhyk ]w juY Y X [ XWw ju] Z Z [[ Y X Y X Y[n Y[n RY[} RY[} \ Z ] RY[} m[jhtXGzpkl RY[} RY[} m[jhtXGjvhphs m…

Page
SAMSUNG TECHWIN
111
SM451
SM451V Wiring Diagram
SM33_KV005-1
USB HUB
INPUT
OUT1 OUT2
SM33_KV015
SM33_KV015
MONITOR DISTRIBUTOR
VGA-IN
OUT1 OUT2
CN30 CN31
CN36
CN34
SM33_CV023-2
SM33_CV023-3
SM33_KV005-2
SM33_KV005-3
SAFETY CONTROL BOARD
CN32
SM33_CV036
SM33_SC013
SM33_SC012
SM33_CV034
SM33_CV035
CONV.SUB I/F BOARD
SM33_KV003-1
CN7
SM33_KV003-3
J1
BOARD
LED I/F
24G
2
2
2
SM451_LED001
CN11
1
SM451(LEAD SCANNER)
(ONLY F-FDR USE)
SM421P_CA005
ⵥㇽ
SELECT
Y
C
G
M
E
R
E
E
N
ⵥㇽ
FEEDER CHG
䞝ㇽ
RESET
ⵥㇽ
READY
⊭ㇽ
START
EM
㤵ㇽ
STOP
ⵥㇽ
SELECT
Y
C
G
M
E
R
E
E
N
ⵥㇽ
FEEDER CHG
䞝ㇽ
RESET
ⵥㇽ
READY
⊭ㇽ
START
EM
㤵ㇽ
STOP
SM41_CV037
SM41_CV037
<REAR>
(TO Z FORCE EXT CABLE)
SM451_VI009
SM421P_VI006
CN7
CN6
B/D
CON1
CON2CON3
CON4
CON5
CON6
4
3
2
1
R1 STAGE CAM#2
R1 STAGE CAM#1
SM451_VIS007
G-ENET1
LAN1 PORT
SM421P_VIS003
SM421P_MD020
SM421P_MD018
SM421P_MD019
SM421P_MD017
SM421P_MD008
SM421P_MD006
SM421P_MD007
SM421P_MD005
SM421P_PW020-4
SM421P_PW020-3
SM421P_PW020-2
SM421P_PW020-1
SM421P_HD004-1
SM421P_HD004-2
SM421P_HD004-3
SM421P_HD002
RESISTOR
REGENERATIVE
RESISTOR
REGENERATIVE
SM421P_LI004
SM421P_LI002
SM421P_LI002
X LINEAR SCALE
Y2 LINEAR SCALE
Y1 LINEAR SCALE
SM421P_SC013(HEAD IF B/D)
NOZ EXIST SEN
SM421P_HD007
SM421P_HD001
SM421P_HD006
SM421P_HD005
SM421P_HD003
SM421P_HD004-4
FID#1 ILL
VAC_BLOW SOL
Z2 TH/FORCE SEN
Z4 TH/FORCE SEN
Z3 TH/FORCE SEN
FID#2 ILL
Z1~Z4_FORCE SEN
REGULATOR
OVERBLOW SOL
(TO VAC SEN B/D CN1)
Z1~4_HOME SEN
VAC_BLOW_SOL
CAN
TH1~4_H SEN
CN16
Z1~4_H SEN
CN17
CN18
CN1
CN3
CN2
(N.C)
CN1
CN8
+24V,24G
SM421P_VI001
STAGE CAM2 LED
STAGE CAM1 LED
CN5
F4 CAM4 LED
F4 CAM3 LED
CN4
SM421P_CV002
CN5
Z1 TH/FORCE SEN
+24V,24G
CN14
CN13 CN12
CN11
CN10
CN4
CN6
CN7
CN15
CN8
CN9
HEAD IO B/D
CN4
(FROM AXIS BD CN12)
SM421P_AX007
CN3
CN2CN1
CN7
CN6
SM421P_AX012
SM421P_VM009
SM421P_VM008SM421P_VM007
CN2
CN1
CN2
MODE
SET
Panasonic AC servo
MODE
SET
Panasonic AC servo
MODE
SET
Panasonic AC servo
MODE
SET
Panasonic AC servo
MODE
SET
Panasonic AC servo
MODE
SET
Panasonic AC servo
MODE
SET
Panasonic AC servo
MODE
SET
Panasonic AC servo
SM421P_AX011
SM421p_AX010
Z HOME
T HOME
CN6 CN8
SM421P_AX007 (TO CAN IO CN3 )
CN12
SM421P_CI001(CAN IO B/D CN7)
SM421P_MD013
SM421P_MD004
SM421P_MD003
SM421P_MD002
SM421P_AX009
SM421P_AX008
CN3
CN3
CN7
SM41_AX002
X HOME/+LIMIT/-LIMIT
CN3
P1
X7043(D) B/D
SM421P_MD024
SM421P_MD022
SM421P_MD023
SM421P_MD021
(50W)
(50W)
(50W)
SM421P_HD004
T4
T3
T2T1
(50W)
SM421P_MD012
SM421P_MD010
SM421P_MD011
SM421P_MD009
SM421P_MD001
(50W)
(50W)
(50W)
SM421P_CI002
(FROM SAFETY CTR BD CN29)
SM421P_CI001
+24V,24G
FID CAM#2
SM41_VM005
SM421P_AX005
SM33_CV021
SM41_CV001
SM41_CA004
SM41_MD023
SM41_MD022
SM421P_PW019
SM421P_VM004
SM41_MD007
SM451_MD006
SM41_MD005
SM451_MD004
SM41_MD037
SM41_MD036
SM421P_PW019
SM421P_PW018
SM41_VM003
MODE
SET
Panasonic AC servo
WD
(100W)
RESISTOR
REGENERATIVE
MODE
SET
Panasonic AC servo
MODE
SET
Panasonic AC servo
Y1
(1KW)
Y2
(1KW)
SM421P_VI001(VME I/O B/D)
SM41_IT003(SCANNER)
SM41_KV001(KVMS B/D)
SM41_AX001(AXIS SENSOR B/D)
SM41_FD002/SM41_FD011(R FEEDER I/F-DC)
SM41_FD001/SM41_FD010(F FEEDER I/F-DC)
SM41_CV001(CONVEYOR I/F B/D)
&
SM41_SC006(MAGNETIC CONT. #1)
SM41_VM002(TFEM2)
CN23
SM41_VM001(TFEM1)
SM41_SC005(CONV. SUB I/F B/D)
SM41_SC012(DC POWER B/D CN1)
(REAR FEEDER BASE B/D R/L)
SM421P_FD009/SM41_FD011
(FRONT FEEDER BASE B/D R/L)
SM421P_FD008/SM41_FD010
SM33_SC009(F/R SAFEGUARD KEY)
SM41_SC002(REAR OP PANEL)
SM41_SC001(FRONT OP PANEL)
SM41_PW016(DC POWER SUPPLY #1)
CN29
CN28
CN27
CN26
CN25
CN24
CN22
CN21
CN20
CN19
CN18
CN17
CN16
CN15
B/D
DC
CN14
CN13
CN12
CN11
CN10
CN9
CN8
CN7
CN6
CN5
CN4
CN3
CN2
SC
CN1
(MEGA:SM41_VIS012)
SM33_VIS011
SM421P_VIS006
SM421P_VIS005
SM421P_VIS002
SM421P_VIS001
+24VP,24G
SM41_MD016
SM41_MD015
SM41_MD018SM41_MD014
SM41_MD017SM41_MD013
SM41_MD009SM41_MD010SM41_MD010SM41_MD008
SM41_SC012
CB4
CB3
WB2
WB1
CB2
CB1
SM41_MD002
SM451_MD001
SM41_MD038
SM421P_PW018
MODE
SET
Panasonic AC servo
X
(750W)
SM421P_VM006
Z4
Z3
Z2Z1
(50W)
SM33_KV003-2
CN8
CN7
SM_FD004
SM_FD003
FROM SAFETY CONTROL B/D CN22
SM41_FD002
+24V, 24G
SM41_CA003
SM_FD007
SM_FD006
SM41_FD005
CN1
CN1
SM_FD007
SM_FD006
SM_FD004
SM_FD003
CN8
CN7
FROM SAFETY CONTROL B/D CN21
SM41_FD001
SM421P_CA001
SM41_CA002
SM41_FD005
CN11
SM421P_VI002
SM421P_AX006
SM41_CV040
SM41_AX004
SM41_AX003
SM41_AX001
CN1
CH2
CH1
STEP AXIS B/D
CN1
F24V/G,D24V/G
F24V/G,D24V/G
F24V/G,D24V/G
F24V/G,D24V/G
FRONT FEEDER BASE LEFT B/D
FRONT FEEDER BASE RIGHT B/D
EXT.BOARD
CN2
CN3
FEEDER INPUT
REAR FEEDER BASE RIGHT B/D
REAR FEEDER BASE LEFT B/D
FLAT CABLE
도급
AMESS
CN2
CN3
REAR FEEDER UNLOCK SENSOR
Y1 HOME/+LIMIT/-LIMIT
WD HOME
PCB IN/WAIT/WORK/SECOND/OUT
FRONT FEEDER UNLOCK SENSOR
+24V,24G
NEW AXIS SENSOR
BOARD
CN1
CN5
CN9
CN2 CN4
CN10
CN11
EXT.BOARD
FEEDER INPUT
CN11
VME
VACUUM SENSOR B'D(H1~H4)
H4
H3
H2H1
VAC.
VAC. VAC.
VAC.
SENSOR SENSOR SENSOR SENSOR
PORT
USB1
PORT
MONITOR
PC
INDUSTRIAL
SBC
FID CAM#1
HD+/-,VD+/-,+12V,12G
F4 CAMERA
BNC6
BNC5
CAMERA IO
BNC1
BNC2
BNC3
BNC4
BOARD
J6J5
J1
J2 J3 J4
ANALOG
CN4
CN3CN2
CN1
VISION I/F
CN1
CN11
NEXTEYE VISION B/D
<--> OP PANEL
CN28
<--> CONV.SUB I/F B/D, KVMS B'D
T-BOX
MOUSE
R.KBD
MON.
T-BOX
MOUSE
F.KBD
MON.
CN4
CH1
210TS
TRANSCEIVER
P1 P2 P1
P1P1P1
<REAR-OP>
<FRONT-OP>
+24V, 24G
CN4
+24V,+24VP
CH2
RS232 SERIAL
CAN
CAN
CAN
CAN
12G
-12V
+12V
5G
+5V
TOWER LAMP & GENERAL I/O
CN6
CN5
CN6
CN5
CN4
CN2
CN3
CN3
CN2
CN3
CN2
BOARD
CONVEYOR I/F
BOARD
R-FEEDER I/F
BOARD
F-FEEDER I/F
LAN
CONSOLE
D-SUB 25PIN
CONSOLE4
CONSOLE3
CONSOLE2
CONSOLE1
ETHERNET
CN4
F4 CAM2 LED
F4 CAM1 LED
CN3
CN2
<FRONT>
VME IO B/D
BOARDBOARD
MVME3100 MAINSM431 CAN IO
J1-BACKPLAIN
X7043(M) B/D
SM421 TWIN SERVO B/D
CN3
CN2
CN2CN1
CN1CN3

Page
SAMSUNG TECHWIN
112
SM451
VME IO Board Interface
juX
[w
zt[YXwG}tlG
pvGpssG
ivhyk
zt[YXwG}tlG
pvGpssG
ivhyk
]w
juY
Y
X
[
XWw
ju]
ZZ
[[
Y
X
Y
X
Y[n
Y[n
RY[}
RY[}
\
Z
]
RY[}
m[jhtXGzpkl
RY[}
RY[}
m[jhtXGjvhphs
m[jhtXGv|{ly
[
\
Y
Z
]
X
myvtGzhml{Gjvu{yvsGiVkGjuY]
zt[YXw}pWWX
zt[YXw}pWWY
z{hnlXGjhtlyh
RY[}
z{hnlXzpkl
RY[}
z{hnlXv|{ly
RY[}
z{hnlXjvhphs
z{hnlXGihjrspno{Y
RY[}
z{hnlXihjrspno{X
RY[}
Y
[
Z
X
{vGm[GjhtXGslkGpVm
zt[YXw}pWW]
Y
X
[
\
Z
]
`
[
]
^
_
Z
Y
X
XW
\
]w
juZ
Y
X
[
\
Z
]
RY[}
m[jhtYGzpkl
RY[}
RY[}
m[jhtYGjvhphs
m[jhtYGv|{ly
[
\
Y
Z
]
X
zt[YXw}pWWY
{vGm[GjhtYGslkGpVm
Y
X
[
\
Z
]
]w
ju[
Y
X
[
\
Z
]
RY[}
m[jhtZGzpkl
RY[}
RY[}
m[jhtZGjvhphs
m[jhtZGv|{ly
[
\
Y
Z
]
X
zt[YXw}pWWY
{vGm[GjhtZGslkGpVm
Y
X
[
\
Z
]
]w
ju\
Y
X
[
\
Z
]
RY[}
m[jht[Gzpkl
RY[}
RY[}
m[jht[Gjvhphs
m[jht[Gv|{ly
[
\
Y
Z
]
X
zt[YXw}pWWY
{vGm[Gjht[GslkGpVm
Y
X
[
\
Z
]
`
[
]
^
_
Z
Y
X
XW
\
Y
X
Y
X
Y
X
Y
X
Y
X
Y
X
Y
X
Y
X
Y
X
Y
X
XWw
ju^
z{hnlYGjhtlyh
RY[}
z{hnlYzpkl
RY[}
z{hnlYv|{ly
RY[}
z{hnlYjvhphs
z{hnlYGihjrspno{Y
RY[}
z{hnlYihjrspno{X
RY[}
zt[YXw}pWW^
`
[
]
^
_
Z
Y
X
XW
\
`
[
]
^
_
Z
Y
X
XW
\
Y
X
Y
X
Y
X
Y
X
Y
X
Y
X
Y
X
Y
X
Y
X
Y
X
1
2
3
2
2
2

Page
SAMSUNG TECHWIN
113
SM451
VME IO Board Interface
NO. PART NO. PART NAME Q'TY Old No. Stock Apply Reference
1 J90833387A VME IO B/D PWR CABLE ASSY SM421P_VI001 1
2 J90833388A F4 CAM ILL I/F CABLE ASSY SM421P_VI002 1
3 J90833392B STAGE CAM1 ILL I/F CABLE ASSY 1