SM451_TechnicalReference(Kor_Ver4[1].1) - 第133页
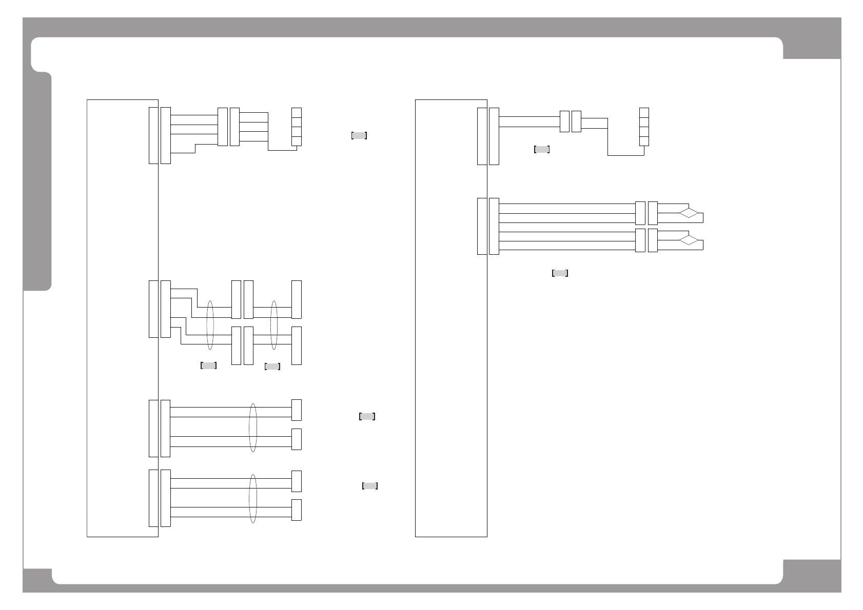
Page SAMSUNG TECHWIN 123 SM451 C onveyor Board Interface (1/5) NO. P ART NO. P ART NAME Q'TY Old No. Stock Apply Reference 1 J90831327C CVIF_FLA T_CAN_CABLE_ASS Y 1 2 J90831326B RFDR_CVIF_CAN_CABLE_ASSY 1 3 J90831 1…

Page
SAMSUNG TECHWIN
122
SM451
Conveyor Board Interface (1/5)
X
Z
Y
X
Z
Y
pVmGivhyk
RY[}
nuk
nuk
RY[}
Vpvylzl{
RY[n
RXYn
RXY}
jhuo
jhus
jhuo
jhus
Vpvylzl{
RY[n
RXYn
RXY}
[
\
]
[
\
]
[w
ju[w
]w
juZw
[
\
]
[
\
]
XX
Z
[
Y
Z
[
Y
ju[z
Y
Y
Z
Z
juZz
X
X
]w
juYw
Z
Z
juYz
X
Y
X
Y
_
^
]
]
_
^
[
\
[
\
[
\
]
Z
[
\
]
Y
X
mmllklyGpVmGiVk
juY
Z
Y
X
msh{Gjhisl
jhu
jvu}lvy
_w
juXw
juXz
jvu}lvy
pVmGivhyk
ju]z
ju]w
Y[w
ylhkGsw
zt[XjhWW[
zt[XjhWWZ
ztZZj}WWX
juYW
Y
[
Z
X
zhml{Gjvu{yvsGiVk
ylhkGylshGv|{
YY
[
Z
\
Y
X
YY
[
Z
\
Y
X
z{hy{Gsw
z{vwGsw
`
`
XW
XW
YX
YX
ylzl{Gsw
RY[}
X[
X[
X]
X]
mmkGsw
XZ
XZ
RY[}
ymkGsw
X\
X\
RY[}
X`
X`
X^
X^
Y[n
jvu}Gz|iGpVmGiVk
Y
XY
Z
[
XX
^
_
\
]
XW
`
X
`
XW
]
\
_
^
XX
[
Z
XY
Y
X
RY[}
juXz
juXw
XYw
zt[Xj}WWZ
GmGk
1
2
3
4

Page
SAMSUNG TECHWIN
123
SM451
Conveyor Board Interface (1/5)
NO. PART NO. PART NAME Q'TY Old No. Stock Apply Reference
1 J90831327C CVIF_FLAT_CAN_CABLE_ASSY 1
2 J90831326B RFDR_CVIF_CAN_CABLE_ASSY 1
3 J90831130B CONV_I-F_BD_POWER_CABLE_ASSY 1
4 J90831316B CONV_SW_OUTPUT_CABLE_ASSY 1

Page
SAMSUNG TECHWIN
124
SM451
Conveyor Board Interface (2/5)
juX[z
juXZz
juXXw
]w
ZZ
[
[
]
]
Y
\
Y
\
juXXz
X X
nyllu
Y[n
YY
YY
jvu}lvy
pVmGivhyk
juXWw
ju`w
]w
]w
ju`z
juXWz
[
Z
Y
[
Z
Y
ZZ
X
[
X
[
X
Y
X
Y
[
\
]
[
\
]
ZZ
[
Z
[
Z
ju^w
]w
ju^z
XX
X
ylk
is|l
X
jvu}lvy
pVmGivhyk
Y
is|l
puspulGhm{ly
puspulGilmvyl
nyllu
Y[w
juX[w
\
]
Z
[
{v~lyGshtw
ylk
]w
juXZw
X
Y
\
]
Z
[
X
\
Z
\
Z
[
]
[
]
Y
Y
XX
XX
Y
Y
]
[
]
[
Z
\
Z
\
i|zGv|{w|{
h}hpshislGv|{w|{
kmXiT]kwTYU\kzh
kmXiT]kwTYU\kzh
kmXiT]kwTYU\kzh
kmXiT]kwTYU\kzh
kmXiT]kw TYU\kzh
Y[n
ylkGshtw
is|lGshtw
nylluGshtw
zt[XXj}WW[
i|ly
{~Tsw
RY[}
myvu{Gkjhy{GzvsX
Y
X
myvu{GkvjrpunGjhy{GzvsG}hs}l
RY[}
ylhyGkjhy{GzvsX
ylhyGkvjrpunGjhy{GzvsG}hs}l
Y
X
QGkvjrpunGjhy{Gvw{pvu
zt[XXj}WW]
ztZZj}WY[
ztZZj}WY_
ztZZj}WY`
{~Ti
X
Y Y
X
RY[}
i
i|ly
ylk
{v~lyGshtw
nyllu
is|l
zt[XXj}WW[
RY[}
i
RY[}
myvu{Gkjhy{GzvsY
X
Y
RY[}
ylhyGkjhy{GzvsY
X
Y
Z
[
Y
X
Z
[
Y
X
YZ
YX
X`
X]
X_
X[
Y[n
RY[}
wshjlGz{vwwlyGkv~u
RY[}
wshjlGz{vwwlyG|w
Y[n
YZ
YX
X`
X]
X_
X[
XX
Y
Z
Y
Z
wshjlGz{vwwlyG|wGzluzvy
wT|w
XX
Y
Z
Y
Z
wshjlGz{vwwlyGkv~uGzluzvy
wTku
zt[Xj}WXY
1
2
3
4
5
6
7