SM451_TechnicalReference(Kor_Ver4[1].1) - 第136页
Page SAMSUNG TECHWIN 126 SM451 C onveyor Board Interface - SM451V (2/5) juX[z juXZz juXXw ]w Z Z [ [ ] ] Y \ Y \ juXXz X X nyllu Y[n Y Y Y Y jvu}lvy pVmGivhyk juXWw ju`w ]w ]w ju`z juXWz [ Z Y [ Z Y Z Z X [ X [ X Y X Y …

Page
SAMSUNG TECHWIN
125
SM451
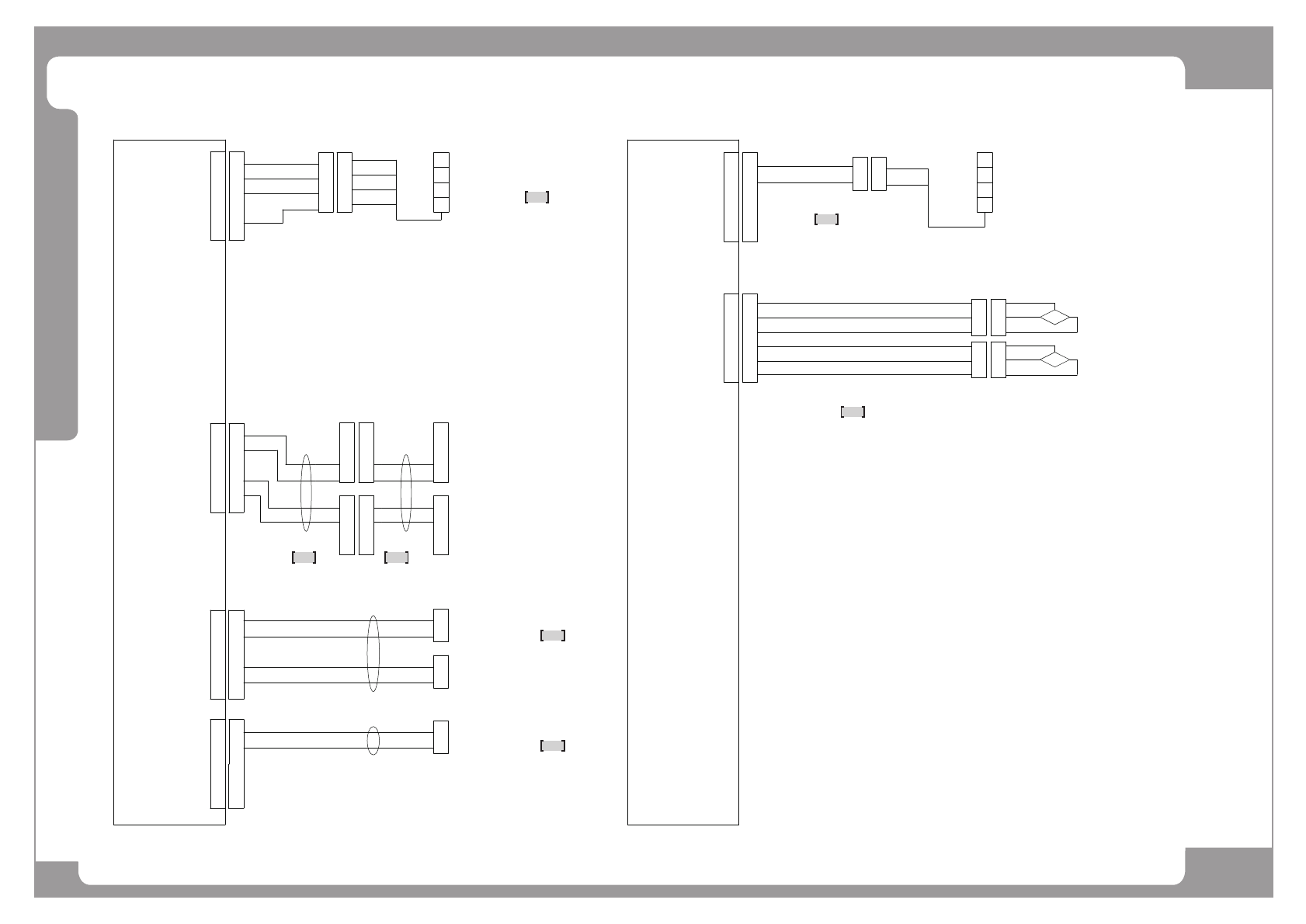
Conveyor Board Interface (2/5)
NO. PART NO. PART NAME Q'TY Old No. Stock Apply Reference
1 J90831132C TOWER_LAMP_EXT_CABLE_ASSY 1
2 J90831133B INLINE_IN-OUT_CABLE_ASSY 1
3 J90831146B SMEMA_CABLE_ASSY 1
4 J90831149B F_DOCKING_CART_SOL_CABLE_ASSY 1
5 J90831150B REAR_DOCKING_CART_SOL_CABLE_ASSY 1
6 J90831132C TOWER_LAMP_EXT_CABLE_ASSY 1
7 J90831406C CONVEYOR_SENSOR_EXT_CABLE_ASSY 1

Page
SAMSUNG TECHWIN
126
SM451
Conveyor Board Interface - SM451V (2/5)
juX[z
juXZz
juXXw
]w
ZZ
[
[
]
]
Y
\
Y
\
juXXz
X X
nyllu
Y[n
YY
YY
jvu}lvy
pVmGivhyk
juXWw
ju`w
]w
]w
ju`z
juXWz
[
Z
Y
[
Z
Y
ZZ
X
[
X
[
X
Y
X
Y
[
\
]
[
\
]
ZZ
[
Z
[
Z
ju^w
]w
ju^z
XX
X
ylk
is|l
X
jvu}lvy
pVmGivhyk
Y
is|l
puspulGhm{ly
puspulGilmvyl
nyllu
Y[w
juX[w
\
]
Z
[
{v~lyGshtw
ylk
]w
juXZw
X
Y
\
]
Z
[
X
\
Z
\
Z
[
]
[
]
Y
Y
XX
XX
Y
Y
]
[
]
[
Z
\
Z
\
i|zGv|{w|{
h}hpshislGv|{w|{
kmXiT]kwTYU\kzh
kmXiT]kwTYU\kzh
kmXiT]kwTYU\kzh
kmXiT]kwTYU\kzh
kmXiT]kw TYU\kzh
Y[n
ylkGshtw
is|lGshtw
nylluGshtw
zt[XXj}WW[
i|ly
{~Tsw
RY[}
myvu{Gkjhy{GzvsX
Y
X
myvu{GkvjrpunGjhy{GzvsG}hs}l
RY[}
slk
shzlyGpssGl{GjhislGhzz
Y
X
QGkvjrpunGjhy{Gvw{pvu
zt[XXj}WW]
ztZZj}WY[
ztZZj}WY_
zt[\XslkWWX
{~Ti
X
Y Y
X
RY[}
i
i|ly
ylk
{v~lyGshtw
nyllu
is|l
zt[XXj}WW[
RY[}
i
RY[}
myvu{Gkjhy{GzvsY
X
Y
Z
[
Y
X
Z
[
Y
X
YZ
YX
X`
X]
X_
X[
Y[n
RY[}
wshjlGz{vwwlyGkv~u
RY[}
wshjlGz{vwwlyG|w
Y[n
YZ
YX
X`
X]
X_
X[
XX
Y
Z
Y
Z
wshjlGz{vwwlyG|wGzluzvy
wT|w
XX
Y
Z
Y
Z
wshjlGz{vwwlyGkv~uGzluzvy
wTku
zt[Xj}WXY
1
2 3
4
5
6
7

Page
SAMSUNG TECHWIN
127
SM451
Conveyor Board Interface - SM451V (2/5)
NO. PART NO. PART NAME Q'TY Old No. Stock Apply Reference
1 J90831132C TOWER_LAMP_EXT_CABLE_ASSY 1
2 J90831133B INLINE_IN-OUT_CABLE_ASSY 1
3 J90831146B SMEMA_CABLE_ASSY 1
4 J90831149B F_DOCKING_CART_SOL_CABLE_ASSY 1
5 J90833754A LASER_ILL_EXT_CABLE_ASSY SM451_LED001 1
6 J90831132C TOWER_LAMP_EXT_CABLE_ASSY 1
7 J90831406C CONVEYOR_SENSOR_EXT_CABLE_ASSY 1