SM451_TechnicalReference(Kor_Ver4[1].1) - 第159页
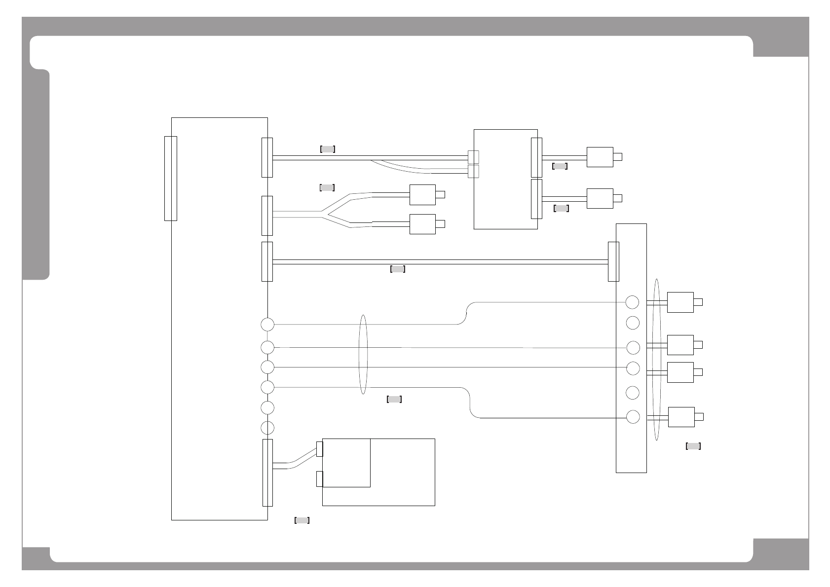
Page SAMSUNG TECHWIN 149 SM451 S tep Motor Interface (Conveyor Belt) NO. P ART NO. P ART NAME Q'TY Old No. Stock Apply Reference 1 J90831341E CONV -BEL T -STEP-POWER-CABL E-ASSY 1 2 J90831439B CONV_BEL T1_STEP_MOT O…

Page
SAMSUNG TECHWIN
148
SM451
Step Motor Interface (Conveyor Belt)
[
Y
Z
X
iV
i
hV
h
[
Y
Z
X
iV
i
hV
h
[
Y
Z
X
[
Y
Z
X
iV
i
hV
h
[
Y
Z
X
iV
i
hV
h
[
Y
Z
X
Y
X
Y
X
Y
X
[
Y
Z
X
[
Y
Z
X
Y
X
juX
juY
kjGwv~ly
JXGiVk
Y[n
Y[}
jiXGz{lwGtv{vy
zt[XtkWXZ
jiYGz{lwGtv{vy
zt[XtkWX[
juY
juZ
jiXYGz{lwGkyp}ly
X
Y
Z
]
[
_
`
^
ju[
X
Y
Z
]
[
_
`
^
Xwv|{R
Xwv|{T
XwkpyT
Ywv|{R
YwkpyR
YwkpyT
Ywv|{T
XwkpyR
XW
\
X
\
Y
Z
]
_
[
^
[
Y
Z
X
iV
i
hV
h
[
Y
Z
X
iV
i
hV
h
[
Y
Z
X
[
Y
Z
X
iV
i
hV
h
[
Y
Z
X
iV
i
hV
h
[
Y
Z
X
Y
X
Y
X
Y
X
[
Y
Z
X
[
Y
Z
X
Y
X
juX
juZ
kjGwv~ly
JXGiVk
Y[n
Y[}
~iXGz{lwGtv{vy
zt[XtkWX^
~iYGz{lwGtv{vy
zt[XtkWX_
juY
juZ
~iXYGz{lwGkyp}ly
X
Y
Z
]
[
`
_
^
ju[
X
Y
Z
]
[
`
_
^
Xwv|{R
Xwv|{T
XwkpyT
Ywv|{R
YwkpyR
YwkpyT
Ywv|{T
XwkpyR
XW
\
juX
^W[ZGz{lwwpun
iVk
[
Y
Z
X
iV
i
hV
h
[
Y
Z
X
iV
i
hV
h
[
Y
Z
X
[
Y
Z
X
iV
i
hV
h
[
Y
Z
X
iV
i
hV
h
[
Y
Z
X
Y
X
Y
X
Y
X
[
Y
Z
X
[
Y
Z
X
Y
X
juX
ju[
kjGwv~ly
JXGiVk
Y[n
Y[}
jiZGz{lwGtv{vy
zt[XtkWX\
ji[Gz{lwGtv{vy
zt[XtkWX]
juY
juZ
jiZ[Gz{lwGkyp}ly
X
Y
Z
]
[
_
`
^
ju[
X
Y
Z
]
[
_
`
^
Xwv|{R
Xwv|{T
XwkpyT
Ywv|{R
YwkpyR
YwkpyT
Ywv|{T
XwkpyR
XW
\
ztZZ}tWX^
X
\
Y
Z
]
_
[
^
X
\
Y
Z
]
_
[
^
X
\
Y
Z
]
_
[
^
X
\
Y
Z
]
_
[
^
X
\
Y
Z
]
_
[
^
juY
juZ
zt[XtkWXW
zt[XtkWW_
zt[XtkWW`
zt[XzjWXY
zt[XzjWXY
zt[XzjWXY
1
2
3
4
5
6
7
8
9
10
1
1

Page
SAMSUNG TECHWIN
149
SM451
Step Motor Interface (Conveyor Belt)
NO. PART NO. PART NAME Q'TY Old No. Stock Apply Reference
1 J90831341E CONV-BELT-STEP-POWER-CABLE-ASSY 1
2 J90831439B CONV_BELT1_STEP_MOTOR_ASSY 1
3 J90831440B CONV_BELT2_STEP_MOTOR_ASSY 1
4 J90831434A CONV_BELT12_MOTOR_PW_CABLE_ASSY 1
5 J90831432B WORK_BELT1_STEP_MOTOR_ASSY 1
6 J90831441B WORK_BELT2_STEP_MOTOR_ASSY 1
7 J90831436A WORK_BELT12_MOTOR_PW_CABLE_ASSY 1
8 J90831430B CONV_BELT3_STEP_MOTOR_ASSY 1
9 J90831431B CONV_BELT4_STEP_MOTOR_ASSY 1
10 J90831435A CONV_BELT34_MOTOR_PW_CABLE_ASSY 1

Page
SAMSUNG TECHWIN
150
SM451
Vision Board Interface
}pzpvuGt|GiVk
{vG}tlGqX
ju\
juY
juX
juZ
qX
ju[
qY
qZ
q[
q\
q]
z{hnlGjhtUGJX
mpk|jphsGjhtXU
juX
juY
puk|z{phsGwj
msh{Gjhisl
tlnhGjhtlyhGpvGiVk
m[GjhtUX
m[GjhtUY
m[GjhtUZ
m[GjhtU[
kz|iTX\wpu
mlthsl
kz|iTX\wpu
mlthsl
kz|iT`wpu
mlthsl
kz|iT[[wpu
mlthsl
kz|iT`wpu
RXY}VXYnSRokVTokSR}kVT}kOjoXSjoYP
zt[YXw}pzWW[
zt[YXw}pzWWX
mpkjht
kz|iT`wpu
mlthsl
mpkjht
zt[YXw}pzWW\
zt[YXw}pzWWY
zt[YXw}pzWW]
z{hnlGjhtUGJY
zt[X}pzWXX
ul{llGiVk
OztZZ}pzWXYSGtlnhGvw{pvuP
kz|iT`wpu
mlthsl
mpk|jphsGjhtYU
zt[YXw}pzWWZ
kz|iGX\wpu
iuj]
iuj[
iujZ
iujX
jvu]
jvu[
jvuZ
jvuX
1
2
3
4
5
6
7
8