SM451_TechnicalReference(Kor_Ver4[1].1) - 第176页
Page SAMSUNG TECHWIN 166 SM451 E lectric Circuit Diagram (3/6) Y[W OztZZw~WW\P Ozt[Xw~WW[P YU\G YU\G TthpuGzV~ O]WW}hjSYWhP sZY sZZ sZX Y[ ] XZ \ TumX OZÞSGYWhP sYY sYX sYZ X [ \ ] Y Z Y Y wlWX YwTjX]SGX]h TjwX Y X…

Page
SAMSUNG TECHWIN
165
SM451
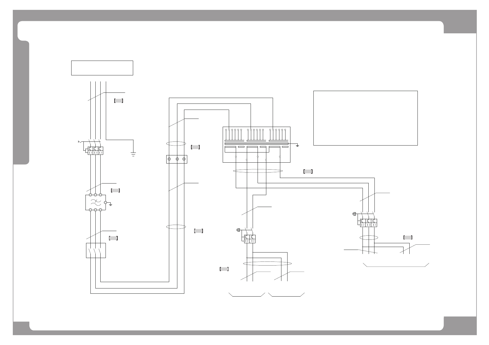
Electric Circuit Diagram (2/6)
NO. PART NO. PART NAME Q'TY Old No. Stock Apply Reference

Page
SAMSUNG TECHWIN
166
SM451
Electric Circuit Diagram (3/6)
Y[W
OztZZw~WW\P
Ozt[Xw~WW[P
YU\G
YU\G
TthpuGzV~
O]WW}hjSYWhP
sZY
sZZ
sZX
Y[]
XZ\
TumX
OZÞSGYWhP
sYY
sYX
sYZ
X
[
\ ]
Y Z
Y
Y
wlWX
YwTjX]SGX]h
TjwX
Y
X
Ozt[Xw~WWZP
Ozt[Xw~WWXP
YU\G
mhj{vyGthpuGwv~ly
[UWG
OZÞVwlGG]WoGGYWW¥[X\}hjP
TtjjiX
OZÞSGYWhP
sXZ
sXY
sXX
Y ][
X Z \
hwwyvUG\r}hP
{
zy
Y
Tlhy{oGwsh{l
myhtlGnyv|uk
T{yhuz
YYW}
YW_
YWW YYW
sZX
Y
wl
G{iXTXhS{iXT\h
XsX
XsY
[
Z
YYz
YYy
Ozt[YXww~WW_P
YY{
ZwTjX]SGX]h
TjwY
Y [
XZ
{mYsX
{mYsY
]
\
{mYsZ
YYW} YYW}
W} YYW}
wlWY
YWWYYW
[X\
Z_W YWW
YW_
Z_W
Y[W [X\
sZY
[X\YW_
YYW Z_W
Y[W
sZZ
YU\G
Y
SXSYS~kSX¥[S{X¥{[GhpzOzly}vP
GtjX
]UzljvukhyGJXGaGXÞGYYWOYr}hP
GGzljvukhyGJYGaGZÞGYYWOZr}hP
YUmylx|lujGaG\WV]Wo¡
XUjhwhjp{GaG\r}h
ZUwohzlGaGZÞ
[UGjvuulj{pvuaGT
c{yhuzGzwljpmpjh{pvue
\UwypthyGaGZÞGYWWVYW_VYYWVY[WVZ_WV[X\}SG\r}h
OYZ_XYP
OYZ_Y\P
G{iXTYXhS{iXTY]h
YYy YY{
jvu{yvsGyhjrOwjR}tlP
tvup{vyXSY
T{iY
Ozt[Xw~WZWP
YU\G
Y
{mXsX
{mXsY
YU\G
Y
Ozt[Xw~WW]P
YU\G
Y
YU\G
Y
YU\G
Y
G{iXT`hS{iXTX[h
XsX
XsY
kjGwv~lyGJXOY[}kjP
hjGmhu
YU\G
Y
Ozt[Xw~WW^P
ishjr
ishjr
ishjr
ishjr
ishjr
ishjr
ishjr
ishjr
ishjr
ishjr
ishjr
1
2
3
4
5
6
7
8

Page
SAMSUNG TECHWIN
167
SM451
Electric Circuit Diagram (3/6)
NO. PART NO. PART NAME Q'TY Old No. Stock Apply Reference
1 J90831343A MAIN-POWER-CABLE-ASSY SM41-PW001 1
2 J90831344B MCCB_NF1-CABLE-ASSY 1
3 J90831345A NF1_MAIN_SWITCH_CABLE_ASSY SM41-PW004 1
4 J90831365A
5 J90831067A
6 J90831348A CP1_TB1_CABLE_ASSY SM41-PW007 1
7 J90831347A
8 J90833377A CP2_TB1-MC1_CABLE_ASSY SM421P-PW008 1