SM451_TechnicalReference(Kor_Ver4[1].1) - 第178页
Page SAMSUNG TECHWIN 168 SM451 E lectric Circuit Diagram (4/6) {vGylhyGtvup{vyG OwjR}tlGhzzGwv~lyP {vGjvu{yvsGivG {vGmyvu{Gtvup{vy wlW[ XsX XsY myvtGjwX XsY XsX \h \i Xh Xi XU\ Y ]h Yh Zh wlW\ ^h wv~lyGpusl{ wlWZ XsX…

Page
SAMSUNG TECHWIN
167
SM451
Electric Circuit Diagram (3/6)
NO. PART NO. PART NAME Q'TY Old No. Stock Apply Reference
1 J90831343A MAIN-POWER-CABLE-ASSY SM41-PW001 1
2 J90831344B MCCB_NF1-CABLE-ASSY 1
3 J90831345A NF1_MAIN_SWITCH_CABLE_ASSY SM41-PW004 1
4 J90831365A
5 J90831067A
6 J90831348A CP1_TB1_CABLE_ASSY SM41-PW007 1
7 J90831347A
8 J90833377A CP2_TB1-MC1_CABLE_ASSY SM421P-PW008 1

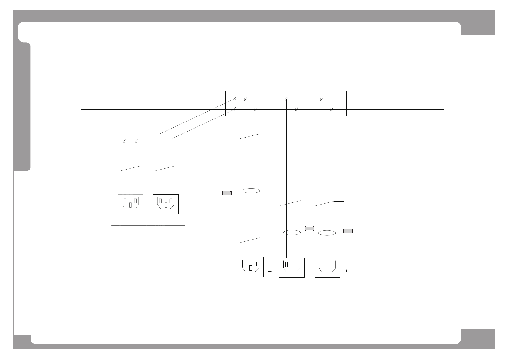
Page
SAMSUNG TECHWIN
168
SM451
Electric Circuit Diagram (4/6)
{vGylhyGtvup{vyG
OwjR}tlGhzzGwv~lyP
{vGjvu{yvsGivG
{vGmyvu{Gtvup{vy
wlW[
XsX XsY
myvtGjwX
XsY
XsX
\h
\i
Xh Xi
XU\
Y
]h
Yh Zh
wlW\
^h
wv~lyGpusl{
wlWZ
XsX XsY XsX XsY
XU\
Y
hjYYW}
Ozt[YXww~WXWP
XsXu XsYu
XU\
Y
XU\
Y
Ozt[Xw~WYXP
Ozt[Xw~WYYP
v|{sl{pusl{
|wzGvw{pvuGpuz{hss
[h
[i
_h
_i
T|wz
O_WW}hP
QGvG|wzG|
XUY\
Y
XUY\
Y
ishjr
ishjr
1
2
3

Page
SAMSUNG TECHWIN
169
SM451
Electric Circuit Diagram (4/6)
NO. PART NO. PART NAME Q'TY Old No. Stock Apply Reference
1 J90833510A
2 J90831362C FRONT_MONITOR_POWER_CABLE_ASSY 1
3 J90831363B REAR_MONITOR_POWER_CABLE_ASSY 1