SM451_TechnicalReference(Kor_Ver4[1].1) - 第67页
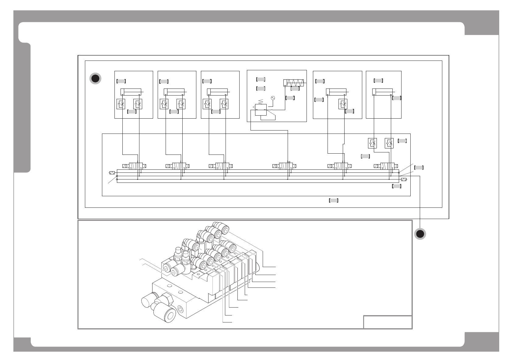
Page SAMSUNG TECHWIN 57 SM451 A ir Ass’y (1/5) NO. P ART NO. P ART NAME Q'TY Old No. Stock Apply Reference A 64 Page B 66 Page C 70 Page D 72 Page

Page
SAMSUNG TECHWIN
56
SM451
Air Ass’y (1/5)
A
B
C
D
G
q]^XXWWXh
rxYsW[Tt\
q]^XXXX^]h
rxoXWTWYz
qXZWXXZZ
rxYsW[TWYz
|YT[T[QYU\
Tvw{pvuT
mllklyGihzlGhzzGOkjP
mllklyGihzlGhzzOmyvu{TkjP
mllklyGihzlGhzzOylhyTkjP
qYXWWWW`
thupmvsk
|YT[T]Q[
|YT[T]Q[
mGi
YTqXZWXX__
rxYsW[Tt\
|YT[T[QYU\
mllklyGihzlGhzzGOz{P
mllklyGihzlGhzzOylhyTz{P
mllklyGihzlGhzzOmyvu{Tz{P
q]^XXY[[h
rxYsXYTWZ
|YT[TXYQ_
qXZWXX_^
rxYsXYTW[
q]^W`WXYh
{hy[WWWTW[
q]^XXWY_h
rxYsW[TWX
qXZWXX_^
rxYsXYTW[
|YT[T[QYU\
qXZWXX_`
rxYsW]TWYz
qXZWXX_`
rxYsW]TWYz
q]^XXYWZh
rxYoW_TWYz
thupmvskGisvjr
k}tXTYWTW]Ty\WZY
q]^WXWZ^i
jxYiXYTryjWXZ^TYk
q]^W`WX_h
hyXWTt\in
YTqXZWXX__
rxYsW[Tt\
jvu}lvyGhzz
lknlGmplyGhzzG
|YT[T[QYU\
qXZWXX__
rxYsW[Tt\
rw{X_
]Tq]^WYWZYh
k}XXYWT\}Tt\
YTq]^XXY\^h
rzT[Tt\TzhZ[]`_ry
YTq]^WZWZ[h
hzwZZWmTWXTW]z
[TqXZWXX__
rxYsW[Tt\
q`W\^X_Wh
mGiGOkjP
|YT[T[QYU\
|YT[T[QYU\
q]^WYWYXh
rX_WT[lXTYXTkjY[}
q]^W`XWW^h
hyW_T{YTkvtvTqY]^h
YTq]^XXY\]h
rkTt\TzhZ[]`^ry
q]^XXWX`h
rxY|W]TWW
YTq]^W\WW[h
huXWXTWX
YTq]^WZWZZh
hzYYWXmTWXTW]z
q`W\^X]_i
|YT[T]Q[
[Tq]^XXWX`h
rxY|W]TWW
[Tq]^XXY[^h
w{X_lm
YTqXZWXX__
rxYsW[Tt\
q`W\^X^Yi
|YT[T[QYU\
YTq]^XXWW`h
rxYsW]Tt\
q]^XXWXX`i
rxY|W[TW]
ZTq]^XYWW_h
w{GXV_
\TqXZWWY^]
rxYsW]TWX
|YT[T[QYU\
q]^WYWYXh
rX_WT[lXTYXTkjY[}
q]^WZWZ^h
hroW]TWW
_
q]^XZW[_h
|tsT[W_OisTir]TisP
ohyulzzGhzz
q`W_W^`\hGthpuGhpyGzvsGw~yGjhislGhzz
q]^WYWYXh
rX_WT[lXTYXTkjY[}
qXZWXYXZ
w{GZV_
|YT[TXWQ]U\
ZTq]^XYWW_h
w{GXV_
|YT[TXWQ]U\
X
YTq]^XXXX[Wh
rxYsXWTWXz
q]^WYXW\XhGzvsG}hs}lGtvk|slGO]P
YTqXZWWW]^
huXWXTWX
]TqZYW[WWYh
tw\XWWhw
q`W\\XZ`YhGmps{lyGhzz
q^[\_WWYhGmps{lyGlsltlu{
O]TsmTt\T]WTrP
q]^XXXX\Xh
mp{{pun
tTZh|T[
olhkGX olhkGY olhkG[olhkGZ
q`X^[XY\`h
zt[YXw}hj||tzluzvyivhyk
q]^WXW_Wh
toYTWXTp|YW\[TkTt`u
|YT[T[QYU\Ois|lP
|YT[T[QYU\Olssv~P
|YT[T[QYU\
q]^WZWW^h
hzXYWXmTt\
olhkGhzz
q]^W_XWW]h
tpz{zlwhyh{vyhzz
|YT[TXYQ_
|YT[TXYQ_
q]^XXX[^h
rxYoW[Tt\
q]^XWXWWYh
wzZWTXWZyTu
q]^XXXWZYh
zx}XYTW[z
q]^XXXWZYh
zx}XYTW[z
YTq]^XXWY_h
rxYsW[TWX
q]^WXW__h
jtYjZYT\W
i|{Ghzz
mps{lyGhzz
hpyGwhulsGhzz
hpyGpukpjh{vyGjhislGhzz
zt[YXwGthupmvskGhzz
q]^W^XWZWh
}hj||tnlulyh{vy
z{vwwlyGhzzO~vyrP
q`W\_XWZ^h
hzXYWXmTt\
YTq]^WZWW^h
|YT[T[QYU\
|YT[T]Q[
q]^XXXW[Wh
rxYjW]TWW
q]^XXYWZh
rxYoW_TWYz
|YT[T_Q\
q]^XXX\^h
rxYsW_TWXz
YTrw{X_
rxYsW[Tt\
YTq]^XXWWXh
rxYsW[Tt\
q]^XXWWXh
rxYsW[Tt\
YTq]^XXWWXh
|YT[T[QYU\Olssv~P
YTq]^WZWY_h
zz[Tt\th
q`W\]XWWXh
ikhz]\TXhTjX\ZhY
hujXGhzz
|YT[T[QYU\
rxYsW[Tt\
YTq]^XXWWXh
|YT[T[QYU\Olssv~P
YTq]^WZWY_h
zz[Tt\th
q`W\]XWWXh
ikhz]\TXhTjX\ZhY
huj[Ghzz
|YT[T[QYU\
rxYsW[Tt\
YTq]^XXWWXh
|YT[T[QYU\Olssv~P
YTq]^WZWY_h
zz[Tt\th
q`W\]XWWXh
ikhz]\TXhTjX\ZhY
hujZGhzz
|YT[T[QYU\
q]^W_XWY\h
htW_T{YTjnWW
|YT[T_Q\
|YT[T_Q\
|YT[T]Q[
|YT[T]Q[
|YT[T[QYU\
|YT[T[QYU\
|YT[T[QYU\
|YT[T[QYU\
q]^W`XWW^h
hyW_T{YTkvtvTqY]^h
q]^W`XWX[h
hyW_T{YTkWtWTqZ[]h
Y
~
X
h
Z
w
h
Z
h
Z
h
Z
}}}}
~
Y
X
~
Y
X
~
Y
X
q]^XXXW_Wh
mp{{pun
rxYsW[Tt\
q]^XXXX^Wh
mp{{pun
rqsW]Tt\
qXZWWYXZ
ws|n
t\Tw
qXZWWYXZ
ws|n
t\Tw
`TqXZWWY^`
mp{{pun
rxYzW[Tt\
q]^XXX[Xh
mp{{pun
tT\h|T[
q`W\\XZ\_h
zt[YXwhpytvk|slhzz
q]^XXWXX`i
mp{{pun
rxY|W[TW]
q]^XXXW[h
mp{{pun
rxYoW[TWW
q]^XXWXX`i
mp{{pun
rxY|W[TW]
YTqXZWXX_`
rxYsW]TWYz
q]^WXXW^Zh
hpyilhypun
q]^XXXW]_h
tTZhs|T[
q]^XXXX]`h
rqsW[Tt\
q]^W`XWXZh
yln|sh{vylsljwul|th{pj
l}Y\WWTWW_TjXZiTms[WX`W[G
q]^XYXWW]h
ws|n
rxYwTW[
|YT[T]Q[
q]^XX
W^Z
h
mp{{pun
rxY|W]TW_
q]^XXXWZ\h
mp{{pun
rxYoW[TW]
q]^XXWXX`i
mp{{pun
rxY|W[TW]

Page
SAMSUNG TECHWIN
57
SM451
Air Ass’y (1/5)
NO. PART NO. PART NAME Q'TY Old No. Stock Apply Reference
A 64 Page
B 66 Page
C 70 Page
D 72 Page

Page
SAMSUNG TECHWIN
58
SM451
Air Ass’y (2/5)
B
rxYsW[Tt\
thupmvskGisvjr
k}tXTYWTW]Ty\WZY
jxYiXYTryjWXZ^TYk
3
hyXWTt\in
rxYsW[Tt\
jvu}lvyGhzz
lknlGmplyGhzzG
|YT[T[QYU\
rxYsW[Tt\
rw{X_
k}XXYWT\}Tt\
zvsG}hs}lGtvk|slGO]P
huXWXTWX
13
toYTWXTp|YW\[TkTt`u
|YT[T[QYU\Ois|lP
|YT[T[QYU\Olssv~P
|YT[T[QYU\
hzXYWXmTt\
10
rxYsW[TWX
jtYjZYT\W
i|{Ghzz
z{vwwlyGhzzO~vyrP
hzXYWXmTt\
|YT[T[QYU\
rxYsW_TWXz
YTrw{X_
rxYsW[Tt\
YTq]^XXWWXh
rxYsW[Tt\
q]^XXWWXh
rxYsW[Tt\
YTq]^XXWWXh
|YT[T[QYU\Olssv~P
zz[Tt\th
2
ikhz]\TXhTjX\ZhY
1
hujXGhzz
|YT[T[QYU\
rxYsW[Tt\
YTq]^XXWWXh
|YT[T[QYU\Olssv~P
zz[Tt\th
ikhz]\TXhTjX\ZhY
1
huj[Ghzz
|YT[T[QYU\
rxYsW[Tt\
YTq]^XXWWXh
|YT[T[QYU\Olssv~P
zz[Tt\th
ikhz]\TXhTjX\ZhY
hujZGhzz
|YT[T[QYU\
A
BUT ASSY (Push-Operated)
EDGE FIXER ASSY (Push-Operated)
SHUTTER STOPPER ASSY (Push-Operated)
ANC-S ASSY (Push-Operated)
BUT ASSY (Pull-Ready)
SHUTTER STOPPER ASSY (Pull-Ready)
ANC-S ASSY (Pull-Ready)
ANC-L ASSY (Push-Operated)
ANC-L ASSY (Pull-Ready)
ANC-G2 ASSY (Push-Operated)
ANC-G2 ASSY (Pull-Ready)
J67021051A
SOLENOID VALVE
1
2 2
4
5
5
6
7
8
9
10
11
12
14