SM451_TechnicalReference(Kor_Ver4[1].1) - 第73页
Page SAMSUNG TECHWIN 63 SM451 A ir Ass’y (3/5) NO. P ART NO. P ART NAME Q'TY Old No. Stock Apply Reference

Page
SAMSUNG TECHWIN
62
SM451
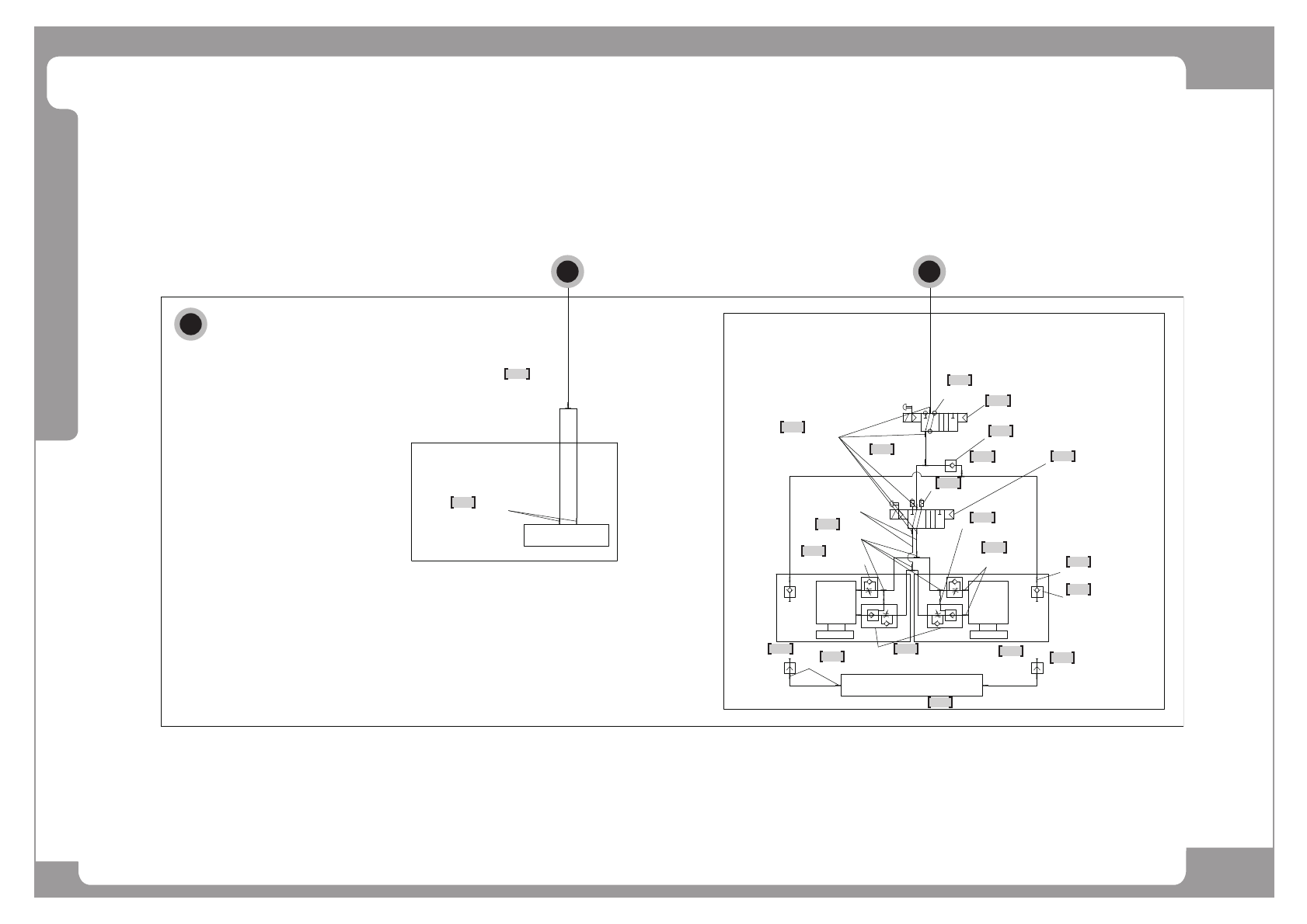
Air Ass’y (3/5)
NO. PART NO. PART NAME Q'TY Old No. Stock Apply Reference
28 J6711104A STRAIGHT FITTING[KQ2H04-00/PU4] 1
29 J6713048A MULTI TUBE[UML-408 BK8-3.5M 3.7
30 J6711147A STRAIGHT FITTING 1
31 J67091024A REGULATOR 1 J6709012A / J67090012B
32 J32041001A PRESSURE SENSOR 1
33 J1301187 ELBOW FITTING 2
34 J6711028A ELBOW FITTING 1
35 J67081006A MIST_SEPARATOR_ASSY 1
36 J67081003A ELEMENT AIR 1
37 J67111032A MIST FITTING 2
38 J67081002A ELEMENT SEPARATOR 1

Page
SAMSUNG TECHWIN
63
SM451
Air Ass’y (3/5)
NO. PART NO. PART NAME Q'TY Old No. Stock Apply Reference

Page
SAMSUNG TECHWIN
64
SM451
Air Ass’y (4/5)
B
C
B
G
|YT[T[QYU\
Tvw{pvuT
mllklyGihzlGhzzGOkjP
mllklyGihzlGhzzOmyvu{TkjP
mllklyGihzlGhzzOylhyTkjP
mGi
rxYsW[Tt\
|YT[T[QYU\
mllklyGihzlGhzzGOz{P
mllklyGihzlGhzzOylhyTz{P
mllklyGihzlGhzzOmyvu{Tz{P
rzT[Tt\TzhZ[]`_ry
hzwZZWmTWXTW]z
rxYsW[Tt\
mGiGOkjP
|YT[T[QYU\
|YT[T[QYU\
rX_WT[lXTYXTkjY[}
rkTt\TzhZ[]`^ry
rxY|W]TWW
huXWXTWX
hzYYWXmTWXTW]z
|YT[T]Q[
rxY|W]TWW
w{X_lm
rxYsW[Tt\
|YT[T[QYU\
rxYsW]Tt\
rxY|W[TW]
w{GXV_
rxYsW]TWX
rX_WT[lXTYXTkjY[}
hroW]TWW
mp{{pun
rxY|W[TW]
1
2
3
4
5
6
7
8
9
10
1
4
2
11
12
1314
15
16
17
2
16