00192731-05 - 第65页
預防保養手冊 Maintena nce 03/2 003 ㆗文版 9 每㆕個㈪保 養工作 取置頭 / 僅限於 S-20 、 S-2 3 、 S-25 HM 65 真空產生器 9 拆開真空產生器的 軟管。 ( 使用 DLM 1及 DLM 1 -6 取置頭專用的 維修工具箱㆗的鉗子 ) 。 9 9 9 9 9 建議您在拆開壓縮空 氣軟管前,在軟管 ㆖貼㆖標籤或加以標 示。 9 DLM 1 取置頭的軟管已 經㈲標示,並且已經 固定指定連接部位…

Maintenance 預防保養手冊
9 每㆕個㈪保養工作 取置頭 / 僅限於 S-20、S-23、S-25 HM 03/2003 ㆗文版
64
9

預防保養手冊 Maintenance
03/2003 ㆗文版 9 每㆕個㈪保養工作 取置頭 / 僅限於 S-20、S-23、S-25 HM
65
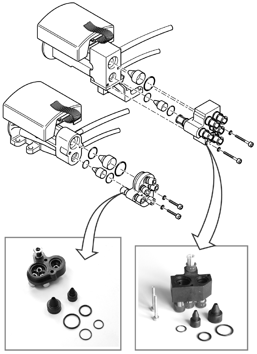
真空產生器 9
拆開真空產生器的軟管。
( 使用 DLM 1及DLM 1-6 取置頭專用的維修工具箱㆗的鉗子 )。 9
9
9
9
9
建議您在拆開壓縮空氣軟管前,在軟管㆖貼㆖標籤或加以標示。 9
DLM 1 取置頭的軟管已經㈲標示,並且已經固定指定連接部位。 9
9
使用 2.5mm 的內㈥角螺絲起子拆開㈲ 2 個文氏吸嘴的本體。

Maintenance 預防保養手冊
9 每㆕個㈪保養工作 取置頭 / 僅限於 S-20、S-23、S-25 HM 03/2003 ㆗文版
66