FX-3_Instruction_Manual_Rev00_C - 第385页
第1部 基本编 第4章 制作生产程序 4-55 (3) 散装的输入方法 图 4-3-5-2-2-3 元件数据(散装包装) 1) 类型 设置散装供料器的类型。 2) 送料等待时间 从元件吸取完成后到可吸取下一 个元件之间的等待时间(根据各供料 器型号设置的值)与实 际等待时间的比例,以百分比的形式进行设置。 初始值为100%。 3) 元件供应角度 以JUKI的元件供应角度为0°,输入散装供料器上的元件包装姿势与之形成的角度。 详细内容请参…

第1部 基本编 第4章 制作生产程序
4-54
(2) 管状的输入方法
图 4-3-5-2-2-2 元件数据(管状包装)
1) 类型
选择管状供料器的类型。
·类型 N:适用于 7mm
~
13.4mm 宽的元件
·类型 W:适用于 15mm
~
31.2mm 宽的元件
2) 送料等待时间
从元件吸取完成后到可吸取下一个元件之间的等待时间(根据各供料器型号设置的值)与实
际等待时间的比例,以百分比的形式进行设置。
初始值为100%。
3) 元件供应角度
以JUKI的元件供应角度为0°,输入管状供料器上的元件包装姿势与之形成的角度。
详细内容请参见4-3-5-2-2的 4)元件供应角度。
要输入其他数据时,请在编辑框内输入角度。(0°~ 359.9875°)
4) 废弃元件
对在定心时发生识别错误、或在引脚悬浮检查中发生错误时的元件废弃方法进行设置。
详细情况请参见(1)带状的输入方法 的废弃元件。

第1部 基本编 第4章 制作生产程序
4-55
(3) 散装的输入方法
图 4-3-5-2-2-3 元件数据(散装包装)
1) 类型
设置散装供料器的类型。
2) 送料等待时间
从元件吸取完成后到可吸取下一个元件之间的等待时间(根据各供料器型号设置的值)与实
际等待时间的比例,以百分比的形式进行设置。
初始值为100%。
3) 元件供应角度
以JUKI的元件供应角度为0°,输入散装供料器上的元件包装姿势与之形成的角度。
详细内容请参见4-3-5-2-2的4)元件供应角度。
要输入其他数据时,请在编辑框内输入角度。(0°~ 359.9875°)
4) 废弃元件
对在定心时发生识别错误,或在引脚悬浮检查中发生错误时的元件废弃方法进行设置。
详细情况请参见(1)带状的输入方法 的废弃元件。

第1部 基本编 第4章 制作生产程序
4-56
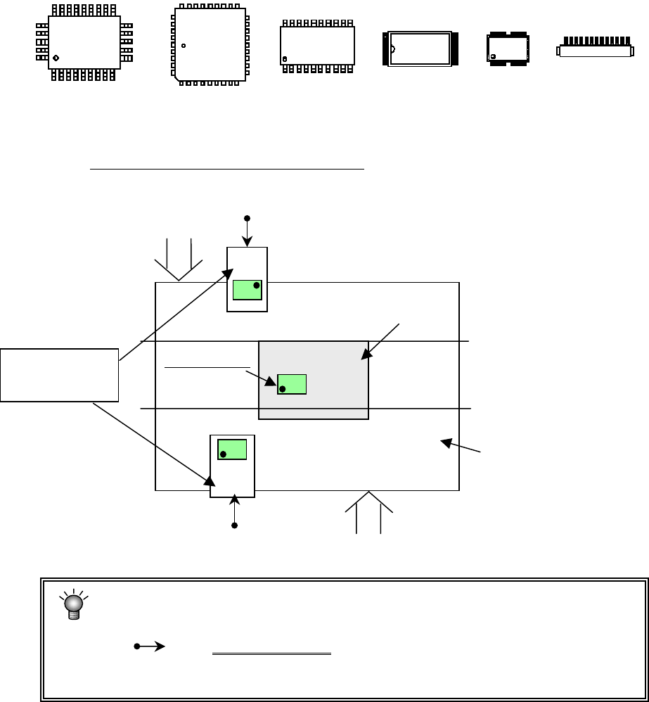
(4) 元件供应角度
该设置是为了消除本设备规定的元件供应角度与实际供给元件的供应角度的差。
<帮助您理解>
1) 贴片角度
本装置以“贴片元件的姿势”为基准来定义元件的角度。
贴片角度=0 度(当贴片数据中“角度”设置为 0 度时)的状态如下图。
(按各元件种类定义)
注意) 根据生产基板的规格,当 CAD 数据的贴片角度定义与本装置的贴片角度定义不一
致时,需要变更 CAD 数据的贴片角度。
QFP QFP(PLCC) SOP TSOP-1 TSOP-2 插头
图 4-3-5-2-2-4 贴片角度为 0°
2) 元件供应角度
当“元件供应角度=0 度、贴片角度=0 度”
时,为了获得如上图的贴片结果,要求元件
的供给方向应如下图所示。
(标明元件种类=SOP)
后
基板
带状供料器 贴片角度 0°
管状供料器
贴片机
前
无论元件是从设备的前面供给还是从后面供给,都不需要更改元件数据的设定,
而可根据元件的供应位置自动控制,改变供给方向→贴片方向的关系。
表示实际使用时的供给
方向。