PTS-NXT2-01JE - 第101页
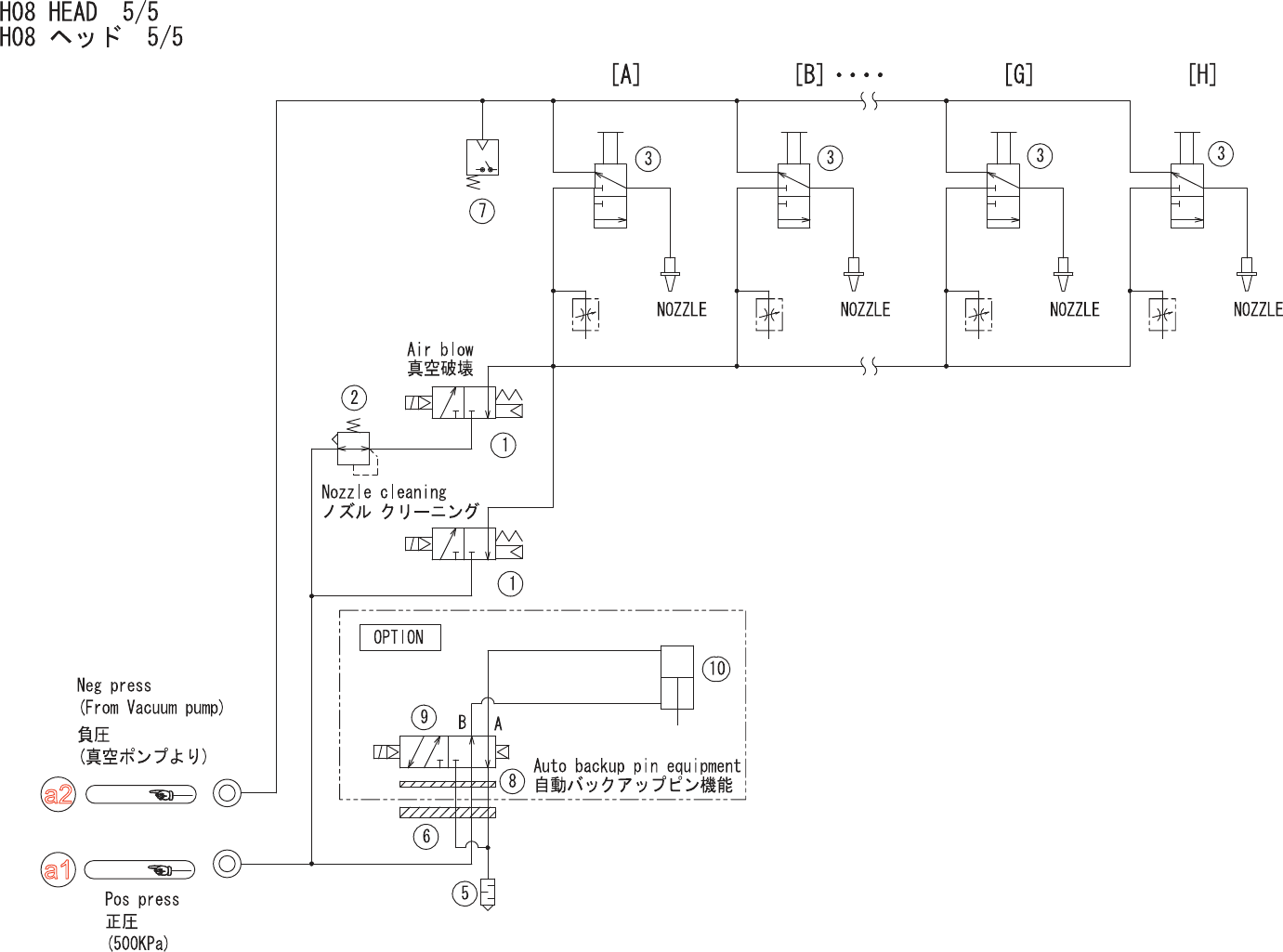
H08HEAD5/5 H08ヘ ッド5 /5 UH00482 No. Drg.No.&CodeNo. Q TY Description Rating Materials Remarks 番号 図番 &コード 番号 個数 品名 規格 材質 備考 1 XB03330 2 VALVE,SOL バルブ SO L OT 2 XB00763 1 VALVE,PRESSUREREDUCING バルブ …

Ref.BED
Ref.BED
a1
a2
UH00482
100
PTS-NXT2-01JE
Vol.1

H08HEAD5/5
H08ヘッド5/5
UH00482
No. Drg.No.&CodeNo. QTY Description Rating
Materials
Remarks
番号 図番&コード番号 個数 品名 規格 材質 備考
1 XB03330 2 VALVE,SOL バルブSOL OT
2 XB00763 1 VALVE,PRESSUREREDUCING バルブ減圧 OT
3 XS01183 8 SPOOL スプール OT
5 S1058B 1 SILENCER サイレンサ AN120-M3 OT
6 H3176D 1 PLATE プレート SYJ3000-21-2A OT
7 XS00842 1 SENSOR,PRESSURE センサ圧力 OT
8 PJ06031 1 PLATE,ACRYLIC プレートアクリル OT
9 H1122D 1 VALVE,SOL バルブSOL SYJ3140-5M0U OT
10 XS01841 1 CYLINDER シリン
ダ
OT
101
PTS-NXT2-01JE
Vol.1

25
30
29
28
35
34
18
19
19.1
20
21
22
24
23
49
8
9
10
11
5
3
7
6
26
27
45
47
48
46
1
31
32
33
37
41
40
42
43
AA15W13
102
PTS-NXT2-01JE
Vol.1