PTS-NXT2-01JE - 第119页
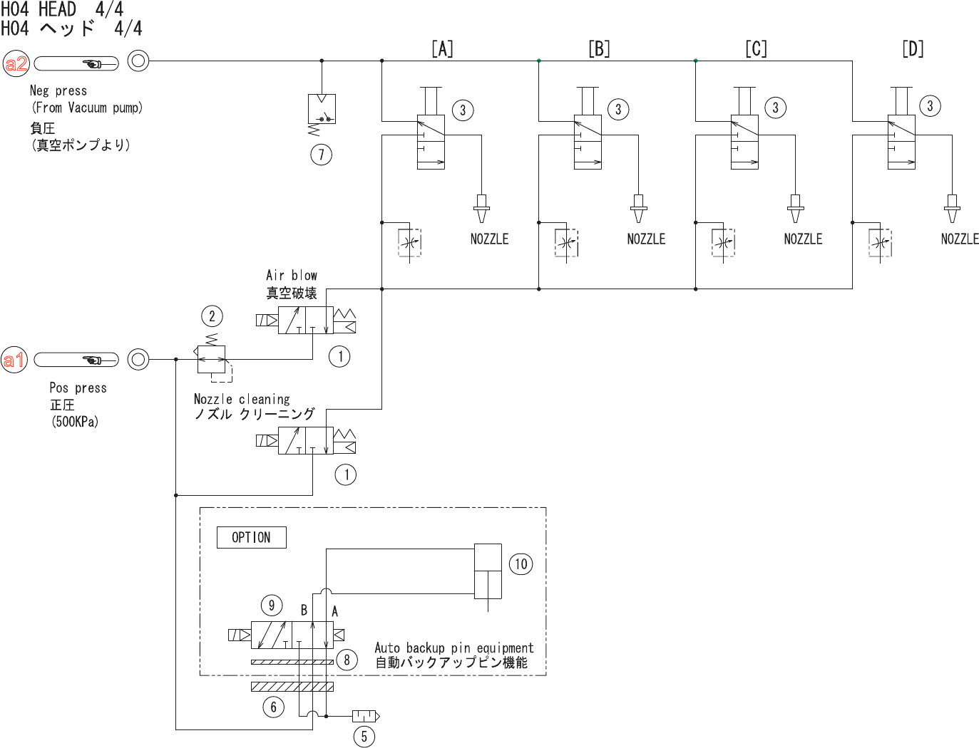
H04HEAD4/4 H04ヘ ッド4 /4 UH00835 No. Drg.No.&CodeNo. Q TY Description Rating Materials Remarks 番号 図番 &コード 番号 個数 品名 規格 材質 備考 1 XB03330 2 VALVE,SOL バルブ SO L OT 2 XB00763 1 VALVE,PRESSUREREDUCING バルブ …

Ref.BED
Ref.BED
a1
a2
UH00835
118
PTS-NXT2-01JE
Vol.1

H04HEAD4/4
H04ヘッド4/4
UH00835
No. Drg.No.&CodeNo. QTY Description Rating
Materials
Remarks
番号 図番&コード番号 個数 品名 規格 材質 備考
1 XB03330 2 VALVE,SOL バルブSOL OT
2 XB00763 1 VALVE,PRESSUREREDUCING バルブ減圧 OT
3 XS01183 8 SPOOL スプール OT
5 S1058B 1 SILENCER サイレンサ AN120-M3 OT
6 H3176D 1 PLATE プレート SYJ3000-21-2A OT
7 XS00842 1 SENSOR,PRESSURE センサ圧力 OT
8 PJ06031 1 PLATE,ACRYLIC プレートアクリル OT
9 H1122D 1 VALVE,SOL バルブSOL SYJ3140-5M0U FE
10 XS01841 1 CYLINDER シリン
ダ
OT
119
PTS-NXT2-01JE
Vol.1

49
8
9
10
11
25
30
29
28
35
34
18
5
3
4
4
7
6
19
19.1
20
21
41
40
45
47
48
46
42
26
27
43
2
31
32
33
37
AA15Y13
120
PTS-NXT2-01JE
Vol.1