ASMTX系列技术培训FSE - 第104页
7 电源 7.3 电压概览方框图 104 技术培训 FSE SIPLACE TX系列 08/2018 7.3 电压概览方框图 7.3.1 TX 电源电路图 上图所示为 SMPS 所生成电压的简要概览。 ● 电源组 PS1 将主输入交流电源电压转换为 300 VDC(用于主轴的中间电路电压)和160 VDC(用于贴片头轴的中间电路电压)。 ● 300VDC 经由储能电池 CAP1 到接触式安全断路器(CSB),充放电通过预放电/放电板 A…

7 电源
7.2 接线颜色描述
技术培训 FSE SIPLACE TX系列 08/2018 103
7.2 接线颜色描述
设有线色代码显示特定单线的电压等级。因此,您可以通过线色识别测试组件的电压等级。
电压 颜色 代码 备注
主电源 橙色 或者 即使主开关关闭也有电压存在的回路
普通电源线 黑色 BK
零线 浅蓝色 BU
欧洲:
根据 EN 和 CE 标准,线色必须为浅蓝色。
美国/加拿大:
按照 UL 标准,线色必须为白色;
PE 绿色/黄色 GNYE
DC 300 V 粉色 PK 300V 直流链路电压
DC 160 V 灰色 GY 160V 直流链路电压
DC 42 V 紫色 VT 42V 直流链路电压用于传送导轨和贴片头
驱动装置;影像闪光电压
DC 28 V 棕色 BN 28V FCU 电源电压
DC 24 V 棕色 BN
DC 24 V 安全受控 红色 RD
GND,0 V 白色 WH
普通控制线 黄色 YE 控制、输入、输出、急停

7 电源
7.3 电压概览方框图
104 技术培训 FSE SIPLACE TX系列 08/2018
7.3 电压概览方框图
7.3.1 TX 电源电路图
上图所示为 SMPS 所生成电压的简要概览。
●
电源组 PS1 将主输入交流电源电压转换为 300 VDC(用于主轴的中间电路电压)和160
VDC(用于贴片头轴的中间电路电压)。
●
300VDC 经由储能电池 CAP1 到接触式安全断路器(CSB),充放电通过预放电/放电板 A2 控
制,而能量储存由储能电池 CAP1 完成。
●
电源组 PS2 将主输入电源电压转换为 24 VDC。
●
42VDC 电压的一个链路通过 CSB,在那里回到 FDB 并分配为 42VDC_S(开关)。另一个链
路直接通往放电头缓冲器。
●
电源组 PS3 将主输入电源电压转换为 28 VDC。
●
电源组 PS4 将主输入电源电压转换为 24 VDC。
●
24VDC 电压的部分回路通过 CSB 控制回路,成为 24VDC_S 回到 FD.A1 加以分配,另一回路
则直接通过 FD.A1 得以分配。
●
所有电压均由保险丝配电板 (FDB) 进行熔断保护。

7 电源
7.3 电压概览方框图
技术培训 FSE SIPLACE TX系列 08/2018 105
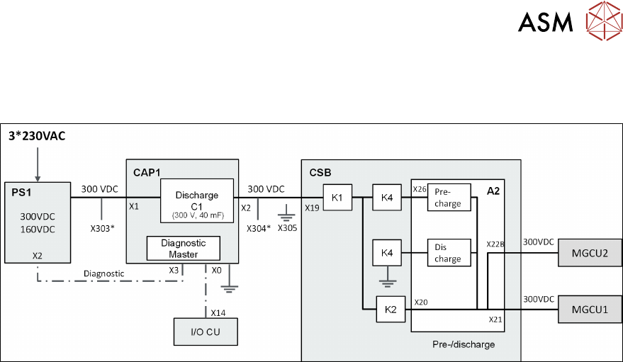
7.3.2 主轴的 300 V 中间电路电压
下图显示了为贴片头轴生成 300V 中间电路电流。
* X303/X304 维修测试点(DC 300V 输入/输出)
●
主轴的 300VDC 中间电路电压由 PS1 电源组生成,直接通过 CAP1 和 CSB 单元传输到
MGCU。
●
电容储能电池 CAP1 使用该 300VDC 充电。
●
主轴的预充电/放电控制以及储能电池的能源管理由安全断路器(CSB)中的预充/放电板-A2完
成。