ASMTX系列技术培训FSE - 第107页
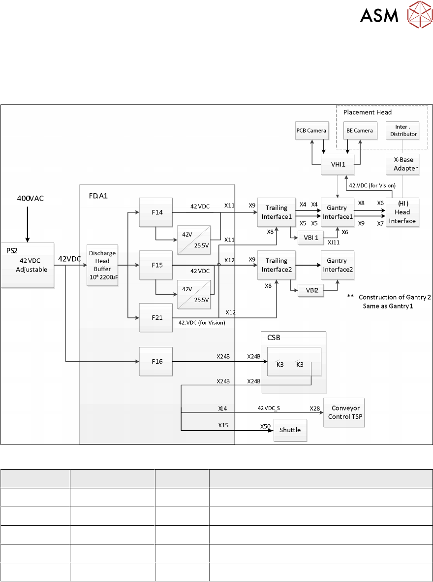
7 电源 7.3 电压概览方框图 技术培训 FSE SIPLACE TX系列 08/2018 107 7.3.4 42 VDC 受控和非受控 下图显示了生成 42V 中间电路。 电压 类型 保险丝 使用 42 VDC 非受控 F14 Z 电机 CP20 悬臂 1 42 VDC 非受控 F15 Z 电机 CP20 悬臂 2 42 VDC 非受控 F21 相机照明(元件和 PCB)悬臂 1 和 2 42 VDC 非受控 F21 固定式相机的…

7 电源
7.3 电压概览方框图
106 技术培训 FSE SIPLACE TX系列 08/2018
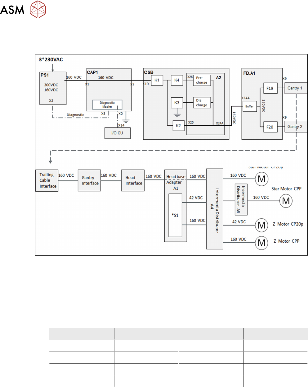
7.3.3 160 V 贴片头轴的中间电路电压
下图显示了为贴片头轴生成 160V 中间电路电流。
*
S1切换Z轴中间电压,CPP 为 160V,C&P20 P为 42V
●
贴片头轴的 160VDC 电压(中间电路)不会通过储能电池管理,不存在能量补偿问题。
●
该电压直接从电源组 PS1 经过储能电池 CAP(无处理)进入 CSB,在那里切换到预充/放电
板。
●
然后,贴片头轴电压经过 FDB 总成,由那里的保险丝保护,然后发传到贴片头。
电压 类型 保险丝 使用
160 VDC 受控 F19 星形电机悬臂 1
160 VDC 受控 F19 Z 电机 CPP 悬臂 1
160 VDC 受控 F20 星形电机悬臂 2
160 VDC 受控 F20 Z 电机 CPP 悬臂 2

7 电源
7.3 电压概览方框图
技术培训 FSE SIPLACE TX系列 08/2018 107
7.3.4 42 VDC 受控和非受控
下图显示了生成 42V 中间电路。
电压 类型 保险丝 使用
42 VDC 非受控 F14 Z 电机 CP20 悬臂 1
42 VDC 非受控 F15 Z 电机 CP20 悬臂 2
42 VDC 非受控 F21 相机照明(元件和 PCB)悬臂 1 和 2
42 VDC 非受控 F21 固定式相机的照明
42 VDC 受控 F16 传送导轨驱动电机

7 电源
7.3 电压概览方框图
108 技术培训 FSE SIPLACE TX系列 08/2018
7.3.5 24 VDC 受控和非受控
保险丝 1-3 和 5-10
电压 类型 保险丝 使用
24 VDC 非受控 F1 MGCU1 供电
24 VDC 非受控 F2 MGCU2 供电
24 VDC 非受控 F3 外部服务/风机供电(预留 I/O 和选配)
24 VDC 非受控 F5 控制计算机(PC)供电
24 VDC 非受控 F6 显示器/CIN(Can 接口)/PC(选配)供电
24 VDC 非受控 F7 传输导轨控制供电(TSP-420M 内部带微保险丝)
24 VDC 非受控 F8 未使用
24 VDC 非受控 F9 未使用
24 VDC 非受控 F10 用于电源单元内部诊断