ASMTX系列技术培训FSE - 第69页
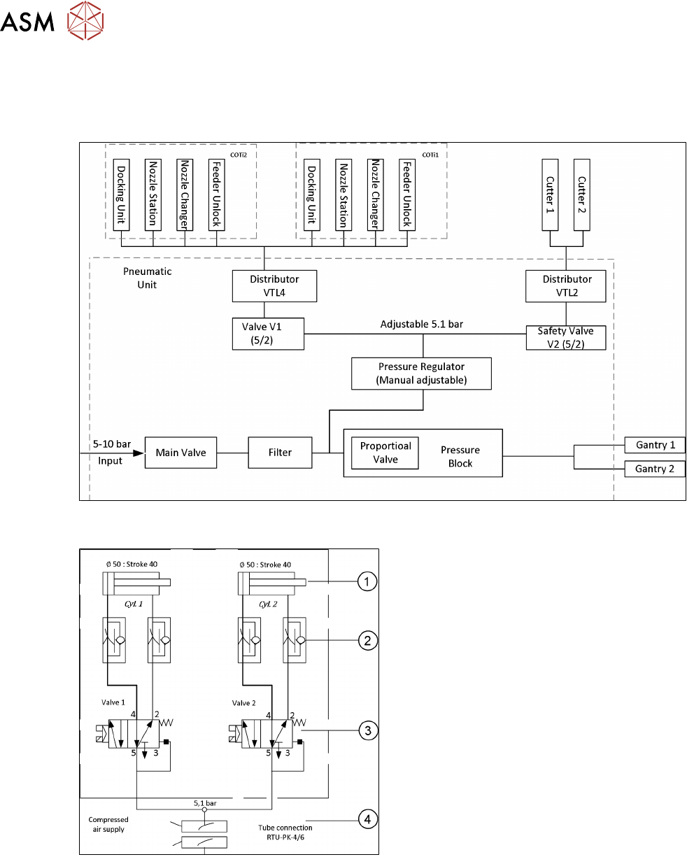
5 元件供应 5.8 元件供应的气压及电气系统 技术培训 FSE SIPLACE TX系列 08/2018 69 装卸单元气压系统 1. 用于移动凸轮盘的气缸 2. 用于调整气压速度的节流阀(载入和卸除约 2-3 秒时间) 3. 气缸,用于在卸除过程中推出 COT 4. 控制气缸的 5/2 向阀 5. 预防电气故障情况的安全控制阀 5.8.2 电气系统概览 FD.A1 保险/连接板TX VNS 吸嘴站电磁阀 FDC 保险和分配接头板 S…

5 元件供应
5.8 元件供应的气压及电气系统
68 技术培训 FSE SIPLACE TX系列 08/2018
5.8 元件供应的气压及电气系统
5.8.1 气压系统概览
料带割刀气压系统
1. 割刀刀片的驱动气缸(40 mm 移动冲程)
2. 气缸上的可调节流阀。可在贴片机软件中检
查节流时间。如需详情,请参阅《维修手
册》。
3. 5/2向电磁阀
4. 5.1 巴压缩空气供给
控制系统打开时,仅切割器启用。

5 元件供应
5.8 元件供应的气压及电气系统
技术培训 FSE SIPLACE TX系列 08/2018 69
装卸单元气压系统
1. 用于移动凸轮盘的气缸
2. 用于调整气压速度的节流阀(载入和卸除约
2-3 秒时间)
3. 气缸,用于在卸除过程中推出 COT
4. 控制气缸的 5/2 向阀
5. 预防电气故障情况的安全控制阀
5.8.2 电气系统概览
FD.A1 保险/连接板TX VNS 吸嘴站电磁阀
FDC 保险和分配接头板 SRB 抛料盒传感器
FCU 供料器控制单元 TC 料带割刀
COTi COT单元 NC 吸嘴交换器
FUD 供料器解锁装置 VCOTi COT 单元电磁阀

5 元件供应
5.9 C&P20 / CPP 和双头的吸嘴交换器
70 技术培训 FSE SIPLACE TX系列 08/2018
5.9 C&P20 / CPP 和双头的吸嘴交换器
1. 短吸嘴交换器托板模块
2. 料盘类型 28xx,用于CPP
3. 料盘类型 40xx,用于 C&P20 P 和 M2
4. 带 20 个吸嘴的料盘类型 20xx,用于CPP
5. 料盘类型 20xx,用于CPP
6. 吸嘴装载盘检测开关
吸嘴交换器包括四个吸嘴装载盘。吸嘴装载盘在托架模块上面。每个吸嘴装载盘通过按扣固定,可
以通过控制杆释放。
每个库可以配置不同的吸嘴类型。一个吸嘴交换器可混用所有三种料盘类型(12*20xx、20*20xx 和
9*28xx)。
贴片机软件无法检测一个吸嘴装载盘所配备的吸嘴库数量(12 个或20 个)。只能根据所测得的基准
点进行判断。
每个吸嘴装载盘由 3 个微开关扫描。对于每种料盘类型,这些开关执行不同的操作。
贴片机软件可自动检测所使用的料盘类型以及所有料盘是否均已正确插入。
●
吸嘴交换器控制板设置。
●
让吸嘴交换器兼容所有软件版本需要进行
跳线设置。
●
CPP 和 C&P20P 设置为 2-3。
吸嘴ID
1. 带吸嘴接口的吸嘴固定槽
2. 吸嘴球形锁
3. 吸嘴条形码,用于通过 PCB 相机识别吸
嘴类型
4. 吸嘴过滤网
5. 返回和抛料的吸嘴锁