JM-100_维修调整要领书 - 第146页
维修调整要领书 11 -4 表 11 - 2-1-1-1 电气装置单元 A ( ST ) <零件清单> No. JUKI 品号 零件名 零件数 位置 备注 1 HA00 6510000 CIRCUIT PROTECTOR (3O A) 1 C P1 2 HA0065100 0A CIRCUIT PROTECTOR (1 0 A) 1 CP2 3 HA00 6300000 MAGN ETIC CONT ACT OR 1 K1 4 HA00…

维修调整要领书
11-3
11-2
电气装置单元
11-2-1
电气装置单元
A
电气装置单元 A 实际安装在底座框架的装置后面。
图 11-2-1-1-1~图 11-2-1-1-2、图 11-2-1-2-1~图 11-2-1-2-2 为外观图,图 11-2-1-1-3、图 11-2-1-2-3
为构成图。
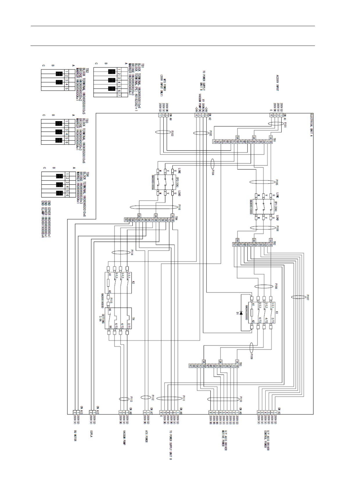
图 11-2-1-1-4、图 11-2-1-2-4 为电气装置单元 A 连接图。
电气设备单元 A,控制用继电器,导体,电路保护器,各单元(包括控制单元,电气设备单元 B,XY
驱动器,ATX 电源,等)供给 AC 电源。
11-2-1-1
电气装置单元
A (ST)
构成
图
11-2-1-1-3
电气装置单元
A (ST)
图
11-2-1-1-2
电气装置单元
A (ST)
的正面图
图
11-2-1-1-1
电气装置单元
A (ST)
的外观
1
2
3
4

维修调整要领书
11-4
表
11-2-1-1-1
电气装置单元
A (ST)
<零件清单>
No. JUKI 品号 零件名 零件数 位置 备注
1 HA006510000 CIRCUIT PROTECTOR (3OA) 1 CP1
2 HA00651000A CIRCUIT PROTECTOR (10A) 1 CP2
3 HA006300000 MAGNETIC CONTACTOR 1 K1
4 HA006190000 MAGNETIC CONTACTOR 1 K2&TH
5
6
7
8
9
10
11

维修调整要领书
11-5
图
11-2-1-1-4 PSU A WIRING DIAGRAM [ST]