Tape feeder module 32mm X FS06_074146 - 第5页
Tape feeder module 32mm X FS06 Page 5 / 13 16.09.2021

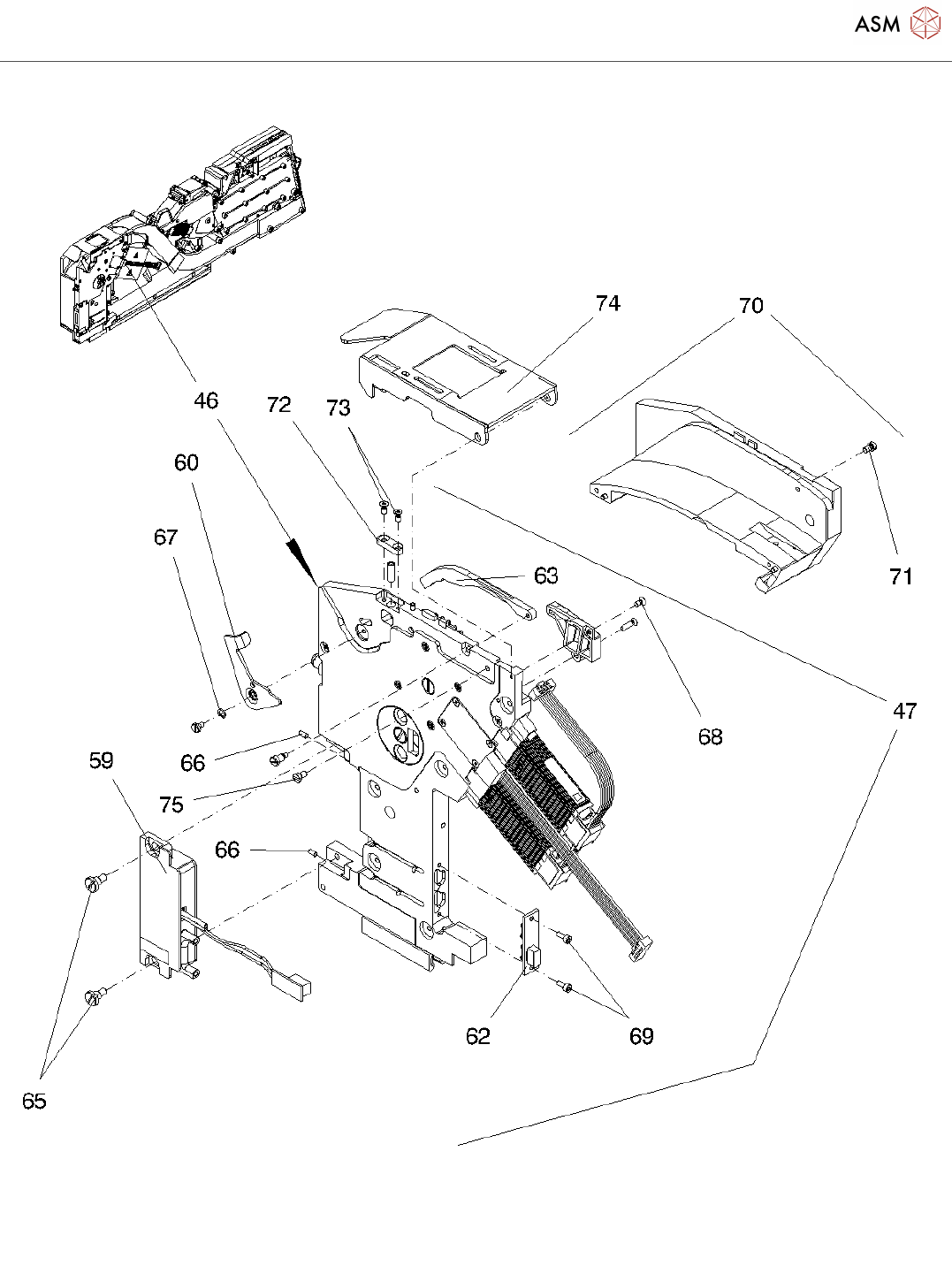
Tape feeder module 32mm X FS06
Page 4 / 13 16.09.2021

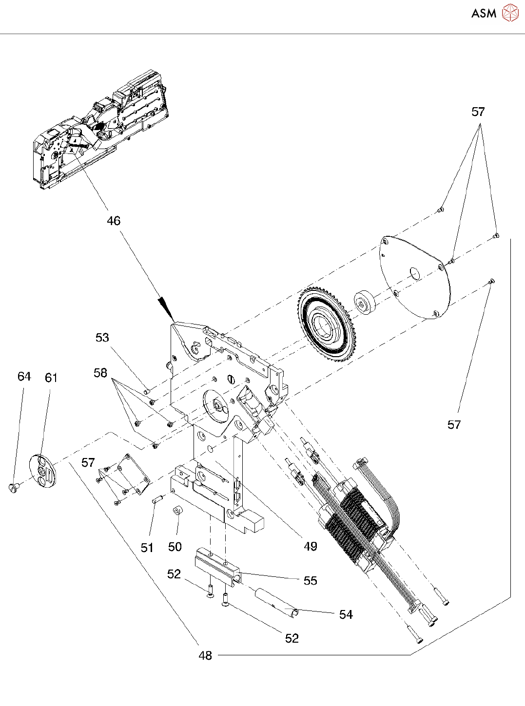
Tape feeder module 32mm X FS06
Page 5 / 13 16.09.2021

Tape feeder module 32mm X FS06
Page 6 / 13 16.09.2021