YTF-100_KH2_e - 第4页
Wiring par ts list KH2_1002 PA G E 2 Con fi dential & Proprietary No P ar t No . P ar t Name Q'ty Remarks No P ar t No . P ar t Name Q'ty Remarks 1 KH2-M662A-030 HARNESS 2-1 1 J600 39 KH2-M668T -012 HNS,DOOR…

PAG E
1
Confi dential & Proprietary
YTF100
YTF100
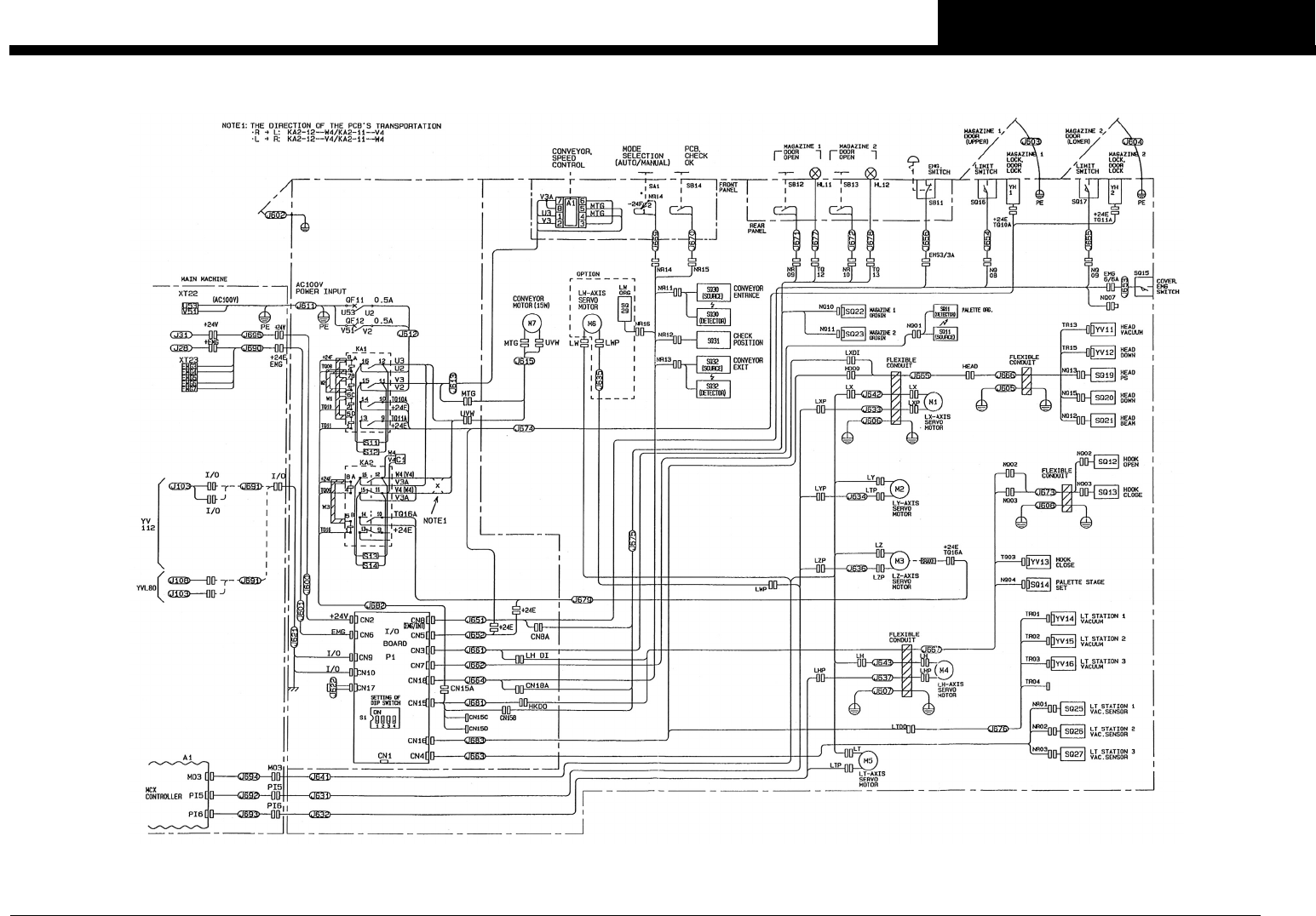
Interconnection diagram(YTF100)

Wiring parts list
KH2_1002
PAG E
2
Confi dential & Proprietary
No Part No. Part Name Q'ty Remarks No Part No. Part Name Q'ty Remarks
1 KH2-M662A-030 HARNESS 2-1 1 J600 39 KH2-M668T-012 HNS,DOOR LOCK 1 J674
2 KH2-M662E-011 HARNESS 2-2 1 J601 40 KH2-M536E-400 HARNESS 302 1 J609
3 90K30-244015 HNS,COVER FG 3 41 KH2-M668X-000 HARNESS 8-16 1 J679
4 KH2-M536E-000 HARNESS 302 1 J605 42 KH2-M664E-000 HARNESS 4-2 1 J622
5 KH2-M536E-100 HARNESS 302 2 J606,J607 43 KH2-M661A-010 HNS 1-1 1 J690
6 KH2-M536E-200 HARNESS 302 1 J608,J609 44 KH2-M661E-001 HARNESS 1-2 1 J691
7 KH2-M663A-010 HARNESS 3-1 1 J611 45 KH2-M661F-010 HARNESS 1-3 1 J692
8 KH2-M663E-000 HARNESS 3-2 1 J612 46 KH2-M661G-010 HARNESS 1-4 1 J693
9 KH2-M663F-001 HARNESS 3-3 1 J613 47 KH2-M661H-000 HARNESS 1-5 1 J694
10 KH2-M663H-001 HNS,3-5 (MTG) 1 J615 48 KH2-M661J-030 HARNESS 1-6 1 J695
11 KH2-M664A-020 HARNESS 4-1 1 J621 49
12 KH2-M665A-011 HARNESS 5-1 1 J631 50
13 KH2-M665E-011 HARNESS 5-2 1 J632 51
14 KH2-M665F-000 HARNESS 5-3 1 J633 52
15 KH2-M665G-000 HARNESS 5-4 1 J634 53
16 KH2-M665J-000 HARNESS 5-6 1 J636 54
17 KH2-M665K-000 HARNESS 5-7 1 J637 55
18 KH2-M666A-011 HARNESS 6-1 1 J641 56
19 KH2-M666E-001 HARNESS 6-2 2 J642,J643 57
20 KH2-M667A-000 HARNESS 7-1 1 J651 58
21 KH2-M667E-001 HARNESS 7-2 1 J652 59
22 KH1-M667G-011 HNS,EMG SW 1
60
23 KH2-M668A-000 HARNESS 8-1 1 J661 61
24 KH2-M668E-000 HARNESS 8-2 1 J662 62
25 KH2-M668F-000 HARNESS 8-3 1 J663 63
26 KH2-M668G-001 HARNESS 8-4 1 J664 64
27 KH2-M668H-000 HARNESS 8-5 1 J665 65
28 KH2-M668J-000 HARNESS 8-6 1 J666 66
29 KH2-M668K-001 HARNESS 8-7 1 J667 67
30 KH2-M668M-000 HARNESS 8-9 1 J669 68
31 KH2-M668N-000 HARNESS 8-10 3 J670,J671,J672 69
32 KH2-M668R-010 HARNESS 8-11 1 J673 70
33 KH2-M668U-001 HARNESS 8-13 1 J675 71
34 KH2-M668V-000 HARNESS 8-14 1 J676 72
35 KH2-M668W-001 HARNESS 8-15 2 J677,J678 73
36 KH2-M669A-010 HARNESS 9-1 1 J681 74
37 KH2-M669E-010 HARNESS 9-2 1 J682 75
38 KH2-M669F-000 HARNESS 9-3 1 J683 76

PAG E
3
Confi dential & Proprietary
YTF100
YTF100
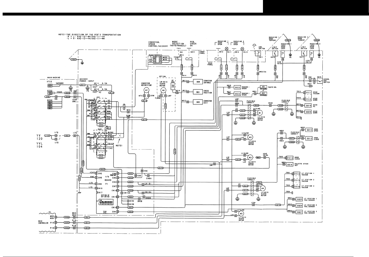
Interconnection diagram(YTF100A:KH2-100)