YTF-100_KH2_e - 第7页
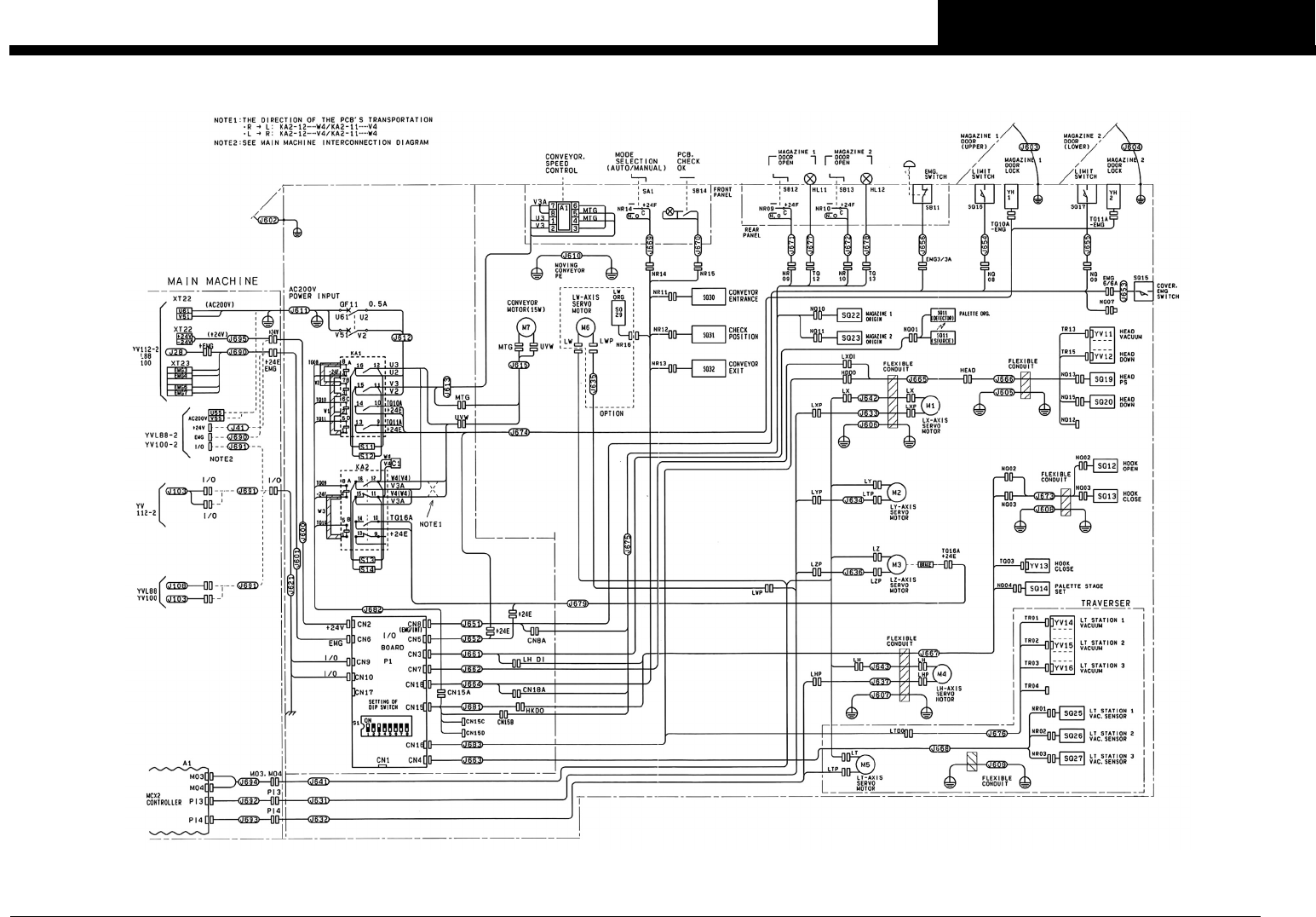
PA G E 5 Con fi dential & Proprietary Y T F 1 0 0 YTF100 Interconnection diag ram(YTF100A:KH2-800)

Wiring parts list
KH2_1002
PAG E
4
Confi dential & Proprietary
No Part No. Part Name Q'ty Remarks No Part No. Part Name Q'ty Remarks
1 KH2-M661A-010 HNS 1-1 1 J690 39
2 KH2-M661E-001 HARNESS 1-2 1 J691 40
3 KH2-M661F-102 HNS,PI3 1 J692 41
4 KH2-M661G-102 HNS,PI4 1 J693 42
5 KH2-M661H-102 HNS,1-5 (MO3,MO4) 1 J694 43
6 KH2-M661J-111 HNS,1-6 (+24V,PP) 1 J695 44
7 45
8 46
9 47
10 48
11 49
12 50
13 51
14 52
15 53
16 54
17 55
18 56
19 57
20 58
21 59
22
60
23 61
24 62
25 63
26 64
27 65
28 66
29 67
30 68
31 69
32 70
33 71
34 72
35 73
36 74
37 75
38 76

PAG E
5
Confi dential & Proprietary
YTF100
YTF100
Interconnection diagram(YTF100A:KH2-800)

Wiring parts list
KH2_1002
PAG E
6
Confi dential & Proprietary
No Part No. Part Name Q'ty Remarks No Part No. Part Name Q'ty Remarks
1 KH2-M661J-201 HNS,1-6(+24V,PP CNCT 1 J041 39 KH6-M668W-001 HNS,LAMP 2 J678,J677
2 KH2-M662A-102 HNS,2-1 (+24V PP1/O) 1 J600 40 KH2-M668X-010 HNS 8-16 1 J679
3 KH2-M662E-011 HARNESS 2-2 1 J601 41 KH2-M669A-100 HARNESS 9-1 1 J681
4 90K30-244015 HNS,COVER FG 3 J602,J603,J604 42 KH2-M669E-120 HNS 9-2(CONV DO) 1 J682
5 90K30-444080 HNS,EARTH 1 J605 43 KH2-M669F-100 HARNESS 9-3 1 J683
6 90K30-444140 HNS,EARTH 2 J606,J607 44 KH2-M661A-201 HNS 1-1 (EMG PP CONN 1 J690
7 90K30-444100 HNS,EARTH 1 J608,J609 45 KH2-M661E-001 HARNESS 1-2 1 J691
8 KH2-M663A-204 HNS,POWER CONVEYOR 1 J611 46 KH2-M661F-102 HNS,PI3 1 J692
9 KH6-M663E-011 HNS,BREAKER-RY 1 J612 47 KH2-M661G-102 HNS,PI4 1 J693
10 KH6-M663F-020 HNS 3-3(SPD CONT-RY) 1 J613 48 KH2-M661H-102 HNS,1-5 (MO3,MO4) 1 J694
11 KH2-M663H-001 HNS,3-5 (MTG) 1 J615 49 KH2-M661J-111 HNS,1-6 (+24V,PP) 1 J695
12 KH6-M664A-001 HNS 4-1 1 J621 50
13 KH2-M665A-103 HNS,5-1 1 J631 51
14 KH2-M665E-104 HNS,5-2 1 J632 52
15 KH2-M665F-101 HARNESS 5-3 1 J633 53
16 KH2-M665F-101 HARNESS 5-3 1 J633 54
17 KH2-M665G-101 HARNESS 5-4 2 J634,J635,J636 55
18 KH2-M665K-101 HARNESS 5-7 1 J637 56
19 KH2-M666A-102 HNS,6-1 (MO3,4 PP) 1 J641 57
20 KH2-M666E-101 HNS,6-2 (MO,LX-FLEX) 1 J642 58
21 KH2-M666F-101 HNS,6-3 (MO,LH-FLEX) 1 J643 59
22 KH2-M667A-100 HARNESS 7-1 1 J651
60
23 KH2-M667E-001 HARNESS 7-2 1 J652 61
24 KH4-M668R-001 HNS,COVER SW 3 J653,J654,J655 62
25 KH1-M667G-011 HNS,EMG SW 1 J656 63
26 KH2-M668A-100 HNS,8-1 1 J661 64
27 KH2-M668E-000 HARNESS 8-2 1 J662 65
28 KH2-M668F-000 HARNESS 8-3 1 J663 66
29 KH2-M668G-001 HARNESS 8-4 1 J664 67
30 KH2-M668H-100 HARNESS 8-5 1 J665 68
31 KH2-M668J-100 HARNESS 8-6 1 J666 69
32 KH2-M668K-100 HARNESS 8-7 1 J667 70
33 KH6-M668M-101 HNS,SELECT SW 3 J669,J671,J672 71
34 KH2-M668N-200 HNS 8-10 1 J670 72
35 KH2-M668R-010 HARNESS 8-11 1 J673 73
36 KH2-M668T-012 HNS,DOOR LOCK 1 J674 74
37 KH2-M668U-101 HARNESS 8-13 1 J675 75
38 KH2-M668V-100 HARNESS 8-14 1 J676 76