KD-2077-Rev03PD.pdf - 第79页
- - REF.NO NOT E P A RT NO D E S C R I P T I O N Q t y 1 400-02055 B REAKER INPU T CA B LE ASM 1 2 400-68890 P OWER LAMP RE L A Y CA BLE ASM 1 3 HA -00 5 320 0 - 00 C I R CUIT P ROTECTOR 1 4 #01 400-68889 POWER LAMP 20…

- -
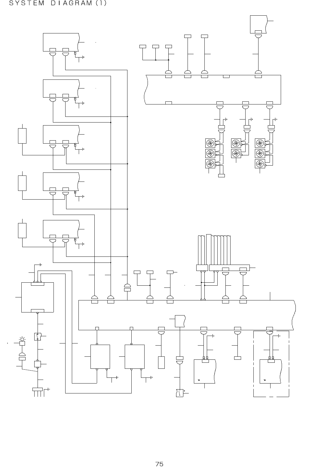
38.SYSTEM DIAGRAM (1)
R E G 3
M R - R B 1 2
R E G 2
M R - R B 1 2
R E G 1
M R - R B 1 2
C N 0 7 0
P W R
L A M P
C N 2 4 6
C N 1 3 6
C N 0 1 8
C N 0 9 7
C N 0 1 5
2 - 3 C2 - 3 C
T
T S E R V O
A M P ( 1 / 3 )
M R - J 3 - 1 0 B
F 8 E
E
C N P 2
C N P 1
Z
Z S E R V O
A M P ( 1 / 3 )
M R - J 3 - 1 0 B
F 7 E
E
C N P 2
C N P 1
V C S ( O C S ) M O N I T O R
CN 0 11C N 01 1 C N 7 0 9
H E A D
M A I N P C B
( D C P W R )
C N 0 18
(1 / 2 ) 5 - 2 A
(1 / 3 )
(1 / 4 )
(1 / 2 )
(1 / 3 )
(1 / 2 )
(1 / 2 )
(1 / 5 ) 2 - 2 A
3 - 1 A
3 - 1 B
3 - 1 B
3 - 1 A
2 - 3 A
5 - 2 B
T E M P E R A T U R E
C O N T R O L
U N I T ( L )
C N 5 5 8
T E M P E R A T U R E
C O N T R O L
U N I T ( R )
C N 0 1 3C N 0 1 3
C N 5 6 0
T E M P E R A T U R E
C O N T R O L
U N I T ( C )
C N 5 5 9
2 - 3 B2 - 3 B2 - 3 A
5 - 2 B
4 - 3 D
4 - 3 B
5 - 1 C
1 - 1 A
1 - 1 C
1 - 2 D
1 - 4A
R 5 E
C P U
O U T
M O T E R
D R I V E R
C N 0 3 1C N 03 1
C N 6 5 5 ( R )
I N
M O T E R
D R I V E R
C N 6 5 5 ( L )
C N 0 0 4
H E A D
M A I N P C B
( A C P W R )
C N 0 9 7
C P C I B A C K
B O A R D
L C D
M O N I T O R ( 1 /2 )
C N 0 15B A S E F A N R
C N 0 6 7
C N 0 0 9
R 3 E
C N 0 0 7
R 4 E
C N 0 0 8C N 0 0 8
R 2 E
C N 0 0 7
T B 2
T B 1
B A S E - F E E D E R
X Y R E L A Y
L I G H T C T R L
I / O C T R L
S A F E T Y
I P - X 3 R
B U S - B R I D G E
P O S I T I O N B O A R D
Y L
Y L S E R V O
A M P ( 1 / 2 )
M R - J 3 - 7 0 B
F 5 E
E
C N P 2
C N P 1
Y R
Y R S E R V O
A M P ( 1 / 2 )
M R - J 3 - 7 0 B
F 4 E
E
C N P 2
C N P 1
C N 0 0 1
O P T I O N ( A W C )
5 D R I V E R C N 0 0 5
A W C D R I V E R ( 1 / 2 )
F 6 E
T B
C N 0 0 5
C E N T
M O T E R
D R I V E R
C N 0 2 8 C N 0 2 8C N 6 5 5
5 D R I V E R C N 0 0 3
B U D R I V E R ( 1 / 2 )
F 1 E
T B
C N 0 0 3
M A I N
S W ( 2 / 2 )
T B 2
A C 2 0 0 V
I N P U T
X
B A S E F A N L
C N 0 6 6
C O N T R O L U N I T T O P F A N
C N 0 6 4C N 0 6 5
X S E R V O
A M P ( 1 / 2 )
M R - J 3 - 4 0 B
PO W E R
UN I T (1 / 2)
C N 0 2 7
C N 0 2 4
C N 0 1 0
P O W E R
U N I T ( 2 / 2 )
C N 0 0 6
C N 0 0 9
H O U R M E T E R C N 0 1 0
C N 2
C N 1
R E M O R T S W
U P S
( 1 / 2 )
C N 0 2 7
C N 0 2 4
F 3 E
E
C N P 2
C N P 1
C N 0 9 9
C N 0 0 2
T B 1
C N 0 9 6
R 7 E
T F 2 ( A C T R A N S )
R 6 E
T F 1 ( D C T R A N S )
A C I N P U T
U N I T
T B 1
M A I N
S W ( 1 / 2 )
N F B 1
3 0 A
P E
F G
L 3
L 2
L 1
1
6
8
2
4 5
3
7
9
1 0
1 1 1 2
1 3
1 7
1 4 1 6
1 5
1 8
1 9
2 0
2 1
5 1
2 3
2 4
2 72 6
2 5
2 8
5 24 8 4 9
4 6
4 5
6 5 4 3 4 4
3 1
3 0
3 3
3 4
3 7
3 6
3 8 3 9
4 0
6 4
4 1 4 2
2 9
3 2
3 5
4 7
5 0
5 4 5 6 5 8
5 3
5 5
5 7
6 1 6 26 05 9
2 2
6 3

- -
REF.NO NOTE PART NO D E S C R I P T I O N Qty
1 400-02055 BREAKER INPUT CABLE ASM 1
2 400-68890 POWER LAMP RELAY CABLE ASM 1
3 HA-0053200-00 CIRCUIT PROTECTOR 1
4
#01
400-68889 POWER LAMP 200V CABLE ASM 1
5
#02
400-68894 POWER LAMP 400V CABLE ASM 1
6 400-02067 BREAKER OUT CABLE ASM 1
7 HA-0053800-00 SWITCH 1
8 400-02064 MAIN SW OUTPUT CABLE ASM 1
9 400-00481 AC INPUT UNIT 1
10 400-02056 INPUT UNIT FG CABLE ASM 1
11 400-02060 TF2 INPUT CABLE ASM 1
12 400-02059 TF1 INPUT CABLE ASM 1
13 400-40378 TRANSFORMER(PSU) 1
14 400-02057 TF1 FG CABLE ASM 1
15 400-40379 TRANSFORMER(SERVO) 1
16 400-02058 TF2 FG CABLE ASM 1
17 400-02115 HOURMETER ASM 1
18 HA-0053800-00 SWITCH 1
19 400-02101 UPS SW CABLE ASM 1
20 400-95745 UPS 1
21 HX-0042000-00 5 PHASE STEP DRIVER 1
22 400-45419 BU DRV PWR CABLE ASM 1
23 400-45421 BU DRV FG CABLE ASM 1
24 400-02100 CENT MOTOR PWR CABLE ASM 1
25 HX-0042000-00 5 PHASE STEP DRIVER 1
26 400-45423 AWC DRV PWR CABLE ASM 1
27 400-45425 AWC DRV FG CABLE ASM 1
28 400-69579 POWER UNIT 2077 1
29 400-54885 REGENERATIVE RESISTOR 1
30 400-68917 SERVO AMP 400W 1
31 400-68839 X DRV FG CABLE ASM 1
32 400-54885 REGENERATIVE RESISTOR 1
33 400-68918 SERVO AMP 750W 1
34 400-68840 YR DRV FG CABLE ASM 1
35 400-54885 REGENERATIVE RESISTOR 1
36 400-68918 SERVO AMP 750W 1
37 400-68841 YL DRV FG CABLE ASM 1
38
#03
400-68916 SERVO AMP 100W 1
39
#04
400-91088 SERVO AMP 100W 1
40 400-68842 Z DRV FG CABLE ASM 1
41
#03
400-68916 SERVO AMP 100W 1
42
#04
400-91088 SERVO AMP 100W 1
43 400-68838 SV PWR CABLE ASM L 1
44 400-68844 SV CTRL PWR CABLE ASM 1
45 400-45448 I/O PMD PWR CABLE ASM 1
46 400-02306 VCS MONITOR PWR CABLE A 1
47 400-33447 VISION MONITOR EN ASM 1
48 400-02327 PS CTRL POWER CABLE ASM 1
49 400-02330 CPCI CTRL POWER CABLE A 1
50 400-03283 VME BACK PCB ASM 1
51 400-02328 BACKBOARD MONITOR CABLE ASM 1
52 400-02329 BACKBOARD SIGNALCABLE ASM 1
53 E9249-729-HA0 CTRL UNIT TOP FAN ASM. 1
54 400-02054 CTRL UNIT TOP FAN RELAY 1
55 E9252-729-HA0 BASE FAN (L) ASM. 1
56 400-02107 BASE FAN(L) CABLE ASM 1
57 400-02326 BASE FAN R ASM 1
58 400-02108 BASE FAN(R) CABLE ASM 1
59 400-68848 TEMP.CONT.RELAY CABLE ASM 1
60 400-68850 HEAD MAIN AC PWR CABLE ASM 1
61 400-68849 HEAD MAIN PWR CABLE ASM 1
62 400-45442 F-LCD PWR CABLE ASM 1
63 400-25669 LCD DSP 1
64 400-68843 T DRV FG CABLE ASM 1
65 400-68837 SV PWR CABLE ASM R 1

- -
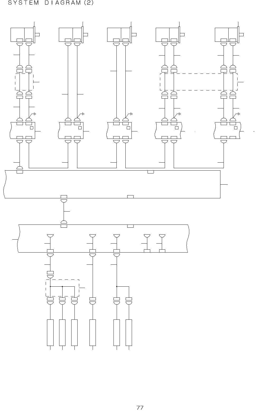
39.SYSTEM DIAGRAM (2)
3 - 1 A
3 - 1 B
1 - 3 B
I D
2
Y L S E R V O
A M P ( 2 / 2 )
M R - J 3 - 7 0 B
C N 2 A
C N 1 A
Y L S E R V O
M O T O R
H F - K P 7 3 - S 1 0
Y L C N P 3
Y L C N 2
C N P 3
C N 2
Y B E A R C A B L E S ( 1 / 2 )
X Y B E A R C A B L E S ( 1 / 3 )
Y B E A R C A B L E S ( 2 / 2 )
1 - 3 B
I D
0
C N 2 A
C N 1 A
X X S E R V O
A M P ( 2 / 2 )
M R - J 3 - 4 0 B
X S E R V O
M O T O R
H F - K P 4 3 - S 1 0
C N 1 6 2
C N 1 5 3
CN 1 6 1
CN 1 5 1
X C N P 3
X C N 2
C N P 3
C N 2
M R - J 3 B U S 0 1 5 M
C N 1 4 3
C N 1 3 7
C N 1 3 9
C N 1 3 0
C N 1 3 1
C N 1 3 2 C N 1 2 7
L S 0 - 3
L S 0 - 2
L S 0 - 1
C N 9
C N 7
C N 3
C N 2
CN 1
Y N E A R S E N S O R
- Y L I M I T S E N S O R
+ Y L I M I T S E N S O R
- X L I M I T S E N S O R
+ X L I M I T S E N S O R
X N E A R S E N S O R
T S E R V O
M O T O R
H F - M P 1 3 D
C N 2 1 2
C N 1 4 2
C N 2 0 2
C N 1 3 4
T C N P 3
T C N 2
C N P 3
C N 2
Z S E R V O
M O T O R
H F - M P 1 3 D
C N2 1 1
C N1 4 1
C N 2 0 1
C N 1 3 3
Z C N P 3
Z C N 2
C N P 3
C N 2
1 - 3 C
1 - 5 B
1 - 4 B
1 - 4 B
3 - 3 A
1 - 3 C
I D
4
C N 2 A
C N 1 A
2 C H
T
Z
I D
3
Z S E R V O
A M P ( 2 / 3 )
M R - J 3 - 1 0 B
T S E R V O
A M P ( 2 / 3 )
M R - J 3 - 1 0 B
M R - J 3 B U S 0 1 5 M
C N 2 A
C N 1 A
C N 2 A
C N 1 A
1 C H
C N 4 - 2 2 C H
Y L
Y R
I D
1
Y R S E R V O
A M P ( 2 / 2 )
M R - J 3 - 7 0 B
X Y R E L A Y
P C B ( 2 / 5 )
L S 0 - 4 - 1C N 4 - 1 M C C N 1 C H 1 C H
P O S I T I O N
B O A R D ( 2 / 2 )
M R - M C - 1 2 1 - S 0 1
M R - J 3 B U S 1 M - B
M R - J 3 B U S 0 1 5 M
M R - J 3 B U S 0 1 5 M
Y R S E R V O
M O T O R
H F - K P 7 3 - S 1 0
Y R C N P 3
Y R C N 2
C N P 3
C N 2
1 2 3 4 5 6
7
8 9 1 0
1 6
1 1 1 2 1 3 1 4 1 5
1 7
1 9 2 7 3 2 3 7 4 5
4 6 4 73 8 3 93 32 82 0
5 2 5 34 0 4 8
4 1
4 34 2 4 9 5 0
5 14 43 63 12 6
3 4
2 9 3 0
3 5
2 52 4
2 3
2 22 1
1 8