KD-2077-Rev03PD.pdf - 第85页
- - REF.NO N O TE PART NO D E S C R I P T I O N Qty 1 400-02208 I N _ SENS_ASM 1 2 400-02209 I N SEN S C ABL E ASM 1 3 400-02210 OU T SENS ASM. 1 4 400-02211 OU T SENS CABLE ASM 1 5 400-02212 W AIT SENS ASM 1 6 400-022…

- -
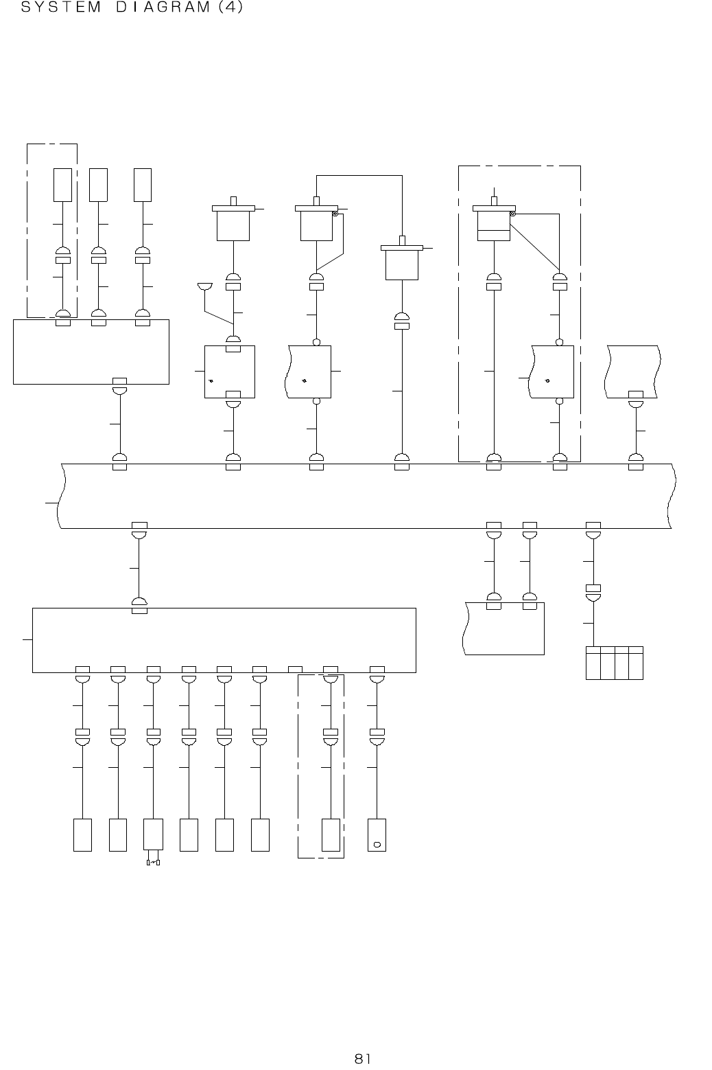
41.SYSTEM DIAGRAM (4)
O P T I O N C A B L E ( A W C )
O P T I O N C A B L E ( A W C )
A W C D R I V E R
( 2 / 2 )
B U D R I V E R
( 2 / 2 )
C N 4 0 3 R ( C N 4 0 3 R )
5 - 2 A
T A P E D E T E C T S E N S O R
C N 6 3 5 C N 3 5
L S 1 - 6
C N 6
C N 3
T A P E
C N 1 2 C N 4 1 2 R
M A I N A I R P R E S S U R E S E N S O R
C N 0 8
5 - 3 A
3 - 3 A
X Y R E L A Y P C B ( 4 / 5 )
L S 0 -1 5
L S 0 - 1 5
C N 6 3 7
C N 3 7
3 - 4 B
1 - 5 C
CN 6 1 1 C N1 1
C N 4 2 1 C N 1C N 6 2 1C N 2 1
C N 2 2C N 6 2 2C N 4 0 1C N 1
1 - 1D
1 - 1C
S. V.
S H A P E Y
S H A P E X
S T O P P E R
C N 1 2C N 6 1 2C N 6 7 0
5 D R I V E R
5 D R I V E R
L S 1 - 4
C N 4
C N 6 3 6C N 3 6
C N 6 3 3C N 3 3
C N 6 3 2C N 3 2
C N 3 4
C N 3 1
C N 6 3 4
O P T I O N ( A U T O W I D T H A D J U S T M E N T )
C N 6 3 1
P W R
A U T O W I D T H A D J U S T M E N T M O T O R
C N 6 7 1
C N 6 7 2
C N 6 6 0
C N 6 5 9
C N 6 5 8
C N 6 5 7
C N 6 5 6
C N 6 5 5
B U U P E N C O D E R ( L )
B U U P M O T O R ( L )
C E N T E R M O T O R ( L )
C N 2
C N 1
5 D R I V E R
S A F E T Y
P C B ( 4 / 4 )
C N 9 C N 4 0 9 R
A W C O R G S E N S O R
C N 4 4 5
C A R R Y
S E N S O R
R E L A Y
P C B ( R )
C A R R Y
P C B ( 1 / 2 )
C N 2 0
T P I N S E N S O R ( L )
C N 7C N 4 0 7 LC N 4 4 2
C N 8C N 4 0 8 L
B A C K U P P I N S E N S O R
C N 4 4 4
C N 9C N 4 0 9 L
B U O R G S E N S O R
( CN 40 9 L )
C N 1 6C N 4 1 6 L
C . O U T S E N S O R ( L )
C N 4 4 1
C N 1 7
C N 4
C N 3
C N 2
C N 4 1 7 L
C N 4 0 4 L
C N 4 0 3 L
C N 4 0 2 L
S T O P S E N S O R ( L )
C N 4 4 0
R I G H T
L E F T
W A I T S E N S O R
C N 4 3 9
O U T S E N S O R
C N 4 3 8
I N S E N S O R
C N 4 3 7
C A R R Y
S E N S O R
R E L A Y
P C B ( L )
1
2 4
3 5
6 8
7 9
1 0 1 2
1 1
1 4
1 3 1 5
1 6
1 8
2 0
2 7
3 1
3 5
4 1
4 5
4 3
4 6
3 7 3 8 4 0
3 9
1 7
1 9
3 22 8
4 2
3 6
3 43 0
3 3
2 9
2 5
2 62 4
2 3
2 2
2 1
4 4

- -
REF.NO NOTE PART NO D E S C R I P T I O N Qty
1 400-02208 IN_SENS_ASM 1
2 400-02209 IN SENS CABLE ASM 1
3 400-02210 OUT SENS ASM. 1
4 400-02211 OUT SENS CABLE ASM 1
5 400-02212 WAIT SENS ASM 1
6 400-02213 WAIT SENS CABLE ASM 1
7 400-02214 STOP SENS ASM 1
8 400-02215 STOP SENS CABLE ASM 1
9 400-02235 C.OUT SENS ASM 1
10 400-02236 C.OUT SENS CABLE ASM 1
11 400-02124 BU ORG SENS ASM 1
12 400-02345 BU ORG RLY CABLE ASM 1
13 400-68876 CONVEYOR DETECT SNS CBL ASM 1
14 400-02240 BU PIN RCV CABLE ASM 1
15 400-02122 T.PIN SENS ASM 1
16 400-02123 T.PIN CABLE ASM 1
17 400-01964 CARRY SENSOR RELAY PCB ASM. 1
18 400-02074 CRY SENSOR(L)CABLE ASM 1
19 400-01947 CARRY PCB ASM. 1
20 400-02073 CRY SENSOR(R)CABLE ASM 1
21 400-02121 AWC ORG CABLE ASM 1
22 400-02120 AWC ORG SENS ASM 1
23 400-45500 AIR PRESSURE CABLE ASM 1
24 400-45499 AIR PRESSURE METER ASM 1
25 400-68900 TAPE DETECT RELAY CABLE ASM 1
26 400-45503 ATC CLOSE SENS ASM 1
27 400-02093 CENT MOTOR PULSE CABLE ASM 1
28 HM-0013200-00 MOTOR DRIVER 1
29 400-02173 CENT MOTOR CABLE ASM 1
30 E9431-729-0A0 CENT MOTOR ASM. 1
31 400-02098 BU MOTOR PULSE CABLE ASM 1
32 HX-0042000-00 5 PHASE STEP DRIVER 1
33 400-02174 BU MOTOR CABLE ASM 1
34 E9432-729-0A0 BU MOTOR ASM. 1
35 400-02095 BU ENC CABLE ASM 1
36 E9433-729-0A0 BU ENC ASM. 1
37 400-45438 CENT-PM CTRL CABLE ASM 1
38 400-02078 CRY SAFE CABLE ASM 1
39 400-68864 CARRY-SV WIRE ASM 1
40 400-02079 CARRY SV CABLE ASM 1
41 400-02094 AWC ENC CABLE ASM 1
42 E9434-729-0A0 WIDTH ADJUST MOTOR ASM. 1
43 400-02096 AWC MOTOR PULSE CABLE ASM 1
44 HX-0042000-00 5 PHASE STEP DRIVER 1
45 400-02176 AWC MOTOR CABLE ASM 1
46 400-45439 CARRY PWR CABLE ASM 1

- -
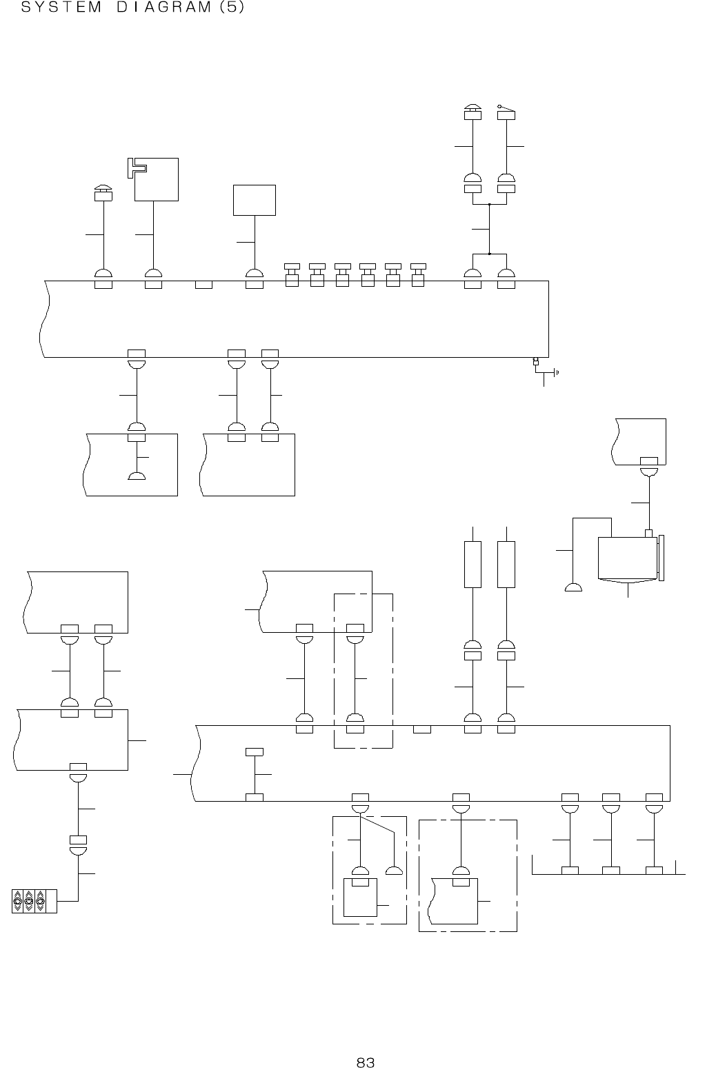
42.SYSTEM DIAGRAM (5)
V C S ( O C S ) M O N I T O R
L S 5 - 2 C N 2
C N 7 0 6 C N 7 4 2C N 6
E M G S W _ R R
C N 2 3
C N 2 6
C N 6 2 3
C N 6 2 6
L S 3 - 3
L S 3 - 1
C N 3
C N 1
4 - 3 D
C A R R Y
P C B ( 2 / 2 )
F 1 0 E
O P E - E 1
C N 2
S S D
L P T
O P T I O N ( T O U C H P A N E L )
C O M 2
L S 4 - 4
L S 4 - 6
C N 4
C N 6
C N 7 0 1
C N 7 1 5
C N 1
C N 4 8 3
1 - 3 C
B A S E
F E E D E R ( 2 / 2 )
S I G N A L L I G H T
P W R
IN
3 - 1 A
I P - X 3 R
P C B
( 3 / 3 )
O P T I O N ( F D D )
P W R
F D D
C N1 1
C N 7 1 1
C N 1 6
4 - 3 D
X Y R E L A Y
P C B ( 5 / 5 )
L S 0 - 1 6
L S 0 - 1 6
3 - 1 B
C N 1 5
I / O C T R L
P C B
( 3 / 3 )
3 - 5 A
1 - 3 C
E T H E R N E T
U S B C H 2
U S B C H 1
L A N
C H 2
C H 1
C O V E R
U S B C H 2
U S B C H 1
C N 0 2C N 2
C N 7 0 8 C N 7 4 7C N 8
1 - 5 D
1 - 2 C
C O V E R O P E N S W ( R )
C N 1 8
R S 2 3 2 C
M S
K B
K E Y
B O A R D
M O U S E
L C D
M O N I T O R ( 2 / 2 )
L S 3 - 2
V I D E O
O P T I O N ( U P S )
C O M 1
A C C E S S A R Y
R S - 2 3 2 C
U P S ( 2 / 2 )
F D D I / F
H D D I / F
C P U
B O A R D ( 2 / 2 )
D V I 1
H O D
B O X
S W 9
S W 1 0
S W 5
S W 6
S W 1
S W 2
C Y C L E S W
S E R V O F R E E S W
S T O P S W
S T A R T S W
O R I G I N S W
O N L I N E S W
C O V E R O P E N S W ( F )
C N 7C N 7
E M G S W _ F R
C N 7 0 5C N 5
O P E A R A T I O N
P C B ( 2 / 2 )
1
2
3
54
6
7
1 5 1 7
1 6
1 8 2 0
9 1 1 1 2 1 3
8
1 0
1 4
2 2 2 3
2 4
2 5
2 6
2 8 2 9 3 0
2 7
3 1
3 2 3 3
3 4
3 5
1 9 2 1