RL132电路图N7205A093E - 第112页
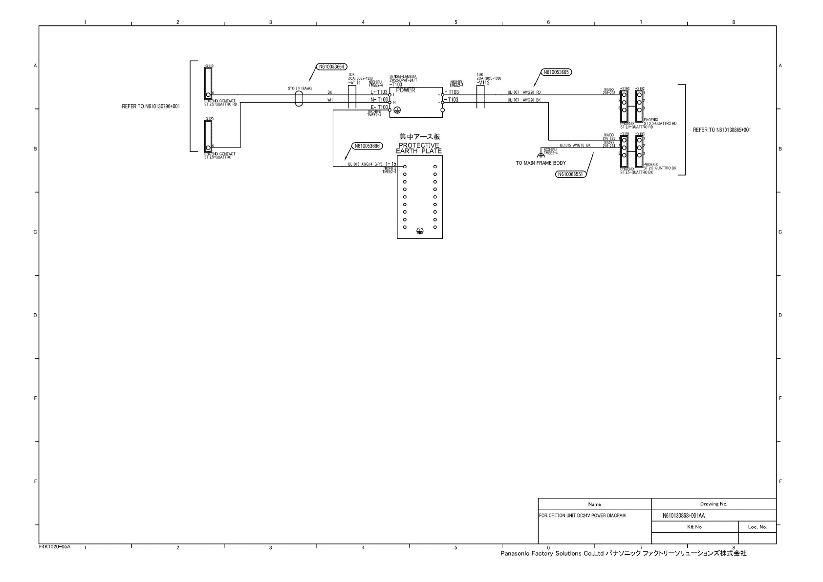
N610053664 N6 10053665 POWER L-T103 BK UL1007 AWG20 RD N-T103 UL1007 AWG20 BK WH N E- T103 PHOENIX N610053666 UL1015 AWG16 BK TO MAIN FRAME BODY 1-15 UL1015 AWG14 G/Y3 FTOENIX ST 2,5-QUATTRO BK N610066551 集中 7 一入板 PROTEC…

GND24
in31
24V
out24(GND)
out24
NC
NC
out28
in31(24V)
out24(GND)
out24
in30(12Vin)
GND24
in30
GND24
NC
in29
24V
CNXOUT
24V
PFSC
PNFOAE-AA
-K302
PNFOAE-AA
(ILK
Control
Board
)
UL1OO7
AWG22
RD
UL1OO7
AWG22
OG
UL1OO7
AWG22
YE
UL1OO7
AWG22
BN
UL1007
AWG22
RD
UL1007
AWG22
OG
UL1OO7
AWG22
YE
右但
口木
/7
夕
卜
RIGHT
SIDE
CONNECTOR
BRACKET
PIN1
MACHINE
READY
PIN3
BOARD
AVAILABLE
//
UL1OO7
AWG22
RD
UL1OO7
AWG22
OG
UL1OO7
AWG22
YE
UL1OO7
AWG22
BN
UL1007
AWG22
RD
UL1007
AWG22
OG
UL1OO7
AWG22
YE
206043-1
左仰口
a>夕^=<7
LEFT
SIDE
CONNECTOR
BRACKET
PIN1
MACHINE
READY
PIN3
BOARD
AVAILABLE
X
SMEMA
仕棣畤
CNOO-1R、CNO1—
未使用
At
SMEMA
specification
the
connectors
of
CNOO
—
1R
and
CNO1
—
1
R
are
no
use.
Name
Drawing
No.
SMEMA
CONNECTION
SIGNAL
DIAGRAM
N610130867+001AA
Kit
No.
Loc.
No.
4-
K011
代
存
1-K011I
UL1007
AWG22
RD
UL1007
AWG22
BK
6
UL1007
AWG22
BN
8
UL1007
AWG22
BN
CNOO-
R
UL1007
AWG22
BN
UL1007
AWG22
BN
UL1007
AWG22
BN
UL1007
AWG22
YE
8
MOLEX
43025-0800
MOLEX
43025-1400
MOLEX
43025-1400
N1CHFU
TMEE1.
25-3.5
CN01-1P
CN01-SR
I
二
~T
k
丁^
1
I
I
>1
|
一
——
匿
在
)
i
14
CN00-1P
CN00-
SR
UL1007
AWG22
BN
|
「、—
T
I
I
S
I
2
1
加
必」高
g
5559-02P-2
1
0
5557-02R-21
0
CN01-1R
一"!
X
1
寸
2
L
次
m
1
5557-02R-210
MOLEX MOLEX
5559-02P-210
5557-02R-210
3
。
3-
K011
5
^15-
K011
NICHIFU
TMEE1.
25-3.5
CN00-1R
"1
砸自
5557-02R-210
CN01-R
>^=
P70D:OMRON)
CNXOUT-
R
OMRON
G7T-1112SDC24V
p
板供蕊
江宿吾
P.C.B
SUPPLY
CYLINDER
SIGNAL
-J
4
UL1007
AWG22
YE
F4K
1020-05
A
5
1
6
1
7
1
8
Panasonic
Factory
Solutions
Co.,
Ltd
/弋十\/
二^夕
77
U
—
VUzl
—
朱
式会社
1
I
2
।
3
।
4
1
5
i
6
1
7
।
8
t
Ut24
NC
o
i
t
t

N610053664
N6
10053665
POWER
L-T103
BK
UL1007
AWG20
RD
N-T103
UL1007
AWG20
BK
WH
N
E-
T103
PHOENIX
N610053666
UL1015
AWG16
BK
TO
MAIN
FRAME
BODY
1-15
UL1015
AWG14
G/Y3
FTOENIX
ST
2,5-QUATTRO
BK
N610066551
集中
7
一入板
PROTECTIVE
EARTH
PLATE
WAGO
216-223
1
WAGO
216-224
2
NICHl
卜
U
TMEE2-4
PHOENIX
ST
2,5-QUATTRO
BK
TDK
ZCAT3035-1330
-V112
PHOENIX
CONTACT
ST
2,5-QUATTRO
NICHIFU
TMEE2-4
"1+
T103
1-T103
O
o
o
WAGO
216-223
1
o
;
PHOENIX
CONTACT
ST
2,5-QUATTRO
RD
STO2X18AWG
FHUENIX^^ST
2,5-QUATTRO
RD
ST
2,5-QUATTRO
Rb
二
ol1
o'
o
XI
o
o
o
撼
Tmvn
DENSEI-LAMBDA
will
ZWS240PAF-24/T
智
1
TMEE2-4
-T103
REFER
TO
N61
01
30865+001
REFER
TO
N61
01
30796+001
o
o
o
o
o
o
o
o
o
o
o
o
o
o
o
o
NIJNICU
TMEE2-4
Name
Drawing
No.
FOR
OPITION
UNIT
DC
24V
POWER
DIAGRAM
N610130868+001AA
Kit
No.
Loc.
No.
F4K
1020-05
A
2
5
1
6
1
7
1
8
Panasonic
Factory
Solutions
Co.,
Ltd
R
十、)
二
、力
77
U
—
VUzl
—
朱
式会社
1
I
2
।
3
।
4
।
5
.
6
1
7
1
8
B
B

mg
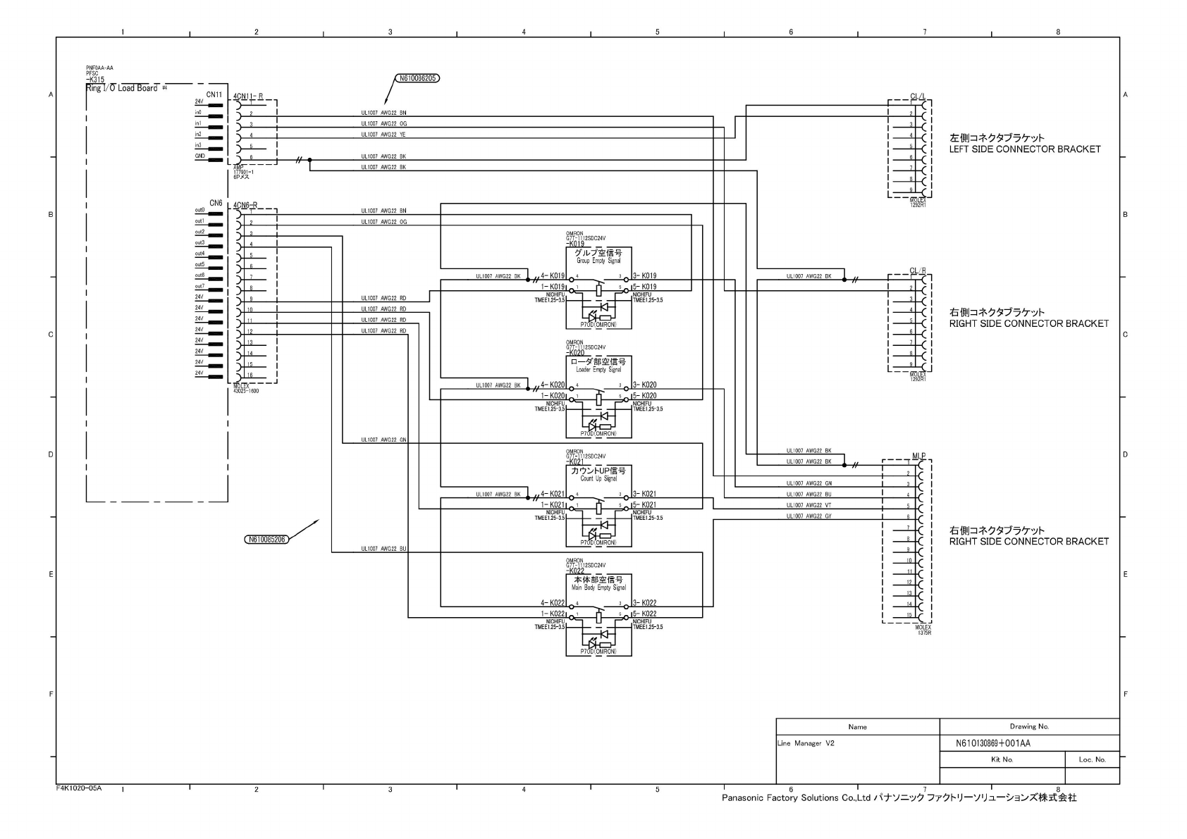
PNFOAA-AA
PFSC
-K315
/U
Load
Boar
于
#4
CN11
inO
GND
.4CN1HK
JL1OO/
AWG22
BN
JL1007
AWG22
OG
JU
007
AWG22
YE
JL1007
AWG22
BK
JL1007
AWG22
BK
UL1007
AWG22
BN
,,4
-
K019
JL1007
AWG22
BK
UL1007
AWG22
RD
UL1007
AWG22
RD
10
UL1007
AWG22
RD
11
UL1007
AWG22
RD
12
14
JL1007
AWG22
GN
('610085206
ULW07
AWG22
BU
177901-1
6P/X
)
)
)
)
)
)
•时航
J
1-K019I
NICH1FU
TMEEL25-3.5
4CN6-R
了一
1
1
3
仆
3
-
K019
5
|5-
K019
NICHIRJ
TMEE1.
25-3.5
OMRON
G7T-1112SDC24V
-K0i§
r
空信号
Group
Empty
Signal
2
!
UL1007
AWG22
OG
L
15
L
16
[
1292R1
左侧口
木夕夕
卜
LEFT
SIDE
CONNECTOR
BRACKET
N1CHIFU
TMEE1
25-3.5
UL1007
AWG22
BK
P70D(OMRON)
1
“4-K021
八
4
/Z1-KQ21|T7
NICH1FU
TMEEL25-3.5
3
-
K021
15-
K021
OMRON
G7T-1112SDC24V
zm
本体部
空信号
Main
Body
Empty
Signal
4
-
K022
。
4
3
。
3-
K022
1-K022I
工
1
方
5
[5-K022
NICH1FU
U
NICHIFU
UL1007
AWG22
BK
1
“
1292R1
右便
J=i
本夕夕
^卜
RIGHT
SIDE
CONNECTOR
BRACKET
UL1007
AWG22
BK
UL1007
AWG22
BK
]
UL1007
AWG22
GN
UL1007
AWG22
BU
UL1007
AWG22
VT
UL1007
AWG22
GY
c
右便
口木
<7
夕
卜
RIGHT
SIDE
CONNECTOR
BRACKET
MOLEX
1375R
Name
Drawing
No.
Line
Manager
V2
N61O130869+OO1AA
Kit
No.
Loc.
No.
3
-
K020
|5
-
K020
NICHIFU
TMEE
1.25-3.5
逊丝
—
口一夕
、、前
空信号
Loader
Empty
Signal
UL1007
AWG22
BK
,
)
〃
4
-
K020
1-K020I
NICHIFU
TMEE1.25-3.5
OMRON
G7T-1112SDC24V
-K0
加
力
信号
Count
Up
Signal
F4K
1020-05
A
5
1
6
1
7
1
8
Panasonic
Factory
Solutions
Co.,
Ltd
/弋十\/
二^夕
77
U
—
VUzl
—
朱
式会社
1
I
2
।
3
।
4
1
5
i
6
1
7
।
8