RL132电路图N7205A093E - 第117页
而值 — 5557-O4R-21O Refer to N61 01 30821 +001 AA 1 UL1007 AWG22 BN | UL1007 AWG22 OG | UL1007 AWG22 GY I UL1007 AWG22 RD ZZj RB2tR __ UL1007 AWG22 BN REFER TO N61 01 30822+001 FOR RADIAL SPEC 於面 5559-04P-210 REFER TO N61 …

N610099815
ZFO-R
一"
I
「空#
一
ov
UL1OO7
AWG22
RD
UL1OO7
AWG22
OG
UL1OO7
AWG22
GN
UL1OO7
AWG22
BU
6
」
7l
UL1OO7
AWG22
VT
UL1007
AWG22
GY
UL1007
AWG22
WH
UL1OO7
AWG22
BK
UL1OO7
AWG22
GN
_」
1375P
U
MOLEX
1375R
LEFT
SIDE
CONNECTOR
BRACKET
—
15
I
/
ZL
邮
品交换
中出力
ZL
Iarts
exchanging
output
ZR
部
品交换
中出力
乙
r
Parts
exchanging
output
罂噩
徽免次
GE
ENABLING
INPUT
UL1OO7
AWG22
WH
ZR
曲
品交换
可入力
之邱
入夕
:/八
d
检出
AXIS
STANDBY
DETECTION
NR
相入夕
”才
检出
乙
R
AXIS
STANDBY
DETECTION
ZL»ARTS^EXCHANGE
ENABLING
INPUT
UL1007
AWG22
VT
惊锲给
温
EENAB
鼠;
NPUT
10
ZR
fARTS
EXCHANGE
ENABLING
INPUT
13
14
15
+24V
M610094238
Refer
to
N61
01
30871
+003
SB-R
jl
2
।
向
B
」
5557-02R-210
Refer
to
N61
01
30871
+002
「等
F
j
i
5557-04R-210
R
__
L
命必
—
Name
Drawing
No.
CVT
SPEC
UNIT
CONNECTION
DIAGRAM
N610130871+001AA
Kit
No.
Loc.
No.
F4K
1020-05
A
2
4
5
1
6
1
7
1
8
Panasonic
Factory
Solutions
Co.,
Ltd
R
十、)
二
、力
77
U
—
VUzl
—
朱
式会社
1
I
2
।
3
।
4
।
5
.
6
1
7
1
8

而值
—
5557-O4R-21O
Refer
to
N61
01
30821
+001
AA
1
UL1007
AWG22
BN
|
UL1007
AWG22
OG
|
UL1007
AWG22
GY
I
UL1007
AWG22
RD
ZZj
RB2tR
__
UL1007
AWG22
BN
REFER
TO
N61
01
30822+001
FOR
RADIAL
SPEC
於面
5559-04P-210
REFER
TO
N61
01
3081
9+001
FOR
RADIAL
SPEC
N61
0094245
Refer
to
N61
01
3081
8+001
AA
N6
10094243
UL1007
AWG22
VT
UL1007
AWG22
BK
5559-04P-210
Refer
to
N610130871+001
|
UL1007
AWG22
VT
|
UL1007
AWG22
GY
I
UL1007
AWG22
BK
UL1007
AWG22
OG
UL1007
AWG22
RD
Refer
to
N61
01
30871
+001
Name
Drawing
No.
CVT
SPEC
FEEDER
PART
N610130871+002AA
Kit
No.
Loc.
No.
F4K
1020-05
A
2
5
1
6
1
7
1
8
Panasonic
Factory
Solutions
Co.,
Ltd
/弋十\/
二^夕
77
U
—
VUzl
—
朱
式会社
1
I
2
।
3
।
4
1
5
i
6
1
7
।
8

JL1007
AWG22
RD
JL1007
AWG22
RD
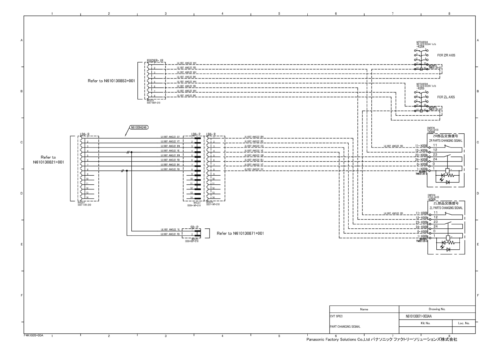
OMRON
G7SA-3A1B
趟
9
ZL
部品交
换信号
ZL
PARTS
CHANGING
SIGNAL
OMRON
G7SA-3A1B
型
8
ZR
部品交
换信号
ZR
PARTS
CHANGING
SIGNAL
1-K009I-
1
11
IF
23
24
11
17
君
24
h-koos^
12-
KOO?!。
23-
KOOSl^
24
-
K008
q
0-
K008
°
『
KOOL
TMEE125-3
to
11-K009
q
12-
KOO%
23-
KOOSl^
24
-
K009
°
0-
K009
q
N61
0094246
R
UL1007
AWG22
GY
「一
ULI
007
AWG22
VT
UL1007
AWG22
BN
UL1007
AWG22
YE
UL1007
AWG22
BN
UL1007
AWG22
RD
UL1007
AWG22
BK
UL1007
AWG22
RD
10
5557-1
4R-210
MOLEX
5559-14P-210
1
1
2
1
4
J
I
1
„
1'
Fp-
-
十
4
一
J.
1
fM—
1
9
-
T
I
—
i
12
1
1
1
\
13
|
1
I
1
14
-
」
—
1L_.
-
12
.
13
-
M
一
UL1007
AWG22
BN
UL1007
AWG22
RD
UL1007
AWG22
OG
UL1007
AWG22
YE
UL1007
AWG22
GN
UL1007
AWG22
BU
UL1007
AWG22
VT
UL1007
AWG22
GY
UL1007
AWG22
RD
UU007AWG22YET—
rang
5559-02P-210
Refer
to
N61
01
30871
+001
Refer
to
N61
01
30821
+001
Refer
to
N61
01
30853+001
FEEDER-
1R
<
—
1
UL1007
AWG22
WH
Ji
\
|
2
UL1007
AWG22
RD
J
、
1
3
UL1007
AWG22
WH
、
4
UL1007
AWG22
BK
>
I
、
|
5
UL1007
AWG22
WH
、
I
6
UL1007
AWG22
RD
1
、
7
.
UL1007
AWG22
WH
J
1
)
1
8
UL1007
AWG22
BK
血以
Name
Drawing
No.
CVT
SPEC
PART
CHANGING
SIGNAL
N610130871+003AA
Kit
No.
Loc.
No.
JWV-
F4K
1020-05
A
2
5
1
6
1
7
1
8
Panasonic
Factory
Solutions
Co.,
Ltd
/弋十\/
二^夕
77
U
—
VUzl
—
朱
式会社
1
I
2
।
3
।
4
1
5
i
6
1
7
।
8
L
IL
-
I
—
L
IL
^^1
!
!
T+
J-
I
-
-
-
LB6
「方
A
-
R
-1
2
A
A
3
4
A
A
5
6
A
A
7
8
A
A
9
10
11
万
A
A
12
13
A
I
14
MOLEX
5557-14R-210