RL132电路图N7205A093E - 第127页
) I 10 5557-1 0R-210 <N610062620) / Refer to N6 101 30877+002 限 5559-06P-210 Refer to N61 01 3081 4+004 而必 5557-02R-210 XAW24V- R PS-2R 曰 31 { I — XHP-3 P 914sAi XY^-Zll/ 内 P 板棣出 2 XY TABLE INSIDE PCB DETECTI0N2 Name …

——
-隹
5557-08R-210
YAW1-
R
o
<N6100559(D
XAW1-P
(N61
00961
15)
Refer
to
N61
01
30877+003
Refer
to
N61
01
3081
4+001
ULI
007
AWG22
BN
UL1007
AWG22
RD
£
ULI
007
AWG22
YE
ULI
007
AWG22
GN
ULI
007
AWG22
BU
I
ULI
007
AWG22
VT
ULI
007
AWG22
GY
1
UL1007
AWG22
WH
UL1007
AWG22
BK
UL1007
AWG22
BN
UL1007
AWG22
RD
UL1007
AWG22
OG
UL1007
AWG22
YE
vr
UL1007
AWG22
YE
UL1007
AWG22
YE
UL1007
AWG22
YE
UL1007
AWG22
YE
UL1007
AWG22
WH
ff
UL1007
AWG22
WH
rr
UL1007
AWG22
WH
1
22
工
1
」
J
।
177901-1
UL1007
AWG22
GN
1396P1
(MOLEX)
被取
1396R1
PH5-R
-XPH5
i
广
7"1
P919T
(PFSC)
P
板检出
5
P.
C.
B.
DETECTION
5
ULI
007
AWG22
GN
—
1396P1
(MOLEX)
初面
1396RI
-XPH6
1
BU
2
BK
3
~
BN
P919T
(PFSC)
P
板横出
6
P.
C.
B.
DETECTION
6
ULI
007
AWG22
RD
UL1007
AWG22
OG
ULI
007
AWG22
YE
UL1007
AWG22
GN
ULI
007
AWG22
GN
UL1007
AWG22
VT
ULI
007
AWG22
VT
I)
I)
I)
——
I
i^LD_
TiOTEx
m3lex
5559-08P-210
5557-06R-2I0
PCB2-
P
PCB2-
R
ULI
007
AWG22
BN
|~
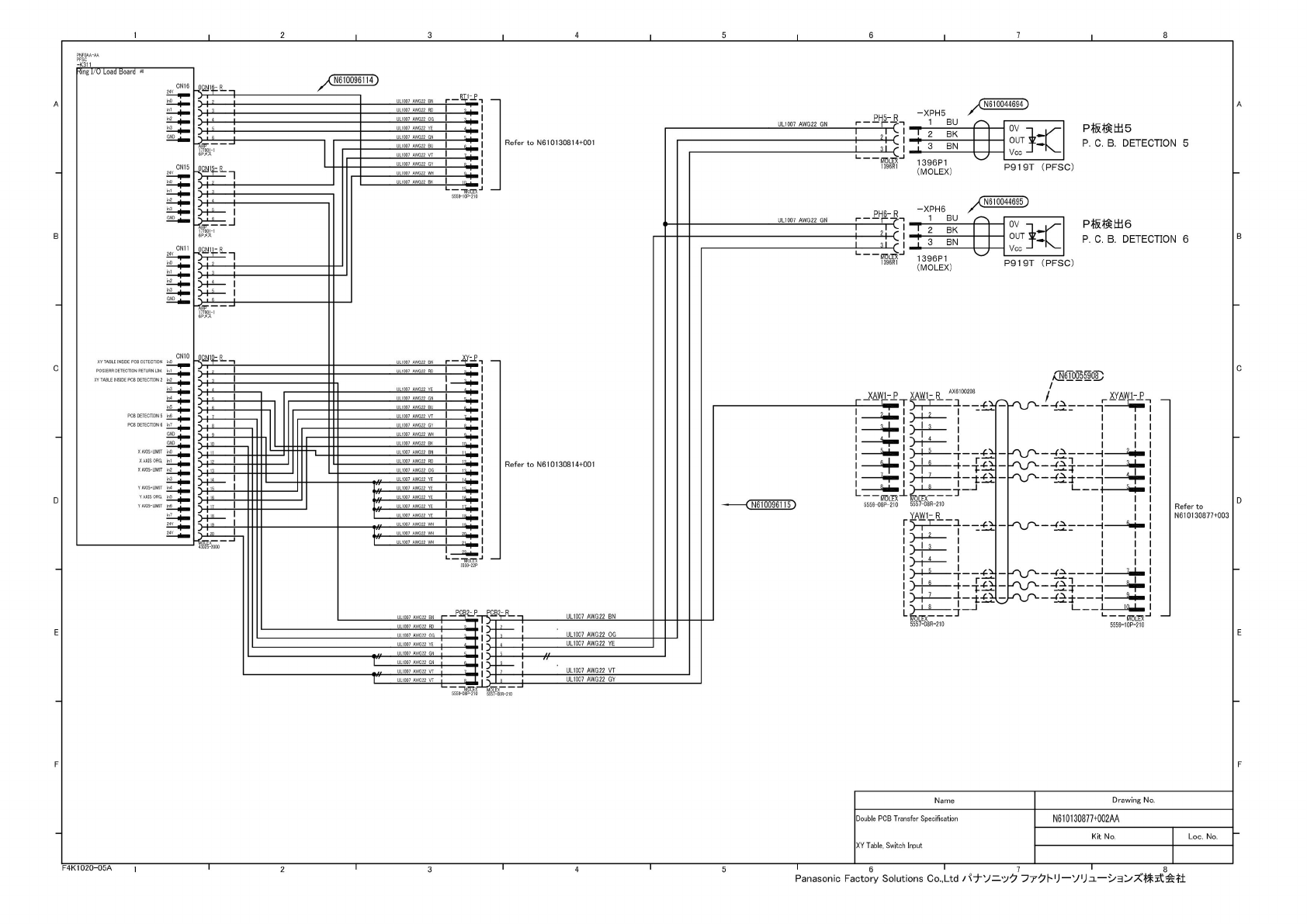
/(N610096114)
ULI
007
AWG22
BN
「一
-
ULI
007
AWG22
RD
I
I
UL1007
AWG22
OG
I I
ULI
007
AWG22
YE
I I
UL1007
AWG22
GN
I
।
ULI007
AWG22
BU
I I
ULI
007
AWG22
VT
I I
ULI
007
AWG22
GY
I
I
ULI
007
AWG22
WH
I I
ULI
007
AWG22
BK
I
1t
I
I
一
Name
Drawing
No.
Double
PCB
Transfer
Specification
XY
Table,
Switch
Input
N610130877+002AA
Kit
No.
Loc.
No.
PNF0AA-AA
PFSC
-K311
Ring
I/O
Load
Board
初
CN16
XY
TABLE
INSIDE
PCB
DETECTION
POSI.ERR
DETECTION
RETURN
UM.
XY
TABLE
INSIDE
PCB
DETECTION
2
PCB
DETECTION
5
PCB
DETECTION
6
XAXIS*UM1T
X
AXIS
ORG.
X
AXIS-LIMIT
Y
AXIS^UMJT
Y
AXIS
ORG.
丫
AXIS-LIMIT
Refer
to
N61
0130814+001
1
BU
2
BK
3
~
BN
F4K
1020-05
A
2
5
1
6
1
7
1
8
Panasonic
Factory
Solutions
Co.,
Ltd
/弋十\/
二^夕
77
U
—
VUzl
—
朱
式会社
1
I
2
।
3
।
4
1
5
i
6
1
7
।
8
ITTTTTT

)
I
10
5557-1
0R-210
<N610062620)
/
Refer
to
N6
101
30877+002
限
5559-06P-210
Refer
to
N61
01
3081
4+004
而必
5557-02R-210
XAW24V-
R
PS-2R
曰
31
{
I
—
XHP-3
P
914sAi
XY^-Zll/
内
P
板棣出
2
XY
TABLE
INSIDE
PCB
DETECTI0N2
Name
Drawing
No.
Double
PCB
Transfer
Specification
XY
Table
Inside
PCB
Detection
N610130877+003AA
Kit
No.
Loc.
No.
1
OV
工
2
OUT、一
土
二
3
Vcc
/
—
十
F4K
1020-05
A
5
1
6
1
7
1
8
Panasonic
Factory
Solutions
Co.,
Ltd
R
十、)
二
、力
77
U
—
VUzl
—
朱
式会社
1
I
2
।
3
।
4
।
5
.
6
1
7
1
8
-
m

5557-O4R-21O
5557-02R-21
(MOLEX)
MOLEX
5559-O2P-21O
ST1-R
、
1
RD
~
BK
Refer
to
N61
01
3081
3+001
短逐碰
Q
7610096118
UL1007
AWG22
YE
UL1007
AWG22
YE
UL1007
AWG22
GN
UL1007
AWG22
WH
UL1007
AWG22
BK
UL1007
AWG22
BK
L
UL1007
AWG22
BN
I
M
>
>
>
)
>
)
>
)
)
)
)
)
LT1-1P
LT1-
1R
UL1007
AWG22
BU
UUL0D
AWG22
VT
MOLEX
MOLEX
5559-20P
5557-20R-210
.
q.
— —
UL10Q7
AWG22
GN
1
UL1007
AWG22
GN
As
UL1007
AWG22
GN
;
UL1007
AWG22
GN
I
U
彬
UL1007
AWG22.VT
__
I
+
;
UL1007
AWG22
VT
l_
u
UL1007
AWG22
WH
1
;
UL1007
AWG22
WH
l_
U—
「
।
j
—
—
— — — — —
—
— —
UL1007
AWG22
BN
UL1007
AWG22
RD
UL1007
AWG22
BN
I
2
UL1007
AWG22
GN
I
工
F
UL1007
AWG22
BU
L
一工
n
4
ULI007
AWG22
VT
I
工
F
5
UL1007
AWG22
WH
i
T
F
6
UL1007
AWG22
BK
i
工
F
7
ULI007
AWG22
BN
i
H
F
8
UL1007
AWG22
RD
I
H
F
|_2
i
F
T
ii
UL1007
AWG22
GN
i
H
一
i
工
F
12
UL1007
AWG22
GN
।
工
F
13
UL1007
AWG22
GN
।
工
F
14
UL1007
AWG22
GN
।
F
15
UL1007
AWG22
VT
i
£
F
16
UL1007
AWG22
VT
i
工
F
17
UL1007
AWG22
WH
i
H
F
18
UL1007
AWG22
WH
।
工
n
L_|
19
UL1007
AWG22
BK
।
工
i
NlOLEX
5559-02P-210
Refer
to
N61
01
3081
3+002
P
板久卜
PCB
STOPPER
2
VALVE
1
II
l'l
HIiHii
|i
liHii
II
II
II
II
II
II
II
II
II
II
I
一
1
F
N610096117
H
Refer
to
N61
01
3081
2+002
—
Fdrn
5559-16P-21O
/Xj
钮)
远西
Q
UL1007
AWG22
BN
UL1007
AWG22
BN
UL1007
AWG22
RD
UL1007
AWG22
RD
UL1007
AWG22
OG
UL1007
AWG22
OG
UL1007
AWG22
YE
UL1007
AWG22
YE
UL1007
AWG22
GN
UL1007
AWG22
GN
UL1007
AWG22
BU
UL1007
AWG22
BU
UL1007
AWG22
VT
ULI
007
AWG22
VT
UL1007
AWG22
GY
UL1007
AWG22
GY
1
~
I
-
|
—・
UL1007
AWG22
BN
UL1007
AWG22
RD
UL1007
AWG22
UL1007
AWG22
OG
r
—
ULI
007
AWG22
YE
UL1007
AWG22
GN
UL1007
AWG22
GN
UL1007
AWG22
VT
I
UL10p7_AWG22
VT
—
11
UL1007
AWG22
BN
L
ULI
007
AWG22
RD
«1
JL1UU/
AWG22
BN
XI
JL1007
AWG22
GN
JL1007
AW322
BL
JL1007
AW322
GY
5557-O8R-:
)
)
r
L
r
MOLtX
5559-2OP
UL1007
AW322
YE
i
MM
W
UL1007_AW322_OC
JL1007
AM
22
YE
—
5559-04P-210
石迹续
Q
/
g
—
5557-20R-21O
F
蔬」
焉
LEX
5557T6R-2I0
UL1007
AWG22
GN
I
一
—
UL1007
AWG22
BU
—
.
_
UL1007
AWG22
VT
—
UL1007
型哈
GY
—
RdUx'
5559-16P-210
—
IT
—
IT-
一"
M
ji
1-|
1
1
W
y
卵
4
乌
RD
—
|
4
M
噌
圾
—
।
』
I
,_UL1007_AWG22
RD
—
।
1
、
—
JST
XADRP-36V
Refer
to
N61
01
3081
3+001
ULI
007
AWG22
BN
UL1007
AWG22
RD
UL1007
AWG22
OG
UL1007
AWG22
YE
UL1007
AWG22
GN
UL1007
AWG22
BU
ULI
007
AWG22
VT
UL1007
AWG22
GY
UL1007
AWG22
BN
UL1007
AWG22
RD
UL1007
AWG22
OG
ULI
007
AWG22
YE
ULI
007
AWG22
GN
UL1007
AWG22
BU
UL1007
AWG22
VT
UL1007
AWG22
GY
PNFOAA-AA
PFSC
-K311
Name
Drawing
No.
Double
PCB
Transfer
Specification
PCB
Stopper
Valve
N610130877+004AA
Kit
No.
Loc.
No.
P
板入卜
PCB
STOPPER
1
VALVE
Ming
I/O
Load
Board
如
F4K
1020-05
A
2
5
1
6
1
7
1
8
Panasonic
Factory
Solutions
Co.,
Ltd
/弋十\/
二^夕
77
U
—
VUzl
—
朱
式会社
OJ
Z
O
MV
NOOLIn
T
I—
TITITT
1TITT
1—TTTTIWTW-
i
i
i
i
-
h
+
•
-
h
+
•
+•
1
+•
1
+'
-------
nl
TI
H
TI
H
TI
TI