RL132电路图N7205A093E - 第44页
UL1007 AWG24 RD UL1007 AWG24 RD UL1007 AWG24 RD UL1007 AWG24 RD UL1007 AWG24 RD UL1007 AWG24 RD UL1007 AWG24 RD UL1007 AWG24 RD UL1007 AWG24 BK UL1007 AWG24 BK UL1007 AWG24 BK UL1007 AWG24 BK UL1007 AWG24 BK UL1007 AWG24…

MOLEX
5557-
6R-2
0
UL1OO7
AWG24
RD
UL1OO7
AWG24
RD
UL1OO7
AWG24
RD
UL1007
AWG24
RD
UL1OO7
AWG24
RD
UL1OO7
AWG24
RD
UL1OO7
AWG24
RD
UL1007
AWG24
RD
UL1007
AWG24
BK
UL1007
AWG24
BK
UL1OO7
AWG24
BK
UL1007
AWG24
BK
UL1007
AWG24
BK
UL1007
AWG24
BK
UL1007
AWG24
BK
UL1OO7
AWG24
BK
斤
UL1007
AWG22
RD
斤
UL1007
AWG22
RD
汗
UL1007
AWG22
RD
UL1007
AWG22
RD
UL1007
AWG22
RD
UL1007
AWG22
RD
UL1007
AWG22
RD
疗
UL1007
AWG22
RD
〃
UL1007
AWG22
RD
川
UL1007
AWG22
RD
T
〃
ULI
007
AWG22
RD
〃
UL1007
AWG22
RD
T
今
UL1007
AWG22
RD
UL1007
AWG22
RD
PCCY7-.R
„
UL1007
AWG22
RD
!
2
1
厂
<
<
"
1
।
L
〃
UL1007
AWG22
RD
|
31
r
〃
UL1007
AWG22
RD
I
4
:
厂
/
I
I
L
„
ULI007
AWG22
RD
!
5
1
厂
1
।
L
〃
UL1007
AWG22
RD
|
6
।
厂
升
1
I
〃
UL1007
AWG22
RD
1
7
:
厂
I
UL1007
AWG22
RD
!
8
1
,
1
L
1
i
〉
'
I
:
11
1
L
1
12_L_r
!
'
I
;
14
1
厂
1
I
I
1
15
।
厂
MOLEX
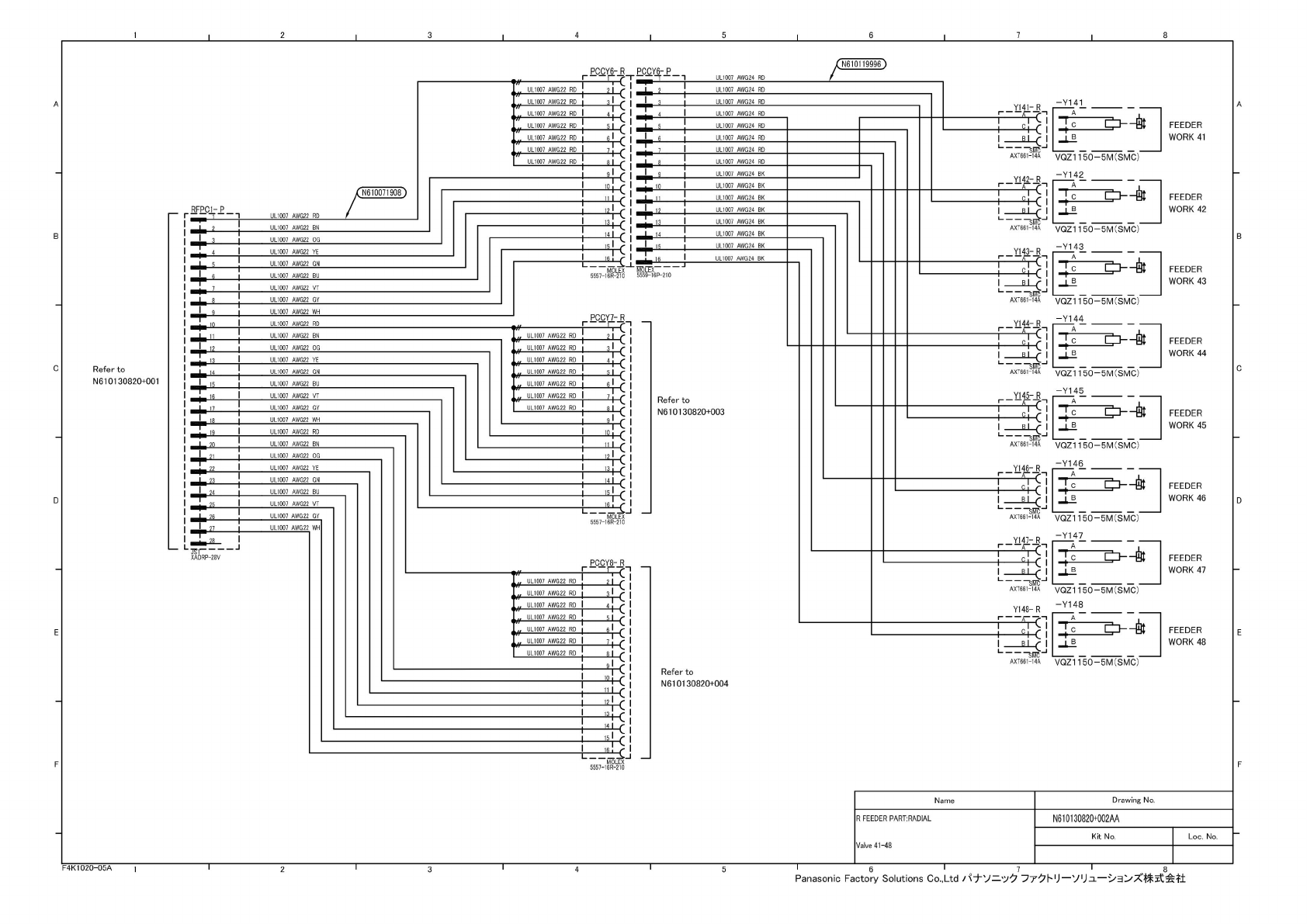
Refer
to
N61
01
30820+003
MOLEX
5557-1
6R-210
Refer
to
N61
01
30820+001
UL1007
AWG22
RD
ULI
007
AWG22
BN
UL1007
AWG22
OG
UL1007
AWG22
YE
UL1007
AWG22
GN
UL1007
AWG22
BU
UL1007
AWG22
VT
UL1007
AWG22
GY
UL1007
AWG22
WH
UL1007
AWG22
RD
10
UL1007
AWG22
BN
11
UL1007
AWG22
OG
12
UL1007
AWG22
YE
13
UL1007
AWG22
GN
14
ULI
007
AWG22
BU
15
UL1007
AWG22
VT
16
UL1007
AWG22
GY
17
UL1007
AWG22
WH
18
UL1007
AWG22
OG
21
UL1007
AWG22
YE
22
UL1007
AWG22
GN
23
ULI007
AWG22
BU
24
UL1007
AWG22
VT
25
UL1007
AWG22
GY
26
UL1007
AWG22
WH
27
两
XADRP-28V
L
19
I
UL1007
AWG22
RD
±2。
!
UL1007
AWG22
BN
Refer
to
N61
01
30820+004
/N6101
19996)
c
3
AXT661-14A
VQZ1150-5M(SMC)
AXT661-14A
VQZ1150-5M(SMC)
AXT661-14A
VQZ1150-5M(SMC)
_Y144
-上
VQZ1150-5M(SMC)
_Y145
-
_R
>4
Hi
VQZ1150-5M(SMC)
Y146-R
«
C
AXT661-14A
VQZ1150-5M(SMC)
VQZ1150-5M(SMC;
-Y148
A
VQZ1150-5M(SMC;
AXT661-14A
FEEDER
WORK
46
FEEDER
WORK
41
FEEDER
WORK
45
FEEDER
WORK
44
FEEDER
WORK
48
FEEDER
WORK
43
FEEDER
WORK
42
FEEDER
WORK
47
询
亡
II
也
,就
请除
-Y142
A
_
-Y146
A
一
-Y143
A
—
-Y145
A
—
-Y147
A
-Y141
A
一
Y148-
R
审
1
Y147-R
i
——
I
I
LLf
I
1
4
持
AXT661-14A
-Y144
A
—
Name
Drawing
No.
R
FEEDER
PART:RADIAL
Valve
41-48
N610130820+002AA
Kit
No.
Loc.
No.
F4K
1020-05
A
5
6
7
8
Panasonic
Factory
Solutions
Co.,
Ltd
—
WJzl
—
株
式会社
1
I
2
।
3
।
4
1
5
i
6
1
7
।
8
-P
210
CD
1
23456789012345
6-n^
x
+
x
4±44

UL1007
AWG24
RD
UL1007
AWG24
RD
UL1007
AWG24
RD
UL1007
AWG24
RD
UL1007
AWG24
RD
UL1007
AWG24
RD
UL1007
AWG24
RD
UL1007
AWG24
RD
UL1007
AWG24
BK
UL1007
AWG24
BK
UL1007
AWG24
BK
UL1007
AWG24
BK
UL1007
AWG24
BK
UL1007
AWG24
BK
UL1007
AWG24
BK
UL1007
AWG24
BK
Refer
to
N61
01
30820+002
/N6101
19997)
3
瓦
AXT661-14A
AXT661-14A
L
VQZ1150-5M(SMC)
-Y150
q
VQZ1
记
0-5M(S
靛)-
-Y151
7
c
n-七
VQZ1
面
-5M(S
前)-
-Y152
"Jc
Bt
VQZ1150-5M(SMC)
-Y153
q
VQZ1150-5M(SMC)
-Y154
「
c
o
-十
VQZ1150-5M(SMC)
-Y155
1
.
I
q
VQZ1150-5M(SMC)
FEEDER
WORK
49
FEEDER
WORK
50
FEEDER
WORK
51
FEEDER
WORK
52
FEEDER
WORK
53
FEEDER
WORK
54
FEEDER
WORK
55
-Y156
>4
VQZ1150-5M(SMC)
FEEDER
WORK
56
Name
Drawing
No.
R
FEEDER
PART:RADIAL
Valve
49-56
N610130820+003AA
Kit
No.
Loc.
No.
F4K
1020-05
A
5
1
6
1
7
1
8
Panasonic
Factory
Solutions
Co.,
Ltd
/弋十\/
二^夕
77
U
—
VUzl
—
朱
式会社
1
I
2
।
3
।
4
1
5
i
6
1
7
।
8
-p
_
2
5
6
9
o
2
3
4
5
1
16
6
9
-5
-5
5
HHH
+H

UL1007
AWG24
RD
UL1007
AWG24
RD
UL1007
AWG24
RD
UL1007
AWG24
RD
UL1007
AWG24
RD
UL1007
AWG24
RD
UL1007
AWG24
RD
UL1007
AWG24
RD
UL1007
AWG24
BK
UL1007
AWG24
BK
UL1007
AWG24
BK
UL1007
AWG24
BK
UL1007
AWG24
BK
UL1007
AWG24
BK
UL1007
AWG24
BK
UL1007
AWG24
BK
Refer
to
N61
01
30820+002
/N61
01
19998)
VQZ1150-5M(SMC)
_Y157-_R
1
i
I I
1
说」
AXT661-14A
-Y157
A
"
-Y160
a
VQZ1
150-5M(SMC)"
-Y161
a
VQZ1
150-5M(SMC)"
FEEDER
WORK
57
FEEDER
WORK
58
FEEDER
WORK
59
FEEDER
WORK
60
FEEDER
WORK
61
FEEDER
WORK
62
VQZ1
150-5M(SMC)
-Y163
I
B
Y164-R
二
2P
上
j
仁
.
A
I
I I
1
5
病」
AXT661
-傣
VQZ1150-5M(SMC)
FEEDER
WORK
63
FEEDER
WORK
64
Name
R
FEEDER
PART:RADlAL
Valve
57-64
Drawing
No.
N610130820+004AA
F4K
1020-05
A
2
5
1
6
1
7
1
8
Panasonic
Factory
Solutions
Co.,
Ltd
/弋十\/
二^夕
77
U
—
VUzl
—
朱
式会社
1
I
2
।
3
।
4
1
5
i
6
1
7
।
8
-P
-
-210
2
JL
456789
10
1
_i
3
14
li
w-
p
x
4±4±4±
m
r
L