RL132电路图N7205A093E - 第49页
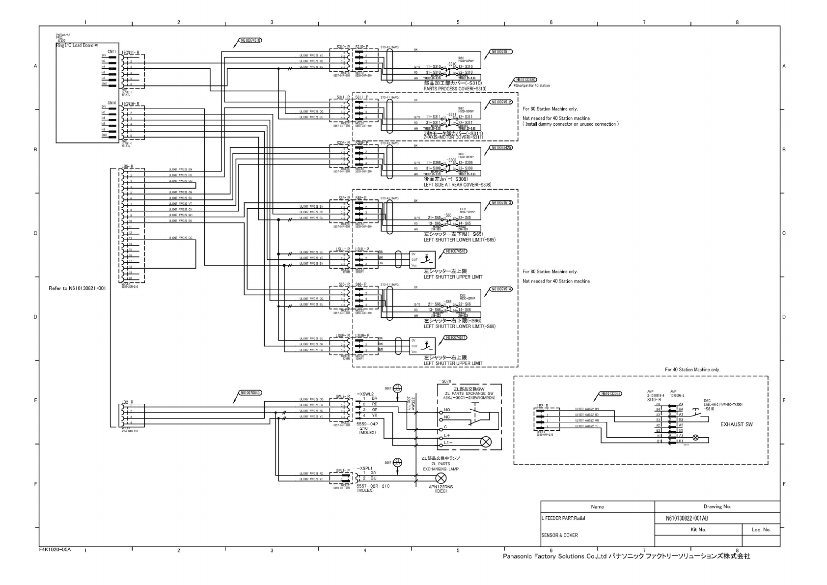
STO4X18AWG 12CN16-R ) ) ) ) ) ) 左 夕一 左上限 LEFT SHUTTER UPPER LIMIT BK N6 100745 RO WH 左 夕一 右下限 (-S66) LEFT SHUTTER LOWER UMIT(-S66) IDEC HS5D-02RNP G/Y3 21- S66±S66 22.22- S66 1 3 二 」 4q], 二 §66 WAGO" 'nVAGU 216…

UL1007
AWG22
RD
UL1007
AWG22
GN
UL1007
AWG22
BU
UL1007
AWG22
WH
UL1007
AWG22
BK
UL1007
AWG22
VT
UL1007
AWG22
RD
UL1007
AWG22
OG
UL1OO7
AWG22
GN
UL1OO7
AWG22
BU
UL1OO7
AWG22
BU
UL1OO7
AWG22
YE
UL1007
AWG22
GY
UL1OO7
AWG22
BN
UL1OO7
AWG22
YE
UL1007
AWG22
BN
UL1OO7
AWG22
RD
UL1007
AWG22
BK
UL1OO7
AWG22
RD
UL1OO7
AWG22
VT
UL1007
AWG22
RD
UL1OO7
AWG22
WH
UL1OO7
AWG22
YE
UL1OO7
AWG22
GY
UL1007
AWG22
BK
UL1OQ7
AWG22
VT
^^7
儿仕
棣畴、
N610130822+001
参照
REFER
TO
N6101
30822+001
FOR
RADIAL
SPEC
^^■7
儿仕
梯畴、
N61
01
30822+002
参照
REFER
TO
N610130822+002
FOR
RADIAL
SPEC
^^7儿仕棣
畤、
N61
01
30822+002
参照
REFER
TO
N6101
30822+002
FOR
RADIAL
SPEC
UL1007
AWG22
BN
UL1007
AWG22
OG
UL1007
AWG22
GN
UL1007
AWG22
RD
5559-04P-210
儿仕
棣畴、
N61
01
30822+001
参照
REFER
TO
N6101
30822+001
FOR
RADIAL
SPEC
N610130821+001AB
L
FEEDER
PART
Name
Drawing
No.
UL1007
AWG22
GY
PNFOAA-AA
PFSC
-K312
PNFOAA-AA
PFSC
-K311
PFSC
PNF0AE-AA
-K332
Q61
01
33259
Refer
to
N61
01
3081
8+001
11
1
12
以位
43025-1600
UL1007
AWG22
BN
UL1007
AWG22
RD
ULI
007
AWG22
OG
UL1007
AWG22
YE
UL10O7
AWG22
GN
UL1007
AWG22
BU
UL1007
AWG22
RD
ULI
007
AWG22
OG
3
UL1007
AWG22
YE
I4
UL1007
AWG22
GN
UL1007
AWG22
BK
〃
i
UL1007
AWG22
BN
21
UL1007
AWG22
RD
72
UL1007
AWG22
VT
UL1007
AWG22
GY
UL1007
AWG22
WH
29
UL1007
AWG22
BK
3Q
Ul
1®7
AWG
力
RN
31
UL1007
AWG22
RD
32
UL1007
AWG22
OG
33
UL1007
AWG22
BU
36
UL1007
AWG22
VT
37
UL10O7
AWG22
GY
38
UL1007
AWG22
WH
39
UL10O7
AWG22
BK
I
N61
0064367)
I77SOO-I
4P
汇
郑
e
平
4
二
EJ
)
I
~
斤
JSI
XADR-40V
CNQQVtR
-
-
177SOO-I
4P
以
2
UL1007
AWG22
YE
”1
<
34
1
F
3
UL1007
AWG22
GN
1
35
1
L
1
JNb0At-AA
ULK
Control
Board
)
CNCOV4
CNLM4
CNEMG4
<ing
I/O
Load
Board
耨
24V_^^
CN14
Ring
I/O
Load
Board
扣
OUt1
out2
out3
24V
24V
24V
24V
in3
GND
CN6
outO
__
F4K
1020-05
A
2
4
1
6
1
7
1
8
Panasonic
Factory
Solutions
Co.,
Ltd
/^7—
'7^
—
VUzl
—
株
式会社
4
55

STO4X18AWG
12CN16-R
)
)
)
)
)
)
左
夕一
左上限
LEFT
SHUTTER
UPPER
LIMIT
BK
N6
100745
RO
WH
左
夕一
右下限
(-S66)
LEFT
SHUTTER
LOWER
UMIT(-S66)
IDEC
HS5D-02RNP
G/Y3
21-
S66±S66
22.22-
S66
1
3
二
」
4q],
二
§66
WAGO"
'nVAGU
216-223
216-223
左
7
c/
夕一
右上限
LEFT
SHUTTER
UPPER
LIMIT
ov
„
OUT
工
Vcc
OV
OUT
Vcc
G/Y3
RO
WH
[DEC
HS5D-02RNP
21-S65。
尊
22q22-S65
WAG^U
^VAGO
216-223 216-223
/
N6
100745
13)
左
夕一
左下限
(_
S65)
LEFT
SHUTTER
LOWER
UMIT(-S65)
/
:N61
007451
6)
—
「
STO
4XJ8AWG
BK
ULI
007
AWG22
YE
ULI
007
AWG22
RD
ULI
007
AWG22
BU
RD
*Shortpin
for
40
station
S
BK
N6
100745
12)
For
80
Station
Machine
only.
ULI
007
AWG22
OG
K
ULI
007
AWG22
BU
RD
BK
N6
1006542。
3I-S308
RO
ULI
007
AWG22
BN
ULI
007
AWG22
RD
ULI
007
AWG22
BU
5557-04R-
21c
部
品加工
部力八
一
(-S310)
PARTS
PROCESS
COVER(-S310)
IDEC
HS5D-O2RNP
Not
needed
for
40
Station
machine.
(
Install
dummy
connector
on
unused
connection
)
IDEC
HS5D-02RNP
5557-04R-2I0
彳爰面
左力八
一(-S308)
LEFT
SIDE
AT
REAR
COVER(-S308)
NILnlrU
NH
TMEE1.25-3.5S
MUtEL*
—
5559-04P-2I0
|
IDEC
HS5D-02RNP
-Qqno
G/Y3
11-S308
12-
S308
^XN6
100745
10
MOLEX MOLEX
5557-04R-2I0
5559-04P-2I0
MOLEX
MOLEX
5557-04R-210
5559-04P-2IC
G/Y3
11-S310oii^7i2q12-S310
31
二
二
S310
NICHIFU°r^
—“NICHIFU
|
WH
TMEE1.25-3.5S
TMEE1
.25-3.5S
G/Y3
11-S311oM『"oJ2-S311
31
二
§31
1
S31
1
QRicHIFU
j
NH
TMEE1.25-3.5S
TMEE1.25-3.5S
32-S308
‘NICHIFU
I
TMEE1.25-3.5S
「
q
平u
I
S3
1(
I
—
ULI
007
AWG22
BU
ULI007
AWG22
YE
UL1007
AWG22
BN
L-
飞蝙
ULI007
AWG22
OG
UL1007
AWG22
BU
For
80
Station
Machine
only.
Not
needed
for
40
Station
machine.
ULI
007
AWG22
BU
UL1007
AWG22
GN
ULI
007
AWG22
BN
ULI
007
AWG22
OG
UL1007
AWG22
BN
ULI
007
AWG22
RD
ULI
007
AWG22
YE
-XSWL2
1
BR
二
2
RD
二
3
OR
!4
~
YE1
5559-04P
-210
(MOLEX)
-SO7O
3°871^^
ZL
部
品交换
SW
ZL
PARTS
EXCHANGE
SW
A3KJ-90C1
-24EW(OMRON)
ULI
007
AWG22
RD
ULI
007
AWG22
YE
-XSPL1
、
1
GN
2
BU
30871
5557-02R-210
(MOLEX)
ZL
部品
交换中
ZL
PARTS
EXCHANGING
LAMP
R
APN122DNS
(IDEC)
For
40
Station
Machine
only.
Name
Drawing
No.
L
FEEDER
PART:Radial
SENSOR
&
COVER
N610130822+001AB
Kit
No.
Loc.
No.
ULI007
AWG22
BN
UL1007
AWG22
RD
ULI007
AWG22
OG
UL1007
AWG22
GN
UL1007
AWG22
BU
UL1007
AWG22
VT
UL1007
AWG22
GY
ULI
007
AWG22
WH
UL1007
AWG22
BK
>P—
}
I
20
Hmx
1
5557-20R-210
R2-
R
/N610070845)
/N6
101
33068)
UL1007
AWG22
BN
UL1007
AWG22
RD
UL1007
AWG22
OG
UL1007
AWG22
YE
AMP
AMP
2-1318119-4
1376009-2
S610-R
IDEC
LW6L-M1C14VW-BC-TK2504
EXHAUST
SW
E
-S610
X—
1
PNF0AA-AA
PFSC
-K322
Refer
to
N610130821+001
、
I
4
MULtA
5557-04R-2I0
ling
L
0
Load
Board
#12
CN11
CN16
F4K
1020-05
A
2
5
1
6
1
7
1
8
Panasonic
Factory
Solutions
Co.,
Ltd
/弋十\/
二^夕
77
U
—
VUzl
—
朱
式会社
1
I
2
।
3
।
4
1
5
i
6
1
7
।
8
ITTTTTT
d

A
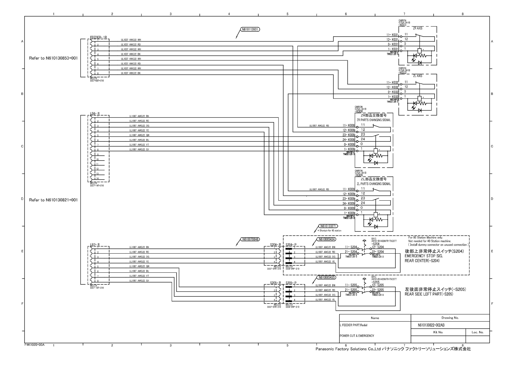
Refer
to
N61
01
30853+001
B
C
D
Refer
to
N610130821+001
E
F
F4K
1020-05
A
i
2
4
5
6
7
8
ZR
AXIS
N6101
13931
12-
K031
UL1007
AWG22
WH
A
0-
K031
UL1007
AWG22
RD
UL1007
AWG22
WH
UL1007
AWG22
BK
UL1007
AWG22
WH
UL1007
AWG22
RD
UL1007
AWG22
WH
UL1007
AWG22
BK
11-K032
B
UL1007
AWG22
BN
UL1007
AWG22
RD
11
UL1007
AWG22
OG
UL1007
AWG22
RD
12
UL1007
AWG22
YE
23
UL1007
AWG22
GN
24
UL1007
AWG22
BU
0
UL1007
AWG22
VT
C
1
UL1007
AWG22
GY
11
UL1007
AWG22
RD
12
23
D
24
0
1
N610133271
*
Shortpin
for
40
station
N6
10065434
S204-
R
,
S204-
P
十
W
—
]
cl.
I
。
I
11-S204
UL1007
AWG22
BN
UL1007
AWG22
BN
E
UL1007
AWG22
RD
UL1007
AWG22
RD
UL1007
AWG22
OG
JL1007
AWG22
OG
UL1007
AWG22
YE
JL1007
AWG22
YE
UL1007
AWG22
GN
UL1007
AWG22
BU
UL1007
AWG22
VT
N61
0065435)
UL1007
AWG22
GY
11-S205
JL1007
AWG22
BN
22-
S205
JL1007
AWG22
RD
JL1007
AWG22
OG
UL1007
AWG22
YE
F
2
4
5
6
7
8
Panasonic
Factory
Solutions
Co.,
Ltd
/^7—
'7^
77
U
—
VUzl
—
株
式会社
>
>
>
OMRON
G7SA-3A1B
OMRON
G7SA-3A1B
For
80
Station
Machine
only.
Not
needed
for
40
Station
machine.
(
Install
dummy
connector
on
unused
connection
)
彳爰
部上非
常停止
入不力
KS204)
EMERGENCY
STOP
SIG.
REAR
CENTER(-S204)
―
加值
5557-04R-21C
FEEDER-
1R
12-
K032
°
0-
K032
q
1-K032K
1
TMEE1.25-3
OMRON
ar
Zl_
部品交
换信号
ZL
PARTS
CHANGING
SIGNAL
加值
5557-04R-21C
LB7-R
左彳
爰面非
常停止
入不^
天
-S205)
REAR
SIDE
LEFT
PART(-S205)
11-K031|O
11
NICHIFU
TMEE1.25-3
OMRON
解
ZR
部品交
换信号
ZR
PARTS
CHANGING
SIGNAL
1-K031L
1
5557-08R-210
IDEC
个
XW1E-BV402MFR-TK2377
、
-S204
广
N2-S204
IDEC
宁
XW1E-BV402MFR-TK2377
-S205
广
Q2-S205
5557-1
6R-210
11-K008。
12-
K0Q8lo
23-
K0081
0
24-
K008
Q
0-
K008
°
tm
跚
LB6-R
「
h-二
——
后
5557-1
4R-210
21-S205
|
TM
甄
21-S204
I
11-K009
°
12-
K009lo
23-
K009I
Q
24
-
K009
6
0-
K009
1-K009|^
TM
甄购
22-S204
TMEE125-3
Name
Drawing
No.
L
FEEDER
PART:Radial
POWER
CUT
&
EMERGENCY
N610130822+002AB
Kit
No.
Loc.
No.