RL132电路图N7205A093E - 第63页
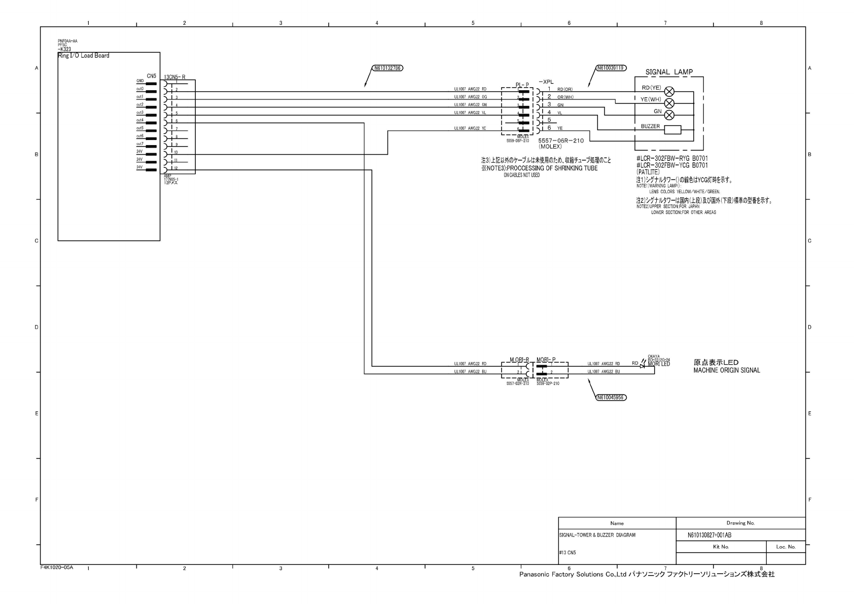
Load Board N61U132786 SIGNAL LAMP 13CN5-R -XPL UL1007 AWG22 RD UL1007 AWG22 OG I YE(WH) UL1007 AWG22 GN GN GN UL1OO7 AWG22 VL VL BUZZER UL1OO7 AWG22 YE YE OKAYA UL1OO7 AWG22 RD ULI 007 AWG22 RD UL1007 AWG22 BU UL1007 AWG…

砸自―
5557-02R-210
F-Sel
Sw-
R
Refer
to
N610130832+001
JL1007
AWG22
VI
UL1007
AWG22
BN
UL1007
AWG22
RD
UL1007
AWG22
OG
UL1007
AWG22
YE
UL1007
AWG22
GN
Panel-
R
MM
——
T<
―
l
式
从「
一
师
上
7
5557-O6R-21O
N610126707
UL1007
AWG22
BN
UL1007
AWG22
RD
UL1007
AWG22
OG
UL1007
AWG22
YE
UL1007
AWG22
GN
UL1007
AWG22
BN
BMS-R
UL1007
AWG22
BK
UL1007
AWG22
BN
2
CI
UL1007
AWG22
WH
//
B3
B3
F
START
SW
A2
B2
A1
B1
SAITCH
A4
B4
A3
,,
B3
F
STOP
SW
A1
B1|
SAITCH
A4
B4l
B4
A3
।
//
B3l
F
SELECT
SW
A2
B2
Al
0
1
Bl
A4
B4
A3
B3
B3
F
ENABLING
SW
A1
B1|
AMP
1376009-2
AMP
1376009-2
1DEC
I
W6I
-M1C10VG-BC-TK2504-A
AMP
1376009-2
AMP
1376009-2
IDEC
LW6L-M
1
C
14VW-BC-TK2504-G
-s
AMP
2-1318119-4
S601-R
A4
AMP
2-1318119-4
S604-
R
A4
AMP
2-1318119-4
S603-
R
A4I
AMP
2-1318119-4
S602-
R
A4
八卅
一减出
BAD
MARK
DETECTION
A2
B2
二
—
:
B4
B1
SAITCH
J
SA1TCH
—
枇必
I396R
//
99
g
—
・
B4
rp
IDEC
LW6L-M
1C10VW-BC-TK2504-F
rp
-S*
I
IDEC
LW6L-M1C10VB-BC-TK2504-E
rp
-S*
X—
I
B3
A2
B2
B4
A3
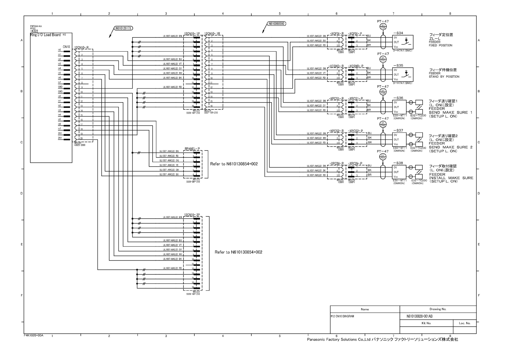
Load
#13
Name
UPPER
PART
#13-CN10
Drawing
No.
N610130826+001AB
Kit
No.
M610126706
UL1007
AWG
22
BN
UL1007
AWG
22
BN
UL1007
AWG22
BK
UL1007
AWG
22
OG
八
出
HANDLE
DETECTION
Matsushita
Electric
Works
NO-
S511
NICHIFU
TMEE1.25-4
PNF0AA-AA
PFSC
13CN10-R
I
万
2
3
"V
4
5
6
7
8
万
V
9
广
10
11
12
13
14
15
16
-/
17
18
19
20
MOLtX
43025-2000
F4K
1020-05
A
1
6
1
7
1
8
Panasonic
Factory
Solutions
Co.,
Ltd
/^7—
'7^
—
WJzl
—
株
式会社
1
2
4
1
5
1
6
ND
o
1
2
3
4
5
G-
-
M

Load
Board
N61U132786
SIGNAL
LAMP
13CN5-R
-XPL
UL1007
AWG22
RD
UL1007
AWG22
OG
I
YE(WH)
UL1007
AWG22
GN
GN
GN
UL1OO7
AWG22
VL
VL
BUZZER
UL1OO7
AWG22
YE
YE
OKAYA
UL1OO7
AWG22
RD
ULI
007
AWG22
RD
UL1007
AWG22
BU
UL1007
AWG22
BU
Name
SIGNAL-TOWER
&
BUZZER
DIAGRAM
#13CN5
>
AMP
177905-1
12P/X
被必
5559-06P-210
PNFOAA-AA
PFSC
-K323
5557-O6R-21O
(MOLEX)
原
点表示
LED
MACHINE
ORIGIN
SIGNAL
#LCR-302FBW-RYG
B0701
#LCR-302FBW-YCG
B0701
(PATLITE)
注
19^
力
0
r
7-()C
苗仰士
YCGA
吟
布示仁
N0TEDWARN1NG
LAMP():
LENS
COLORS
YELLOW/WHHE/GREEN.
注
2
》)
力的
城国内
(上
段)
及
0
国外
(下
段懈
野)
型番
布示大
N0TE2)UPPER
SECT10N:F0R
JAPAN
LOWER
SECT10N:F0R
OTHER
AREAS
注
3
)
上
te
以外
-力网
未使用
加他」
后^二一)则
理
0
4
^NOTE3):PROCCESSING
OF
SHRINKING
TUBE
ON
CABLES
NOT
USED
M
ORI-R
MORI-
P
i
~~
丁备
4
1
E
―
—
被向
而必
5557-02R-210
5559-02P-210
1
RD(OR)
2
OR(WH)
Drawing
No.
N610130827+001AB
Kit
No.
Loc.
No.
F4K
1020-05
A
4
5
1
6
1
7
1
8
Panasonic
Factory
Solutions
Co.,
Ltd
/弋十\/
二^夕
77
U
—
VUzl
—
朱
式会社
1
I
2
।
3
।
4
1
5
i
6
1
7
।
8

5559-1
6P-2
10
12CN10-1P
I^CNIO^JR
、
丁
)
)
)
>
)
)
)
)
)
)
)
)
)
)
)
6
8
9
10
II
12
13
14
15
16
MOLEX
5557-1
6R-210
UL1007AWG22
BN
UL1007AWG22
BU
UL1007AWG22
VT
UL1007AWG22
GY
UL1007
AWG22
WH
UL1007AWG22
BK
UL1007AWG22
RD
UL1007AWG22
BN
UL1007
AWG22
BU
UL1007
AWG22
VT
UL1007AWG22
GY
UL1007
AWG22
WH
UL1007
AWG22
BK
5559-06P-210
ULI
007
AWG22
BN
「
REA
卑
3
-
Refer
to
N61
01
30854+002
UL1007
AWG22
RD
UL1007
AWG22
OG
UL1007
AWG22
YE
ULI
007
AWG22
GN
UL1007
AWG22
BU
UL1007
AWG22
RD
--IBU
UL1007
AWG22
BU
D-H7AKSMC)
PT-47
-S35
-1BU
UL1007
AWG22
BN
UL1007
AWG22
VT
UL1007
AWG22
RD
UL1007
AWG22
RD
I
砸必
1396P1
PT-47
UL1007
AWG22
RD
I
UL1007
AWG22
BN
L
BK
UL1007
AWG22
BK
UL1007
AWG22
RD
UL1007
AWG22
BN
UL1007
AWG22
RD
—
irocn
1396R
1396R
1396P1
01
740
PT-47
PT-47
I
-XPCIN-
R
-XPCIN-
P
D11
L
"T
1
BU
—
i
^7
r
——
M-C
i
—
r
iLq
i
』
3
ibr
—
ran
叠
上砸必
1
01
7T7
-XCSND-
R
-XCSND-
P
।
二
~T
i
i
1
祀面
1396R
1396P1
PT-
4
7
I
|bk
|BR
-XPCS1-R
-XPCS1-P
D11
UL1007
AWG22
BN
I
L7
丁
T
IBU
UL1007
AWG22
GY
2
c
|bk
|BR
-XPCS2-
R
-X
UL1007
AWG22
BN
I
厂
7丁二
fv*
i
UL1007
AWG22
WH
2
厂
—
D-H7AKSMC)
7^一
夕待
械位置
FEEDER
STAND
BY
POSITION
-S36
E3X-NT11
(OMRON)
E32-TC200
(OMRON)
7r一
夕
、'送
"鹤忍
1
(L.
ONI2
殳定)
FEEDER
SEND
MAKE
SURE
1
(SETUP
L.
ON)
-S37
a
e
E32-TC200
(OMRON)
E3X-NT11
(OMRON)
s
7
彳一
夕
、'送
DE
翻也
2
(L.
ONI
编
殳定)
FEEDER
SEND
MAKE
SURE
2
(SETUP
L.
ON)
-S38
ov
OUT
Vcc
E3X-NT1
(OMRON)
-e-O
E32-TC200
(OMRON)
7
彳一
夕
、'取
付础熬
(L.
ONI*
殳定)
FEEDER
INSTALL
MAKE
SURE
(SETUP
L.
ON)
-S34
7
彳一夕
、、定
位置
ZL-L
FEEDER
FIXED
POSITION
Refer
to
M61
01
30854+002
Name
Drawing
No.
#12
CN
10
DIAGRAM
N610130828+001AB
Kit
No.
Loc.
No.
PNFOAA-AA
PFSC
-K322
ov
OUT
Vcc
0V
OUT
Vcc
2
jBK
3
|BR
F
—
r
BU
2
BK
3
BR
—
Ring
I/O
Load
Board
#12
CN10
F4K
1020-05
A
5
1
6
1
7
1
8
Panasonic
Factory
Solutions
Co.,
Ltd
R
十、)
二
、力
77
U
—
VUzl
—
朱
式会社
i
l
i
2CN
9.
^^1