RL132电路图N7205A093E - 第72页
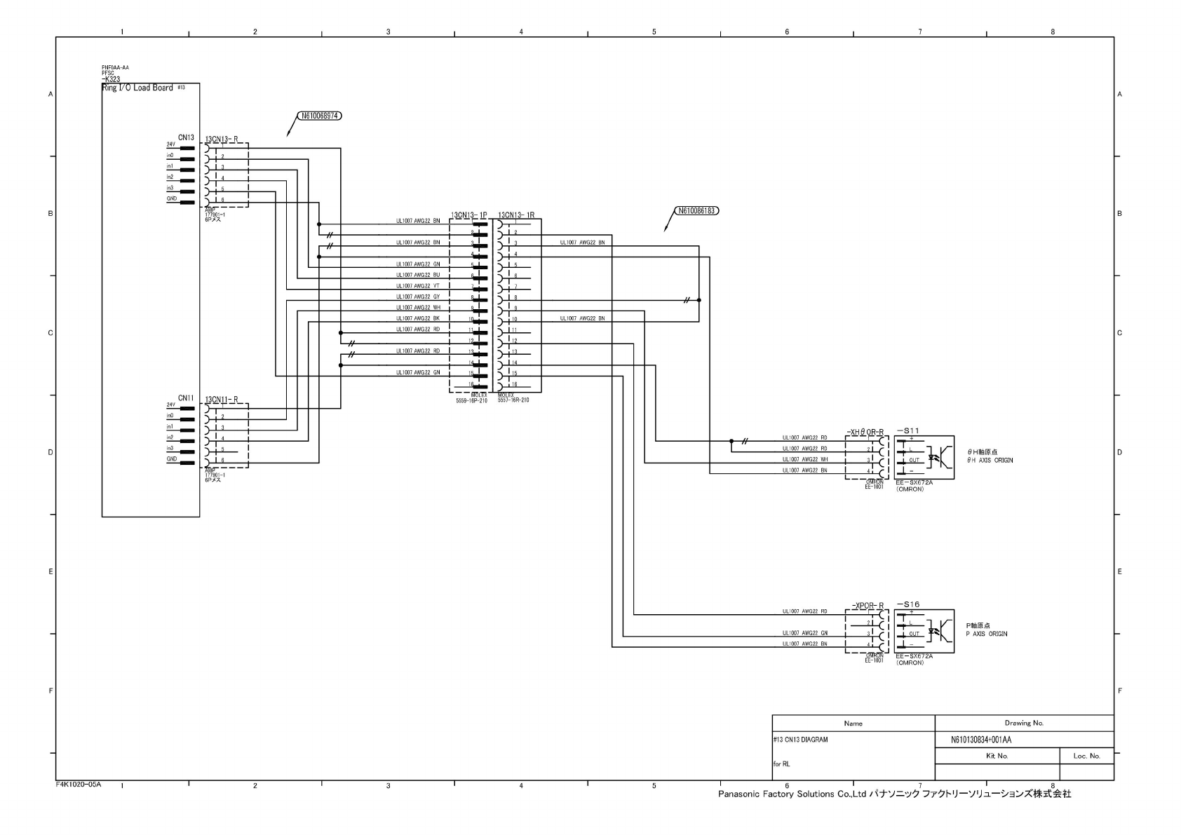
r L ) I 12 PNFOAA-AA PFSC -K323 ULWO7 AWG22 YE UL1007 AWG22 GN UL1007 AWG22 BU UL1007 AWG22 BK UL1007 AWG22 BN UL1007 AWG22 RD UL1007 AWG22 BN UL1OO7 AWG22 BU UL1007 AWG22 YE UL1007 AWG22 BN MULtA 5559-1 2P-210 5557-I2R-…

UL1007
AWG22
BN
UL1007
AWG22
BN
UL1007
AWG22
GN
ULI
007
AWG22
BU
UL1007
AWG22
VT
UL1007
AWG22
GY
UL1007
AWG22
WH
UL1007
AWG22
BK
UL1007
AWG22
RD
H
〃
ULI
007
AWG22
RD
UL1007
AWG22
GN
13CN13-1R
3
叶
3
MOLEX
5557-16R-210
N610068974
PNFOAA-AA
PFSC
-K323
Ring
I/O
Load
Board
CN11
UL1007
AWG22
BN
M6
100861
83
UL1007
AWG22
RD
UL1007
AWG22
RD
UL1007
AWG22
WH
UL1007
AWG22
BN
6
H
率
由原点
8H
AXIS
ORIGIN
UL1007
AWG22
RD
UL1007
AWG22
GN
UL1007
AWG22
BN
I
—
fl
佩
确一
EE-1001
PIA
原点
P
AXIS
ORIGIN
Name
Drawing
No.
#13
CN
13
DIAGRAM
for
RL
N610130834+001AA
Kit
No.
Loc.
No.
UL1007
AWG22
BN
F4K
1020-05
A
2
5
1
6
1
7
1
8
Panasonic
Factory
Solutions
Co.,
Ltd
/弋十\/
二^夕
77
U
—
VUzl
—
朱
式会社
1
I
2
।
3
।
4
1
5
i
6
1
7
।
8
R
13
>>>>>4

r
L
)
I
12
PNFOAA-AA
PFSC
-K323
ULWO7
AWG22
YE
UL1007
AWG22
GN
UL1007
AWG22
BU
UL1007
AWG22
BK
UL1007
AWG22
BN
UL1007
AWG22
RD
UL1007
AWG22
BN
UL1OO7
AWG22
BU
UL1007
AWG22
YE
UL1007
AWG22
BN
MULtA
5559-1
2P-210
5557-I2R-21O
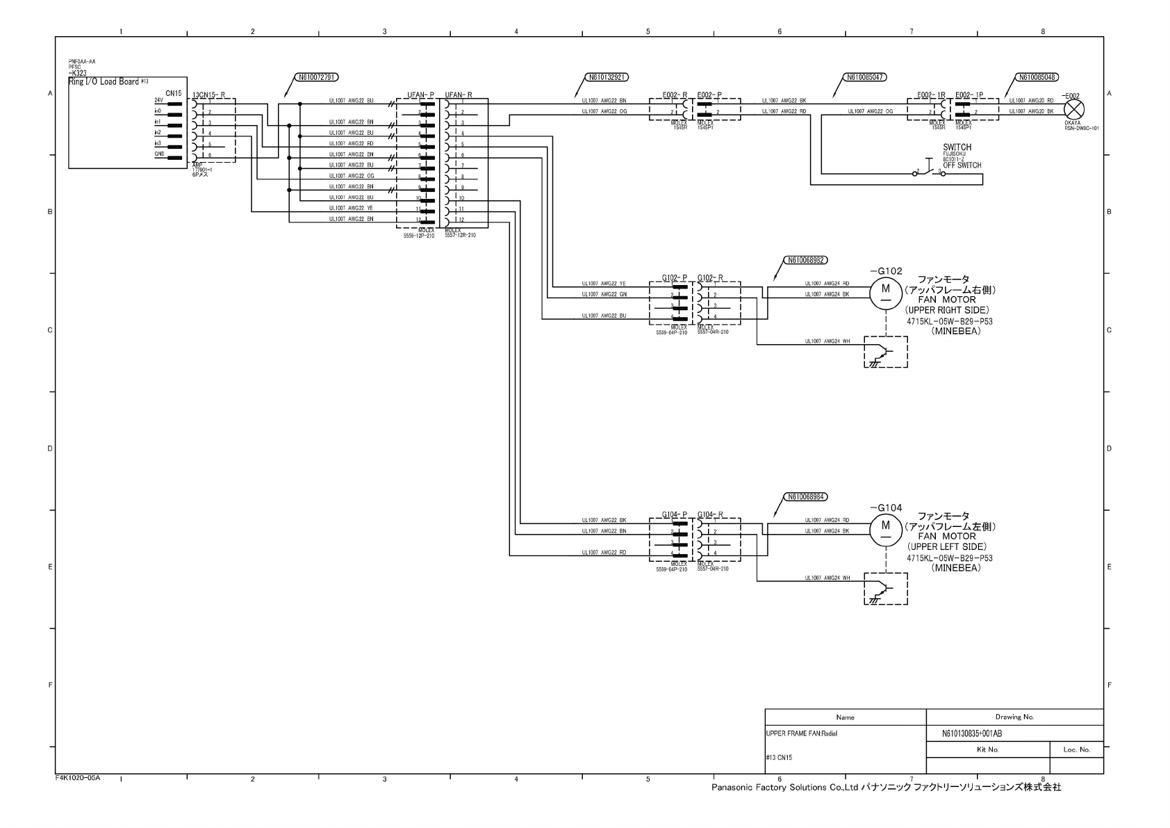
N610072791
UL1O07
AWG22
BU
UL1007
AWG22
BN
〃
UL1007
AWG22
BU
,
UL1007
AWG22
RD
UL1007
AWG22
BN
〃
UL1007
AWG22
BU
“
UL1007
AWG22
OG
UL1007
AWG20
RD
UL1OO7
AWG22
OG
UL1007
AWG20
BK
N61
0068982
UL1007
AWG24
WH
__
I
UL1007
AWG24
WH
SWITCH
FUJISOKU
8C1011-Z
OFF
SWITCH
-EOQ2
OKAYA
RSN-DW8C-101
-G102
77^^—
夕
M
右
便])
FAN
MOTOR
(UPPER
RIGHT
SIDE)
4715KL
-05W-B29-P53
(MINEBEA)
UL1007
AWG24
RD
UL1007
AWG24
BK
UL1007
AWG24
RD
UL1007
AWG24
BK
E002-
1R
E002-
1P
厂
千寸
—
】
E
J
祝必
而
UX
1545R
1545Pl
-G104
天、
八
一
3
M
左值
I])
FAN
MOTOR
(UPPER
LEFT
SIDE)
4715KL-05W-B29-P53
(MINEBEA)
I
1
Name
Drawing
No.
UPPER
FRAME
FAN:Radial
#13CN15
N610130835+001AB
Kit
No.
Loc.
No.
Ring
I/O
Load
Board
丑
CN15
N610132921
ULW07
AWG22
BN
UL
007
AWG22
BK
UL1007
AWG22
OG
E002-
R
E002-
P
「_
7F_:±寸
I
nk
|
I
_
I—
9
1545R
1545Pl
F4K
1020-05
A
2
4
5
1
6
1
7
1
8
Panasonic
Factory
Solutions
Co.,
Ltd
/弋十\/
二^夕
77
U
—
VUzl
—
朱
式会社
CN

1
2
4
5
6
7
8
M6W068963
A A
UL1007
AWG22
WH
移替
m^m>前
Ring
I/O
Load
Board
松
TRANSFER
SWING
FRONT
I
N61
0068962
SQ48
移替
出民
口、7
7
UL1007
AWG22
BN
0V
inO
UL1007
AWG22
BU
OUT
in1
UL1007
AWG22
WH
in2
B
B
in3
N6I0068965J
GND
6
移替
/SL/、3/
卜^
>
—
-
IBU
UL1007
AWG22
BN
BK
UL1007
AWG22
VT
OUT
TRANSFER
PALETTE
CLOSE
LOCK
|BR
UL1007
AWG22
WH
UL1007
AWG22
BN
c
c
ULI
007
AWG22
GN
ULI
007
AWG22
BU
UL1007
AWG22
VT
UL1007
AWG22
GY
UL1007
AWG22
WH
11
12
D
D
SQ50
UL1007
AWG22
BN
部品
检出
ov
UL1007
AWG22
GY
OUT
PARTS
HIGHT
DETECTION
UL1007
AWG22
WH
Vcc
GX-8MB-R(SUNX)
E
E
(FOR
RL131
AND
RG131
ONLY)
F
F
F4K
1020-05
A
1
2
4
5
6
7
8
Panasonic
Factory
Solutions
Co.,
Ltd
/^7—
'7^
77
U
—
VUzl
—
株
式会社
PNFOAA-AA
PFSC
-K323
TRANSFER
HEAD
TRAVERCE/RETURN
LOCK
雨
P
177901-1
6P
以
沈必
1396R
I
7
c
t
〒
SQ48-
R
SQ48-
P
事
h
CN16
24V
_SQ49-_R_SQ49-P_
习三
J
I
43
喀皤
」职取
「一
流必
而向
5559-1
2P-210
5557-12R-210
SQ47-
R
SQ47
1396R
W
(^RON
EE-SX670
EET°°1
(OMRON)
13CN16-1P
13CN16-1R
I
2
二
S
1
2
I
3
七
>13
I
——
1
I
6
上
I
I
6
1
——
>4^
I
9
i
1
9
!
10
>
j
10
1
1 1
SQ49
OV
Vcc
D-H7A1S(SMC)
Vcc
F9NS(SMC)
UL1007
AWG22
GN
_
J
~
1
3l
UL1007
AWG22
BN
4!
2
|BK
3
;
BR
1
T
1
1
U
1
Name
Drawing
No.
#13
CN
16
DIAGRAM
N610130836+001AA
Kit
No.
Loc.
No.