RL132电路图N7205A093E - 第89页
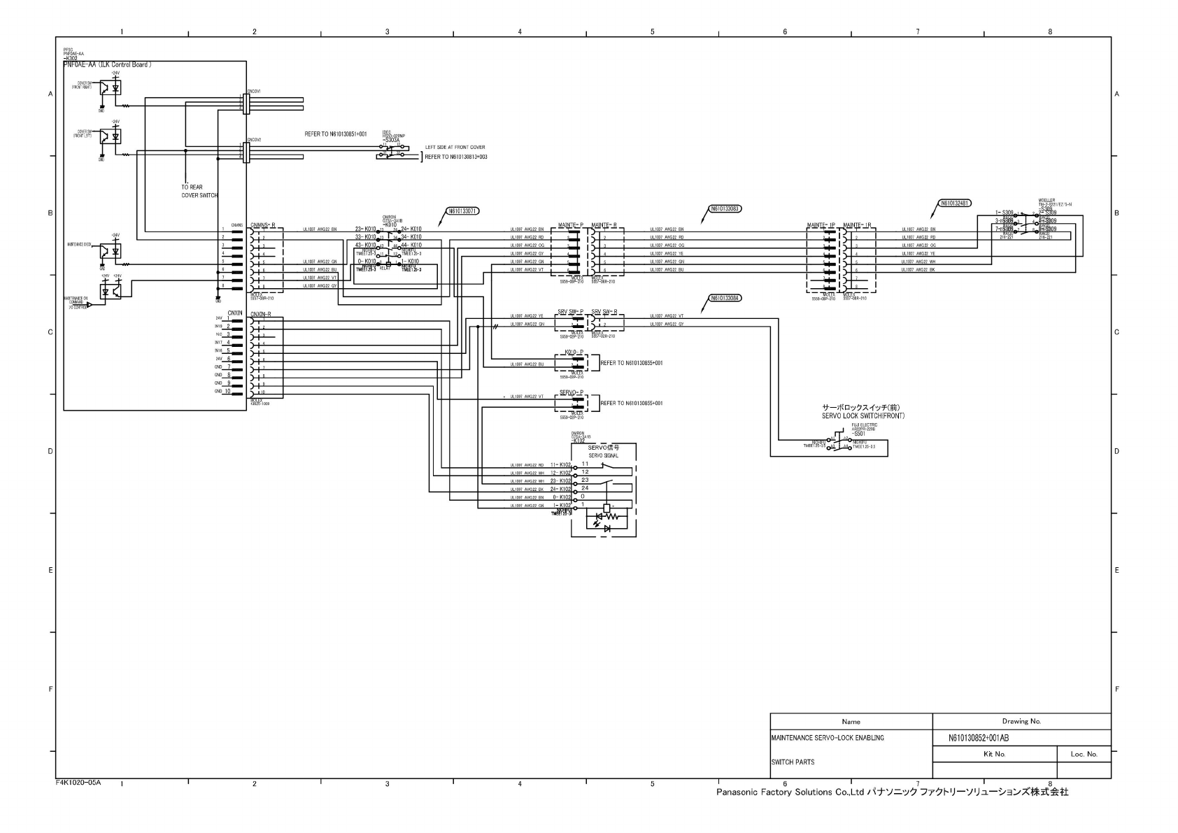
JNhUAt-AA ULK Control board ) +24V COVER SW— )NT RIGHT) J 曳 QID TO REAR COVER SWITCH 1NI7 4 GND_ 7 — GND 9 GND 10 Name Drawing No. MAINTENANCE SERVO-LOCK ENABLING SWITCH PARTS N610130852+001AB Kit No. Loc. No. M61 013248…

1
2
4
5
6
7
8
N610132705)
N61
0064424)
A A
RT3-P
RT3j1FL
UL1007
AWG22
BN
I
F
2
3
4
UL1007
AWG22
GN
UL1007
AWG22
BU
6
UL1007
AWG22
VT
UL1007
AWG22
GY
11-S201
12-
S201
B B
UL1007
AWG22
GN
2
UL1007
AWG22
BU
3
UL1007
AWG22
VT
4
UL1007
AWG22
GY
c
c
N610132710)
N610132415)
N61
0064427)
STO4X18AWG
UL1007
AWG22
BN
UL1007
AWG22
BN
BK
2
ULI
007
AWG22
RD
G/Y3
3
TMEV1.25LY-3.5S
UL1007
AWG22
OG
RD
TMEV1.25LY-3.5S
4
UL1007
AWG22
YE
WH
UL1007
AWG22
GN
UL1007
AWG22
BU
UL1007
AWG22
VT
UL1007
AWG22
GY
D D
UL1007
AWG22
GN
2
UL1007
AWG22
BU
Refer
to
N61
01
3081
4+003
3
UL1007
AWG22
VT
4
UL1007
AWG22
GY
E
E
F
F
F4K
1020-05
A
1
2
4
5
6
7
8
Panasonic
Factory
Solutions
Co.,
Ltd
/^7—
'7^
77
U
—
VUzl
—
株
式会社
>
>
)
)
右前
面非常
停止久
不^于
(-S201)
FRONT
SIDE
RIGHT
PART(-S201)
CNLM1
1
—
CNLM2
1
卜
CNEMG1
1
—
CNCOV1
1
一
IDEC
XW1E-BV402MFR-TK2377
-S201
N610132711)
Y
触士才
一/
刊"
后、〉
卜
(-S211)
YAXIS±OVERRUN(-S211)
初
TX
5559-04P-210
」
177900-1
4P
以
•丽
P
1
177900-1
4P%
5557-08R-210
1
也
m
i
备必
1
5559-04P-210
5557-04R-210
4
MOLtX
雨必
5559-08P-210
5557-08R-21
0
5559-08P-210
55
CNEMGFL
XY3-R
)
MOELLER
21-S211O21^22O22-
S211
13二陵!
工工
二吃
§211
NICHIFU^
^NICHIFU
YEL-
P
YEL-
R
I
「-
1
'两
P
177900-1
4P>X
CNLM2^R_
>p
_
}
——
]
.丽
P
177900-1
4P/X
22-S201
N1CHIFU
TMEE1.25-3
PFSC
PNF0AE-AA
-K332
_
KFOAE-AA
(ILK
Control
Board
J
M
21
二
§20]
NICHI
卜
U‘
TMEE1.25-3
T
1
UL1007
AWG22
BN
r
——
行
E
1
1
2
1
UL1007
AWG22
RD
i
3
1
1
UL1007
AWG22
OG
i
I
U.
|
1
4
1
1
UL1007
AWG22
YE
।
i
1
1
5
1
UL1007
AWG22
GN
i
।
1
6
1
1
UL1007
AWG22
BU
i
十
।
6
1
1
1
7
1
1
ULI
007
AWG22
VT
।
i
1
74M
|
1
1
8
1
ULI
007
AWG22
GY
i
.
i
—
1
J
L
DCE
57-(
8R-210
5559-08P-210
n
1
2
UL1007
AWG22
RD
4
|3
UL1007
AWG22
OG
4
UL1007
AWG22
YE
Name
Drawing
No.
RIGHT
SIDE
COVER
EMERGENCY-STOP
XY
AXES
OVERRUN
PARTS
N610130851+001AB
Kit
No.
Loc.
No.

JNhUAt-AA
ULK
Control
board
)
+24V
COVER
SW—
)NT
RIGHT)
J
曳
QID
TO
REAR
COVER
SWITCH
1NI7
4
GND_
7
—
GND
9
GND
10
Name
Drawing
No.
MAINTENANCE
SERVO-LOCK
ENABLING
SWITCH
PARTS
N610130852+001AB
Kit
No.
Loc.
No.
M61
013248'
N6
15
33083
1-S309
3d
MA1NTE-
R
7-2
09
ULI
007
AWG22
BN
UL10O7
AWG22
BN
UL1007
AWG22
BN
ULI
007
AWG22
RD
UL1007
AWG22
RD
UL1007
AWG22
OG
UL1007
AWG22
OG
ULI
007
AWG22
GY
UL1007
AWG22
YE
ULI
007
AWG22
GN
UL1007
AWG22
WH
ULI
007
AWG22
VT
UL1007
AWG22
BK
b
mu
N6
101
33084
SRV
SW-F
UL1007
AWG22
YE
ULI
007
AWG22
VT
UL10O7
AWG22
GN
UL10O7
AWG22
GY
—
TO
N610130855+001
UU007
AWG22
BU
ULI
007
AWG22
VT
TMEE
11
ULI
007
AWG22
RD
UL1007
AWG22
WH
ULI
007
AWG22
WH
23~
K10;
DEEL
5557-08R-210
OMRO
G7SA-3A1Q
SERVO
信
SERVO
SIGNAL
FUJI
ELECTRIC
AR22PR-220B
-S501
NiCHIrU
TMEE1.
25-3.5
廿一术口、:/<7
久不
;/千
(前)
SERVO
LOCK
SWITCH(FRONT)
MOLEX
5559-O2P-21O
—
wcm
5559-O8P-210
MAINTE-
P
ULI
007
AWG22
BK
24-K102
>
l>
I)
5559-O2P-2IO
5557-O2R-210
j
I
REFER
to
N610130855+001
1
^craJ
-
5559-O2P-2IO
ULI
007
AWG
22
BN
0-K10:
ULI
007
AWG
22
GN
।
二
KJOZ.
C
〔
TM
卿那
I
MOELLER
TN-2-8221/EZ'S-N
鹏图
9
:微
09
2
UL1007
AWG
22
RD
3
UL10O7
AWG
22
OG
4
I
.
UL1007
AWG22
YE
5
ULI
007
AWG22
GN
6
UL1007
AWG22
BU
LEFT
SIDE
AT
FRONT
COVER
REFER
TO
N610130813+003
N610133071
OMRON
UL10O7
AWG
22
BN
ULI
007
AWG
22
GN
UL10O7
AWG
22
BU
UL10O7
AWG
22
VT
UI
1007
AWG
力
GY
泅
XIN-R
»000
>
)
)
>
»2?
PFSC
PNF0A4AA
-K302
CNMNS-
R
b
h一"1
>H
——
>+^
——
——
——
23-
K01C
33-
K01C
43roic
o
二世!
c
'IICH.FJ
TMEE
1.
25-3
I-
K010
NICH1FU
FMEE1.25-3
4
-
K010
34-
K010
44
-
K010
F4K
1020-05
A
5
6
7
8
Panasonic
Factory
Solutions
Co.,
Ltd
—
WJzl
—
株
式会社
4
1
5
1
6
g
—

1
2
4
5
6
7
8
-S211
-S212
21
+24V
-S303A
-S304
-S308
-S310
-S311
A A
12
-S201
-S202
-S203
-S204
-S205
11
12
0ET2
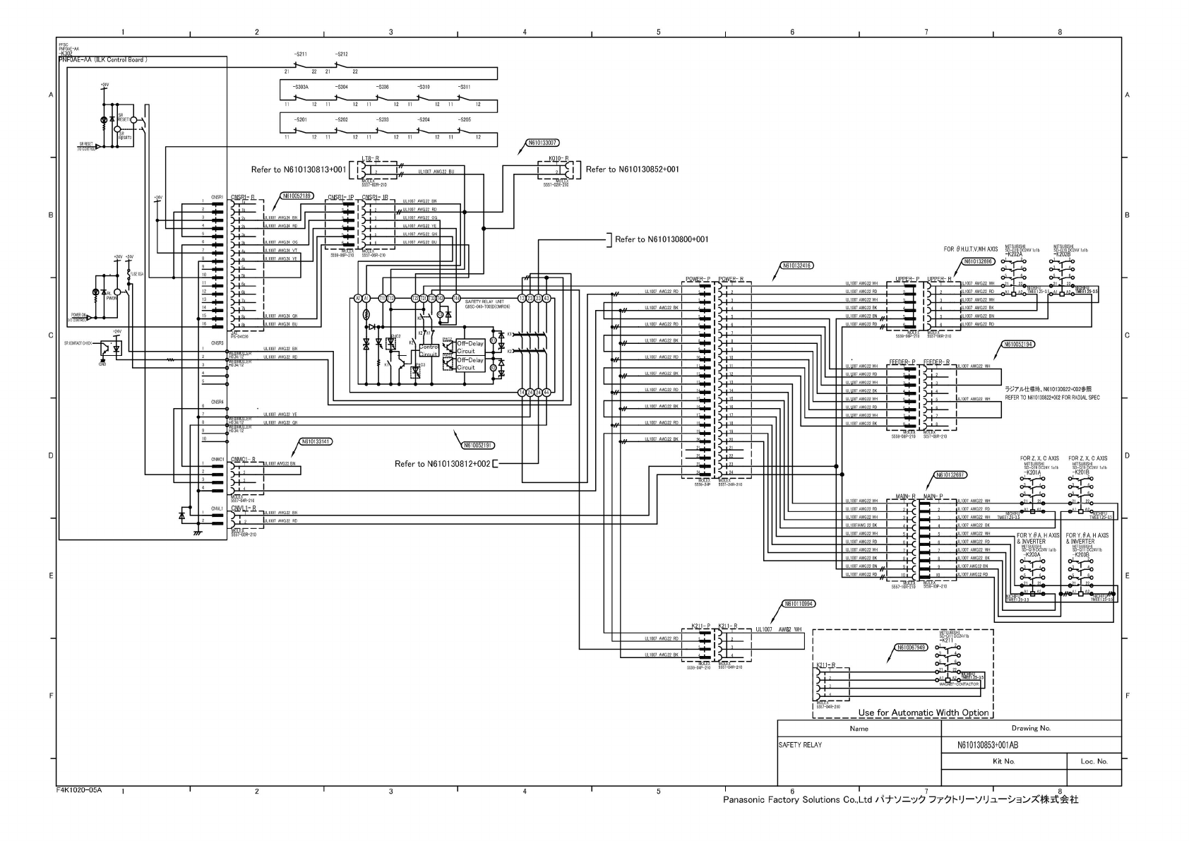
N610133007j
K010-R
Refer
to
N61
01
30852+001
Refer
to
N61
01
3081
3+001
UL1007
AWG22
BU
CNSR1
+24V
ULI
007
AWG22
BN
1h
B B
2a
UL1007
AWG22
YE
2h
ULI
007
AWG22
GN
3a
Refer
to
N61
01
30800+001
ULI
007
AWG22
8U
3b
FOR
9H,U,T,V,WH
AXIS
Idb
+24V
+2W
N6101
32696
N610132416
FUSE0.5A
UL1O07AWG22
WH
007
AWG22
WH
UL1O07AWG22
RD
.1007
AWG22
RD
JL1007
AWG22
RD
PWON
UL1O07
AWG22WH
J
007
AWG22
WH
儿
1007
AWG22
BK
UL1O07AWG22
BK
JL1007
AWG24
GN
8a
:
H
儿
1007
AWG24
BU
JL1007
AWG22
RD
UL1007
AWG22
RD
1007
AWG22
RD
I
8h
c
JL1007
AWG22
BK
8
CNSR3
V610032194
ULI
007
AWG22
BN
UL1007
AWG22
RD
JL1007
AWG22
RD
in
FEEDER-
P
「
一
ii
ULIP07
AWG22WH
UL1007
AWG22
WH
JL1007
AWG22
BK
1?
ULIO07
AWG22
RD
13
ULIO07
AWG22WH
JL1007
AWG22
RD
14
ULUJ07AWG22
BK
15
UL1O07
AWG22
WH
JL1007
AWG22
WH
CNSR4
JL1007
AWG22
BK
16
ULU)07
AWG22
RD
UL1007
AWG22
YE
17
ULIO07
AWG22WH
UL1007
AWG22
GN
JL1007
AWG22
RD
18
UL10D7
AWG22
BK
19
II
1007
AWC”
Rk
如
N610133141
N61
00521
91)
D D
CNMCl
Refer
to
N61
01
3081
2+002
匚
23
N610132697J)
JL10O7
AWG22WH
JL1O07
AWG22
RD
JL1O07
AWG22
WH
1
.25-3.5
AWG22
RD
JL1O07AWG
22
BK
ULL007
AWG22
WH
L1007
AWG22
WH
JL1ffiAWG22
RD
L1007
AWG22
RD
UL1O07
AWG22WH
L1007
AWG22
WH
UL10O7
AWG22
BK
L1007
AWG22
BK
L1007AWG22
BN
E
E
N6101
10994)
UL1007
AWG2
WH
r
UL1007
AWG22
RD
N61
0067949)
UL1007
AWG22
BK
I
段
F
__
P
曜优
-3.5
|
5557-04F
F
F
5557-04
R-2
10
Drawing
No.
Name
N610130853+001AB
SAFETY
RELAY
F4K
1020-05
A
1
2
4
5
6
7
Panasonic
Factory
Solutions
Co.,
Ltd
/^7—
'7^
77
U
—
VUzl
—
株
式会社
>
>
>
C
c
5559-24P
JJL1007AWG22
RD
FORY.0A.HAX1S
&
INVERTER
MITSUBISHI
SD-Q11
DC24V1b
-K203B
FOR
Z,
X,
C
AXIS
MITSUBISHI
SD-Q19
DC24V
1a1b
FOR
Y.
6
A,
H
AXIS
&
INVERTER
MITSUBISHI
SD-QI9DC24V
lalb
儿仕
梯畴、
N61
01
30822+002
参照
REFER
TO
N610130822+002
FOR
RADIAL
SPEC
CNSR1-
R
Use
for
Automatic
Width
Option
j
—
5559-04P-210
KEX
5557-04R-210
PFSC
PNFOAE-AA
-K302
pNrtAE-AA
ULK
Control
Board
)
12
11
12
11
嬲解
23
5559-O8P-210
5557-08R-210
^OLtX
>557-04R-210
芈
-TJLI007
AWG22
BN
UL1O07AWG22BN
FOR
乙
X,
C
AXIS
MITSUBISHI
SD-Q19
DC
24V
1a1b
-K201A
甲
MAIN-
P
-
—
一
JJL1007
AWG22
WH
JL1007
AWG22
RD
三
10
J
—
MCLEX
P-21fi
SS57-nfiR-21O
Ll1007
AWG24
OG
(
JL1007
AWG24
VT
+
12
11
12
11
l<
I
2
一品陶「
k-1
I
22
21
22
r
I
>w
——
——
>H
——
——
I
12
11
12
11
12
11
12
11
+24V
$R
CCWTACT
CHECK—
•
I
|
GND
D
T
i)
j
i)
j
I)
UL1O07
AWG22
BN
.
UL10O7
AWG22
RD
〃
“I
__
__
555
部展1
1^需210
F££DER-
R
D
D
|jL1007
AWG24
BN
|jL1007
AWG24
RD
〃
ULI
007
AWG22
RO
ULI
007
AWG22
OG
―
H-C
10
1
C
5557-1
0R-2
10
5559-I0P-210
、
l
24
血^
5557-24R-210
WtlUMULLtK
HO.34/12
>
;
)
)
)
>
>
>
)
)
)
)
WtlUMULLtn
HO.34/12
WtlDMULLtK
HO.34/12
「
且以。
072BN
NICHIFU
fL1007
AWG22
WH
TMEE1
25-3,5
(JL1007
AWG22
BK
POWER
Ctl
AA
T-CONTACTOR
JL1007
AWG24
YE
p
—
4-^2
4
1
1
—
UL1O07
AWG22
BK
|
5
r
1JLIO07
AWG22
BN