YSD_cwd_je.pdf - 第10页

Confidential & Proprietary P A GE CN48 See Page 6 I/O CONVEYOR -2- J0171 SYSTEM LAN3 See Page 4 J0172 1 Y1OT 2 Y1ORG Y1 ORG/OT DUCT X FLEXIBLE J0091 J0092 DUCT Y FLEXIB LE J0116 H LAN LAN LAN J0117 HEAD I/O UNIT ASSY…

100%1 / 15
Confidential & Proprietary
PAGE
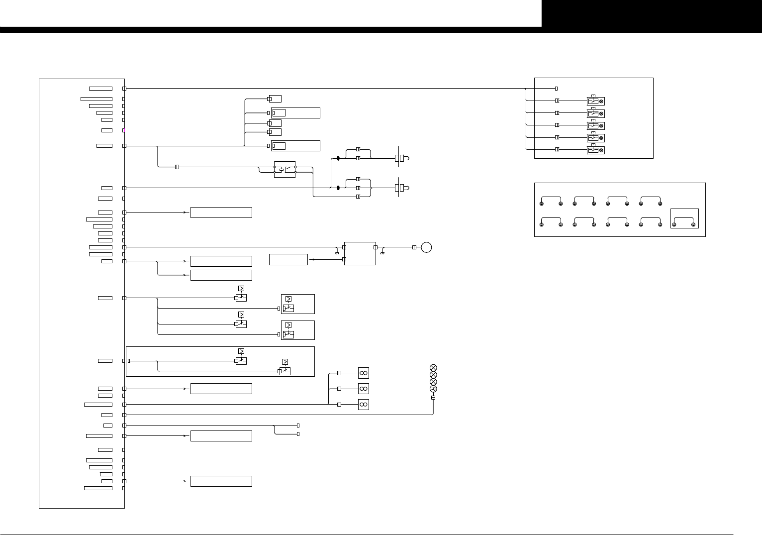
I/O CONVEYOR BOARD ASSY P025
F.ACTIVE
F.START
F.STOP
F.ERR.CLR
F.READY
F.RESET RESET
STOP
CN18
CN19
CN20
CN21
CN22
CN23
R.TERMINAL BOARD
OPE.PANEL F
DO12
DO0,DO1
DO11
OPE.PANEL R
J0181CN18
UPS(OPTION)
COVER EARTH
J0093
KEY USB
J0089
J0094
UPS
J0084
J0087
J0083
J0085 J0086
REAR LEFT(R2)
FRONT LEFT(F1) FRONT CENTER
REAR CENTER REAR RIGHT(R1)
FRONT RIGHT(F2) CONVEYOR
J0088
START
ERR.CLR
READY
See Page 2
POWER CIRCUIT
KM11A
J0044 DCN1
CV1 CN2 CV1 CN3
□60 MAX 300rpm
CONVEYOR MOTOR 1 30W
M19
P011
CN1
CN2
CV1
J0064
CN3C/V MOTOR 1 CN32
CN32 J0062
+24VD4 CN31
+24VD3 CN30
SS FEEDER
CN29
+24VC2,+24VC3 CN28
CN33C/V MOTOR 2
CN34+24E
CN34
HEAD VACUUM(OPTION)
HEAD VACUUM(OPTION)
P
SP22
HEAD1 VAC.
H3B +24V
H3A +24V
H2B +24V
H2A +24V
H1B +24V
H1A +24V
HEAD 3(OPTION)
P
SP26
HEAD3 VAC.
P
SP25
HEAD3 BLOWCN36 J0050
+24VF7 CN36
SP24
P
HEAD2 VAC.
P
SP23
HEAD2 BLOW
P
SP21
HEAD1 BLOW
CN35+24VF6
CN35 J0049
CN27 J0028
+24VF5 CN27
DOT STATION(OPTION)
DOT ST. VACDOT VAC
T0100026
YV005
SUB STOPPER(OPTION)
SUB STOPPER UP
YV002
YV004
T0100025
EXIT STOPPER UPEXIT ST
CLAMP 1
T0100022
PCB CLAMP
YV003
SUB ST
MAIN ST1 MAIN STOPPER UP
T0100020
YV001
E01
E02
CN25 J0185
GATE CN25
J0187
KA01
1 0V
5 DO
4 COM
3 OUT5
1 4
3
PREV
J0186
CN24
CN24 J0222
DO2,DO3
PREV A
PREV B
NEXT B
NEXT A
CONVEYOR DRIVER 1
+24VS2 CN26
T0100024
N0100281/T0100041
N0100283/T0100043
N0100284/T0100044
SB05
SB04
SB02
N0100285/T0100045
N0100282/T0100042
SB06
F.RESET(WHITE)
SB03
J0212
J0209
F.START(GREEN)
F.STOP(RED/WHITE)
F.ERROR CLEAR(WHITE/BLUE)
F.READY(WHITE)
J0208
J0210
J0211
F.OPERATION PANEL
PREV C
LE IN :N0100324
BA IN :N0100321 / UR IN :N0100322
BUSY IN:N0100320 / LR IN :N0100323
PREV
J0198 NEXT
BA OUT :T01000E5 / UR OUT:T01000E6
INTERFACE PANEL
J0223
NEXT INTERFACE
LE OUT :T0100031
BUSY OUT:T01000E4 / LR OUT:T01000E7
PREVIOUS INTERFACE
INTERFACE PANEL
J0224
J0199
T0100035
AMF2
RUN(GREEN)
T01000D2
BUZZER
HL11
ERROR(YELLOW/BLUE)
T01000D0
ALARM(RED/WHITE)
T01000D1
T01000D6
HL11
CN40
CN39FAN LOCK ALARM
CN40
DO13
N01002B4
FRONT IN1
FAN1FAN1
FAN2
FAN3
FAN 2
FRONT IN2
N01002B5
FAN 3
FRONT IN3
N01002B6
J0045CN39
CN38+24VD2
CN37 J0035
See Page 7
HEAD SERVO UNIT
H+24VCN37+24VD1
J0221
See Page 4
CONVEY0R C/R
CVP CN2
J0151CN43
+24VC1,+24VF3 CN43
T0100034
AMF1CN41 J0225
AMF CN41
+24VS1 CN44
See Page 7
HEAD SERVO UNIT
CN49FAN LOCK ALARM
CN48EMG3
CN48 J0171
CN47BRAKE
CN46C/V MOTOR 3
CN45+24VF4,+24VB6
J0701
Y-ORG
Y-OT
See Page 5
DOT ST.
See Page 5
CN3
I/O CONVEYOR BOARD ASSY
DOT STATION
S1 BK+24V
CONTROL BOX ASSY
See Page 4
CC.V3
6
I/O CONVEYOR -2-
YSD
Confidential & Proprietary
PAGE
CN48
See Page 6
I/O CONVEYOR -2-
J0171
SYSTEM LAN3
See Page 4
J0172
1
Y1OT
2
Y1ORG
Y1 ORG/OT
DUCT X
FLEXIBLE
J0091
J0092
DUCT Y
FLEXIBLE
J0116H LAN LAN
LAN
J0117
HEAD I/O UNIT ASSY
CN2
CN4
POW BOARD ASSY P041
I/O BOARD ASSY P042
J0301
J0302HP CN3
J0303HI CN6
J0304HI CN7
J0305HI CN8
J0306HI CN9
J0307HI CN10
J0308HI CN11
CN1
CN3
CN6
CN7
CN8
CN9
CN10
CN11
CN12
48V POW
IC POW
SRV DO
SRV AD
SRV DI
HED1 IF
HED2 IF
HED3 IF
RSV DO
CAMERA SEL POW
48V/24V/EMG
HP CN4
POW/EMG
J0513
HP CN1
LAN
H SEL
HEAD CAMERA SELECTOR P051
CAM1
LIGHT1
CN1 CPU J-TAG
CN2 FPGA J-TAG
CN3 RS-232C
CN11 DC24V
CN5 CAMOUT
CSEL CN11
CAMOUT
CN4
CN7
LIGHT1 J0512
J0511
P052
FIDUCIAL CAMERAD.CAM1
CN1
BOARD ASSY
FID.MAIN LIGHT
FIDUCIAL LIGHT
FID 1
FID.CAM
EL01
HEAD LEFT
CAM2 CN6
LIGHT2 CN9
CAM3 CN8
LIGHT3 CN10 J0522
J0521
LIGHT2
LIGHT3
CAM1
Y OT
Y-AXIS OVER TRAVEL
N01003E0
SQ021
Y ORG
SQ001
Y-AXIS ORIGIN
N01003E2
FIDUCIAL CAMERA
J0175
X1 ORG/OT X1 ORG/OT
1
2
X1OT
X1ORG
J0176 X OT
SQ022
X-AXIS OVER TRAVEL
N0100381
X ORG
SQ002
X-AXIS ORIGIN
N0100380
J0502
VISION1 CAM2
See Page 4
CAM
J0504
J0032
KM12/XT31
J0035
CN37
POWER CIRCUIT
See Page 2
J0036
POW/EMGHEAD EMG
H+24V
H+48V
J0037
CN12
J0162
See Page 6
I/O CONVEYOR -2-
See Page 5
I/O CONVEYOR -1-
ENC BOARD ASSY P045
DRV BOARD ASSY P044
CN8
CN5
HS CN7
HS CN6
S-POWER
DO
CN6
CN7
HS CN3
HS CN5
VAC
DI1
DI2
CN2
CN3
CN5
HS CN2
SRV BOARD ASSY P043
HEAD SERVO UNIT ASSY
HS CN8A
ETHER IN
ETHER OUT
CN8A
CN8B
J0118
H3 BLOW
YV103
P063
HEATER ASSY-3
HEATER 3H63
HEAD3 BLOW
T1300702
HD CN5
OPTION IF
MOTOR 2
MOTOR POWCN5
FAN
BATTERY
HE CN5
FAN21 INC ENC 1
INC ENC 2
SER ENC1
SER ENC2
MOTOR 1
SQ051
LASER
T1301707
J0312
CN4
CN3
CN2
CN1
CN4
CN1
CN1
HEAD 3(OPTION)
LASER UNIT(OPTION)
H2 BLOW
H1 BLOW
YV101
YV102
P062
P061
HEATER ASSY-1
HEATER ASSY-2
H61 HEATER 1
H62 HEATER 2
HEAD1 BLOW
T1300700
HEAD2 BLOW
T1300701
HE CN2
HE CN1
HD CN4
HD CN1
J0314
Z1
Z2
R1
M25
Z1-AXIS 100W
□42 MAX 4500rpm
M26
M28
R1-AXIS 100W
□42 MAX 4500rpm
Z2-AXIS 100W
□42 MAX 4500rpm
M27
Z3-AXIS 100W
□42 MAX 4500rpm
HEAD 3(OPTION)
Z3 Z3
J0112
HS CN1
C/R BOX
C/R BOX
GLUE EMPTY UNIT(OPTION)
DISPENSE EMPTY H3
DISPENSE EMPTY H2
DISPENSE EMPTY H1
N1301003
N1301002
N1301001
SQ061
SQ062
SQ063
J0317
SQ014
R1 ORG
R1 ORG
N1301000
H1 EMPTY
H2 EMPTY
H3 EMPTY DISPENSE EMPTY H3
N1301003
SQ063
DISPENSE EMPTY H2
N1301002
SQ062
GLUE EMPTY UNIT(OPTION)
GLUE EMPTY UNIT(OPTION)
J0318
GLUE EMPTY UNIT(OPTION)
DISPENSE EMPTY H1
N1301001
SQ061
J0319
J0320
CC.V3
7
HEAD SERVO UNIT
YSD
Confidential & Proprietary
PAGE
200V 208V 220V 240V 380V 400V 416V
N
W50
V50
U50
N
W50
200V 208V 220V 240V 380V 400V 416V
N
W50
N
W50
V10
U10
V10
U10
V10
U10
V10
U10
V10
U10
V10
U10
V10
U10
N
W50
N
W50
N
W50
R2
R2
R2
R2
R2
R2
R2
S2
S2
S2
S2
S2
S2
S2
T2
T2
T2
T2
T2
T2
T2
TM11:The selection of POWER SOURCE 1.7KVA
100V
100V
0V
0V
100V
100V
0V
0V
100V
100V
0V
0V
100V
100V
0V
0V
100V
100V
0V
0V
100V
100V
0V
0V
100V
100V
0V
0V
240V
0V
190V
200V
208V
220V
240V
0V
190V
200V
208V
220V
0V
100V
240V
0V
190V
200V
208V
220V
240V
0V
190V
200V
208V
220V
0V
100V
240V
0V
190V
200V
208V
220V
240V
0V
190V
200V
208V
220V
0V
100V
240V
0V
190V
200V
208V
220V
240V
0V
190V
200V
208V
220V
0V
100V
240V
0V
190V
200V
208V
220V
240V
0V
190V
200V
208V
220V
0V
100V
240V
0V
190V
200V
208V
220V
240V
0V
190V
200V
208V
220V
0V
100V
240V
0V
190V
200V
208V
220V
240V
0V
190V
200V
208V
220V
0V
100V
R2
S2
R2
S2
R2
S2
R2
S2
R2
S2
R2
S2
R2
S2
240V
220V
208V
200V
190V
0V
240V
220V
208V
200V
190V
0V
240V
220V
208V
200V
190V
0V
240V
220V
208V
200V
190V
0V
240V
220V
208V
200V
190V
0V
240V
220V
208V
200V
190V
0V
230V
230V
230V
W
V
U
220V
220V
220V
240V
220V
208V
200V
190V
0V
240V
220V
208V
200V
190V
0V
240V
220V
208V
200V
190V
0V
240V
220V
208V
200V
190V
0V
240V
220V
208V
200V
190V
0V
240V
220V
208V
200V
190V
0V
230VW
V
U
240V
220V
208V
200V
190V
0V
240V
220V
208V
200V
190V
0V
240V
220V
208V
200V
190V
0V
240V
220V
208V
200V
190V
0V
240V
220V
208V
200V
190V
0V
240V
220V
208V
200V
190V
0V
230VW
V
U
240V
220V
208V
200V
190V
0V
240V
220V
208V
200V
190V
0V
240V
220V
208V
200V
190V
0V
240V
220V
208V
200V
190V
0V
240V
220V
208V
200V
190V
0V
240V
220V
208V
200V
190V
0V
230VW
V
U
240V
220V
208V
200V
190V
0V
240V
220V
208V
200V
190V
0V
240V
220V
208V
200V
190V
0V
240V
220V
208V
200V
190V
0V
240V
220V
208V
200V
190V
0V
240V
220V
208V
200V
190V
0V
230VW
V
U
240V
220V
208V
200V
190V
0V
240V
220V
208V
200V
190V
0V
240V
220V
208V
200V
190V
0V
240V
220V
208V
200V
190V
0V
240V
220V
208V
200V
190V
0V
240V
220V
208V
200V
190V
0V
230VW
V
U
V50
U50
230V
230V
220V
220V
220V
V50
U50
230V
230V
220V
220V
220V
V50
U50
230V
230V
220V
220V
220V
V50
U50
230V
230V
220V
220V
220V
V50
U50
230V
230V
220V
220V
220V
240V
220V
208V
200V
190V
0V
240V
220V
208V
200V
190V
0V
240V
220V
208V
200V
190V
0V
240V
220V
208V
200V
190V
0V
240V
220V
208V
200V
190V
0V
240V
220V
208V
200V
190V
0V
230VW
V
U
V50
U50
230V
230V
220V
220V
220V
TC11:The selection of POWER SOURCE 0.75KVA(STD)/1.0KVA(with UPS)
CC.V3
8
POWER TRANSFORMER
YSD