YSD_cwd_je.pdf - 第13页
Condential & Proprietary P AGE 10 1702 Wiring par ts list No Part No. Part Name Q'ty Remarks No Part No. Part Name Q'ty Remarks 1 KGA-M55G0-104 LAN CABLE 10M 1 10M 39 KHY -M665F-000 HNS,CONV .DRIVER 1 J006…

Condential & Proprietary
H018390
YSD
PAGE
9
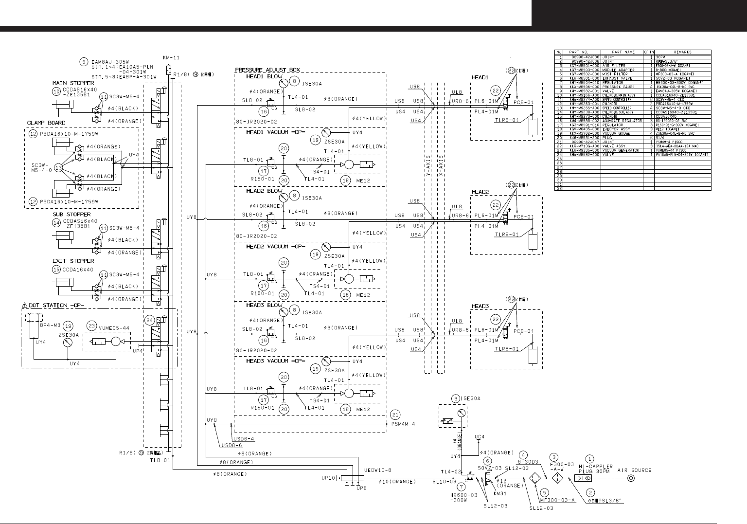
Air circuit

Condential & Proprietary
PAGE
10
1702
Wiring parts list
No Part No. Part Name Q'ty Remarks No Part No. Part Name Q'ty Remarks
1 KGA-M55G0-104 LAN CABLE 10M 1 10M 39 KHY-M665F-000 HNS,CONV.DRIVER 1 J0062
2 KGA-M55G0-404 LAN CABLE 30M 1 30M 40 KHW-M665E-000 HNS,CONV. MOTOR 1 J0064
3 KGA-M55G0-004 LAN CABLE 5M 1 5M 41 KHY-M536A-001 HNS,PE 1 J0071
4 KLF-M6563-000 FERRITE CORE 6 E01-E07 42 90K30-245080 HNS,EARTH 1 J0072
5 KK1-M6563-200 FERRITE CORE 1 E08 43 90K30-945070 HNS,EARTH 3 J0073-75
6 KK1-M6563-200 FERRITE CORE 1 E09 44 90K30-945035 HNS,EARTH 2 J0076,0077
7 KLR-M6185-000 FAN MOTOR ASSY 3 FAN1-FAN3 45 90K30-245020 HNS,EARTH 1 J0078
8 KLF-M6185-000 FAN MOTOR ASSY. 1 FAN21 46 90K30-255030 HNS,PE 300 1 J0079
9 KLR-M6185-100 FAN MOTOR ASSY 2 FAN4,5 47 90K30-377020 HNS,PE 200 1 J0080
10 KLA-M459X-010 BATT UNIT ASSY 1 GB11 48 90K30-245060 HNS,EARTH 1 J0081
11 KV7-M6561-010 POWER SUPPLY1 1 GS21 49 90K30-245060 HNS,EARTH 5 J0083-87
12 KLR-M6561-000 POWER SUPPLY 1 1 GS31 50 90K30-444100 HNS,EARTH 1 J0088
13 KLR-M661A-000 HNS,XB11-QS11 1
J0001 51 90K30-244035 HNS,EARTH 1 J0089
14 KHY-M661L-002 HNS,QF11-TM11 1 J0003 52 90K30-544180 HNS,EARTH 1 J0091
15 KHY-M661E-000 HNS,TM11-QF31 1 J0004 53 90K30-544130 HNS,PE 1300 1 J0092
16 KHY-M661F-010 HNS,QF31-NF11.GS31 1 J0005 54 90K30-244010 HNS,COVER FG 1 J0093
17 KHY-M661G-000 HNS,NF11-KM11 1 J0006 55 KLR-M668A-001 HNS,IF IO CMN 1 J0101
18 KLR-M661H-001 HNS,C/R AC230V 1 J0007 56 KHY-M668F-001 HNS,I/O CONV CMN 1 J0102
19 KHN-M661M-200 HNS,TAP CHANGE 1 10 J0010-19 57 KLR-M66BE-000 CABLE,LAN SYS-SRV1 1 J0111
20 KHN-M661M-300 HNS,TAP CHANGE 2 1 J0020 58 KLR-M66B5-001 HNS,LAN SYS-HEAD 1 J0112
21 KLR-M662F-000 HNS,QF11-TC11 1 J0021 59 KLR-M66B0-000 HNS,LAN SRV1-CV CR 1 J0113
22 KLR-M662A-001 HNS,TC11-QF21 XT21 1 J0022 60 KLF-M66B9-001 HNS,Y-FLEX LAN 1 J0116
23 KLR-M661M-000 HNS,C/R AC100V 1 J0023 61 KLF-M66B9-001 HNS,Y-FLEX LAN 1 J0117
24 KHY-M662E-011 HNS,QF21 XT21-GS21 1 J0024 62 KLF-M66BR-000 HNS,EXT.LAN 1 J0118
25 KLR-M66GL-001 HNS,CN27 BRAKE+24V 1 J0028 63 KLR-M66A6-000 HNS,BASE Y1P 1 J0121
26 KLR-M665A-000 HNS,BRAKE SRV1 1 J0029 64 KLR-M66A7-000 HNS,BASE Y2P
1 J0122
27 KLR-M664A-001 HNS,GS31-KM12 XT31 1 J0031 65 KLR-M66A8-000 HNS,BASE PU1P 1 J0123
28 KLR-M664F-001 HNS,KM12 +48V 1 J0032 66 KLR-M66AA-000 HNS,Y-FLEX X1P 1 J0125
29 KLR-M663D-001 HNS,CN37 HEAD DC24V 1 J0035 67 KLR-M66A5-000 HNS,BASE X1P 1 J0126
30 KLR-M663F-001 HNS,Y-FLEX H.PWR EMG 1 J0036 68 KLR-M66A0-002 HNS,SRV1 ENC1 1 J0131
31 KLR-M663G-001 HNS,X-FLEX H.PWR EMG 1 J0037 69 KLR-M66A1-002 HNS,SRV1 ENC2 1 J0132
32 KLR-M663J-001 HNS,GS21-QF42 XT41 1 J0041 70 KLR-M66DH-011 HNS,W ENC 1 J0134
33 KLR-M663A-000 HNS,I/O CONV PWR 1 J0042 71 KLR-M66E0-001 HNS,SERVO1 MO 1 J0141
34 KJX-M663G-300 HNS,+24A JUMPER 1 J0043 72 KLR-M66E5-001 HNS,Y-FLEX X1M 1 J0143
35 KLR-M663E-001 HNS,CONV PWR 1 J0044 73 KLR-M66DF-000 HNS,W MO 1 J0144
36 KLR-M66GF-000 HNS,CN39 FAN1-3 1 J0045 74 KLR-M664G-002 HNS,CV C/R POW 1 J0151
37 KLR-M66GF-111 HNS,CN4 KM FAN4-5 1 J0046 75 KLF-M66D5-000 HNS,CV DRV PWR 1 J0153
38 KLF-M53L1-000 HNS,FAN BASE2 1 J0048 76 KLF-M66D3-000 HNS,CV SIGNAL PWR 1 J0154

Condential & Proprietary
PAGE
11
1702
Wiring parts list
No Part No. Part Name Q'ty Remarks No Part No. Part Name Q'ty Remarks
77 KLF-M66UA-010 HNS,SHORT FAN 1 J0156 115 KLR-M66C1-000 HNS,HD +48V 1 J0301
78 KLR-M66DE-010 HNS,W BATT IN 1 J0157 116 KLR-M66C2-000 HNS,HS SIG. PWR 1 J0302
79 KLR-M66D1-000 HNS,CV DI2 1 J0158 117 KLR-M66C6-001 HNS,HI DO IN 1 J0303
80 KLR-M663K-001 HNS,CN43 CV C/R 24V 1 J0159 118 KLR-M66C8-000 HNS,TEMP AD 1 J0304
81 KLF-M665D-002 HNS,TOUCH LCD 1 1 J0160 119 KLR-M66C9-000 HNS,HS DI 1 J0305
82 KLR-M665C-000 HNS,IF RAS 1 J0161 120 KLR-M66CA-000 HNS,HEAD TEMP 1 J0306-0308
83 KLR-M66F2-001 HNS,CN12 EMG GOOD 1 J0162 121 KLR-M66U6-000 HNS,HEAD MOTOR Z 1 J0312
84 KLR-M66F3-011 HNS,CN11 EMG 1 J0163 122 KLR-M66U6-100 HNS,HEAD MOTOR R 1 J0314
85 KLR-M66F4-010 HNS,CONTACTOR 1 1 J0164 123 KLR-M66UA-000 HNS,R ORG/H EMPTY 1 J0317
86 KLR-M66F5-000 HNS,CONTACTOR 2 1 J0165 124 KLR-M66UB-000 HNS,SHORT GLUE EMPTY 1 J0318/319/320
87 KLF-M667A-000 HNS,EMG SW 1 J0166 125 KHY-M66K0-010 HNS,Y-FLEX CAM.EXT 1 J0502
88 KLR-M667B-002 HNS,CN5 COVER DI 1 J0169 126 KHY-M66K1-021 HNS,X-FLEX CAM.EXT 1 J0504
89 KLR-M66F1-000 HNS,CN48 Y10T/ORG 1
J0171 127 KLR-M66KB-001 HNS,FID LIGHT 1 J0511
90 KLR-M66GA-001 HNS,Y-FLEX YORG OT 1 J0172 128 KLR-M66KA-002 HNS,FID CAM 1 J0512
91 KLR-M66GB-001 HNS,Y-FLEX XORG OT 1 J0175 129 KLR-M66C0-000 HNS,CAMSEL PWR 1 J0513
92 KLR-M66GC-001 HNS,X-FLEX XORG OT 1 J0176 130 KHY-M66KA-210 HNS,FID LIGHT SHORT 2 J0521-522
93 KLR-M66G1-001 HNS,CN18 F OPE. 1 J0181 131 KLR-M66H6-000 HNS,DOT ST. 1 J0701
94 KLR-M66G6-001 HNS,SMEMA 1 J0185 132 KW7-M668F-001 HNS,DOT ST.(PAPER) 1 J0702
95 KHY-M66N3-000 HNS,LE-OUT 1 1 J0186 133 KW7-M668H-001 HNS,DOT ST.(NOTICE) 1 J0703
96 KLR-M66N4-000 HNS,LE-OUT 2 1 J0187 134 KW7-M669A-001 HNS,DOT STATION 1 J0705
97 KHY-M66GE-000 HNS,CONV.TERMINAL F 1 J0191 135 KLR-M66P1-010 HNS,UPS REMOTE 1 J0751
98 KLR-M66GH-001 HNS,AIR PRESSURE 1 J0194 136 KMG-M66PA-000 HNS,UPS POWER IN 1 J0752
99 KLR-M66D0-000 HNS,PU PIN SENS. 1 J0195 137 KLR-M662G-001 HNS,UPS POWER OUT 1 J0753
100 KLR-M66D0-000 HNS,PU PIN SENS. 1 J0195 138 KLF-M66P0-003 HNS,UPS SIGNAL 1 J0754
101 KLR-M66GJ-001 HNS,DOT VAC SENS. 1 J0196 139 KKE-M6522-000 RELAY,G3RZ DC24 1 KA01
102 KLR-M66GW-001 HNS,NEXT INTERFACE 1 J0198 140 KV5-M6442-000 RELAY SOCKET
1 KA01
103 KLR-M66GX-001 HNS,PRE.INTERFACE 2 1 J0199 141 KHY-M537F-000 SAFETY RELAY 1 KM10
104 KLF-M669V-100 HNS,SWITCH READY 1 J0208 142 KLF-M537G-000 CONTACTOR,1 2 KM11,12
105 KLF-M669V-200 HNS,SWITCH START 1 J0209 143 KLF-M537G-500 CONTACTOR,1 2 KM11A,12A
106 KLF-M669V-300 HNS,SWITCH STOP 1 J0210 144
107 KLF-M669V-700 HNS,SWITCH ERR.CLR. 1 J0211 145
108 KLF-M669V-500 HNS,SWITCH RESET 1 J0212 146
109 KHY-M66G4-000 HNS,SIG.TOWER 1 J0221 147
110 KLR-M66H2-000 HNS,CN24 CONV VALVE 1 J0222 148
111 KHY-M66H3-000 HNS,AMF 1 J0225 149
112 KU8-M66F5-504 HNS,VGA 5M 1 J0231 150
113 KHW-M6681-000 HNS,SERIAL 4M ASSY 1 J0232 151
114 KLF-M6681-000 ADAPTER USB SET 1 J0233,J0234 152