YSD_cwd_je.pdf - 第4页
Confidential & Proprietary P A GE See Page 8 See Page 5-6 See Page 3 See Page 4 See Page 2 KM10 CH1 CH2 K2 K1 Safety Relay KM11/KM11A Contactor NF11 Noise Filter Circuit Protector Transformer I/O CONVEYOR I/O HEAD CO…
Table of contents
/目次
YSD
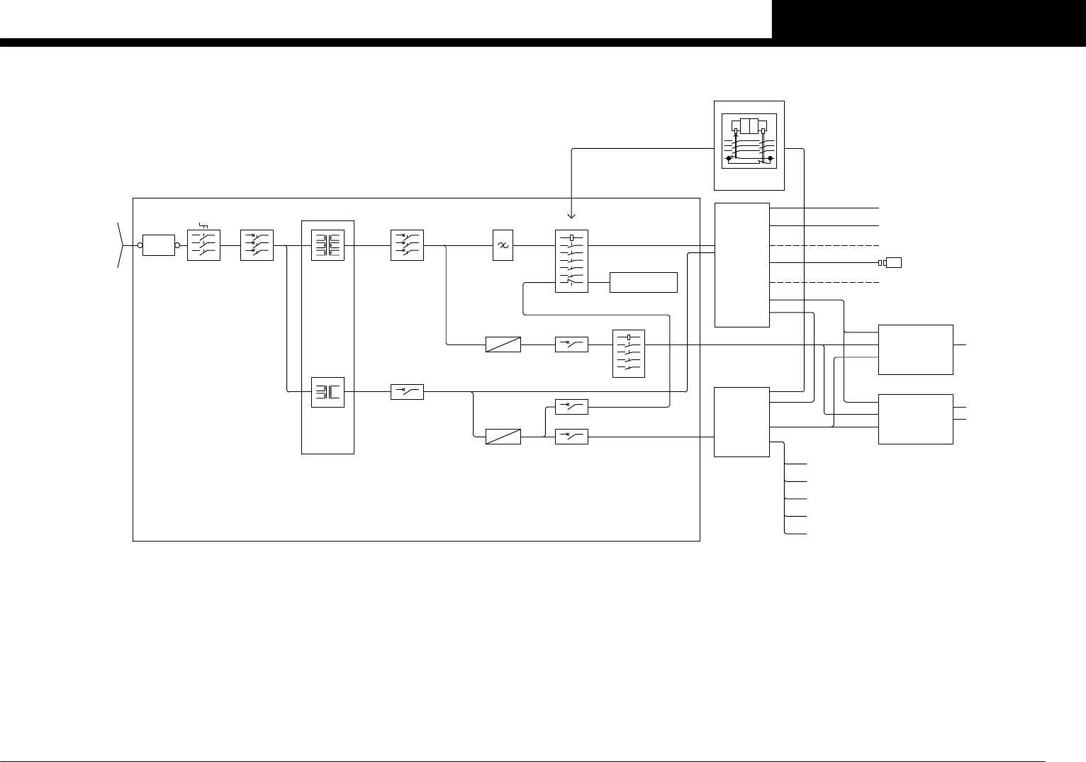
P. 1 Overview/全体接続図
P. 2 Powercircuit/電源回路図
P. 3 Emergencycircuit/非常停止回路図
P.4 C/RBox&ConveyorC/R/コントロールボックス & コンベアーコントロール接続図
P. 5 I/Oconveyor-1-/I/Oコンベアー接続図-1-
P. 6 I/Oconveyor-2-/I/Oコンベアー接続図-2-
P. 7 HeadServoUnit /ヘッドサーボユニット
P. 8 Powertransformer/電源トランス接続図
P.9Aircircuit/ エアー回路図
P.10Wiringpartslist /配線部品表
Condential & Proprietary

Confidential & Proprietary
PAGE
See Page 8
See Page 5-6
See Page 3
See Page 4
See Page 2
KM10
CH1CH2K2 K1
Safety Relay
KM11/KM11A
Contactor
NF11
Noise
Filter
Circuit
ProtectorTransformer
I/O CONVEYOR
I/O HEAD
CONTROL BOX A1
POWER CIRCUIT
TERMIANL
POWER TRANSFORMER
Transformer
Z,R SERVO MOTOR
DC24V
DC48V
3∼ AC230V3∼ AC230V3∼ AC230V
1∼ AC230V
1∼ AC100V
3∼ AC230V
EMERGENCY CIRCUIT
DC48V
TM11 1.7KVA
TC11
CV CONTROL BOX
QF41 5A
DRIVER
OUTPUT:
MOTOR:3∼ 230V
CONTROL:1∼ 100V
INPUT:
1:2.95KW(TOTAL)
AC50/60Hz 4.0A(MAX)
AC50/60Hz 2.8A(MAX)
3∼ 200V 0-375Hz
DC24V
CONVEYOR MOTOR
DRIVER
KM12/KM12A
Contactor
DC48V
USB MEMORY
SENSOR
VALVE
SIGNAL TOWER
COVER S/W
EMG S/W
See Page 7
See Page 4
EACH SERVO MOTORS (Y1,Y2,X,PU)
OPERATION PANEL
IT OPTION
0.75KVA(STD)
1.0KVA(with UPS)
QF21 7A
1∼ AC100V
DC24V DC24V
DC24V
QF42 10A
QF43 2A
W SERVO MOTOR
HEAD SENSOR,VALVE
GS21 300W 14A
GS31 300W 6.3A
Power Supply
Power Supply
XB11
QS11 25A
Terminal3∼ 50/60Hz
200/208/220/240
380/400/416V
3∼
QF11 20A
Main Breaker
3∼
Rating 7.0KVA MAX.
Main Switch
KEYBOARD(OPTION)
BARCODE READER(OPTION)
DC24V
DC48V
DC24V
DC24V
DC48V
QF31 (4.0∼6.3A)
SET 5.0A
LAN
LAN
LAN
COM
COM
CC.V3
1
OVER VIEW
YSD

Confidential & Proprietary
PAGE
RUSH CURRENT 335.7A
RUSH CURRENT 248.9A
(335.7A+297.8A)/√2
=448.0 > 20X20
RUSH CURRENT 297.8A
J0044
J0151
P081
CVP CN2
CV CONTROL BOX
+24V
GND+24V
+48V
GND+48V
A1
B1
A2
B2
A3
B3
A1
B1
A2
B2
A3
B3
+5V
1
2
LCD1
PANEL
TOUCH
LCD1
LCD1
1
2
1
2
1
5
4
3
1
2
UPS SIG
5
4
3
2
GB1
UPS
CARD
J0160
IF RASRAS
B10
A10
B9
A9
B8
A8
B7
A7
B6
A6
B5
A5
B4
A4
B3
A3
B2
A2
B1
A1
J0032
J0035H+24V
1
2
1
2
CV+24V
1
22
1
(3.3sq)
≧AWG12
0V24A
GS21 300W 10.3A
Peak 14A 10sec
J0079
J0024
0V24A
+24A
FG
N
L
+
+
-
-
FG
V10
U11A
J0072
U11A
U11A
V10
V10
XT21
MAX660V/22A
V10
U10B
V10B
QF21 7A
QF42 10A
0V24B
0V24B
+24B
J0041
+24A
+24A
J0023
See Page 5-6
P025
I/O CONV.
BOARD ASSY
0V48
0V48
+48V
・Around J0001 harness.
・Lower of INCOMING SUPPLY TERMINAL BLOCKS XB11.
and MAIN SW QS11.
・Between INCOMING SUPPLY TERMINAL BLOCKS XB11
・Near the MAIN SW QS11.
・On the cover at the rear left side.
・On the cover at the rear center side.
・On the cover at the rear right side.
・On the cover at the front right side.
・On the front cover at CONTROL BOX A1.
CONTROL BOX A1.
・Chemical capacity for motor power in
・Secondary side of UPS.
that might be gotten an electric shock.
*The charge mark is put on the place
QF41 5APeak 21A 5sec
GS31 300W 6.3A
See Page4
See Page 3
See Page 8
See Page 8
0.75KVA
1.7KVA
220V
220V
220V
230V
230V
230V
High Voltage
Residual risk
when MAIN SW QS11 is OFF.
*
!
U53
V53
W53
+48B+48B+48A
J0031
0V48
+48A
FG
N
L
U51
FG
V51
-
+
CONTROL BOX A01
J0022
J0074
J0073
J0077
J0076
APPD.
EMERGENCY CIRCUIT
J0007
U10B
V10B
XT31
0V48
MAX660V/22A
0V48
P011
DRIVER
CONVEYOR
DCN1
1
22
1
AC230V
POWER
MOTOR
AC230V: DRIVE
1
2
3
AC100V
AC100V:CONTROL
ACIN
1
2
3
+48V
KM12
MAX690V/6A
6/T3
2/T11/L1
3/L2
5/L3
4/T2
KM11A
CONV+24V CONV+24E7473
MAX660V/13A
U52
V52
W52
4/T2
1/L1 2/T1
3/L2
5/L3 6/T3
J0006
NF11
MAX250V/10A
6
5
4
E E
1
2
3
W52
V52
U52
W51
V51
U51
J0005
U51
V51
W51
U50
V50
W50
J0004
KM11
TC11
240V
0V
190V
200V
208V
220V
100V
0V
220V
208V
200V
190V
0V
240V
100V
100V
0V
0V
J0019
S2
R2
J0018
TM11
T2
R2
S2
N
0V
190V
200V
208V
220V
240V
0V
190V
200V
208V
220V
240V
0V
190V
200V
208V
220V
240V
0V
190V
200V
208V
220V
240V
0V
190V
200V
208V
220V
240V
0V
190V
200V
208V
220V
240V
U
V
W
J0075
J0017
J0016
J0020
J0015
J0014
J0013
J0012
J0011
J0010
W50
U50
V50
QF43 2A
CONV+24V+24A
2
4
2
4
3 3
11
H+48V
POW/EMG
55
1
2
3
4
3
2
1
4
6 6
55
2
3
4
3
2
4
6 6
POW/EMG
1 1
A3
B2
A2
B1
A3
B2
A2
B1
+48V
GND+48V
+24V
GND+24V
CN2
A1A1
B3B3
I/O HEAD
P041
J0038 J0037 J0036
J0042
J0159
UPS(OPTION)
+24VD1
4
3
2
1
+24VC1
+24VF3
1
2
3
4
A2
B2
A1
B1
+24VF4
+24VB6
+24E
2
1
3
4
5
6
7
8
A6
B6
A1
B1
A2
B2
A3
B3
A4
B4
A5
B5
+24VF5
+24VS2
A6
B6
A1
B1
A2
B2
A3
B3
A4
B4
A5
B5
1
2
3
4
+24V
+24V2
4
3
2
1
+24VS1
A3
B3
A2
B2
A1
B1
+24VD3
+24VD4
+24VD2
A5
B5
A4
B4
A3
B3
A2
B2
A1
B1
A6
B6
+24VC2
2
1
3
4
5
6
7
8
9
10
+24VF7
2
1
3
4
5
6
7
8
9
10
+24VF6
A2
B2
A1
B1
+24VD5
0.5A
2.5A
2.5A
1.35A
1.35A
2.5A
2.5A
1.35A
2.5A
2.5A
2.5A
1.35A
0.3A
1.35A
1.35A
0.9A
0.9A
0.9A
0.9A
0.9A
0.9A
0.9A
0.9A
0.9A
0.9A
0.9A
0.9A
0.9A
0.9A
0.9A
0.9A
+24VS3
+24VS2
+24VS1
+24VF7
+24VF6
+24VF5
+24VF4
+24VF3
+24VF1
3.0A
+24VC2
+24VC1
+24VB6
+24VB4
+24VB3
+24VB2
+24VB1
+24VAG
+24VAF
+24VAE
+24VAD
+24VAB
+24VAA
+24VA9
+24VA8
+24VA7
+24VA6
+24VA5
+24VA4
+24VA3
+24VA2
+24VA1
+24VA0
+24V
2.5A
6.0A
6.0A
6.0A
6.0A
+24V2
+24VD1
+24VD5
+24VD4
+24VD3
+24VD2
CN34
1
2
1
2
CN26
CN27
CN37CN37
CN45
CN1CN1
CN44
CN43CN43
1
2
CN30
1
2
CN31
2
1
CN38
CN28
CN36
CN35
CN29
J0161
J0003
J0021
0V24A
XT41
MAX660V/22A
J0043
L3
L1
L2
L3
PE
MAX750V/40A
XB11
J0071
L1
L2
L3
L2
L1 R1
S2
T2
J0001
R2L1
L2
L3 T3
T2
T1
S1
T1
Icu≧6KA(AC440V)
NOTE:
MAX690V
QF11 20A(x20)
R1
S2
T2
J0001
BRACKET MAIN SWITCH
J0754
L2
L3
T2
T1
T3
L1
MAX690V/25A
QS11
1.00kVA
J0077
J0076
J0021
TC11
240V
0V
190V
200V
208V
220V
J0019
J0018
S2
R2
240V
0V
190V
200V
208V
220V
0V
100V
0V
0V
100V
100V
UPS IN
U10A
V10A
U10B
V10B
U10B
V10B
J0022 J0752
QF61 10A
UPS ASSY GB1
UPS IN UPS OUT
UPS OUT
DRY CONTACT CARD
REPO+
REPO-
RSD+
RSD-
P1
P2
P3
P4
P5
P6
P7
P8
REPO+
REPO-
RSD+
RSD-
P1
P2
P3
P4
Input Abnormal
Low Battery
UPS Alarm
On Bypass
1
2
1
2
3
4
5 5
4
3
UPS SIG
1
2
1
2
3 3
UPS RMT
J0754
J0753
J0751
CONTROL BOX A01
IF RAS
QS11A *1
33 34
41 42 4241
QF21
XT21
U10
V10
At the UPS specification(OPTION)
Note : *1(Auxiliary contact) is attached to the QS11.
J0080
J0078
SET 5.0A
QF31 (4.0∼6.3A)
CC.V3
2
POWER CIRCUIT
YSD